| Passwort vergessen?
Sie sind nicht angemeldet. |  Anmelden

Sprache auswählen:

Wumpus Gollum Forum von
Wumpus Welt der (alten) Radios
Sie sind nicht angemeldet.
 Anmelden

Dimmer ohne aktive Halbleiter
  •  
 1
 1
22.09.19 15:57
Foghunter

nicht registriert

22.09.19 15:57
Foghunter

nicht registriert

Dimmer ohne aktive Halbleiter

Hallo Forum.

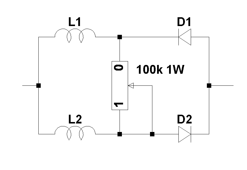
mit sättigbaren Spulen (z.B. die Primärwicklung billiger Halogentrafos) kann man dimmen.


Wenn man eine 100W Glühfadenlampe in Reihe mit der Primärwicklung eines leerlaufenden Trafos schaltet, dann wird sie schlimmstenfalls ganz schwach glimmen.

Wenn man dazu in Reihe eine Diode schaltet, so wird die Lampe hell aufleuchten, weil die sättigbare Spule vom pulsierenden Gleichstrom in wenigen Halbwellen in die Sättigung getrieben wird.

Wenn man die Diode mit einem 2Watt-Poti (100 kOhm) überbrückt, so kann man stufenlos zwischen diesen beiden Extremwerten "dimmen".



Probiert mal mutig verschiedene Trafos aus. Billige Halogentrafos und Ringkerntrafos gehen oft am besten.

So haben die Altvorderen Leistungselektronik betrieben als es noch keine Thyristoren gab. Statt unserer Dioden nahmen sie Selengleichrichter.

--------------

Wer den Dimmer perfektionieren will, kann ihn mit zwei Sättigungsspulen auf Vollwellenbetrieb umstellen. Das gibt dann eine Funktion wie ein Haushaltsdimmer mit Triac. Nur mit weniger Funkstörungen.



Viele Grüße

Wolfgang

Zuletzt bearbeitet am 22.09.19 15:58

Datei-Anhänge
100_0657.JPG 100_0657.JPG (285x)

Mime-Type: image/jpeg, 50 kB

dimmer.png dimmer.png (271x)

Mime-Type: image/png, 7 kB

RWA gefällt der Beitrag.
!
!!! Fotos, Grafiken nur über die Upload-Option des Forums, KEINE FREMD-LINKS auf externe Fotos.    

!!! Keine Komplett-Schaltbilder, keine Fotos, keine Grafiken, auf denen Urheberrechte Anderer (auch WEB-Seiten oder Foren) liegen!
Solche Uploads werden wegen der Rechtslage kommentarlos gelöscht!

Keine Fotos, auf denen Personen erkennbar sind, ohne deren schriftliche Zustimmung.

Den Beitrag-Betreff bei Antworten auf Threads nicht verändern!
23.09.19 08:54
HB9 

500 und mehr Punkte

23.09.19 08:54
HB9 

500 und mehr Punkte

Re: Dimmer ohne aktive Halbleiter

Hallo zusammen,

man kann auch mit einem Gleichstrom in der Sekundärwicklung die Helligkeit steuern, so hat man gratis eine galvanische Trennung des Steuersignals. Auf diese Weise arbeiteten die elektronikfreien Dimmer für die Bühnenscheinwerfer, da hier die Störungen von Triacs oder Thyristoren in die Mikrofone einstreuten und daher Halbleiterlösungen nicht möglich waren.

Gruss HB9

23.09.19 10:44
Foghunter

nicht registriert

23.09.19 10:44
Foghunter

nicht registriert

Re: Dimmer ohne aktive Halbleiter

Hallo HB9,

ein klassischer Trafo ist nicht so leicht in die Sättigung zu treiben. Erstmal ist es ja ein Trafo, der die Dinge, die auf der Lastseite geschehen auch in den Steuerkreis transformiert. Der Steuerstrom muss also gegen eine transformierte Sekundärspannung gegen an kämpfen. Das wird erst besser, wenn der Trafo schließlich vollständig gesättigt ist. Dann ist sein Magnetfeld dauerhaft zusammengebrochen und er induziert keine Sekundärspannung mehr.

Das ist kein schönes Verhalten, so lange das Ding nicht vollständig gesättigt ist.

Die Altvorderen waren aber einfallsreich und kamen auf die Idee, einfach zwei Trafos so zu verdrahten, dass sich deren Sekundärspannungen voneinander subtrahieren. Nun hatte der Steuerstrom nicht mehr gegen eine Spannung sondern nur noch gegen Kupferwiderstände zu kämpfen.

Dieses Gleichgewicht ist aber sofort wieder gestört, wenn einer der beiden Trafos in die Sättigung gelangt. Der kann dann nämlich nichts mehr induzieren. Nun kämpft das System gegen den Steuerstrom, sobald man in die Nähe der Sättigung gelangt.

Wieder haben sich die Altvorderen was einfallen lassen: wenn da plötzlich eine unerwünschte Wechselspannung an den Steuerklemmen auftaucht, so müssen wir ja nur eine große Drossel in den Steuerstromkreis einbauen, um das zu unterbinden.

Naja... es funktionierte schließlich irgendwie. Aber die Verstärkung (Verhältnis der Steuerleistung zur gesteuerten Leistung) war erbärmlich. Transduktoren haben vielleicht bestenfalls eine 100-fache Leistungsverstärkung. Und schwer waren die Kisten.

Und HF-Geknatter können auch Bauteile mit gesättigten Blechen abgeben. Sobald Sättigungseffekte auftreten, wird der angelegte Sinus verzerrt. Mehr oder weniger. Aber niemals nicht.

-------

Der o.a. Dimmer funktioniert grundlegend anders. Statt aktiv gesättigt zu werden, sättigt der sich (durch die Diode) ganz von alleine. Und zwar in der stromführenden Halbwelle. Genau wie ichs erklärt hatte.

Um nun zu dimmern, muss man den gesättigten Kern wieder entsättigen. Die Dioden sorgen dafür, dass der Laststrom während dieser Entsättigungshalbwelle abgeschaltet wird. Entsättige ich stark, braucht er in der Lasthalbwelle mehr Zeit, bis er wieder gesättigt hat. Entsättige ich schwach, sättigt er in der Lasthalbwelle früher.

Und plötzlich braucht man keine massiven Steuerströme mehr sondern es reichen wenige Milliampere aus einem äußerst hochohmigen Poti - oder alternativ natürlich auch wenige Milliampere aus einer Stromquelle oder sogar NF-Quelle.

Die Leistungsverstärkung einer derartigen Entsättigungsvorrichtung kann mühelos eine Million (!) erreichen. Einfach aus dem Grunde, weil der Steuerstrom und der Laststrom durch die Dioden fein säuberlich zeitlich getrennt werden.

Das ist eine völlig abgehobene Technik, die so richtig erst Professor Ramey aus den USA verstanden und propagiert hatte. Dummerweise nur wenige Jahre vor der Erfindung der Thyristoren.

Trotzdem geriet seine Erfindung (er hielt viele Patente) nicht ganz in Vergessenheit. Es gibt sogar Verstärkerhersteller, die ihre Geräte mit dieser Technologie bauen. Man denke nur an den legendären Lars Lundahl.

Wie einfach man so einen empfindlichen NF-Verstärker gestalten kann, hab ich hier:

http://www.wumpus-gollum-forum.de/forum/...9&page=3#25

vorgeführt.

-------

Transduktoren sind schwere und träge Dampframmentechnik. Wenn immer ich kann, bevorzuge ich das Florett der Ramey-Verstärker. Der hier gezeigte Dimmer ist Ramey-Technik.

Viele Grüße

Wolfgang

Zuletzt bearbeitet am 23.09.19 10:59

 1
 1
Halbleiterlösungen   Verstärkerhersteller   Sekundärwicklung   Vollwellenbetrieb   Sekundärspannung   wumpus-gollum-forum   Entsättigungshalbwelle   elektronikfreien   zusammengebrochen   Sekundärspannungen   Selengleichrichter   Dampframmentechnik   Leistungsverstärkung   Ramey-Verstärker   Bühnenscheinwerfer   Sättigungseffekte   Sättigungsspulen   Steuerstromkreis   Kupferwiderstände   Leistungselektronik