| Passwort vergessen?
Sie sind nicht angemeldet. |  Anmelden

Sprache auswählen:

Wumpus Gollum Forum von
Wumpus Welt der (alten) Radios
Sie sind nicht angemeldet.
 Anmelden

Ein kleines SAQ-Empfangssystem
  •  
 1 2
 1 2
08.04.24 21:28
basteljero 

500 und mehr Punkte

08.04.24 21:28
basteljero 

500 und mehr Punkte

Ein kleines SAQ-Empfangssystem

-Einleitung
Hallo,

Nachtrag:
Zusammenfassung verschiedener Beiträge jetzt hier in der neuen SAQ-Rubrik "Technikgeschichte"
https://www.wumpus-gollum-forum.de/forum...47&thread=8

Der hier vorgestellte "Abwärts-Mischer-Empfänger" hat sich gut bewährt.
Es ist ein Festfrequenz-Transistor-Empfänger mit einigem Zubehör

Auf Seite 2 ein schmalbandiger Empfänger mit Quarzfilter.

ein Röhrenempfänger ist jetzt hier in Arbeit:
https://www.wumpus-gollum-forum.de/forum...d=20&page=1

Allgemeines:

Der Empfang des historischen Maschinensenders von 1924 mit dem Rufzeichen "SAQ" in Schweden,
Grimeton hat Kultstatus.
https://alexander.n.se/en/

Im Netz finden sich viele Anleitungen zum Empfang

Mich selbst hält der Sender seit etwa 3 Jahren in seinem Bann, habe da Verschiedenes probiert, um den Empfang
mit möglichst geringem Aufwand und trotzdem angelehnt an alte Schaltungstechnik zu realisieren.

PC-Lösungen sind wahrscheinlich die effizientesten, aber nicht so mein Ding.

Meist wird ein "up-converter" irgendeiner Art benutzt.
Der macht aber nur dann Sinn, wenn der nachgeschaltete Empfänger eine sehr schmale Bandbreite mit
steilen Flanken besitzt:
Selbst bei einem 100 Hz-Quarzfilter beispielsweise sind die Zeichen ("Punkte" und "Striche") noch gut
auseinanderzuhalten.

Zum Vergleich:
Ein "schmaler" Amateurfunk-SSB-Empfänger hat eine Bandbreite von 2500 Hz,
Und jetzt die harte Realität:

Glücklicherweise "worst case"-Szenario, der auf 16,9 kHz sendet extrem selten.

Auf Kurzwelle kann man mit einem Rückkopplungs-Audionempfänger eine Station dadurch hörbar machen,
dass man es leicht schwingen lässt.
Wenn dann der SAQ-Sender Leistung abgibt ("getastet" wird") wird ein Schwebungston von meist 1000 Hz erzeugt
(Es gab da historische Kopfhörer für Telegrafie, die diesen Bereich bevorzugt wiedergaben)

Nur:
Auf Kurzwelle hat der Eingangskreis eine breite Resonanzkurve; Schwingt das Audion auf beispielsweise 9001 kHz
um einen Telegrafie ("CW")-Sender auf 9000kHz zu empfangen, spielt die Verstimmung keine Rolle, da das Nutzsignal
kaum leiser wird.
Anders bei SAQ auf 17,2 kHz:
Hier müsste man das Audion mit sehr stark angezogener Rückkopplung auf 16,2 kHz schwingen lassen, um die
1000 Hz zu hören.
Es zeigte sich in zahlreichen Aufbauten, dass selbst bei Verwendung "schlechter" Ferritkern-Spulen das SAQ Signal
auf etwa 1/8 reduziert wird.

Die "Entdämpfung" des Audion-Kreises findet also anders als bei KW weit außerhalb der gewünschten Empfangsfrequenz statt !

Es ergab sich daraus, dass man entweder das Audion genau auf die Empfangsfrequenz einstellt und die
Schwebungen mit einem externen Oszillator erzeugt, oder auf die Selektion des Audions verzichtet
und es nur zur Erzeugung des Überlagerungs-Tones verwendet.


Die Entdämpfung durch Rückkopplung hat auf 17,2kHz auch noch Nachteile:
-Die starken Atmosphärischen Störungen in diesem Frequenzbereich erscheinen überproportional lauter
-Die Schwingungen im Empfangskreis klingen nur langsam ab.
die "Striche" und "Punkte" verschwimmen ineinander und sind nicht besser auseinanderzuhalten, als wenn
ohne Rückkopplung gearbeitet wird. Daher entfällt sie hier ganz.

Die Art des Telegraphie-Empfanges mit (mechanischem) Hilfsoszillator wurde von R. Fessenden erfunden
und "Heterodyne" genannt, es erlangte mit Erfindung der Verstärkerröhre große Bedeutung

Der hier vorgestellte Empfänger ist aber kein "Heterodyne"[1], sondern ein Direktmischer, in dem wie beim
Radio die Eingangsspannung mit der Spannung des Oszillators an der gekrümmten Kennlinie eines
Transistors gemischt wird.

Die Oszillatoramplitude ist dabei wesentlich größer als die Empfangsspannung.
Wo sich im Radio die übliche unhörbare Zwischenfrequnez von 470 kHz bildet, wird hier ein hörbarer 1200 Hz-Ton
erzeugt.

Dieser Ton kann NF-mäßig noch weiter gefiltert werden.
Der Vorteil ist, dass sich Temperatur-Schwankungen nur wenig auf die Durchlaßkurve auswirken.
Man kann sie also schmal halten, denn SAQ war in den vergangenen Jahren mindestens immer im Bereich
+-20 Hz.
-
[1]
Der Unterschied zwischen Überlagerung und Mischung ist an dieser Stelle von HB9 erläutert:
https://www.wumpus-gollum-forum.de/forum...=400&page=6

Gruß
Jens

Zuletzt bearbeitet am 24.07.25 18:38

Datei-Anhänge
Störer 16,9.jpg Störer 16,9.jpg (245x)

Mime-Type: image/jpeg, 19 kB

Noch gefällt der Beitrag keinem Nutzer.
!
!!! Fotos, Grafiken nur über die Upload-Option des Forums, KEINE FREMD-LINKS auf externe Fotos.    

!!! Keine Komplett-Schaltbilder, keine Fotos, keine Grafiken, auf denen Urheberrechte Anderer (auch WEB-Seiten oder Foren) liegen!
Solche Uploads werden wegen der Rechtslage kommentarlos gelöscht!

Keine Fotos, auf denen Personen erkennbar sind, ohne deren schriftliche Zustimmung.

Den Beitrag-Betreff bei Antworten auf Threads nicht verändern!
08.04.24 21:29
basteljero 

500 und mehr Punkte

08.04.24 21:29
basteljero 

500 und mehr Punkte

Re: Ein kleines SAQ-Empfangssystem

-Grundkonzeption

Hallo,
Am Anfang jeden Bastel-Projektes steht ja immer das Konzept.
Es stellen sich die üblichen W-Fragen: Was will man erreichen? Wie kann man es erzielen ?
Wo liegen die Probleme?

Die Antenne soll raus aus dem häuslichen Störnebel, da bietet sich ein externer Antennen-Verstärker an.
Das Problem der Spannungsversorgung kann durch Fremdspeisung gelöst werden.

Der Empfänger soll klein und auch mobil sein, also ein Transistor-Gerät.
Ein Pedelec-Akku steht hier zur Verfügung, es ergibt sich eine Versorgungsspannung von 36Volt (24V).
Die Bedienung soll möglichst einfach sein.
Im mobilen Betrieb sollen keine Frequenzeinstellungen notwendig werden, die Einstellun soll von Anfang an
"sitzen".
Ein Problem stellt die Veränderung der Eingangskreis-Frequenz durch unterschiedliche Leitungslängen und Antennen dar.
Es wird daher nur ein abstimmbarer Eingangskreis eingebaut.
Es wird ein eingebauter Quarz-Oszillator für die Hilfsoszillator-Frequenz verwendet.
Spiegelfrequenz: Wie beim gewöhnlichen Superhet gibt es auch hier eine Spiegelfrequenz die sich ergibt, wenn
man von der Hilfsoszillatorfrequenz die NF-Selektionsfrequenz abzieht.
Die Hörfrequenz ist daher nicht zu tief gewählt und der vorhandene Quarz passte von dieser Seite betrachtet gut.

So ergab sich dann in etwa folgender Entwurf:



Bei den ersten Versuchen ergab der mit kleinem NF-Übertrager aufgebaute Selektionskreis eine scharfe Resonanz.
Da aber der Maschinensender in der Frequenz etwas variiert und eine spitze Resonanzkurve erzeugt,
entstand ein Bandfilter-Konzept.
Das Problem der Temperaturabhängigkeit, dass auf 17,2 kHz fest abgestimmte Kreise bisher nur nit hochwertigen
Schalenkernen zu lösen war, tritt bei 1000 oder 1200 Hz auch bei den kleinen NF-Übertragern mit N27 oder N87-Material
praktisch nicht in Erscheinung.

Weitere allgemeine Aspekte sind in einem Beirtag weiter unten genannt, so ist z.B. die Oszillator-Frequenz
gezielt unterhalb der Empfangsfrquenz.

Gruß
Jens

Zuletzt bearbeitet am 13.04.25 12:50

Datei-Anhänge
Konzept SAQ-Direktmischer.JPG Konzept SAQ-Direktmischer.JPG (242x)

Mime-Type: image/jpeg, 55 kB

08.04.24 21:29
basteljero 

500 und mehr Punkte

08.04.24 21:29
basteljero 

500 und mehr Punkte

Re: Ein kleines SAQ-Empfangssystem

Die Antennen
Edit 2025-10-11
Antenne 1:
Abgestimmte 80 cm-Spulenantenne


Eine gute Antenne ist auch bei SAQ der beste HF-Verstärker, sie gehört, wenn es irgendwie geht,
nach draußen.
Hier sind die häuslichen Störfelder durch Abstand reduziert, während das SAQ-Signal nicht unnötig
gedämpft wird.

Obwohl bereits eine 20 cm Ferritstabantenne sehr gute Ergbnisse brachte, wurde eine 80cm abgestimmte
Spulenantenne gebaut, denn die Wirkfläche ist entscheidend für maximales Signal:

Zitieren:
Die entnehmbare Generatorleistung lässt sich stark durch die Fläche der Antenne beeinflussen.
Die Windungszahl n geht nur linear in das Ergebnis ein. (wikipedia -> Rahmenantenne)


Anstelle einer Abschirmung wird symmetrische Wicklungsweise gewählt, die Nullstelle ist extrem scharf.
Der rauscharme BC550C braucht hier nur wenig zu verstärken, das Hintergrundknistern beträgt 15mVpp
nach etwa 30m 75 Ohm-Koax.

Die Platine auf Lochraster kommt in 50er HT-Rohr mit Schraubkappe (Reinigungsrohr)
Der Schraubverschluss hat ein Schauglas bekommen, in diesem befindet sich ein Säckchen mit
Silicagel-Trockenmittel.
Nach unten hin ist das Rohr hermetisch abgedichtet, die Trennscheibe aus Holz in Paraffin (Kerzenwachs) eingegossen,
das hat sich sehr bewährt.
Oben aufgesetzt und mit dem Lötkolben angeschweißt ein 40er Rohr, das als mechanische Verstärkung dient und
auch mit der Oberseite des PVC-Rohres verschweißt ist.
Dieses nimmt die insgesamt 20 Windungen 1,5m² auf.
Anstelle der gezeichneten Koax-Stecker wurden Antennenseitig Lüsterklemmen verwendet.
Stecker haben sich hier im Außenbereich nicht bewährt. (Rost wegen salzhaltiger Seeluft).

-------
Antenne 2:
Abgestimmte Spulenantenne mit abgestimmtem Auskoppel-Kreis

Die zweite Antenne, die vorher aufgebaut wurde, ist schmalbandiger, aber auch etwas aufwändiger.

Als Antenne wird eine Rahmenantenne verwendet, deren starkes Signal von einer kleineren
Ferritstabantenne abgenommen wir.



1. Rahmen:
Seine Aufgabe besteht darin, möglichst viele magnetische Feldllinien einzufangen, wobei der Durchmesser
mehr Einfluß hat als die Windungszahl.

Bei mir eine wetterfeste Ausführung, die Wicklungen (Installationsleitung 1,5mm²) ist zwischen die
Wandungen von zwei Mörteleimern geklemmt.

2. Kopplungspule

Seit Jahren ist dieser Ferritstab bei den bekannten Anbietern zu bekommen, Beispiel:
https://www.conrad.de/de/p/tru-component...st-1565952.html


De Wicklungen sind in Kammerspulen-Form gewickelt, es ist eine dünne Backpapier-Zwischenlage
zwischen dem Stab und den Wicklungen eingefügt.
Bei nochmaligem Aufbau würdeich die äußeren Scheibenwicklungen weglassen und 4x400 Wdg wickeln.
Der draht ist etwa 0,1mm Cul. von einem alten Schütz.
Denn es gibt eine gewisse Temperaturabhängigkeit des Ferrit-Materials, mit einer Parallel-Kapazität
um die 1000pF - 2200 pF wurden immer gute Ergebnisse erzielt und die Resonanzkurve ist nicht allzu
spitz.

Antennenverstärker

Seine Aufgabe:
Die aufgenommene HF-Spannung so hochzuhalten, dass auch bei größeren Längen der 75-Ohm Koax-Zuleitung
die Signalspannung am Empfänger wesentlich höher ist als die aufgenommenen Störspannungen auf dem
Weg dahin.
Mt der hohen Signalspannung, die abgestimmte Spulen ab etwa 60cm Durchmesser abgeben, ist keine oder nur
geringe Spannungsverstärkung notwendig.

Gleiches Prinzip wie bei einem Mikrofonverstärker mit Fremdspeisung ("Phantomspeisung"):
Der Arbeitswiderstand sitzt im Empfänger, er ist gerade so klein, dass die Kapazitäten der Koax-Leitung
die Grenzfrequenz nicht zu weit nach unten ziehen.
Feinheiten wie Wellenwiderstand etc. wurden vernachlässigt, die Wellenlänge ist bei 17,2 kHz etwa
17,4 km.

Jens

Zuletzt bearbeitet am 13.10.25 00:16

Datei-Anhänge
SAQ-Mörteleimer-Aktivrahmen_2024-02-26.jpg SAQ-Mörteleimer-Aktivrahmen_2024-02-26.jpg (227x)

Mime-Type: image/jpeg, 116 kB

Gehäuse-Neu_2024-02-27.jpg Gehäuse-Neu_2024-02-27.jpg (211x)

Mime-Type: image/jpeg, 78 kB

SAQ-Empfangsspule.jpg SAQ-Empfangsspule.jpg (240x)

Mime-Type: image/jpeg, 68 kB

SAQ-Mörteleimer-Aktivrahmen_2024-02-26.jpg SAQ-Mörteleimer-Aktivrahmen_2024-02-26.jpg (210x)

Mime-Type: image/jpeg, 116 kB

80cm-Loop_aufgebaut_500px.jpg 80cm-Loop_aufgebaut_500px.jpg (75x)

Mime-Type: image/jpeg, 264 kB

SAQ-aktiver-80cm-Rahmen_2025-10-13.jpg SAQ-aktiver-80cm-Rahmen_2025-10-13.jpg (78x)

Mime-Type: image/jpeg, 165 kB

08.04.24 21:30
basteljero 

500 und mehr Punkte

08.04.24 21:30
basteljero 

500 und mehr Punkte

Re: Ein SAQ-Empfangssystem

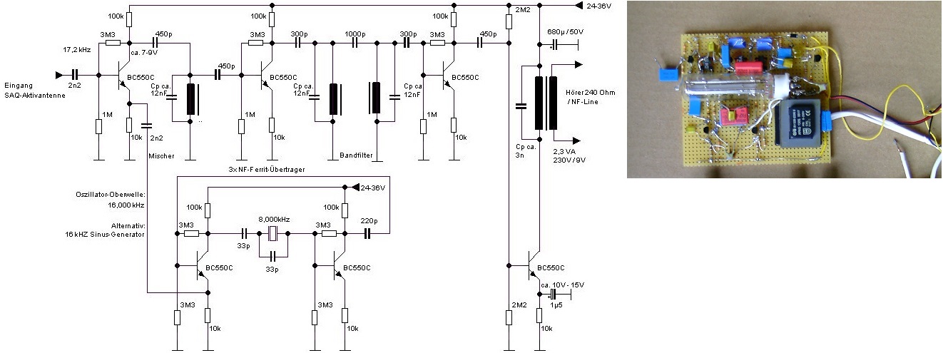
Empfänger
Besteht aus abstimmbarem Vorverstärker, Mischer, NF-Selektionskreisen und Kopfhörer-Endstufe
Die Vorselektion würde hier am Standord bereits ausreichen, um SAQ gut zu hören, auch wenn im Hintergrund
immer noch der starke RDL (18,2 kHz) aus Russland und ein noch weit stärkerer (Frankreich?) zu hören sind.

Es soll aber ein verhältnismäßig einfacher, aber auch leistungsfähiger Empfänger für SAQ werden.

Vorverstärker:

Enthält den einzig abstimmbaren Kreis.
Das ist zum einen wegen der Temperaturabhängigkeit des Kreises, zum anderen wegen der unterschiedlichen
Kapaztät der Koax-Leitung bei verschiedenen Längen.

Man könnte auch auf den abstimmbaren Kreis verzichten, wegen der selektiven Spulenantenne.
Aber es soll aber auch mal nur eine Drahtantenne getestet werden, und irgendwas muß man ja zum Rumdrehen
beim Empfang von SAQ haben.

Mischer


Der Mischtransistor erhält das Empfangssignal über die Basis, das Oszillator-Signal ist in den Emitter
eingekoppelt.
Die Höhe des Oszillator-Signals ist recht unkritisch, man kann gut einen Sinus-Generator benutzen, der
eine genaue Frequenz-Anzeige besitzt.
Hier wurde ein Quarz-Oszillator eingebaut, da kein passender Quarz zur Verfügung stand, wurde ein 8kHz-
Exemplar genommen,
Die Mischung erfolgt dann auf einer Oberwelle, die an der gekrümmten Kennlinie des Transistors ebenfalls
erzeugt wird.

NF-Selektion
Zunächst wurde der bewährte 2-Kreis-Bandfilter aufgebaut, es ergab sich die übliche Einsattelung in der
Mittenfrequenz, die durch einen zusätzlichen Selektionskreis nach dem Mischer ausgebügelt wird.
Die Bandfilterkurve wurde nicht aufgenommen.
Alle Kreise sind auf 17,2 kHz abgeglichen mittels zugeschalteter Festkapazitäten.

In diesem Projekt wurde ein 8 kHz-Glasquarz eingesetzt.
Es wäre aber wünschenswert, einen leicht erhältlichen Quarz zu verwenden, und mit möglichst einfacher
Teilerschaltung einen Überlagerer zu bauen, der eine "runde" Frequenz erzeugt,
16,2 / 16,2 usw.

Bisher ist aber nur ein Testoszillator mit zu vielen Elementen für SAQ aufgebaut worden.
https://www.wumpus-gollum-forum.de/forum...=400&page=1

Überlagerer
Hier wurde die 16 kHz Oberwelle eines 8 kHz-Quarzes zur Nischung benutzt
Möglich ebenfalls, mit dem binären Teiler 4060 und einem 4,096 MHz Quarz 16 kHz zu erzeugen
Ein Vorversuch Ist hier beschrieben:
wumpus-gollum-forum.de/forum/thread.php?board=58&thread=441#1

Nachtrag:
Ähnlicher Aufbau mit Uhrenqquarz-Synchronisation

Der 8 kHz-Quarz ist etwas "speziell", ein Teiler-IC sollte auch vermieden werden und die Temperaturabhängigkeit
von den EE-Kernen mit N27-Material bei 17,2 khz verringert werden.
Das gelang mit "grünen" Eisenpulverkernen, die leicht erhältlich sind.
https://www.wumpus-gollum-forum.de/forum...amp;thread=22#1

Jens

Zuletzt bearbeitet am 07.11.25 16:29

Datei-Anhänge
SAQ-Direktmischer-HF-Vorverstärker.JPG SAQ-Direktmischer-HF-Vorverstärker.JPG (234x)

Mime-Type: image/jpeg, 129 kB

SAQ-Direktmischer_2024-04-09.jpg SAQ-Direktmischer_2024-04-09.jpg (220x)

Mime-Type: image/jpeg, 146 kB

08.04.24 21:31
basteljero 

500 und mehr Punkte

08.04.24 21:31
basteljero 

500 und mehr Punkte

Re: Ein kleines SAQ-Empfangssystem

-Antennenvergleiche in der Praxis

Bei sehr schwachen Signalen erscheinen die Morsezeichen bei der Ferritstabantenne etwas "verwaschener".
Vermutlich macht sich je nach Empfangs-Situation das geringere Eigenrauschen der wesentlich
leistungsstärkeren großen abgestimmten Spulenantenne (Rahmenantenne) auch in guter
Empfangslage schon etwas bemerkbar.

Im-Haus-Vergleiche mit der elektrischen Antenne (kurze Drahtantenne) und der Ferritstabantenne bzw.
kleiner Spulenantenne zeigten unterschiedliche Ergebnisse:

"Eigentlich" sollte die magnetische Antenne unempfindlicher gegen Streufelder sein, und das war im Haus
auf dem Dachboden bisher auch der Fall.

Nachdem dort aber eine Abschirm-Fläche eingezogen wurde, haben sich die Verhältnisse umgekehrt:
die Spulenantenne nimmt mehr Netzstörungen auf als die kurze Drahtantenne.

Jens

Zuletzt bearbeitet am 13.04.25 13:06

08.04.24 21:32
basteljero 

500 und mehr Punkte

08.04.24 21:32
basteljero 

500 und mehr Punkte

Re: Ein kleines SAQ-Empfangssystem

-Test des fertigen Empfängers

Um den fertgen Empfänger zu testen, wurde in ... nicht zu geringer Entfernung ein
Testrahmen (16 Wdg, Durchmesser 60 cm, Cp=3x86n) plaziert und über Taster
an den 50 Ohm-Ausgang des Sinuns-Generators angeschlossen.

Die Rahmen waren war so ausgerichtet, dass der Testrahmen auf den Empfangsrahmen
induktiv koppeln kann:



Mit dieser Anordnung wurde noch eine zweite Aufnahme gemacht, und zwar wurde einmal
ein E566-Empfänger an einer anderen Ferritstabantenne mit dem Direktmischer verglichen,
wobei der Direktmischer noch 2 weitere 17,2 kHz-Selektionskreise vorgeschaltet bekam.

Es zeigt sich aber, dass die Zunahme der Verbesserung immer weniger wird, je mehr Kreise man benutzt.

Jens

Zuletzt bearbeitet am 13.04.25 13:07

Datei-Anhänge
Transistor-Direktmischer-Test.JPG Transistor-Direktmischer-Test.JPG (222x)

Mime-Type: image/jpeg, 23 kB

Transistor-Direktmischer-Simulation-SAQ.mp3 Transistor-Direktmischer-Simulation-SAQ.mp3 (217x)

Mime-Type: audio/mpeg, 94 kB

vergleich E566-Transistor-Direktmischer-u-SAQ-2-box.mp3 vergleich E566-Transistor-Direktmischer-u-SAQ-2-box.mp3 (215x)

Mime-Type: audio/mpeg, 79 kB

10.04.24 12:17
basteljero 

500 und mehr Punkte

10.04.24 12:17
basteljero 

500 und mehr Punkte

Re: Ein kleines SAQ-Empfangssystem

-Einige Aspekte beim Entwurf eines SAQ-Empfängers

Hallo,
Es gibt einige Aspekte, die man beim Bau eines eigenen Empfängers für SAQ, aber auch ganz allgemein im
Die verwendete Antenne:

Selbst verwende ich eine abgestimmte Spulenantenne irgendeiner Art, weil sie durch ihre Resonanz
sehr viel stärkeres Signal liefert als eine einfache Schleife.
Aber natürlch gibt es auch die Lösung mit der nichtabgestimmten Antenne.
Wenn man weiß, wie das korrekt gemacht wird:
https://www.wumpus-gollum-forum.de/forum...=400&page=3

Das Prinzip, wie man die Signale von SAQ hörbar macht.
Hier ist das Direktmischer-Prinzip angewendet.
{später Verweis einfügen auf Heterodyne}

Überlagerungston:
An Anfang meiner ersten "Gehversuche" mit dem Röhren-Audion hatte ich eine sehr tiefe Hörfrequenz
(100 Hz bis 200) Hz genommen, weil da SAQ schön tief wummert, was für mich sehr gut zu der schweren
Alexanderson-Maschine passt. Das setzt aber eine gewisse Signalstärke am Empfangsort vorraus.
Außerdem die einzige Möglichkeit, die erhöhte Güte des Audionkreises des schwingenden Audion noch halbwegs
ausnuzen zu können.
Walter schrieb folgerichtig mal:

Zitieren:
...da wirst Du ziemlich alleine sein mit deiner Meinung. Ich kenne eine ganze Menge "CWisten" und einige bevorzugen sehr niedrige Mithör-BFO-Töne zwischen 400 und 600 Hertz. Ich gehöre auch dazu. Aber 100 oder 200 Hz ist deiner Technik geschuldet und wird kaum jemanden glücklich machen.
Der legendäre K2 lässt beispielsweise eine Einstellung nur zwischen 400 und 800 Hertz zu.

...Ein BFO (Beat Frequency Oscillator) erzeugt aus der Zwischenfrequenz durch weitere Überlagerung einen hörbaren, einstellbaren Ton, ohne die Selektivität des Empfängers zu verändern. Bei Empfängern ohne Frequenzumsetzung wird am Empfängereingang ein um 400 bis 800 Hz gegenüber der Empfangsfrequenz versetzter Träger zugesetzt. So machte es einst auch die Empfangsstation SAK (Röhren vermutlich RE11 bzw. RE83).
https://www.wumpus-gollum-forum.de/forum...=400&page=2 mit Eingangsschaltung SAK
(Der Maschinensender mit dem Rufzeichen "SAQ" war Teil eines verzweigten Systems, "SAK" ist in diesem
die Empfangsstation in Kungsbacka, die mit zwei Beverage-Antennen (USA / Europa) ausgestattet war)

Als Fazit würde ich sagen:
Bei niedrig gewähltem Hörton kann man die Frequenzabweichungen des Maschinensenders besser erkennen.
Bei Hörton im mittleren Frequenzbereich sind die gegebenen Zeichen besser wahrzunehmen.

Im ersten Fall braucht man aber eine bessere HF-Vorselektion als im zweiten Fall, wegen der Spiegelfreqeuenz.

Wahl der Hilfsoszillator-Frequenz:
Die Oszillator-Frequenz kann um den gewünschten Hörton entweder unter oder über der Empfangsfrequenz
liegen.
Oszillator unter Empfangsfrequenz: Hörfrequenz steigt, wenn der Alexanderson Alternator seine Frequenz erhöht
(Drehzahl des Motors erhöht sich, Maschinenfrequenz entfernt sich von der Oszillatorfrequenz.)
Oszillator über der Empfangsfrequenz : Hörfrequenz sinkt, wenn der Alexanderson-Alternator Frequenz erhöht
(Maschinenfrequenz nähert sich der Oszillatorfrequenz)ö

Macht man den Oszillator durchstimmbar, kann ein alter Funker-Trick angewendet werden:
Hilfsoszillator auf Störsender legen, der erzeugt dann keinen störenden Ton mehr
Das könnte, auf SAQ-Empfang mit mäßiger Vorselekton übertragen, die RDL-Frequenz 18,2 kHz sein.
Daher auch variabler BFO(+/-3000 Hz) bei den alten kommerziellen Röhrengeräten.

Hier ist das unnötig, man ist mit Knistern und Knacken und eventuellen Störungen allein- bis die SAQ-Antenne
angeschaltet wird und die ersten Tests stattfinden.


Jens

Zuletzt bearbeitet am 13.04.25 13:08

11.04.24 12:42
basteljero 

500 und mehr Punkte

11.04.24 12:42
basteljero 

500 und mehr Punkte

RE: Ein kleines SAQ-Empfangssystem

-Aspekte beim Entwurf eines SAQ-Empfängers (Forstsetzung)

Hallo,
Resonanzkreise
Die historischen Empfänger waren mit hochwertigen Selektionskreisen ausgerüstet.
Optimal wären hochwertige Schalen- oder Topfkerne, HB9 schrieb mal dazu:

Zitieren:
für HF gibt es gute Topfkerne zu kaufen, z.B. die Siferrit-Materialien N48 bis etwa 500kHz, M33 für Mittelwelle und K1 für Kurzwelle. Diese gibt es in den Formen RM und P z.B. von Epcos. Nimmt man die Variantem mit Luftspalt, kann man mit einem Abgleichkern auch die Induktivität abgleichen. Durch die hohe Permeabilität von N48 hält sich die Anzahl Windungen auch bei tiefen Frequenzen in erträglichen Grenzen, ein RM6-Kern mit kleinem Luftspalt hat z.B. ein AL von 400nH. Durch den magnetisch geschlossenen Kern ist eine zusätzliche Abschirmung meistens überflüssig und die Güte ist sehr hoch. Die Kerne sind auch sehr temperaturstabil, die Induktivität bleibt konstant. Insbesondere die RM-Spulensätze haben für Bastler noch den Vorteil, dass man sie zerstörungsfrei wieder zerlegen kann, falls die Windungszahl nicht stimmt oder man sie anderweitig wiederverwenden will.

Zitieren:
Die Erhältlichkeit wird immer mehr zum Problem, ... , bei meinem Hauslieferant ist das Angebot schon zu dünn
Bei RM-Kernen gehört zu einem vollständigen Satz:
- Spulenkörper (wahlweise 1 oder 2 Kammern, verschiedene Pin-Anordnungen)
- zwei Kernhälften, mit oder ohne Luftspalt
- Kunststoffscheibe zur Fixierung des Spulenkörpers im Kern
- zwei Befestigungs-Klemmbügel
- optional Abgleichstift (nur bei Kernen mit Luftspalt)

Für Resonanzkreise sollte man immer Kerne mit Luftspalt verwenden, weil sonst das AL grosse Toleranzen hat und auch nicht besonders stabil ist.

Um diese Problematik zu umgehen, wurden in diesem Empfänger die gängigen kleinen M-Kerne verwendet.
Als Beispiel soll meine "SAQ-Box-2" dienen, in der einer dieser
Kerne verwendet ist:

(Sie dient jetzt zur Verbesserung der Selektivität meines Siemens-E566-Röhrenempfängers.)

Dieser Kern (links) stammt aus einer Handvoll kleiner Notlicht-Ladegeräte, die ich mal bekommen habe.
Die wurden im Werkstattofen auf 140°C erwärmt, dann die Kernhälften mit zwei Zangen auseinandergezogen.
(Den link zu dem Tipp hier im WGF konnte ich nicht mehr wiederfinden)

Bei dem rechten Kern (NF-Übertrager?) ging das nicht.
Da seine Resonanzfrequenz unter 17,2 kHz lag, wurde eine Ecke abgebrochen und so ein Luftspalt erzeugt.

Die Temperaturabhängigkeit ist aber recht groß, die Kreise müssen bei 17,2 kHz abstimmbar gemacht werden.
Bei 1000 Hz. war das nicht notwendig, deshalb dieses oKonzept mit der NF-Selektion.
Die Windungszahl aller Kerne beträgt 2x 300 Wdg, der Luftspalt so eingestellt, dass mit ungefähr 500 pF
Parallelkapazität die 17,2 kHz erzielt wurden.
Die Kerne sind seinerzeit in den Spulenkörper eingeklebt worden.

Abstimmdrehko
Wurde durch Anlöten von Platten "selbstgebaut".
Es gibt auch zahlreiche Schaltungen im Netz, wo Kapazitätsdioden die Funktiion übernehmen.

Damit sind auch in der heutigen digitalen Welt Bauteile greifbar, mit der man sich an historische
Schaltungskozepte anlehnen kann.

Gruß
Jen

Zuletzt bearbeitet am 13.04.25 13:10

Datei-Anhänge
SAQ-Box-II_2021-03-21.jpg SAQ-Box-II_2021-03-21.jpg (220x)

Mime-Type: image/jpeg, 64 kB

18.04.24 20:25
basteljero 

500 und mehr Punkte

18.04.24 20:25
basteljero 

500 und mehr Punkte

Re: Ein kleines SAQ-Empfangssystem

-Zubehör (Referenz-Quarzoszillator ca. 17,2 kHz)

Hallo,

SAQ-Bake

Um Antenne und Empfänger testen zu können, wurde mit dem 4060-Zähler eine 17,2 kHz-Bake gebaut.
Da die Bandbreite des Empfängers sehr schmal ist, kam nur ein Quarzoszillator in Frage.

Zunächst wurde ein Quarz im Glasgehäuse aus dem Bestand gesucht, der etwas unter einer
möglichen Teiler-Frequenz lag.
Das Quarzplättchen wurde dann vorsichtig mit Schmirgelpapier in Längsrichtung gekürzt,
bis die gewünschte Frequenz erreicht war.

Es ergibt sich ein Teilerfrequenz von 4,4400 kHz.
Das Rechteck-Signal des Teilers wird sehr lose auf einen Ferritstab-Resonanzkreis gegeben,
der dadurch auf der Oberwelle 17,2 kHz schwingt.


Um das Quarzplättchen vor der Luftfeuchtigkeit zu schützen, wurde es mit der Elektronik im luftdicht
eingebaut, Ein Päckchen Trockenmittel entzieht noch Luftfeuchtigkeit, wie im Schuhkarton oder in diesem
DEBEG-Notsendeempfänger:
https://www.wumpus-gollum-forum.de/forum...&thread=200

Die Taktung des Signals ist etwas unsauber gemacht, die gleichgerichtete Spannung eines Ausgangs setzt
den Master-Rest.
Aber funktioniert, auch wenn die Taktfrequenz von der Versorgungs-Spannung abhängig ist.
----
Ein Datenblatt für die hier verwendete 4060-Variante (SCL4060BE) ist hier zu finden:
https://www.digchip.com/datasheets/parts...L4060BE-pdf.php
Würde eventuell bei 9V bis 9 MHz schwingen.
----
An einer einfachen Schaltung wird derzeit experimentiert:
https://www.wumpus-gollum-forum.de/forum...1&page=2#13

Nachtrag:
Endergebnis mit 4Mhz-Quarz und 4060-Baustein, angewendet wird die von "Bulova" vorgeschlagene
Diodenmatrix, um einen Reset des Bausteins durchzuführen.



Gruß
Jens

Zuletzt bearbeitet am 13.04.25 13:12

Datei-Anhänge
SAQ-Quarzbake_2024-04-18.jpg SAQ-Quarzbake_2024-04-18.jpg (237x)

Mime-Type: image/jpeg, 154 kB

Kontrolloszillator 17,18000 kHz-4MHz-Quarz_2024-04-28.JPG Kontrolloszillator 17,18000 kHz-4MHz-Quarz_2024-04-28.JPG (174x)

Mime-Type: image/jpeg, 106 kB

26.11.24 20:52
basteljero 

500 und mehr Punkte

26.11.24 20:52
basteljero 

500 und mehr Punkte

Re: Ein kleines SAQ-Empfangssystem

Hallo,
Dies ist ein Einsprung von hier,
https://www.wumpus-gollum-forum.de/forum...=154&page=2
Jürgen fragte:

Zitieren:
Das Thema SAQ ist in diesem Forum leider über mehrere Threads verstreut, so dass ich nie weiss, wo ich schreiben soll.
Kann man das nicht ein bisschen zusammenfassen ?
Wohl kaum, es da so einiges zusammengekommen. Und auch ganz andere Konzeptionen, wie z.B. der
Aufwärtsmischer, sind ja zum erfolgreichen Empfang anwendbar:
https://www.wumpus-gollum-forum.de/forum...126&page=13

Hier nochmal der link zu dem SAQ-Empfänger-Bausatz aus Schweden.
https://execubic.se/execubic-wp/wp-conte...anual-ver-3.pdf
Wie sich zeigt, ist der ebenfalls ein Geradeaus-Direkt-Empfänger und verwendet eine abgestimmte
Spulenantenne.
Gewählt wurde ein Timer-Baustein 555 für den Überlagerer, der in weitem Bereich durchstimmbar ist.

Gruß
Jens

Zuletzt bearbeitet am 26.11.24 21:08

 1 2
 1 2
Empfänger   Festfrequenz-Transistor-Empfänger   Rückkopplungs-Audionempfänger   NF-Ferritkernübertrager   Siemens-E566-Röhrenempfängers   wumpus-gollum-forum   Amateurfunk-SSB-Empfänger   Mörtelkübel-Gartenantenne   Hilfsoszillator-Frequenz   Quarz-Kontrolloszillator   3-Röhren-Geradeausempfänger   Geradeaus-Direkt-Empfänger   Uhrenqquarz-Synchronisation   Temperaturabhängigkeit   Ferritstabantenne   Referenz-Quarzoszillator   Spulenantenne   Abwärts-Mischer-Empfänger   SAQ-Empfangssystem   bearbeitet