| Passwort vergessen?
Sie sind nicht angemeldet. |  Anmelden

Sprache auswählen:

Wumpus Gollum Forum von
Wumpus Welt der (alten) Radios
Sie sind nicht angemeldet.
 Anmelden

Germanium-Transistoren: Mal etwas herumprobiert.
  •  
 1
 1
13.04.24 11:48
basteljero 

500 und mehr Punkte

13.04.24 11:48
basteljero 

500 und mehr Punkte

Germanium-Transistoren: Mal etwas herumprobiert.

Hallo, in meinem DL651-Hybrid-Audion sollen alte Germanium-Transistoren verwendet werden,
die liegen ja doch nur rum, da sie erst dann als Ersatzteil benötigt werden, wenn sie anderweitig
verbaut wurden.

Einer war defekt, es war keine NF-Verstärkung feststellbar wie sie in gleicher Schaltung bei ähnlicher
Type auftrat.
Also Gehäuse mit kleiner Feile rundherum abgeschliffen und Kappe abgenommen.
Es waren aber keine Zink- oder Zinnwisker zu sehen, irgend ein anderer Fehler.

Immerhin konnte mit ihm ein Demo-Summer aufgebaut werden.

Er hat also noch Verstärkung, nur muß der Eingang genau angepasst werden, was bei einem
230V/18V-Printtrafo der Fall war.
In einer alten Funkschau aus den frühen 1950er Jahren war zu lesen, dass die ersten Transistoren
in Gehörhilfe-Geräte wegen Feuchtigkeit ausfielen.
Deshalb kam der Kristall in ein Glasgehäuse mit Silicagel-Trockenpatrone rein.

Die obere Grenzfrequenz der frühen Typen lag sehr viel tiefer als bei den heutigen Universal-Typen wie
deim BC550 beispielsweise.

In dem zweiten Aufbau wurde ein Quarzoszillator aufgebaut, mit dem AC125.
Auch hier wurde der "Dosenöffner" angesetzt, die Beinchen waren abgebrochen:

Der Quarz beginnt zu schwingen, wenn der Kreis auf seine Resonanzfrequenz eingestellt ist,
er wurde dann noch minimal oberhalb der Quarzfrequenz eingestellt.

Gruß
Jens

Zuletzt bearbeitet am 13.04.24 11:50

Datei-Anhänge
Summer mit defektem GE-Transistor.jpg Summer mit defektem GE-Transistor.jpg (122x)

Mime-Type: image/jpeg, 93 kB

556 kHz-AC125-Quarzoszillator .JPG 556 kHz-AC125-Quarzoszillator .JPG (135x)

Mime-Type: image/jpeg, 199 kB

Noch gefällt der Beitrag keinem Nutzer.
!
!!! Fotos, Grafiken nur über die Upload-Option des Forums, KEINE FREMD-LINKS auf externe Fotos.    

!!! Keine Komplett-Schaltbilder, keine Fotos, keine Grafiken, auf denen Urheberrechte Anderer (auch WEB-Seiten oder Foren) liegen!
Solche Uploads werden wegen der Rechtslage kommentarlos gelöscht!

Keine Fotos, auf denen Personen erkennbar sind, ohne deren schriftliche Zustimmung.

Den Beitrag-Betreff bei Antworten auf Threads nicht verändern!
04.06.24 11:50
basteljero 

500 und mehr Punkte

04.06.24 11:50
basteljero 

500 und mehr Punkte

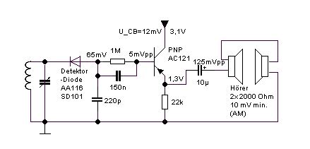
Germanium-Transistoren, mal etwas herumprobiert: Ein Kurzwellen-Detektor

Hallo,
In der Funkschau 1928 / Heft 38
https://archive.org/details/funkschau-19...up?view=theater

Wird ein Kurzwellen-Detektor vorgestellt, leider ohne Hinweis auf den verwendeten Kristall.
Das Ausprobieren war Gelegenheit, wieder die Schachtel mit den Germanen hervorzukramen,
zum Einsatz kamen zwei PNP (das sind fast alle) ohne Aufschrift, vermutlich AC121 NF-Transistoren.

Bei der verwendeten kleinen Spannung (1,5 bis 3 Volt) ergab sich ein interessanter Effekt:
Die Transistoren arbeiten rückwärts, Emitter und Kollektor erscheinen vertauscht.
Hier der Schaltplan:

Es sei denn, es gab auch Typen, bei denen nicht der Kollektor, sondern der Emitte mit einem roten Punkt
gekennzeichnet war.

Mit angezaptem Zaundraht an gutem Standort waren einige sehr starke Stationen (und nur die scheinen
auf diese Art empfangbar zu sein) gegen Abend zu hören, eine davon ohne Verstärker.

Gruß
Jens

Zuletzt bearbeitet am 04.06.24 11:52

Datei-Anhänge
KW-Detektor-mit-Gerrmaniumtransistoren.JPG KW-Detektor-mit-Gerrmaniumtransistoren.JPG (128x)

Mime-Type: image/jpeg, 145 kB

04.06.24 13:04
HB9 

500 und mehr Punkte

04.06.24 13:04
HB9 

500 und mehr Punkte

Re: Germanium-Transistoren: Mal etwas herumprobiert.

Hallo zusammen,

jeder Bipolartransistor funktioniert auch, wenn man Kollektor und Emitter vertauscht, aber die Daten sind dann einiges schlechter:

- die Basis-Emitter-Diode (die dann gesperrt ist) verträgt nur wenige Volt Sperrspannung
- die Stromverstärkung ist sehr niedrig (so etwa 2..5 für Kleinsignaltransistoren)
- der Sperrstrom der Basis-Emitter-Diode ist meistens viel höher als von der Basis-Kollektor-Diode

Bricht die Basis-Emitter-Sperrschicht durch, leitet der Transistor wie ein Thyristor auch ohne Basisstrom, bis der Stromkreis unterbrochen wird. Wegen der niedrigen Durchbruchspannung der Basis-Emitter-Diode passiert das bei verkehrt gepolten Transistoren schon bei Betriebsspannungen ab etwa 6V und ist zerstörungsfrei, wenn der dann fliessende Strom durch Widerstände begrenzt bleibt. So kann man auch Kippgeneratoren bauen, es gibt diverse Anleitungen.

Gruss HB9

04.06.24 14:43
basteljero 

500 und mehr Punkte

04.06.24 14:43
basteljero 

500 und mehr Punkte

Re: Germanium-Transistoren: Mal etwas herumprobiert.

Hallo HB9,
Alle die Dinge kann man mit einem BC550C ausprobieren, hier zeigte sich aber noch eine Besonderheit:
Es sollte zunächst ein Emitterfolger aufgebaut werden, da der Transistor den Kreis ziemlich belastete,
etwa wie ein 10 kOhm-Widerstand.
Das funktionierte aber nicht, bis auf einmal Verstärkung auftrat:
Die Batterien waren falsch herum ins Fach eingelegt und die Diode daraufhin umgepolt:


Es will scheinen, als verhielte sich die CB-Strecke bei sehr kleinen Srömen wie die EB-Strecke und umgekehrt.
Aber ich will hier keinen Unsinn schreiben und werde das nochmal aufbauen wenn Zeit ist, und zwar mit einem
AC151, wo man den Aufdruck lesen kann und wo Eindeutigkeit bezüglich der Anschlüsse besteht.

Dass aber nennenswerte Verstärkung bei sehr kleinen "Pseudo-Emitter"- Basis-Spannungen mit Germanium-Transistor
erzeilt wurden, ist aber schon bemerkenswert, finde ich.
Es waren damit bei den Versuchen abends einige Stationen im 49m-Band zu hören, an der Behelfsantenne im Dachboden.

Die Impulsfähigkeit von Germanium-Transistoren wäre noch zu erwähnen, man fand sie lange in den Zeilenendstufen von Fernsehern und
"unkaputtbaren" Spannungswandlern (BU-Typen im T03-Gehäuse).

Gruß
Jens

Zuletzt bearbeitet am 04.06.24 14:49

Datei-Anhänge
Verkehrter PNP-Verstärker.JPG Verkehrter PNP-Verstärker.JPG (152x)

Mime-Type: image/jpeg, 16 kB

08.06.24 14:46
basteljero 

500 und mehr Punkte

08.06.24 14:46
basteljero 

500 und mehr Punkte

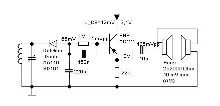
Germanium-Transistoren: Mal etwas herumprobiert. Vergleich mit modernem Silizium-Transistor

Hallo,
Mit dem AC151 war die Welt wieder in Ordnung, er funktionierte nicht im Rückwärts-Betrieb.


Es wurde dann noch ein Vergleich mit einem modernen Silizium-Universaltyp gemacht.
Der belastet den Kreis sehr viel weniger und benötigt einn hochohmigen Basis-Widerstand, um
überhaupt leitend zu werden.

Es war in der Detektor-Testschaltung nicht notwendig, ihn in Kollektorschaltung (Emitterfolger) zu schalten.

Das NF-Rauschen ist geringer als beim altehrwürdigen AC151.
(Gitarren-Verstärker nachgeschaltet)

Was die Detektor-Schaltung anbelangt, verbessert sich die Gleichrichterwirkung der verwendeten
Schottky-Diode SD101, wenn etwas Strom fließt (1MOhm-Widerstand).

Während der überaus starke "TRT" (Türkei) irgendwo bei 12 MHz am Nachmittag noch demoduliert wurde,
war das im 49m-Band nur mit eingespeistem Sinuns-Generator genau auf Empfangsfrequenz möglich.
(Das rückgekoppelte Audion lässt grüßen).

Mit mehr Draht in der Luft hätte das vielleicht aber schon etwas besser ausgesehen.

Gruß
Jens

Zuletzt bearbeitet am 08.06.24 14:48

Datei-Anhänge
AC151-BC557-Vergleich_PNP-Verstärker_2024-06-08.JPG AC151-BC557-Vergleich_PNP-Verstärker_2024-06-08.JPG (125x)

Mime-Type: image/jpeg, 16 kB

 1
 1
Gitarren-Verstärker   Kurzwellen-Detektor   Betriebsspannungen   Basis-Emitter-Diode   Basis-Emitter-Sperrschicht   Kleinsignaltransistoren   Kollektorschaltung   Germanium-Transistoren   Detektor-Schaltung   Silicagel-Trockenpatrone   Silizium-Transistor   Gleichrichterwirkung   Rückwärts-Betrieb   Germanium-Transistor   Gehörhilfe-Geräte   Detektor-Testschaltung   DL651-Hybrid-Audion   Basis-Kollektor-Diode   Durchbruchspannung   Silizium-Universaltyp