| Passwort vergessen?
Sie sind nicht angemeldet. |  Anmelden

Sprache auswählen:

Wumpus Gollum Forum von
Wumpus Welt der (alten) Radios
Sie sind nicht angemeldet.
 Anmelden

Ein MW/UKW-Radio mit Subminiaturröhren
  •  
 1 2 3
 1 2 3
13.06.10 21:47
uwe_thomas 

250-499 Punkte

13.06.10 21:47
uwe_thomas 

250-499 Punkte

Ein MW/UKW-Radio mit Subminiaturröhren

Hallo, alle zusammen,

Schon seit längerem in Arbeit, ist er jetzt doch endlich fertig geworden, der AM/FM-Super mit Subminiaturröhren.
Beschreibung:

AM-Teil:
In der Mischstufe/Oszillator verwende ich eine 2G21 (Triode/Heptode mit 1,2V/50mA Heizung und 22,5V Betriebsspannung).
Mischsteilheit 75µA/V. Ist nicht viel, reicht aber aus.
Antenne ist eine Rahmenantenne, eingelassen ins Gehäuse. Leider hat die Induktivität dieser Antenne für den verwendeten Drehko (2x270pF) nicht ganz ausgereicht, so dass ich eine Zusatzinduktivität brauchte. War aber auch nicht so schlimm, die konnte ich dann gleich als Vorkreisabgleich verwenden.
Die Rahmenantenne hatte ich vorgesehen, weil sie ja so eine schöne hohe Empfindlichkeit hat. Allerdings relativierte sich das, nachdem ich einmal probehalber alles, was später innerhalb des Gehäuses angeordnet werden sollte, mal in selbiges legte. Trotzdem erreicht die Rahmenantenne immer noch die Empfindlichkeit einer 20cm-Ferritantenne (hat aber lange nicht deren Schwingkreisgüte).
Oszillator: Triodenteil der 2G21 mit ehemaliger ZF-Spule, die ich mit einer Zusatzwicklung versehen habe, als Oszillatorspule.
Die Betriebsspannung für die 2G21 habe ich mit einem Vorwiderstand auf ca. 20V herabgesetzt (die 2G21 läuft damit optimal).

Im ZF-Verstärker arbeitet eine 1SH29 mit zwei 2-Kreis-Filtern , bestehend aus jeweils einer Festinduktivität 2,2mH und einem Trimmer 5-90pF. Gleichrichtung mit AA119, geregelt wird über beide Röhren.

In der NF arbeitet eine 1SH24 als Vorstufe und eine 1P24 als Endstufe, die auf einen 100V-Übertrager arbeitet. Gittervorspannungserzeugung konventionell über Widerstand, Anodenstrom ca. 8mA bei 54V Betriebsspannung.

Der UKW-Teil sollte erst ein Pendler mit Vorstufe werden; der funktionierte auch schon sehr zufriedenstellend.
Allerdings störten mich dann doch die Nebengeräusche und der relativ geringe Rauschabstand bei vielen Stationen (und das hier in Berlin!).
Ich habe dann noch Mischpendler, Super mit ZF-Pendler und anderes probiert, fand ich alles nicht so besonders toll.
Beim googeln fand ich dann auf der Seite eines Australiers was über den UKW-Empfänger mit niedriger ZF (80kHz Mittenfrequenz) und Zähldiskriminator.
Also: ZF auf Steckbrett aufgebaut (erst mal mit 4x FET 2SK30A) und den (geringfügig veränderten) Pendler vorne rangeschaltet und siehe da, es funktioniert, und gar nicht mal schlecht.
Aus den 2SK30A wurden dann 1SH24 mit jeweils einem Tiefpass vor jedem Gitter (also ein reiner RC-Verstärker).
Als Diskriminator arbeitet eine Art Verdoppler mit 2Stück AA143 mit einem zweistufigem Tiefpass im Ausgang.
Der Eingangsteil hat in der Vorstufe eine 1SH24 und in der selbstschwingenden Mischstufe eine 1SH29 als Triode geschaltet.
Abgestimmt wird nur der Oszillatorkreis (halt wie beim Pendler). Übrigens kann ich für den Nachbau als Oszillator nur empfehlen, eine andere Röhre zu verwenden; die bei mir verwendete 1SH29 ist zu mikrofonisch (führt manchmal zu Rückkopplung bei ca 6kHz vom Lautsprecher auf den Tuner). Wenn die ZF in die Begrenzung geht, ist der Effekt weg, ich musste allerdings auch die NF-Bandbreite etwas begrenzen.

Die AM/FM-Umschaltung erfolgt über einen Drehschalter, welcher die NF und auch die Heizspannung umschaltet und das Radio auch komplett ausschaltet.

Empfangsbeobachtungen
AM: 539-1550kHz
Trennschärfe eines 6-Kreissupers mit nicht ganz optimalen Filtern (mit richtigen Filtern lassen sich bestimmt bessere Ergebnisse erreichen).
Am Tage empfange ich in Berlin vier Sender.
Abends lassen sich jede Menge Sender empfangen.
Durch die nicht vorhandene Schirmung des 2. ZF-Filters gegenüber der Rahmenantenne ist am untersten Ende des MW-Bereiches eine leichte Schwingneigung festzustellen.

FM: 87-109MHz
Trennschärfe und Empfindlichkeit eines 9-Kreis Röhrensupers werden erreicht. Ich kann z.B. die Sender 87,9/ 88,4 und 88,8 MHz sauber voneinander trennen. Nur bei schwächeren Sendern muss die (auch nicht gerade lange) Antenne rausgezogen werden.
Ich kann alle Sender empfangen, welche ich mit einem (auch nicht ganz schlechtem, neuzeitlichem) Radio auch empfange.

Die Abstimmung ist etwas gewöhnungsbedürftig. "links und rechts" neben dem Träger finden sich zwei gleichwertige Maxima welche im Bereich des Trägers durch eine sehr schmale Nullstelle unterbrochen sind. Neben beiden Maxima scheint im Bereich der abfallenden Flanke der ZF noch eine Art Flankengleichrichtung stattzufinden.



NF-Leistung vielleicht 100mW (wenn überhaupt; ich habs nicht gemessen).

Stromversorgung
Heizung: Monozelle 1,5V
Anode: 6x 9V-Block

10 Röhren
3 GE-Dioden

Im Anhang noch ein paar Bilder
Stromlaufplan muss ich noch zeichnen (das kennen wir ja).

Falls jemand das Radio nachbaut, Viel Erfolg









Datei-Anhänge
UKW_Tuner.JPG UKW_Tuner.JPG (732x)

Mime-Type: image/pjpeg, 249 kB

Radio_vorn.JPG Radio_vorn.JPG (533x)

Mime-Type: image/pjpeg, 203 kB

Radio_hinten.JPG Radio_hinten.JPG (707x)

Mime-Type: image/pjpeg, 235 kB

UKW_ZF.JPG UKW_ZF.JPG (793x)

Mime-Type: image/pjpeg, 252 kB

Radio_hinten_geschlossen.JPG Radio_hinten_geschlossen.JPG (495x)

Mime-Type: image/pjpeg, 208 kB

Kofferradio_Schaltbild.jpg Kofferradio_Schaltbild.jpg (1505x)

Mime-Type: image/pjpeg, 341 kB

roehrenfreak, wumpus, Rias, Franz, Iceman1968 und DC1MF gefällt der Beitrag.
!
!!! Fotos, Grafiken nur über die Upload-Option des Forums, KEINE FREMD-LINKS auf externe Fotos.    

!!! Keine Komplett-Schaltbilder, keine Fotos, keine Grafiken, auf denen Urheberrechte Anderer (auch WEB-Seiten oder Foren) liegen!
Solche Uploads werden wegen der Rechtslage kommentarlos gelöscht!

Keine Fotos, auf denen Personen erkennbar sind, ohne deren schriftliche Zustimmung.

Den Beitrag-Betreff bei Antworten auf Threads nicht verändern!
13.06.10 22:31
roehrenfreak

nicht registriert

13.06.10 22:31
roehrenfreak

nicht registriert

Re: Ein MW/UKW-Radio mit Subminiaturröhren

Hallo Uwe,

grosse Klasse! Wirklich ein schickes Gerätchen mit proffessionellem Touch. Der Innenaufbau sieht richtig super aus. Allein die Platinen sind eine Augenweide! Nun bin ich sehr auf das Schaltbild gespannt.

Dass die Mittelwelle "lebt" kann ich nur bestätigen. In der dunkelen Tageszeit kann ich mit meinen Radios im Rhein-Main-Gebiet zahllose Stationen empfangen. Das bringt richtig Freude, die ich mit Dir teile. Allzeit guten Empfang mit Deinem feinen Radio!

Freundliche Grüsse,
Jürgen rf

Noli turbare circulos meos (Störe meine KREISE nicht! - Archimedes)

14.06.10 04:06
uwe_thomas 

250-499 Punkte

14.06.10 04:06
uwe_thomas 

250-499 Punkte

Re: Ein MW/UKW-Radio mit Subminiaturröhren

Hallo Jürgen,

Vielen Dank für Dein Interesse an meinem Radio.

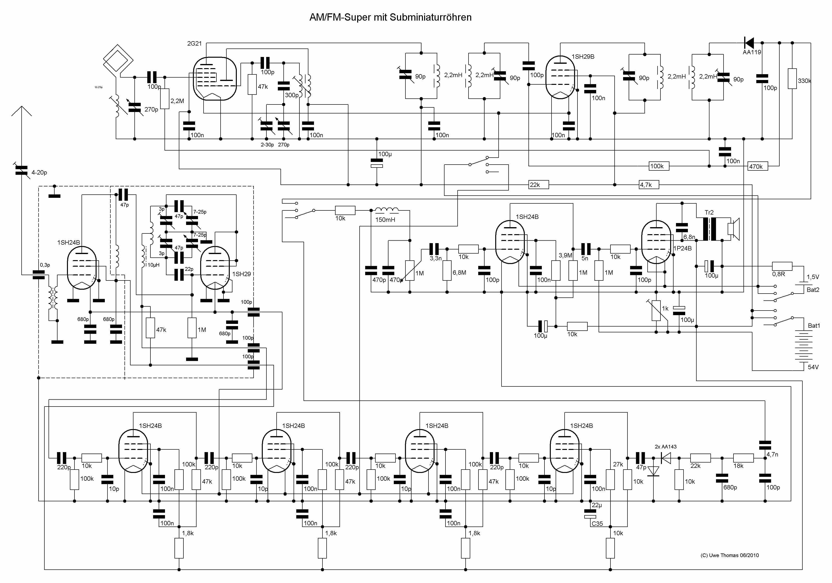
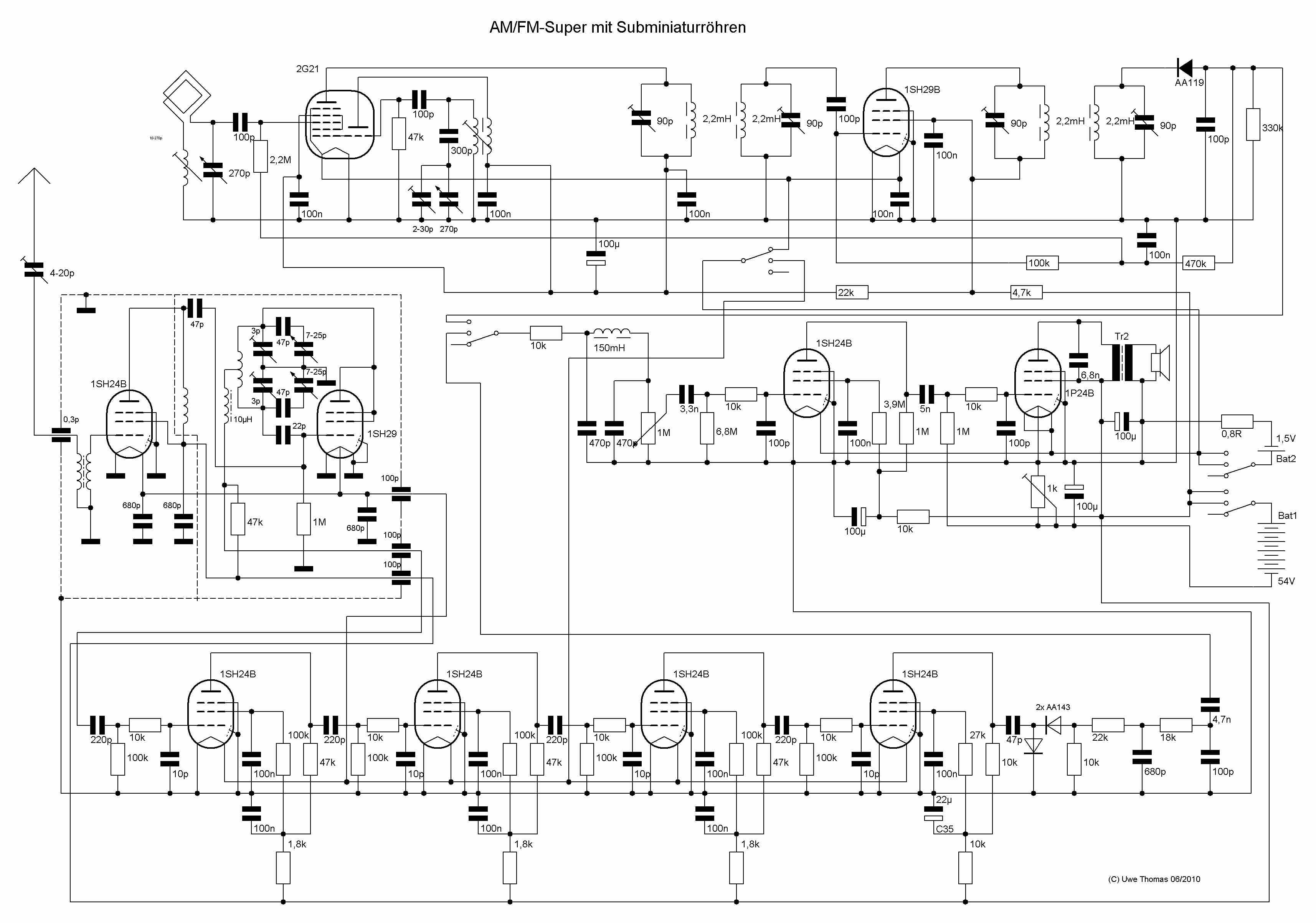
Habe eben den Stromlaufplan hochgeladen. Müsste eigentlich alles stimmen. Ist halt nun mal aus dem Gedächtnis gezeichnet.
Aber so isses halt oft. Erst bauen, dann zeichnen.

Jetzt in der Nacht lässt auch der Störnebel nach. Da macht die Mittelwelle richtig Spass.

Übrigens habe ich vor, ein ähnliches Radio, nur etwas grösser, dann allerdings mit Loctalröhren zu bauen. Ich habe noch so einige 2SH27 und 2P29 hier zu liegen. Als Mischer AM vielleicht die 1LC6, als FM Oszillator/Mischer vielleicht eine 3B7. Sind beide auch vorhanden.
Dann allerdings auch mit Kurzwelle. Zwei Bereiche?
Eigentlich sollte das jetzt fertiggestellte Radio auch einen KW-Bereich erhalten. Habe ich dann aber gelassen. Der dann mit Sicherheit entstandene Drahtverhau hätte vielleicht die Funktion des gesamten AM-Bereiches in Frage gestellt.

Mit freundlichen Grüssen,
Uwe Thomas

14.06.10 12:16
uwe_thomas 

250-499 Punkte

14.06.10 12:16
uwe_thomas 

250-499 Punkte

Re: Ein MW/UKW-Radio mit Subminiaturröhren

Hallo, alle zusammen,

Habe den Stromlaufplan für's Radio noch mal geändert.
Waren noch Fehler drin.
Ich hoffe, jetzt ist alles ok.

Mit freundlichen Grüssen,
Uwe Thomas

14.06.10 20:11
jmueller 

100-249 Punkte

14.06.10 20:11
jmueller 

100-249 Punkte

Re: Ein MW/UKW-Radio mit Subminiaturröhren

Hallo!

Oh, wow, mit so kleinen Röhren kann man ja ne ganze Menge zaubern!
Mit solch kleinen hab ich noch nie was gemacht.

Respekt für so eine Arbeit auf minimalem Platz. Da fällt ja die eine große Monozelle für die Heizung richtig auf!!

Ich finde es interessant, daß Du eine Rahmenantenne eingebaut hast. Gibt es da eine geringere Richtwirkung als mit
Ferritstab?

Ich wundere mich, daß so viele Röhren (4) für die ZF verstärkung benutzt werden. Eine Frage: Haben die kleinen Röhren geringere Verstärkung ? Ich meine, ich kenne üblicherweise so 2 Stufen.


Tschüß, schöne Grüße!

Jan

PS.: der empfang der rahmenantenne wird ja durch alles metallische im innern verschlechtert, und mir fällt da der
lautsprecher als große Ursache ein. Der ist ja ziemlich groß und ringförmig geschlossen und sitzt da direkt drin.
Ich hatte mal ein problem mit ferritantenne und lautsprecher, und hab dann einen mit plastikkorb genommen.
Das war in einem streichholzschachtel-radio (aber nicht mit röhren!)
Jan

Zuletzt bearbeitet am 14.06.10 20:32

14.06.10 21:05
uwe_thomas 

250-499 Punkte

14.06.10 21:05
uwe_thomas 

250-499 Punkte

Re: Ein MW/UKW-Radio mit Subminiaturröhren

Hallo Jan,

Die Rahmenantenne hat die gleiche Richtwirkung wie eine Ferritantenne.
Ich hatte sie vorgesehen, weil sie eine höhere Empfindlichkeit als eine Ferritantenne hat. Normalerweise.
Allerdings ist im Innenleben des Radios eine Menge Metall enthalten, welches die Wirkung der Antenne wieder relativiert.
Sie hat in diesem Falle( dieses Radio) nur noch die Leistung einer 20cm Ferritantenne (sonst ca. 3fach höher), aber nicht mehr deren hohe Schwingkreisgüte.
Die Richtwirkung ändert sich nicht.
Die geringere Güte dieser Spule (bei der Leistung einer 20 cm Ferritantenne) hilft natürlich beim Abgleich.
Abgleichfehler (oder ungenaue Grösse des Verkürzungskondensators des Oszillators) wirken sich nicht mehr so stark negativ aus.
Die Trennschärfe macht einfach mal die ZF.
Das war die AM.

FM
4 Röhren als ZF?
Die 1SH24 hat bei 60V Anodenspannung ca. 1mA/V.
Nicht viel.
Ausserdem fehlt die Überhöhung eines Schwingkreises bei 10,7MHz.
Dieser 4-Stufige ZF-Verstärker ist ja faktisch ein NF-Verstärker mit erweitertem Frequenzbereich( 160kHz).
Bei einem Anodenwiderstand von 47k hat eine Stufe nur vielleicht eine Verstärkung von 25.
3x25fach(geschätzt) (die ersten 3 Stufen) und die 4. Stufe ist nur die Begrenzerstufe,hat weniger (10?)).
Ich schätze die Gesamtversärkung der ZF vielleicht auf 10000-20000 (den Tiefpasscharakter mit berücksichtigen).
Ich habe die Messmittel nicht , um dass festzustellen.
Ausserdem haben Batteriekofferradios mit Röhren meines Wissens immer wenigstens 3 ZF-Stufen.
Was manchmal fehlt, ist die Vorstufe im Tuner.
Aber , Man schaue sich dann mal die Ankopplung der (Dipol?)Antenne an.
Da wird dann erhöhter Aufwand getrieben.

Eine gute Antenne ist halt immer noch der beste HF-Verstärker (gilt auch für die Ankopplung derselben).

Mit freundlichen Grüssen,
Uwe Thomas

14.06.10 21:17
uwe_thomas 

250-499 Punkte

14.06.10 21:17
uwe_thomas 

250-499 Punkte

Re: Ein MW/UKW-Radio mit Subminiaturröhren

Hallo Jan,

Den PS habe ich gerade erst gelesen.
War der eben noch nicht da?

Wie auch immer, das Schreiben davor ist die Antwort darauf.

Ich hab ja vor, noch mal ein ähnliches Radio, nur etwas grösser zu bauen.
Dieses soll dann die Art eines alten amerikanischen Weltemfängers bekommen.
Die Rahmenantenne wird dann während des Betriebes hochgeklappt.
Und es soll Loctalröhren bekommen (die gibt es noch preiswert zu erstehen).

Noch mal mit freundlichem Grinsen

Uwe Thomas

14.06.10 21:40
Martin.M 

500 und mehr Punkte

14.06.10 21:40
Martin.M 

500 und mehr Punkte

Re: Ein MW/UKW-Radio mit Subminiaturröhren

hallo Uwe,

wirklich supergenial das Radio, großes Kompliment.
Es gibt übrigends auch was neuzeitliches mit so niedriger FM-ZF, die TDA7000 und Verwandschaft maches es genauso.

Neugier meinerseits: wie lange halten die Batterien durch und welche gibt zuerst auf, die Heiz- oder die Anodenbatterie?

nette Grüße
Martin

14.06.10 22:18
uwe_thomas 

250-499 Punkte

14.06.10 22:18
uwe_thomas 

250-499 Punkte

Re: Ein MW/UKW-Radio mit Subminiaturröhren

Hallo Martin,

Der TDA7000 hat mich tatsächlich auch zu dieser UKW-Schaltung inspiriert.
Ich wollte halt einfach mal sehen, ob das auch mit Batterieröhren geht.
Geht.

Wie kriege ich in diese Schaltung eine AFC eingebaut? (für das Nachfolgeprojekt)
Es gibt keinen Wechsel einer Spannung von + nach - beim Ändern der Abstimmung auf den Nulldurchgang.
Es gibt nur eine (unterschiedlich hohe, je nach Stärke des empfangenen Senders ) negative Spannung , wenn die ZF in die Begrenzung geht (bei optimaler Abstimmung auf den Sender).
Und dieses ist zwei mal vorhanden (links und rechts neben dem Träger).

Ich glaube, die Heizbatterie gibt zuerst auf.
Kann aber auch daran liegen, dass die Monozellen schon längere Zeit bei mir gelagert waren.
Die 9V-Blöcke sind neu (1€ pro Stück bei Real).
Allerdings habe ich festgestellt, dass eine geringere Anodenspannung sich auf die Funktion des Radios stärker auswirkt als eine geringere Heizspannung.

Mit freundlichen Grüssen,
Uwe Thomas

14.06.10 22:29
roehrenfreak

nicht registriert

14.06.10 22:29
roehrenfreak

nicht registriert

Re: Ein MW/UKW-Radio mit Subminiaturröhren

Hi Martin,

auch wenn ich jetzt frecherweise und vorlaut schon mal zu Deiner Frage etwas zu sagen wage: Ähm - in meinem MW-Super saugen nur fünf statt zehn Röhren genüsslich an den Batterien. Die Heizzelle war in meinem Radio nach überschaubaren, etwa 12 Stunden am Ende. Die Anodenbatterien (sieben 9-Volt-Blocks (Lithium-Technologie, zu Projektbeginn schon Gebrauchtware) habe ich erst jetzt erneuert. Und da dürften auch schon die Knackpunkte liegen:

> Li-Technologie ist weitaus besser als herkömmliche Alkali- oder Zink-Kohle-Tech. Dafür muss man natürlich auch tiefer in die Tasche greifen. Beim Discounter kosten zwei primitive 9-Volt-Blocks keine 2 Euros. Wie lange die halten, probiere ich gerade aus.

> Die Heizzelle: Dafür kommen eigentlich nur zwei Systeme in Betracht, wenn überhaupt.
> Eine Alkali-Zelle (z.B. Duracell MN1300) oder
> Eine Ni-Cd-Zelle mit rund 1500-2000mAh (bevorzugte Variante)
In meinem MW-Super arbeite ich mittlerweile mit der Akku-Lösung - schont die Geldbörse schon erheblich (Der kleine Empfänger wird bei mir richtig gefordert und benutzt!)

Freundliche Grüsse,
Jürgen rf

Noli turbare circulos meos (Störe meine KREISE nicht! - Archimedes)

Sehe ich doch gerade, dass ich doch nicht ganz so vorlaut war - ahh wie gut

Zuletzt bearbeitet am 14.06.10 22:35

 1 2 3
 1 2 3
Flankengleichrichter   Zähldiskriminator   Oszillatorfrequenz   Mischoszillatorfrequenz   feldstärkenabhängige   Frequenz-Abstimmversatz   streichholzschachtel-radio   Flankengleichrichtung   aufeinanderfolgenden   Gitterbasis-Vorverstärker   Amplitudenmodulation   UKW-Radio   Allerdings   Gleichspannungspotential   Verhältnis-Gleichrichter   Verkürzungskondensators   Empfangsbeobachtungen   Gittervorspannungserzeugung   Verhältnisgleichrichter   Subminiaturröhren