| Passwort vergessen?
Sie sind nicht angemeldet. |  Anmelden

Sprache auswählen:

Wumpus Gollum Forum von
Wumpus Welt der (alten) Radios
Sie sind nicht angemeldet.
 Anmelden

Antennen-Anschlussadapter
  •  
 1
 1
27.11.22 13:29
HB9 

500 und mehr Punkte

27.11.22 13:29
HB9 

500 und mehr Punkte

Antennen-Anschlussadapter

Hallo zusammen,

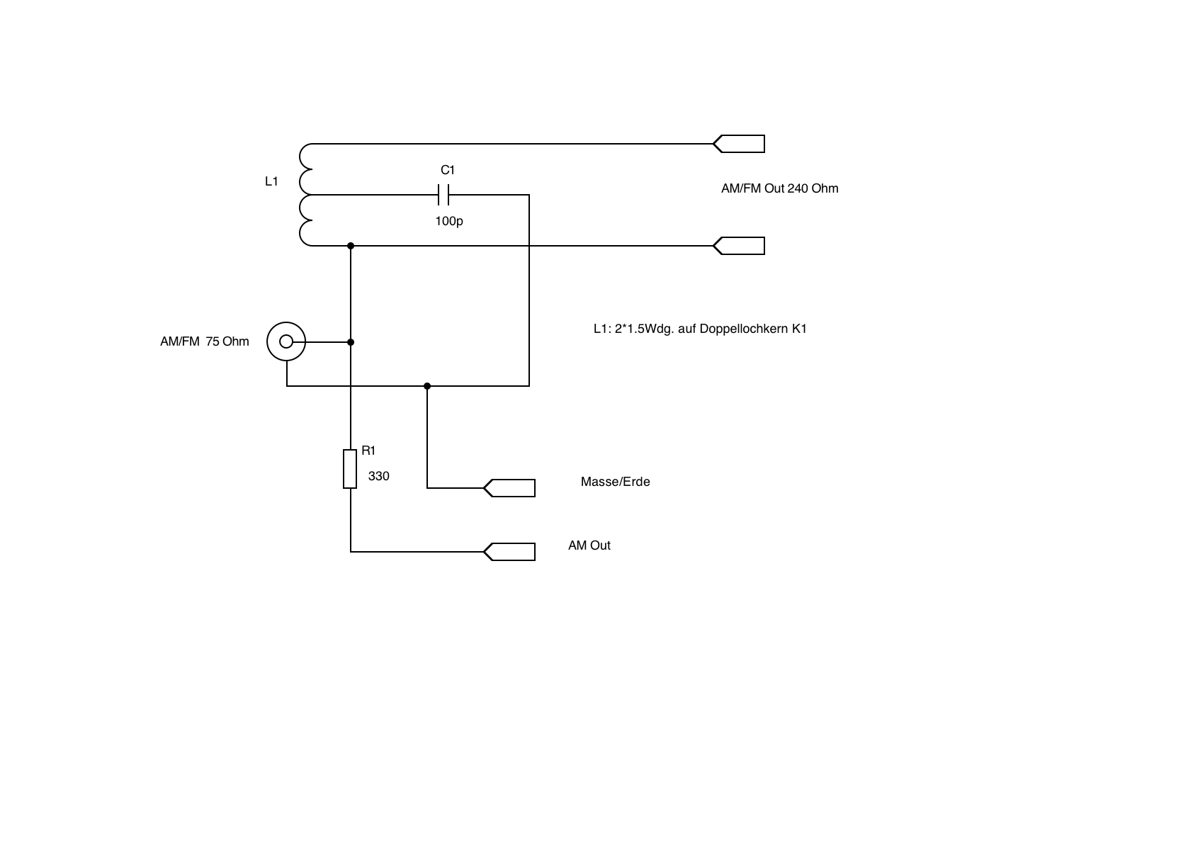
hier ein einfacher Universal-Adapter zum Anschluss alter Radios an Koax-Antennenkabel (Kabelnetz oder eigene Aussenantennen) für AM und FM. Für FM hat er einen symmetrischen 240..300-Anschluss, wie es sich für Röhrenradios gehört. Für AM (falls auf dem Kabel vorhanden) hat man entweder einen separaten Ausgang, wenn das Radio getrennte Anschlüsse hat, oder man kann auch den Dipolanschluss für AM mitbenutzen, wie das bei den meisten Radios möglich ist (Stellung 'gemeinsame Antenne für UKW und AM').



Die Schaltung im Detail:


L1 ist der Symmetriewandler und besteht aus 2*1.5 Windungen dünn isoliertem Schaltdraht (idealerweise Teflon, es geht aber auch PVC, zur Not auch Lackdraht) auf einem Doppelloch-Kern aus dem Material K1 (Epcos). Als 1:4-Trafo ergibt das bei 75-Eingang (Kabelnetz) 300 am Ausgang, oder bei 60 am Eingang gibt es 240 am Ausgang. So genau muss es nicht stimmen, diese Werte passen für alle Radios. Der Kondensator C1 zwischen Mittelanzapfung des Trafos und der Signalmasse sorgt dafür, dass ein allfällig vorhandenes AM-Antennensignal (z.B. wenn eine Mini-Whip benutzt wird) nicht durch den Trafo kurzgeschlossen wird. Hat man nur ein UKW-Signal (Kabelnetz), kann man die Masse auch direkt mit der Mittelanzapfung verbinden.

Für AM gibt es zwei Wege: Entweder wird es über R1 ausgekopplelt und separat zum Empfänger geführt (AM Out), zusammen mit der Masse vom Koaxkabel. Bei Empfängern mit der Möglichkeit, die UKW-Antenne auch für AM zu benutzen (genauer gesagt das UKW-Antennenkabel), muss nur die Masse mit dem Radio verbunden werden, das AM-Antennensignal wird gleichphasig über die beiden UKW-Anschlüsse eingespeist. Braucht man den Adapter nur für UKW, muss man die Masse nicht anschliessen (ausprobieren, je nach Situation hat man mit oder ohne verbundene Masseleitung weniger Störungen auf AM).

Hier noch eine Detailaufnahme des Aufbaus:


Gruss HB9

Datei-Anhänge
Adapter.jpg Adapter.jpg (157x)

Mime-Type: image/jpeg, 123 kB

Detail.jpg Detail.jpg (153x)

Mime-Type: image/jpeg, 81 kB

Balun.png Balun.png (157x)

Mime-Type: image/png, 54 kB

laurel1, Axel, wumpus, joeberesf, RWA, regency und Oldtimer_OM gefällt der Beitrag.
!
!!! Fotos, Grafiken nur über die Upload-Option des Forums, KEINE FREMD-LINKS auf externe Fotos.    

!!! Keine Komplett-Schaltbilder, keine Fotos, keine Grafiken, auf denen Urheberrechte Anderer (auch WEB-Seiten oder Foren) liegen!
Solche Uploads werden wegen der Rechtslage kommentarlos gelöscht!

Keine Fotos, auf denen Personen erkennbar sind, ohne deren schriftliche Zustimmung.

Den Beitrag-Betreff bei Antworten auf Threads nicht verändern!
 1
 1
UKW-Anschlüsse   Röhrenradios   gleichphasig   kurzgeschlossen   UKW-Antennenkabel   Mittelanzapfung   Masseleitung   Doppelloch-Kern   AM-Antennensignal   ausgekopplelt   Aussenantennen   Universal-Adapter   Symmetriewandler   Detailaufnahme   Dipolanschluss   Möglichkeit   symmetrischen   anschliessen   Antennen-Anschlussadapter   Koax-Antennenkabel