| Passwort vergessen?
Sie sind nicht angemeldet. |  Anmelden

Sprache auswählen:

Wumpus Gollum Forum von
Wumpus Welt der (alten) Radios
Sie sind nicht angemeldet.
 Anmelden

Ein quarzstabiler VFO
  •  
 1
 1
27.08.24 17:17
aminox86 

100-249 Punkte

27.08.24 17:17
aminox86 

100-249 Punkte

Ein quarzstabiler VFO

Hallo zusammen,
ich möchte heute eine Schaltung vorstellen, die ich schon ziemlich lange verwirklichen wollte:
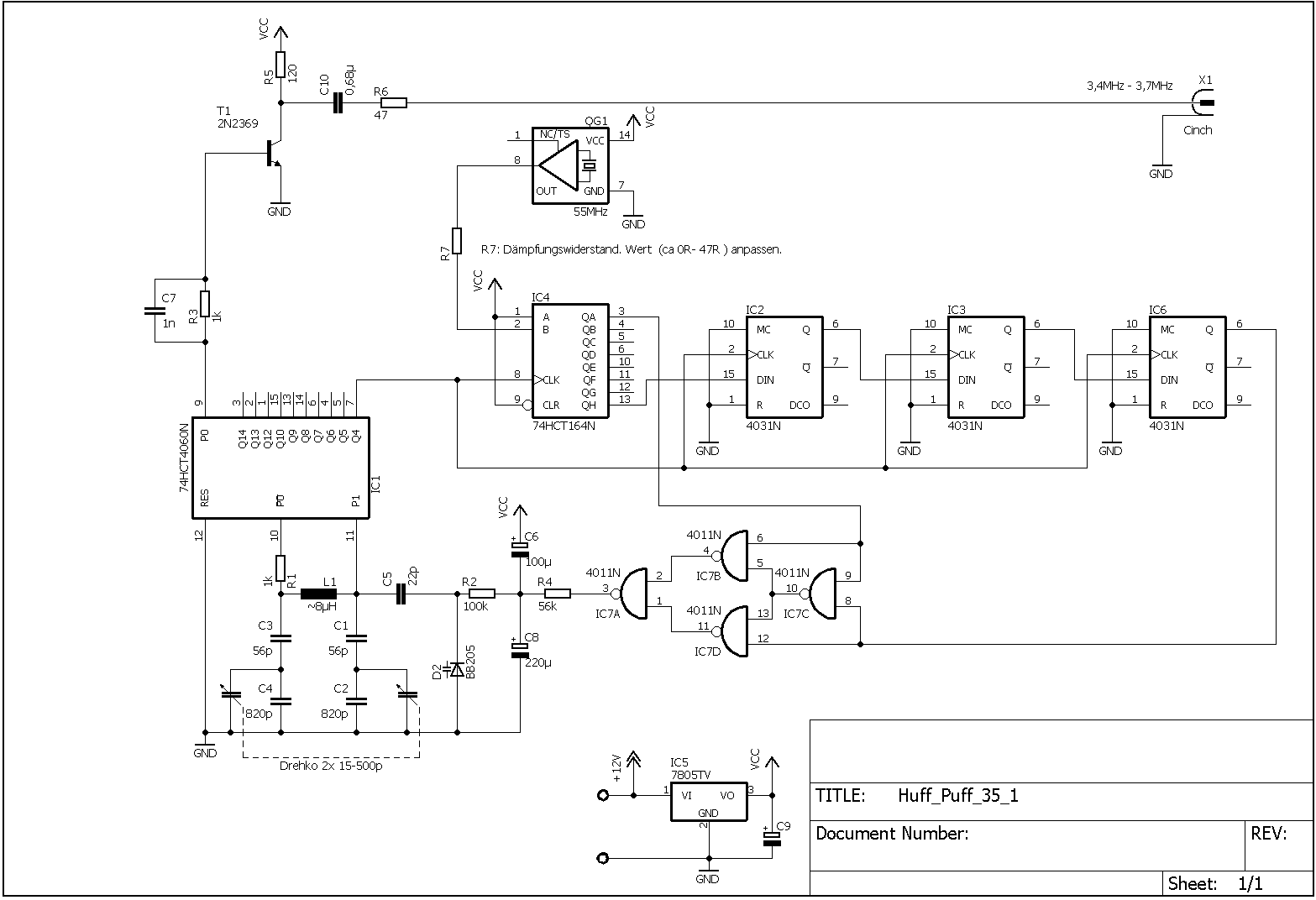
In der zweiten Auflage von "Lechner: Kurzwellenempfänger" sind ua einige wenig aufwendige Methoden beschrieben, freilaufenden Oszillatoren die Frequenzstabilität von Quarzoszillatoren zu verleihen. Im Internet hat H Summers eine umfangreiche Bibliographie, http://www.hanssummers.com/huffpuff.html, zu dieser Art von Stabilisierungsschaltungen, die allgemein als "Huff-Puff-Stabiliser" bezeichnet werden, veröffentlicht - für mich Grund genug, mich eingehender mit dieser Art der Frequenzstabilisierung zu beschäftigen.
Die von mir aufgebaute und hier gezeigte (Regel)Schaltung wird als "Fast (Huff-Puff-)Stabiliser" bezeichnet. Die Regelschaltung funktioniert bemerkenswerterweise sogar auf dem Steckbrett.



In der Schaltung kommen, von einigen Teilen aus der Bastelkiste abgesehen, nur gut erhältliche Bauteile zur Anwendung.


Mit Hilfe der im Schaltplan ebenfalls dargestellten Testschaltung lässt sich das Verhalten des Reglers hörbar machen. In der angefügten Aufnahme ,su,ist festgehalten, wie sich der durch Mischung enstehende Differenzton bei Berühren der Nachstimmdiode des VFO verändert, der Regler aber nach Verschwinden der Störung die ursprüngliche Frequenz des VFO wiederherstellt.

Mit einem (genauen)Frequenzzähler kann man nachweisen, dass die Regelschaltung die angezeigte VFO-Frequenz im Durchschnitt um plus/minus 1Hz stabil hält.
Mit Blick auf die kommenden Aussendungen von SAQ wurde der VFO-Frequenzbereich so gewählt, dass dessen (getasteter)Träger, nach Mischung in ein Amateurband, mit einem KW-Empfänger, der mit einem BFO ausgestattet ist, abgehört werden kann.

Wo viel Licht ist, ist auch viel Schatten. Der erste Eindruck, dass mit der Schaltung die VFO-Frequenz kontinuierlich stabilisiert werden kann, täuscht. Tatsächlich lässt sich der VFO nur schrittweise durchstimmen, allerdings kann die Schrittweite durch die Dimensionierung der Reglerkomponenten beeinflußt werden. Nach dem Anlegen der Versorgungsspannung schwingt der VFO idR auf einer Frequenz, die sich von der "Ausschaltfrequenz" unterscheidet. Es ist, wie auch beim ursprünglichen Huff-Puff-Stabiliser, empfehlenswert, zumindest den VFO bei längerem Betieb vor (externen)Temperaturschwankungen abzuschirmen.
Es gibt nur wenig Literatur, abgesehen vom Beitrag von K.Spaargaren, die konkrete Hinweise zur Reglerauslegung enthält. Für denjenigen, der den "Fast Stabiliser" umdimensionieren möchte, ist dieser Beitrag, https://www.qsl.net/on1mws/An%20wide%20r...0oscillator.pdf, mit seiner ausführlichen Beschreibung der Reglerfunktion sicherlich gut geeignet.

Noch ein Hinweis: Die hier vorgestellte Schaltung ist !kein! Kochrezept, zumal sie nur auf einem Steckbrett mit seinen Einschränkungen existiert. Sie hat experimentellen Charakter. Bei ihrem Aufbau zB auf einer Lochrasterplatte können durchaus Änderungen in der Anordnung der Bauteile und/oder deren Dimensionierung, die ggf durch Versuche neu bestimmt werden muß, notwendig sein.

mfg

Datei-Anhänge
Huff_Puff_7.jpg Huff_Puff_7.jpg (148x)

Mime-Type: image/jpeg, 151 kB

Huff_Puff_7_1.png Huff_Puff_7_1.png (150x)

Mime-Type: image/png, 78 kB

Regelung_Huff_Puff.mp3 Regelung_Huff_Puff.mp3 (160x)

Mime-Type: audio/mpeg, 205 kB

regency, wumpus, basteljero, hal, Martin.M und joeberesf gefällt der Beitrag.
!
!!! Fotos, Grafiken nur über die Upload-Option des Forums, KEINE FREMD-LINKS auf externe Fotos.    

!!! Keine Komplett-Schaltbilder, keine Fotos, keine Grafiken, auf denen Urheberrechte Anderer (auch WEB-Seiten oder Foren) liegen!
Solche Uploads werden wegen der Rechtslage kommentarlos gelöscht!

Keine Fotos, auf denen Personen erkennbar sind, ohne deren schriftliche Zustimmung.

Den Beitrag-Betreff bei Antworten auf Threads nicht verändern!
09.02.26 12:00
aminox86 

100-249 Punkte

09.02.26 12:00
aminox86 

100-249 Punkte

Re: Ein quarzstabiler VFO

Hallo zusammen,

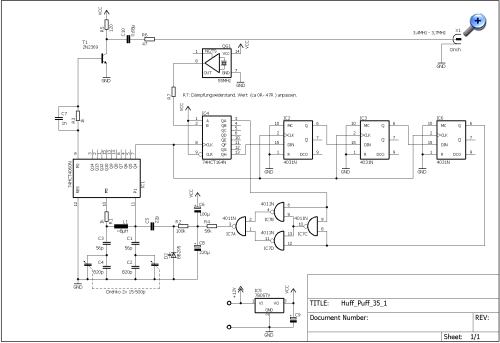
die letztjährige SAQ-Aussendung im Dezember war Anlass, den im vorangegangenen Beitrag beschriebenen Oszillator noch einmal in Betrieb zu nehmen. Hat nicht funktioniert, dh die Oszillatordrift wurde nicht ausgeregelt und ich konnte das Problem nicht eingrenzen und beheben. Daher habe ich die oben beschriebene Schaltung verworfen und einen neuen Anlauf genommen.

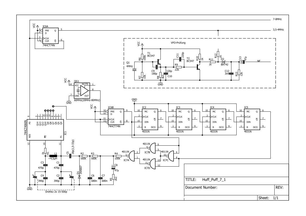
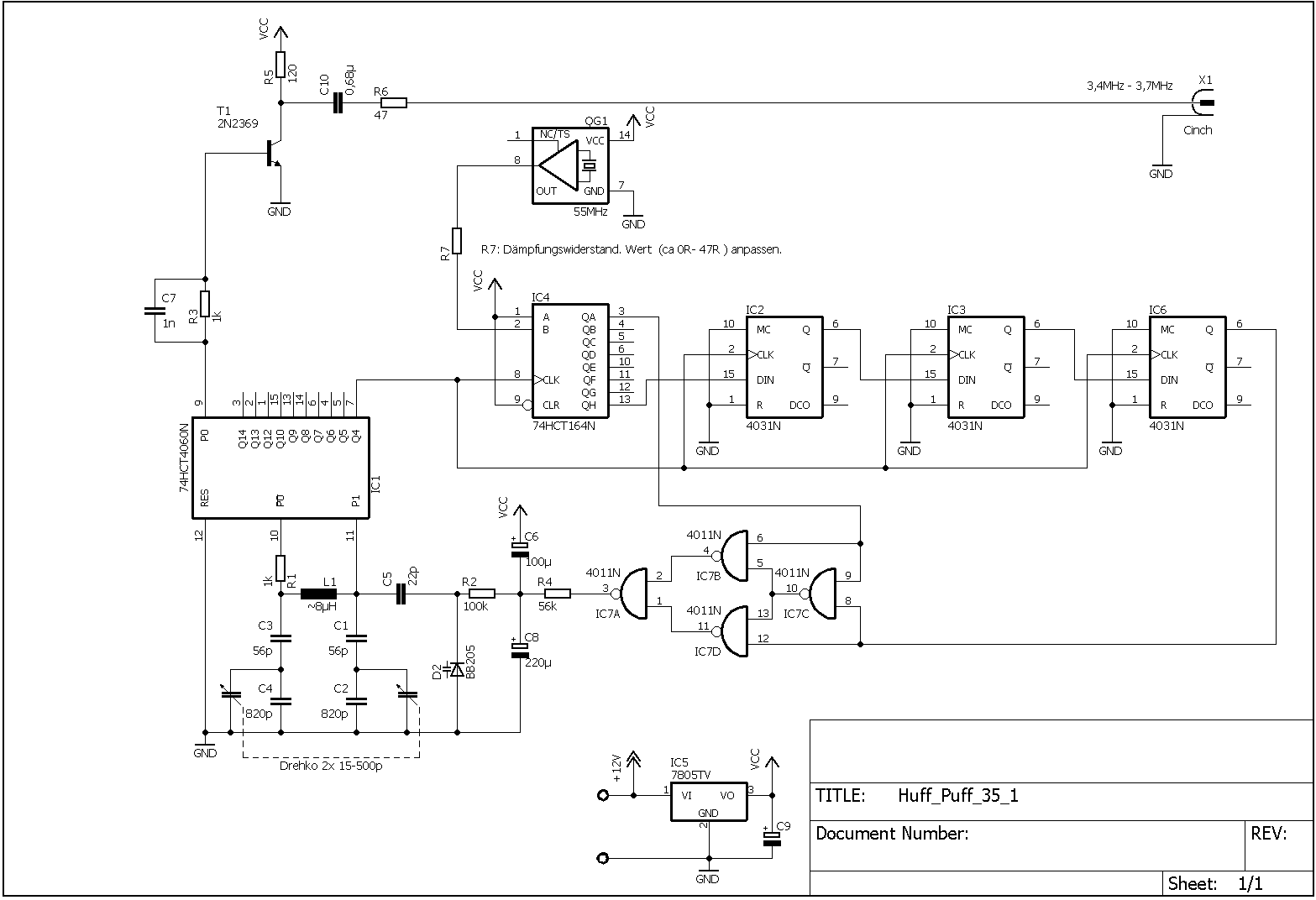
Der Oszillator soll, wie schon geschrieben, Teil eines Konverters, mit dem der Längstwellenbereich in eine höherfrequente Ebene umgesetzt wird, sein. Wegen der vorhandenen Empfänger habe ich das 80m-Band gewählt und die bisherige Oszillatorfrequenz halbiert.


Die prinzipielle Beschaltung des Oszillators (kapazitiver Dreipunkt) wurde beibehalten, allerdings sind die Werte der Bauteile an die neue, niedrigere Frequenz angepasst. Die Huff-Puff-Regelung ist, jedenfalls der Digitalteil, nach einem Vorschlag von Hans Summers, vereinfacht und das Schleifenfilter niederohmiger als bisher ausgeführt, wodurch Messungen am Filter weniger aufwändig sind.

Um die Betriebssicherheit der Schaltung zu verbessern ist sie auf einer HF-tauglichen Lochrasterplatte aufgebaut und in einem Metallgehäuse montiert. Die Abstimmung des Oszillators erfolgt durch einen hochuntersetzenden Feintrieb.


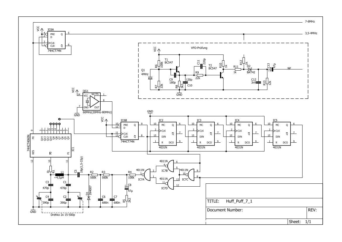
Der Oszillator liefert eine symmetrische Rechteckspannung im Frequenzbereich von 3,4-3,7MHz. Die Abstimmschrittweite beträgt ca 68Hz im unteren Frequenzbereich, ca 81Hz im oberen Frequenzbereich.


Der kalte Oszillator driftet nach dem Einschalten innerhalb einer Stunde um etwa 10Hz unter die "Startfrequenz" und verbleibt dann dort (über Stunden). Die gleiche Frequenzstabilität haben die einstellbaren Rastpunkte nach Erreichen der Betriebstemperatur. In Hinblick auf den nachgeordneten Empfänger habe ich die Abstimmschrittweite relativ grob gewählt (in der Literatur sind Schrittweiten von bis zu 10Hz beschrieben. Falls es gar nicht passt kann das Radio ja nachjustiert werden), was der Frequenzstabilität zu Gute kommt und das Schleifenfilter vereinfacht. Allerdings gestaltet sich der der Abstimmvorgang wegen der großen Zeitkonstante des Filter "etwas gummiartig", dh die Frequenzänderung erfolgt nicht unmittelbar sondern leicht verzögert. Damit kann ich leben.

mfg

Datei-Anhänge
Huff_Puff_35_1_s1.png Huff_Puff_35_1_s1.png (22x)

Mime-Type: image/png, 12 kB

Huff_Puff_V2.jpg Huff_Puff_V2.jpg (22x)

Mime-Type: image/jpeg, 406 kB

Huff_Puff_V2_Rechteck_3_7.jpg Huff_Puff_V2_Rechteck_3_7.jpg (51x)

Mime-Type: image/jpeg, 30 kB

13.02.26 16:04
aminox86 

100-249 Punkte

13.02.26 16:04
aminox86 

100-249 Punkte

Re: Ein quarzstabiler VFO

Hallo zusammen,

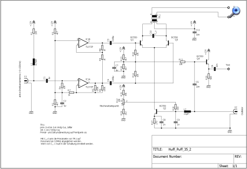
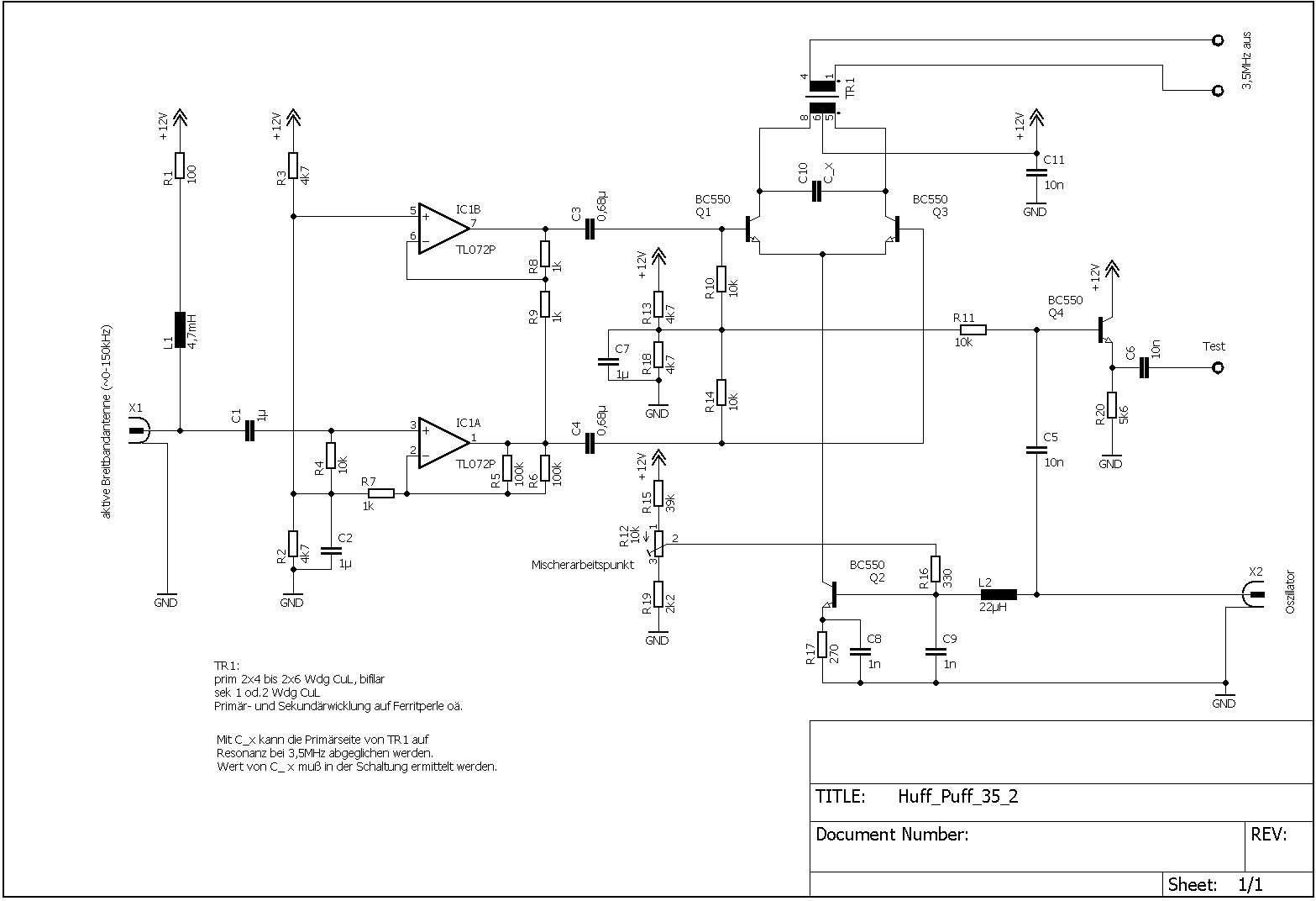
ergänzend zum Oszillator habe ich ein passendes HF-Teil entworfen, das den Konverter komplettiert.


Die aktive Antenne wird vom HF-Teil aus mit Spannung versorgt, die von der Antenne angelieferte Signalspannung etwas verstärkt und in zwei komplementäre Pfade aufgespalten. Diese werden einem Balancemischer zugeführt und auf 3,5MHz umgesetzt, sodass sie mit einem nachgeordneten Radio empfangbar sind.

Im folgenden Bild ist die Umsetzung eines Testsignals sowohl durch einen Balancemischer als auch durch einen einfachen Mischer gegenübergestellt. Zur Verdeutlichung ist die vertikale Teilung in den Spektrogrammmen linear, nicht logarithmisch gewählt.


Obwohl beide Mischer ein 10kHz-Signal auf 3,5MHz umsetzen unterscheiden sich die erzeugten Mischprodukte deutlich: Im Spektrum des Balancemischers haben die beiden Seitenbänder die höchste Amplitude und die Oszillatorfrequenz ist abgeschwächt, dagegen kehren sich im Spektrum des einfachen Mischers die Verhältnisse um. Es bietet sich daher an, im Konverter einen Balancemischer zu verwenden, denn die fehlende bzw stark unterdrückte Oszillatorfrequenz belastet das Radio nicht.

Das HF-Teil ist, ebenso wie der Oszillator, auf einer HF-tauglich Lochrasterplatine aufgebaut und mit dem Oszillator zu einer mechanischen Einheit zusammengefasst welche von einem externen Netzteil mit Spannung versorgt wird. Am im Schaltbild eingezeichneten Testausgang steht das Oszillatorsignal für die Auswertung durch einen Frequenzzähler zur Verfügung.


Im folgenden Foto ist die komplette "Empfangsanlage" abgebildet.

Deutlich ist das (gelbe Labor-)Kabel zu erkennen, mit dem das Mischersignal zum Radio übertragen wird.

Der Bereich der gut bis sehr gut hörbaren Sender reicht von RDL(~18kHz) bis TDF(162kHz). Da auch NPL(60kHz, 1070km Luftlinie entfernt) hier mit der gezeigten "Anlage" gut hörbar ist, jedenfalls um die Tagesmitte, denke ich, dass ich für die nächste SAQ-Aussendung gerüstet bin.

mfg

Datei-Anhänge
Huff_Puff_35_2_s1.png Huff_Puff_35_2_s1.png (42x)

Mime-Type: image/png, 12 kB

Huff_Puff_V2_Mischer_Messungen.jpg Huff_Puff_V2_Mischer_Messungen.jpg (31x)

Mime-Type: image/jpeg, 158 kB

Huff_Puff_V2_Mischer_komplett.jpg Huff_Puff_V2_Mischer_komplett.jpg (30x)

Mime-Type: image/jpeg, 313 kB

Anlage.jpg Anlage.jpg (30x)

Mime-Type: image/jpeg, 117 kB

 1
 1
Kurzwellenempfänger   Frequenzänderung   Betriebssicherheit   Oszillatorfrequenz   Längstwellenbereich   Lochrasterplatine   gegenübergestellt   Versorgungsspannung   Frequenzstabilität   bemerkenswerterweise   Abstimmschrittweite   Huff-Puff-Stabiliser   VFO-Frequenzbereich   Temperaturschwankungen   Stabilisierungsschaltungen   Betriebstemperatur   Frequenzstabilisierung   Frequenzbereich   Huff-Puff-Regelung   hochuntersetzenden