| Passwort vergessen?
Sie sind nicht angemeldet. |  Anmelden

Sprache auswählen:

Wumpus Gollum Forum von
Wumpus Welt der (alten) Radios
Sie sind nicht angemeldet.
 Anmelden

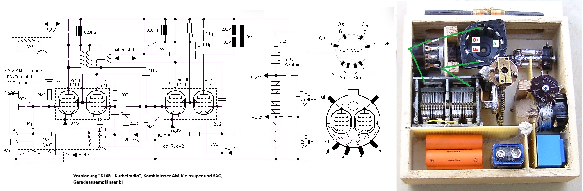
DL651 AM-Super kombiniert mit SAQ-Geradeausempfänger
  •  
 1
 1
08.03.26 20:36
basteljero 

500 und mehr Punkte

08.03.26 20:36
basteljero 

500 und mehr Punkte

DL651 AM-Super kombiniert mit SAQ-Geradeausempfänger

Hallo,
Einige Audione für SAQ sind ja schon vorgestellt, das robuste 2UCH-Audion liegt schon einige Jahre
zurück.
https://www.wumpus-gollum-forum.de/forum...&thread=382
Letztes Jahr wurde dann ein Röhren-Geradeaus-Empfänger mit sehr stabilem variablem
Heterodyne-Überlagerungs-Oszillator und wahlweisem Quarz-Betrieb gebaut.
https://www.wumpus-gollum-forum.de/forum...d=20&page=2

Das DL651-Hybrid-Audion sollte nun nicht auch noch nach gleichem Muster fertiggestellt werden.
https://www.wumpus-gollum-forum.de/forum...=461&page=1

Warum nicht mal eine Kombination aus
1)
Geradeausempfänger, der als SAQ-Direktmischer sehr wirksame NF-Selektion ermöglicht (Tonsieb)
und
2)
Kleinsuper, der mit Rückkopplung in der Bandfilter-ZF schon auf Mittelwelle schmalbandiger ist
als der Rückkopplung-Einkreiser.


Die DL651 ist hier durch die 6418 ersetzt, die etwas abweichende Kennlinien besitzt und umgekehrte
Heizfaden-Polarität.
Alternativ könnte die leistungsfähigere 6088 eingesetzt werden.
Denn der Anodenstrom der 6418 beträgt typisch 240µA, 2,5 mW sind nach Datenblatt
erzielbar.

Für NF-Vorverstärkung ist die Röhre nicht vorgesehen.

Die Vorplanung ist soweit abgeschlossen, dass das Projekt vorgestellt werden kann:


Analog zur AM-FM-ZF-Stufe im normalen Radio können die beiden frequenzmäßig unterschiedlichen
Filter (hoffentlich) ohne Probleme in den Anodenkreis der Mischröhre gelegt werden.

Für AM ermöglicht dann eine Rückkopplung der Audion-Röhre auch SSB-Empfang und Verbesserung
der Selektion des Bandfilters.
Für SAQ hat sich die Rückkopplung als nicht zweckmäßig erwiesen.

Problem ist das unangenehm lange Nachschwingen des Heizfadens im Vakuum mit einer Frequenz im
Bereich irgendwo bei 2500 Hz.

Deshalb sind jeweils zwei Röhren auf einen Wehrmachts-Sockel gelötet.
Die Fassung für den NF-Teil ist mit Kupferdraht beschwert und gedämpft auf die tragende
Lochraster-Platine "genäht", diese Platine wiederum mit Ausgangsübertrager sowie Ferritkern-
Spule beschwert und ebenfalls gedämpft in das Gehäuse eingebaut.

Aufbauten mit der 2SH27L ergaben, dass dieses "Selbsttönen" durch einen guten NF-
Selektionskreis praktisch vollständig eliminiert werden kann.
https://www.wumpus-gollum-forum.de/forum...mp;thread=154#3

Natürlich gibt es in diesem Stadium zahlreiche Unwägbarkeiten:
Lässt sich bei der gewählten festen Schirmgitterspannung der Audion-Röhre eine
einwandfreie Rückkopplung erzielen ?
2 Varianten sind eingezeichnet, wegen der hohen Vorspannung soll zunächst die
"Nestel"-Audion-Schaltung probiert werden.

Da nur 7 Fassungskontakter zur Verfügung stehen, wurden wie bei der DLL21
beide Schirmgitter zusammengelegt, daraus ergibt sich am einfachsten Einspeisung
des Oszillator-Signals auf die Mischröhre über G2.

Auch das muss noch weiter ausgearbeitet werden, wenn die NF-Stufe steht.
Der Teufel steckt eben im Detail, sonst wäre die Bastelei auch zu langweilig...


Gruß
Jens

Zuletzt bearbeitet am 08.03.26 21:57

Datei-Anhänge
DL651-Kurbelradio-Vorplanung-Verdrahtung_2026-03-08.jpg DL651-Kurbelradio-Vorplanung-Verdrahtung_2026-03-08.jpg (23x)

Mime-Type: image/jpeg, 389 kB

Geplante Arbeitskennlinien 6418 2026-03-08.jpg Geplante Arbeitskennlinien 6418 2026-03-08.jpg (17x)

Mime-Type: image/jpeg, 243 kB

Noch gefällt der Beitrag keinem Nutzer.
!
!!! Fotos, Grafiken nur über die Upload-Option des Forums, KEINE FREMD-LINKS auf externe Fotos.    

!!! Keine Komplett-Schaltbilder, keine Fotos, keine Grafiken, auf denen Urheberrechte Anderer (auch WEB-Seiten oder Foren) liegen!
Solche Uploads werden wegen der Rechtslage kommentarlos gelöscht!

Keine Fotos, auf denen Personen erkennbar sind, ohne deren schriftliche Zustimmung.

Den Beitrag-Betreff bei Antworten auf Threads nicht verändern!
10.03.26 00:16
basteljero 

500 und mehr Punkte

10.03.26 00:16
basteljero 

500 und mehr Punkte

Re: DL651 AM-Super kombiniert mit SAQ-Geradeausempfänger

Hallo,
Vor dem Endaufbau kommen noch einige fliegende Testaufbauten:
SAQ-Direktmischer:
Für die SAQ-Steckspule funktioniert die Mischstufenschaltung schon mal recht gut.
Der Anodenkreis der Mischröhre in dem wilden Drahtigel-Aufbau besteht aus einem
Ferritkern eines alten PC-Steckerl-Schaltnetzteils.
nach dem Auseinanderbacken wurde durch Schleifen einer Schalenkern-Hälfte der Luftspalt
beseitigt und 1000 Windungen in 5 Lagen aufgebracht.

Die Güte ist hoch, so dass der zweite geplante 820 Hz-Kreis entfallen kann.
Mit der aktiven Rahmenantenne ließ sich nämlich RDL auf 18,14 khz gut von HWU auf 18,3
kHz trennen.
(https://www.wumpus-gollum-forum.de/forum...amp;thread=23#1)
Der etwas kleinere Kern ist der Oszillator-Kreis und kommt später in die Steckspule für SAQ
des Empfängers, der Luftspalt wurde belassen.

15Volt pp macht die 6418 in Triodenschaltung bei 12 Volt Anoden-Betriebsspannung und sperrt
die Mischröhre über g2 damit vollständig.
Die angedachte zusätzliche Batterie für deren Vorspannung kann auch entfallen, g1 war über
Gitterwiderstand ans negative Heizfadenende gelegt.



Verbindet man g1 der Oszillator- und g1 der Mischröhre mit kleinem Trimmer, dann lässst
sich die Oszillatorspannung auf dem Steuergitter neutralisierten.

Positiv auch, dass das Klingen beim Anschlagen der Röhre und kuze Zeit und auch sehr
leise nur zu hören ist.
Auch dies ist der spitzen Durchlaßkurve des Ferrit-Schalenkernkreises geschuldet.

Fazit:
- Für VLF gehen auch die Ferritmaterialien für Schaltnetzteile sehr gut.
- Die NF-Verstärkung mit Batterieröhren kann höher getrieben werden mit Resonanzkreis
für CW-Empfang (Tonsieb)

KW-49m-Band
Einige interessante Sender sind tagsüber im klassischen 49m-Band unterwegs, aber ist die
6418 hier noch sicher zum Schwingen zu bringen ?
Hat man noch eine Mischverstärkung?
Der Test mit Spulen aus einem alten ZF-Filter brachte positive Antwort.


Wieder mit 1,2V negativer Vorspannung für die Mischröhre.

Ergebnisse:
- Als ZF-Verstärker verstärkt die 6418 bei 17V Anoden-Betriebsspanung mit dem unverändertem
470kHz-Kreis mindestens 8-fach. (Die Resonanzfrequenz war 400 kHz im Aufbau)
- Die Mischverstärkung ist etwa 6-fach.
Nach dem zweiten Kreis des ZF-Bandfilters noch 3- bis 4- fach.
Das wird dann durch die Entdämpfung der Audion-Röhre später mehr als kompensiert,
10- bis 20- fache Stufenverstärkung sollte so erzielbar sein.
- Die Windungszahl der Gitterspule war etwa 1/3 der abgestimmten Anodenkreisspule, es ist
da also noch etwas Luft hin zu höheren Frequenzen.
- Die Gitterkreisspule sollte verschiebbar auf der abgestimmten Anodenkreisspule angebracht sein,
damit optimale Amplitude eingestellt und Überschwingen durch zu feste Kopplung verhindert
werden kann.

Eine Quelle soll noch genannt werden, "25mA-Batterie-Röhren" (Valvo, 1955),
https://frank.pocnet.net/other/Valvo/Val...ren_1955-11.pdf
Denn die Infos kann man ja sinngemäß auch auf die Submins anwenden.

Und dann wären da noch die russischen Subminiatur-Stabelektrodenröhen:
Die zeichnen sich durch extrem geringen Schirmgitterstrom aufgrund des Funktionsprinzips aus,
die 1SH17 [1J17] sollte sich ebenfalls gut eignen für die Zweckentfremdung als Mischer.

Gruß
Jens

Zuletzt bearbeitet am 12.03.26 13:13

Datei-Anhänge
Test Mischstufe für SAQ_2026-03-09.jpg Test Mischstufe für SAQ_2026-03-09.jpg (41x)

Mime-Type: image/jpeg, 162 kB

Test Mischstufe für KW_2026-03-10.jpg Test Mischstufe für KW_2026-03-10.jpg (19x)

Mime-Type: image/jpeg, 147 kB

14.03.26 12:22
basteljero 

500 und mehr Punkte

14.03.26 12:22
basteljero 

500 und mehr Punkte

Re: DL651 AM-Super kombiniert mit SAQ-Geradeausempfänger

Moin,
Die Achillesferse des Projektes ist die Audion-Stufe, wegen der gemeinsamen Nutzung
des Schirmgitter-Anschlusses mit der Endröhre und der Verkopplung der beiden Heizfäden.

Deshalb wurden nach Aufbau der Endstufe wieder einige Drahtigel-Versuche durchgeführt:


- Der Anodenwiderstand musste auf 100 kOhm herabgesetzt werden, um mit der Spulen-
kombination im Bild Rückkopplung zu erzielen.
Getestet wurde auf 648 kHz, da kommt Freitag nachts immer Rob van Dijk auf Caroline.

Ergebnisse:
-Das Nestel-Audion gibt hier mit der 1N4148 sehr weiche Rückkopplung.
-Es kann so gut im verzerrungsarmen Synchron-Betrieb gearbeitet werden, weil die Amplitude
des schwingenden Audions fein reguliert werden kann.

-Die Einstellung der Vorspannung für maximalen Pegel ist recht kritisch und stark von der
Anoden-Betriebsspannung abhängig.

- Wird der Rückkopplungskreis ebenfalls resonant gemacht, kann der Abstand 5cm betragen.
- Jetzt kann der Kreis fest montiert und die Rückkopplung über Poti realisiert sein.

Die Audion-Röhre wird jetzt Heizfadenmäßig auf Masse gelegt, die Vorspannung durch eine
kleine Alkali-Batterie (aus 9V-Block) erzeugt , die der einstellbaren positiven Spannung
entgegengesetzt ist.
Die Nestel-Diode ist notwendig, damit die Rückkopplung bei hoher Vorspannung nicht hart wird.
(kein Wandern der mittleren Steilheit in Richtung höherer Steilheit mit stärkerer Amplitude)
- Die geringe Frequenzverwerfung ist dabei nicht von Nachteil, weil beim Synchronempfang
die Frequenz sehr fein nachgestellt werden kann.

Im Bild die Spulen-Anordnung, welche zum Einsatz kommen wird.
Der Spulensatz kommt anstelle des vordem geplanten Ferritstabes für MW.

Der Drehko wurde geändert, 3 Platten sind mit 110pF ständig angeschlossen (KW),
200pF kommen an die Fassungskontakte, so dass 310 pF für 2 MW-Bereiche zur Verfügung
stehen.
Der Oszillator für SAQ kann dann 2x 200p + 110p erhalten.
Gruß
Jens

Zuletzt bearbeitet am 14.03.26 19:07

Datei-Anhänge
Testaufbau Audionstufe_2026-03-14.jpg Testaufbau Audionstufe_2026-03-14.jpg (18x)

Mime-Type: image/jpeg, 185 kB

16.03.26 10:09
basteljero 

500 und mehr Punkte

16.03.26 10:09
basteljero 

500 und mehr Punkte

Re: DL651 AM-Super kombiniert mit SAQ-Geradeausempfänger

Moin,

Die Leistung von so einer Kleinst-Endstufenpentode mit 2mW ist natürlich nicht
gerade berauschend und passt nicht so ganz, wenn bei "Caroline" Motörhead läuft..

Die Stoßgedämpfte Montage der Röhre kommt auch nicht voll zur Geltung, die NF-
Verstärkung kann locker um das 10-fache erhöht werden.

So wird es denn ein Hybrid werden, der schwebte sowieso schon lange vor.
Selbstverständlich mit zeitgemäßem Transistor, der Russische MP20 entspricht
laut RFT-Vergleichsliste dem AC126 und wurde wie der ab etwa 1960 produziert.

Er kann sogar in Emitter-Basis-Schaltung arbeiten und trotzdem hochohmig von
der 6418 direkt angesteuert werden.

Der Übertrager wird durch den Transistor stärker bedämpft und liefert besseren Klang.
"Büllend laut", die Antenne im Audion-Testaufbau musste wegen Übersteuerung loser
angekoppelt werden und Gegenkopplung war auch noch drin.

Die DL651 wird übrigens in der Funkschau 1954/Heft 8 mit der DL64 zusammen vorgestellt.
Ein ausführlicher Artikel über NF-Verstärker mit OC 70/71 dann in der Funkschau 1954/Heft14

"Pentodenmischung im Reisesuper" lautet ein ausführlicher Artikel im Heft 15 von 1955,
man ist da beim basteln zum Glück nicht so ganz ohne "Futter".


im Gegensatz zu den damaligen Lesern der Funkschau kann man heutzutage die Original-
Artikel nachschauen, auf welche manche Funkschau-Artikel Bezug nehmen.
Da ergibt sich so mancher Tipp, z.B. einen abstimmbaren Antennen-Anpass-Drehko
vorzusehen, mit dem kann man dann auch Gleichlauf-Abweichungen korrigieren.


Weitere Tipps gibt Queen in der März-Ausgabe der "radio-electronics2 von 1954.

- Der Anodenstrom wird durch Schutzwiderstand der Anodenbatterie begrenzt.
(Der Autor ruinierte sich durch ein Mißgeschick die verwendeten 40mA-Sumbiniaturröhren)
- Die Empfindlichkeit des Gerätes kann durch Verringerung der Anodenspannung bei Bedarf
herabgesetzt werdne, was Batterien spart.
- Ein einfacher Rheostat für die Heizspannung verlängert die Lebensdauer der Röhren.
----
Hinzufügen sollte man unbedingt Schutzdioden, bei meinem DL651-Steckspulen-Radio sind
jeweils 4 Stück 1N5408 ausgemessen bei 10 mA und 0,65 V an die Fassung gelegt, sowie eine
anti-parallel gegen Falschpolung.

Reaktionszeit gibt es nämlich nicht, "ping", und das war's dann.
1980 oder so das letzte Mal gehört, seitdem geht hier nichts mehr ohne diesen Schutz.

Gruß
Jens

Zuletzt bearbeitet am 16.03.26 17:25

Datei-Anhänge
Kopfhörer-Endstufenschaltung mit russischem MP20 2026-03-16 .jpg Kopfhörer-Endstufenschaltung mit russischem MP20 2026-03-16 .jpg (16x)

Mime-Type: image/jpeg, 195 kB

Westentaschen-Hybrid-super 1954.jpg Westentaschen-Hybrid-super 1954.jpg (19x)

Mime-Type: image/jpeg, 160 kB

26.03.26 23:13
basteljero 

500 und mehr Punkte

26.03.26 23:13
basteljero 

500 und mehr Punkte

Re: DL651 AM-Super kombiniert mit SAQ-Geradeausempfänger

hallo,
heute wurde die ZF-Platine zusammengestrickt und getestet.
Als Signalquelle ein Blaupunkt-Marimba.
Es reichte einen 50cm-Draht an dem ersten Bandfilter-Kreis anzuschließen und an der
Rückwand des Koffer-Empfängers zu befestigen.
Die Störspannung liefert genug Pegel für den Test und den Vorabgleich auf 455 kHz.

Der 820Hz-SAQ-Kreis musste aber gebrückt werden, wegen eines leisen Störtones.



Tests ergaben, dass Rückkopplung über Schirmgitterspannung bei weitem den weichesten
Rückkopplungs-Einsatz gibt.
Das löst gleichzeitig ein weiteres Problem:
Die starke Abhängigkeit der optimalen Gitter-Vorspannung von der Betriebsspannung,
jetzt werden Audion- und NF-Treiberröhre immer optimal betrieben, weil beide g2-Spannungen
von Hand eingestellt werden.

Demodulator-Diode in der "Binoden-Schaltung" jetzt die SD101C-Schottky. Vorspannung
Audion-Stufe kann auf optimalen Wert fest eingestellt werden.

Die Rückkopplungs-Spule ist jetzt eine MW-Oszillator-Spule, die gibt mit 1000pF parallel
eine breitere Resonanzkurve und kann (nun fest eingestellt) näher an den zweiten
Bandfilter-kreis herangerückt werden.

Der Abgleich der 3 Bandfilter ist nicht schwieriger als beim normalen.
Die Bandbreite sehr schmal, der Seilantrieb des "Marimba" zu ungenau für
schmalbandige Einstellung.

Die Betriebsspannung kann bis auf 15 Volt absinken. Eckwerte bei 22 Volt Uba:
Audion:
Vorspannung (wie immer gegen negatives Faden-Ende) : -0,5 V
Anoden-Spannung : 10V bei Schwingungseinsatz, bis 6V bei Synchronbetrieb.
NF-Treiber:
Vorspannung : - 0,8 V
Anodenspannung : 12 V

Die Vorspannung für's Audion jetzt über Vorwiderstand der Heizbatterie.
(4 NI-MH-Akkus machen 5,4 Volt, da ist noch Reserve zu den benötigten 4,8 Volt)

Gruß
Jens

Zuletzt bearbeitet am 27.03.26 20:21

Datei-Anhänge
Testaufbau_ZF-Rückkopplung_2026-03-26.jpg Testaufbau_ZF-Rückkopplung_2026-03-26.jpg (13x)

Mime-Type: image/jpeg, 169 kB

 1
 1
Anoden-Betriebsspanung   Emitter-Basis-Schaltung   DL651-Steckspulen-Radio   25mA-Batterie-Röhren   Antennen-Anpass-Drehko   Rückkopplungs-Einsatz   Kleinst-Endstufenpentode   Subminiatur-Stabelektrodenröhen   PC-Steckerl-Schaltnetzteils   Gleichlauf-Abweichungen   Rückkopplung   40mA-Sumbiniaturröhren   SAQ-Geradeausempfänger   Anoden-Betriebsspannung   Röhren-Geradeaus-Empfänger   Schirmgitter-Anschlusses   Ferrit-Schalenkernkreises   wumpus-gollum-forum   Rückkopplung-Einkreiser   Heterodyne-Überlagerungs-Oszillator