| Passwort vergessen?
Sie sind nicht angemeldet. |  Anmelden

Sprache auswählen:

Wumpus Gollum Forum von
Wumpus Welt der (alten) Radios
Sie sind nicht angemeldet.
 Anmelden

Vergleich der Röhren RV12P2000, 12Ж1Л und 12Ż1Ł
  •  
 1 2
 1 2
09.10.21 02:24
Hajo 

500 und mehr Punkte

09.10.21 02:24
Hajo 

500 und mehr Punkte

Re: Vergleich der Röhren RV12P2000, 12Ж1Л und 12Ż1Ł

Prima Walter, damit ist alles bisher Bekannte bestätigt. Von den übrigen Unterschieden abgesehen, ist das Original offensichlich etwas steiler, als die beiden Weiterentwicklungen, und dadurch im Vorteil. Schade, daß man das Innere der polnischen Ausführung nicht sehen kann.

Hatte heute leider wenig Zeit und an dem Audion-Versuchsaufbau zunächst den korrekten Arbeitspunkt der Röhre eingestellt. Dazu habe ich die Kathode auf Masse gelegt und für den Anodenwiderstand einen Trimmer eingesetzt, an der Kreisspule lose induktiv ein AM Signal von 1mV eingespeist und anschließend das G2-Poti und den Anodenwiderstand wechselseitig auf max. Verstärkung eingestellt. Es stellte sich ein Anodenstrom von 1,1mA ein. Die Kreisspule hat masseseitig mehrere Abgriffe und dadurch war es möglich, einen zu finden, bei dem die Rückkopplung genau im Arbeitspunkt der Röhre, und damit bei maximaler Verstärkung einsetzt.
Diese Testspule hat 70mm Durchmesser, 76 Wdg. aus 1mm Kunststoff isolierter Kupferlitze und 275µH. Der Spulenkörper ist ein schnödes Papprohr. Der optimale Abriff für die Kathode liegt an der 5. Windung. Bei 500kHz beträgt die -3dB Bandbreite unmittelbar vor dem Schwingeinsatz rund 160Hz (Q=3125). Das Audion ist jetzt so empfindlich, daß ich dem 16dB NF Verstärker ein Poti vorschalten mußte, um die Ohren zu schonen. Als Antenne dient eine Breitbandloop von 80cm Durchmesser.
Die Rückkopplung setzt seidenweich ein und läßt sich ganz entspannt einstellen, da der Schwingeinsatz einen vergleichsweise großen Stellbereich des Potis beansprucht. Die Rückkopplung braucht über das ganze MW Band hinweg auch nur sehr wenig nachgestellt werden, sodaß die Röhre über den ganzen Frequenzbereich hinweg sehr nahe am optimalen Arbeitspunkt bleibt.
Schaltbild und Aufnahme vom Versuchsaufbau liefere ich noch nach.

Gruß in die Runde
Hajo

!
!!! Fotos, Grafiken nur über die Upload-Option des Forums, KEINE FREMD-LINKS auf externe Fotos.    

!!! Keine Komplett-Schaltbilder, keine Fotos, keine Grafiken, auf denen Urheberrechte Anderer (auch WEB-Seiten oder Foren) liegen!
Solche Uploads werden wegen der Rechtslage kommentarlos gelöscht!

Keine Fotos, auf denen Personen erkennbar sind, ohne deren schriftliche Zustimmung.

Den Beitrag-Betreff bei Antworten auf Threads nicht verändern!
11.10.21 02:14
Hajo 

500 und mehr Punkte

11.10.21 02:14
Hajo 

500 und mehr Punkte

Re: Vergleich der Röhren RV12P2000, 12Ж1Л und 12Ż1Ł

Hallo Zusammen

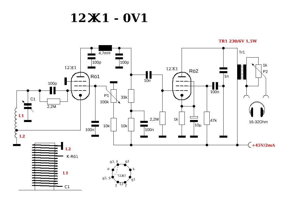
Um diesen Faden nicht unnötig in die Länge zu ziehen, nur kurz noch das Schaltbild meines Versuchs mit den Russenschätzchen.





Die Schaltung bietet nichts Aufregendes, als Antenne diente wieder die 80cm Breitbandloop. Heute am Abend auf MW mußte ich das Lautstärkepoti fast ganz zurückdrehen. An einem 32 Ohm Kopfhörer wären mir sonst die Ohren davongeflogen. Die Trafoanpassung stimmt nicht ganz aber leider steht kein geeigneter Trafo zur Verfügung. Mit einem besseren Aufbau und hochwertigeren Bauteilen in der Audionstufe ist da sicher noch viel Luft nach oben. Eine probehalber im Audion eingesetzte EF183 brachte, trotz sorgfältiger Anpassung der Anoden- und Gitterwiderstände, keine wesentlichen Vorteile. Die Verstärkung war fast identisch, die Rückkopplung durch die größere Steilheit nicht ganz so seidenweich, wie vorher und die Selektivität unmittelbar vor dem Schwingeinsatz sogar etwas schlechter. Offenbar hat die 12Ж1 eine etwas niedrigere Eingangskapazität. Ein Vergleich mit einer P2000 wäre interessant, ist mir aber leider mangels Masse nicht möglich. Will mal schauen, ob die Verstärkung auch für 80- und 40m ausreicht, das dann aber an anderer Stelle.

Gruß in die Runde
Hajo

Datei-Anhänge
Audion 12Ж1.JPG Audion 12Ж1.JPG (265x)

Mime-Type: image/jpeg, 219 kB

Audion 12Ж1-schalt.jpg Audion 12Ж1-schalt.jpg (288x)

Mime-Type: image/jpeg, 81 kB

11.10.21 08:54
WalterBar 

500 und mehr Punkte

11.10.21 08:54
WalterBar 

500 und mehr Punkte

Re: Vergleich der Röhren RV12P2000, 12Ж1Л und 12Ż1Ł

Hallo Hajo,

ja, das ist der "Standart", der sich wirklich bewährt hat. Ich nehme an, dass Du ebenfalls mit der Höhe der Anodenspannung bzw. der Grösse der Schirmgitter- und Anodenwiderstände experimentiert hast? Hemme hob übrigens in seinem Buch die Wichtigkeit einer "mittleren Steilheit" hervor. Ebenso erwähnte er den Vorteil von dünnem Kupferblech als Chassismaterial, das man aus Stabilitätsgründen auf Tischlerplatten aufbringen kann.

Ansonsten hängt alles von der Beschaffenheit der Schwingkreisspule, der Antennenlänge mit ihrer kapazitiven Last und der Ankopplung ab. Das ist bei jedem Bastler anders und muss berücksichtigt werden. Je nach Region ist die Stationsauswahl inzwischen sehr überschaubar geworden. Dazu kommen neuerdings "C-Flares" hinzu, die sich nicht gerade gut auf die Mittelwellenausbreitung auswirken.

Die beiden Röhren unterscheiden sich in den Kapazitäten nach Datenblatt wie folgt:



Gruss
Walter

Zuletzt bearbeitet am 11.10.21 09:43

Datei-Anhänge
Kapazitäten_Datenblatt.png Kapazitäten_Datenblatt.png (280x)

Mime-Type: image/png, 6 kB

11.10.21 11:03
Hajo 

500 und mehr Punkte

11.10.21 11:03
Hajo 

500 und mehr Punkte

Re: Vergleich der Röhren RV12P2000, 12Ж1Л und 12Ż1Ł

Hallo Walter

Für g2 hat man ja ohnehin ein Poti und für den Anodenwiderstand hatte ich einen 250k Trimmer vorgesehen. Was mir aufgefallen ist: Wenn man die Audionstufe ohne Rückkopplung (Kathode auf Masse) in Betrieb nimmt und die Widerstände auf das Verstärkungsmaximum abgleicht, erreicht man mit der EF183 erheblich mehr Verstärkung, als mit der 12Ж1. Mit aktiver Rückkopplung, unmittelbar vor dem Schwingeinsatz, sind die Unterschiede kaum noch auszumachen. Ich denke mir, daß das damit zusammenhängt, daß für die Rückkopplung ja nur eine Verstärkung von 1 nötig ist und die Steilheit darum eine untergeordnete Rolle spielt. Viel wesentlicher sind die von Dir schon genannten Punkte.
Für die Anodenspannung habe ich einen Satz 9V Blocks im Einsatz und verschiedene Spannungen getestet. Ab etwa 30V aufwärts ergeben sich hinsichtlich der Verstärkung der Audionstufe kaum Verbesserungen. 45V habe ich gewählt, weil ich mit drei 4S-LiPo Akkus speisen will, die hier zur Verfügung stehen.
Danke für die Daten der Eingangskapazität, hatte sie im Originaldatenblatt der Russin nicht gefunden. Offenbar liegt die Ursache für die schlechtere Selektivität wirklich darin begründet, denn die EF183 ist im Franzis Röhrentaschenbuch mit 9pF angegeben.
Die Anbindung des Kopfhörers bei der Hemme Schaltung finde ich übrigens recht clever. Es spart ein hochohmiges Poti vor der NF Stufe, mit allen bekannten Nachteilen.
Welche Vorteile bringt Kupferblech für das Chassis? Wäre ein nichtmetallischer Werkstoff im Hinblick auf die Dämpfung der Kreisspule nicht viel besser geeignet?
Soviel ich weiß, nimmt man Metall, um die Handempfindlichkeit zu reduzieren aber die ist wenige Zentimeter neben der Kreisspule bei dieser Schaltung nicht mehr feststellbar.

Gruß in die Runde
Hajo

Zuletzt bearbeitet am 11.10.21 11:21

11.10.21 11:31
WalterBar 

500 und mehr Punkte

11.10.21 11:31
WalterBar 

500 und mehr Punkte

Re: Vergleich der Röhren RV12P2000, 12Ж1Л und 12Ż1Ł

Hallo Hajo,

bezüglich Steilheit kurz vor dem Rückkopplungseinsatz habe ich die gleichen Erfahrungen gemacht.
JA, die Handkapazität ist ein Problem, vor allem bei SSB/CW auf 20m. Den Abstand zum Blech muss man natürlich entsprechend wählen: Mindestens 2 ... 3 cm. Die Bandfilter sind ja auch geschirmt, und man muss den Einfluss der Verstimmung natürlich berücksichtigen. Bis zur Frontplatte sind es hier sogar 10cm, weil der Drehko mit Feintrieb davor sitzt. Auf 20m ist die Handkapazität schon wichtig. Besser wäre vielleicht sogar ein allseits geschlossenes Gehäuse, aber ich habe bewusst den Aufwand klein gehalten.


Gruss
Walter

Zuletzt bearbeitet am 11.10.21 11:36

11.10.21 12:05
Hajo 

500 und mehr Punkte

11.10.21 12:05
Hajo 

500 und mehr Punkte

Re: Vergleich der Röhren RV12P2000, 12Ж1Л und 12Ż1Ł

Danke Walter, das mit den höheren Frequenzen hatte ich nicht bedacht. Also muß doch erst ein ordentliches Chassis her, es nütz alles nichts.

Gruß in die Runde
Hajo

14.10.21 17:15
Hajo 

500 und mehr Punkte

14.10.21 17:15
Hajo 

500 und mehr Punkte

Re: Vergleich der Röhren RV12P2000, 12Ж1Л und 12Ż1Ł

Hallo Zusammen

Der Effekt mit dem geringen Einfluß der Steilheit in der Audionstufe wollte mir in den letzten Tagen nicht aus dem Kopf gehen. Mein spärlicher Erklärungsversuch weiter oben, ist natürlich völlig ungenügend.
Wenn die Röhrenstufe sorgfältig dimensioniert ist, befindet sich die Röhre kurz vor dem Schwingeinsatz auch beim ECO Audion an ihrem optimalen Arbeitspunkt und hat max. Verstärkung. Meines Wissens hebt die Rückkopplung die Verstärkung des Schwinkreises um den Faktor 10-20 an, was bedeutet, daß der Anteil der eigentlichen Röhrenverstärkung am Punkt unmittelbar vor dem Schwingeinsatz, nur noch ein Zehntel bis ein Zwanzigstel der Gesamtverstärkung ausmacht, sodaß die Differenzen zwischen hoher und niedrigerer Steilheit eine wesentlich geringere Rolle spielen, als beim Betrieb ohne Rückkopplung.
Die steilere Röhre benötigt jedoch zum Erfüllen der Schwingbedingungen weniger Energie aus dem Schwingkreis, was sich in der Praxis leicht beobachten läßt, denn die Position des Abgriffs auf der Kreisspule muß deutlich Richtung Masse korrigiert werden, wenn man die steilere Röhre an der gleichen Spule in Betrieb nimmt, an der vorher die mit der geringeren Steilheit angeschlossen war. Das wiederum müßte dazu führen, daß die Selektivität mit größerer Röhrensteilheit besser wird, denn durch den niedrigeren Abgriff wird der Kreis weniger belastet.
Die Ursache für den gegenteiligen Effekt in meinem Versuch oben, ist vermutlich in der größeren Eingangskapazität der steileren EF183 zu suchen. Dadurch ist die eigentlich zu erwartende bessere Selektivität nicht nur zunichte gemacht-, sondern gar in ihr Gegenteil verkehrt worden, was offenbar darauf hin deutet, daß sie eine deutlich größere Rolle spielt, als die Röhrensteilheit.
Soweit der Stand meiner Überlegungen dazu aber vielleicht liege ich damit völlig daneben - keine Ahnung.

Gruß in die Runde
Hajo

30.03.24 17:52
AndreAdrian 

250-499 Punkte

30.03.24 17:52
AndreAdrian 

250-499 Punkte

Re: Vergleich der Röhren RV12P2000, 12Ж1Л und 12Ż1Ł

Zitieren:
Hajo: Die Ursache für den gegenteiligen Effekt in meinem Versuch oben, ist vermutlich in der größeren Eingangskapazität der steileren EF183 zu suchen
Das ist eine Möglichkeit. Nur wie basteljero sagte
Zitieren:
Die kleine Eingangskapazität an sich würde sich ja nur wie ein parallel geschalteter Kondensator auswirken.
Mein Erklärungsversuch ist der "Tetroden kink" oder Dynatron Betrieb. Das ist ein Bereich negativen differentiellen Widerstandes der bei Anodenspannung kleiner Schirmgitterspannung auftreten kann. Ein negativer Widerstand entdämpft den Schwingkreis. Es ist eine Delle im Ua zu Ia Diagramm mit Ug1 als Parameter. Eine Tetrode und Pentode wird üblicherweise ausserhalb des "kink" Bereiches betrieben. Im EF98 Datenblatt von Philips sehe ich "kinks" bei verschiedenen Werten von Anoden- und Schirmgitterspannung. Meine Empfehlung: Ideal ist Schirmgitterspannung zwischen 75% und 100% der Anodenspeisespannung um "kink" zu vermeiden. Das ist ein Grund warum ich Rückkopplung nicht mit Schirmgitter-Spannung oder Anoden-Spannung einstelle, sondern durch Schwingkreisdämpfung.



Hier eine "kink" Testschaltung. Gibt es am Anschluß out Oszillation, so gibt es am Steuergitter einen negativen Widerstand, der stärker als die Schwingkreisverluste sind. Ich würde mit R1 verschiedene Steuergitterspannungen einstellen, z.B. 3V, 6V und 12V und würde dann R2 durchdrehen von hohen Widerstand auf kleinen Widerstand. Das ganze einmal bei 500pF von C1, dann bei 125pF und dann bei 31pF. Das Oszilloskop würde ich mit 10x Teiler und AC anschließen.

DL1ADR

Zuletzt bearbeitet am 30.03.24 18:06

Datei-Anhänge
EF98_kink_test.GIF EF98_kink_test.GIF (162x)

Mime-Type: image/gif, 7 kB

22.02.25 15:09
Juergen35 

0-49 Punkte

22.02.25 15:09
Juergen35 

0-49 Punkte

Re: Vergleich der Röhren RV12P2000, 12Ж1Л und 12Ż1Ł

Hi everybody,

beim Stöbern in älteren Beiträgen fand ich diesen Thread und da fiel mir ein vorhandenes Büchlein ein,
das für ca. 5000 Röhren mögliche Vergleichstypen auflistet :
Babani Press London 1974
Radio, TV, Industrial & Transmitting Tube & Valve Equivalents

Für die EF95, die als moderne Version der P2000 gilt, werden dort aufgeführt :
6AK5. 6F32V. 403A. 403B. 714A. 1385HQ 5591 731A. 5595. 5608. 5654 QM557. 6069
6968 DP61 PM05 E95F EF95 EF905 M8100 M8180 CV116 CV2877 CV4010. CV5216.
CV5893 CV81599 CV8225 CV10100 CV10442

Nicht enthalten sind dabei Röhren aus den damaligen Ostblockstaaten und China.
Die RV12P2000 scheint demnach eine ganz brauchbare Entwicklung gewesen zu sein.

Gruß an alle Röhrenfreaks von Jürgen

PS: Die Punkte hinter manchen Bezeichnungen sind der fummeligen Fingertastatur zu danken. J.

 1 2
 1 2
RV12P2000   Eingangskapazität   Gleichspannungsabfall   Vierkammer-Wickelkörper   Audion-Versuchsaufbau   Röhren   12Ж1Л   Schirmgitter-Spannung   Mittelwellenausbreitung   Schirmgitterspannung   Schwingkreisdämpfung   12Ż1Ł   Gitter-Anodenkapazität   Kopfhörerlautstärke   Steuergitterspannungen   Telefunken-Konstruktion   Vergleich   Rückkopplungseinsatz   Schaltungsvorschläge   Rückkopplung