| Passwort vergessen?
Sie sind nicht angemeldet. |  Anmelden

Sprache auswählen:

Wumpus Gollum Forum von
Wumpus Welt der (alten) Radios
Sie sind nicht angemeldet.
 Anmelden

Bebilderter Ersatz des Magischen Auges: von EM11 auf 6E5C
  •  
 1
 1
21.03.09 20:02
Magisches_Auge 

500 und mehr Punkte

21.03.09 20:02
Magisches_Auge 

500 und mehr Punkte

Bebilderter Ersatz des Magischen Auges: von EM11 auf 6E5C

Hallo zusammen,
ich habe eine neue 6E5C gekauft (einen ganzen Satz) und werde sie demnächst in mein Andante S einbauen. Da ich das Radio fast täglich benutze, ist mir eine neue EM11 einfach zu teuer und auch zu schade für den täglichen Gebrauch.

Den alten Röhrensockel werde ich nicht ausbauen oder umlöten. Damit jederzeit wieder eine EM11 eingesetzt werden kann lasse ich alles unverändert. Ich werde mir eine Halterung für die neue Röhre basteln und dann Drähte an die Stifte der neuen Röhre löten, welche ich dann an den jeweiligen Kontakten am Sockel befestige (z.B. den Draht um die angelöteten Anschlüsse am Sockel zwirbeln).
Von dem Umbau mache ich dann auch ein paar Fotos, wenn es klappt. Allerdings werde ich wohl erst am übernächsten Wochenende dazu kommen.

Da die 6E5C nur eine Anode besitzt weiß ich nicht, welchen Anodenanschluss ich anlöten soll.
Die EM11 hat ja zwei Anoden. Eine für starke Sender (vertikale Segmente) und eine für schwache Sender (horizontale Segmente).
Die Anode für schwache Sender hat wohl eine höhere Spannung, da ja schon bei schwachen Sendern die Segmente im Leuchtschirm aufleuchten. Muss ich den Anodenanschluss dann an den Anodenstift der 6E5C anlöten?

Die beiden Sockelpläne (EM11 und 6E5C) habe ich unten eingestellt.

viele Grüße
Richard


Zuletzt bearbeitet am 22.03.09 14:40

Datei-Anhänge
EM11-s.jpg EM11-s.jpg (868x)

Mime-Type: image/pjpeg, 21 kB

6E5C,5.jpg 6E5C,5.jpg (814x)

Mime-Type: image/pjpeg, 9 kB

Noch gefällt der Beitrag keinem Nutzer.
!
!!! Fotos, Grafiken nur über die Upload-Option des Forums, KEINE FREMD-LINKS auf externe Fotos.    

!!! Keine Komplett-Schaltbilder, keine Fotos, keine Grafiken, auf denen Urheberrechte Anderer (auch WEB-Seiten oder Foren) liegen!
Solche Uploads werden wegen der Rechtslage kommentarlos gelöscht!

Keine Fotos, auf denen Personen erkennbar sind, ohne deren schriftliche Zustimmung.

Den Beitrag-Betreff bei Antworten auf Threads nicht verändern!
21.03.09 20:48
DC1MF 

500 und mehr Punkte

21.03.09 20:48
DC1MF 

500 und mehr Punkte

Re: EM11 durch 6E5C ersetzen: welchen Anodenanschluß nimmt man am besten?

Hallo Richard,
da wird dir nicht anderes übrigbleiben, als mit dem Anodenwiderstand zu verändern bzw. einen Spg-Teiler am Gitter1 einzubauen, um eine brauchbare Anzeige zu erreichen.
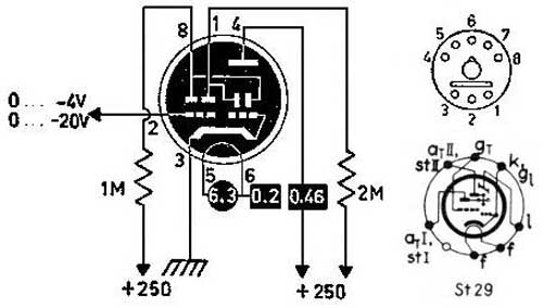
Die EM11 hat beim empfindlichen Stegpaar eine G1 Spannung 0 bis -4 Volt, bei einer Anodenspg. von 250 Volt
Bei 200 V Anodenspannung sind es 0 bis -3 V und bei 100 Volt Anodespg. 0-2 Volt.
Beim unempfindlichen Stegpaar betragt die G1 Spg 0 -20V bei 250 und 200V Anodenspg.
Bei 100V sind zur Vollaussteuerung noch -10 Volt notwendig.
Die 6E5C hat zum Teil sehr unterschiedliche Empfindlichkeiten. Die Normgerechten steuern bei -7 V bereits voll aus.
Wenn du dich im Forum umschaust, wird du einige Beiträge dazu finden.
Habe das Problem bei dem Ersatz von einer EFM11 mit einem Spannungsteiler im G1 Bereich gelöst.

Mit freundlichen Grüßen

Helmut

PS: wenn du die beiden Sockel mit zwei Distanzhülsen verbindest, kannst du einen Adapter bauen und brauchst das Original nicht zu verändern.

Zuletzt bearbeitet am 21.03.09 21:06

Datei-Anhänge
EF86_5.jpg EF86_5.jpg (683x)

Mime-Type: image/jpeg, 55 kB

22.03.09 13:03
Magisches_Auge 

500 und mehr Punkte

22.03.09 13:03
Magisches_Auge 

500 und mehr Punkte

Re: EM11 durch 6E5C ersetzen: welchen Anodenanschluß nimmt man am besten?

Hallo Helmut und alle anderen;-)
so einen Adapter werde ich mir auch mal basteln.

Heute habe ich es doch noch geschafft, die 6E5C probeweise einzusetzen.
Ich habe den Anodenanschluß für schwache Sender mit einem angezwirbelten Draht an dem Röhrenstift der 6E5C befestigt. Noch habe ich nichts gelötet oder mit einer Zange abgezwickt. Falls es mal zu Wackelkontakten kommen sollte, werde ich die Drähte wohl mal festlöten.

Da die 6E5C minimal dünner ist, habe ich einen schwarzen Filzstreifen von vorne in den Spalt gedrückt.
Die Röhrenbefestigung habe ich aus einer Rohrschelle und einem zurechtgeschnittenen Korken gebastelt. Die Röhre sitzt somit sehr fest.

Der Ausschlag ist auch sehr gut. Bei starken Sendern entsteht ein geschlossener leuchtender Ring, obwohl ich außer Drähten, einer Rohrschelle und einem Korken nichts verwendet habe.
Wenn ich gewußt hätte, wie einfach der Umbau war, hätte ich es an meinem alten Andante schon früher gemacht.

Unten habe ich ein paar Fotos vom Umbau eingestellt.















viele Grüße
Richard

Datei-Anhänge
Umbau1.jpg Umbau1.jpg (569x)

Mime-Type: image/pjpeg, 59 kB

Umbau2.jpg Umbau2.jpg (534x)

Mime-Type: image/pjpeg, 41 kB

Umbau3.jpg Umbau3.jpg (528x)

Mime-Type: image/pjpeg, 62 kB

Umbau4.jpg Umbau4.jpg (511x)

Mime-Type: image/pjpeg, 37 kB

Umbau5.jpg Umbau5.jpg (570x)

Mime-Type: image/pjpeg, 39 kB

Umbau6.jpg Umbau6.jpg (546x)

Mime-Type: image/pjpeg, 190 kB

AndanteS10.jpg AndanteS10.jpg (525x)

Mime-Type: image/pjpeg, 108 kB

22.03.09 13:21
DC1MF 

500 und mehr Punkte

22.03.09 13:21
DC1MF 

500 und mehr Punkte

Re: Bebilderter Ersatz des Magischen Auges: von EM11 auf 6E5C

Hallo Richard, Hallo Sammlerfreunde,
schön das es geklappt hat mit dem Umbau.
Habe schon einige Umbauten hinter mir, vor allem bei EM34.
Das Problem war immer, die "Neue" Anzeige war entweder zu empfindlich, bei UKW wurde fast jeder Sender voll angezeigt, oder die schwachen Sender wurden kaum angezeigt. Hier war immer ein "basteln" angesagt.
Mit freundlichen Grüßen
Helmut

22.03.09 13:24
roehrenfreak

nicht registriert

22.03.09 13:24
roehrenfreak

nicht registriert

Re: Bebilderter Ersatz des Magischen Auges: von EM11 auf 6E5C

Hallo Richard,

muss schon sagen - Alter Falter!- da geht einem ja die Sonne (oder das Maggiauge) im Herzen auf. Reicht eine normale Sonnenbrille oder muss man das Schweisser-Schutzschild vor die Augen halten?! Nun wäre die Frage nach der Haltbarkeit dieser Röhren noch offen. Gibt´s da schon Erfahrungswerte?

Freundliche Grüsse,
Jürgen rf

Noli turbare circulos meos (Störe meine KREISE nicht! - Archimedes)

22.03.09 14:23
Magisches_Auge 

500 und mehr Punkte

22.03.09 14:23
Magisches_Auge 

500 und mehr Punkte

Re: Bebilderter Ersatz des Magischen Auges: von EM11 auf 6E5C

Hallo Jürgen,
nein, eine normale Sonnenbrille ist vollkommen ausreichend um nicht zu erblinden

Was die Haltbarkeit betrifft, habe ich noch keine Erfahrungen mit der 6E5C. Da ich das Radio häufig benutze, werde ich in einem Jahr schon besser Bescheid wissen. Allerdings habe ich noch neun 6E5C. Ein Anbieter hatte mal 10 dieser Röhren auf einmal verkauft. Der Durchschnittspreis pro Röhre betrug dann 9,99 EUR. Das ist zwar immer noch viel, aber ich glaube, daß diese Röhren in Zukunft immer teurer werden und nicht mehr unter 10 EUR zu kaufen sind.
Da ich noch 9 Röhren habe, reicht das sicher bis zu meinem Lebensende

viele Grüße Richard

ps:
hier noch ein Hinweis für diejenigen, die das erste mal ein Magisches Auge aus der Fassung ziehen. Es wäre ja schade, wenn es dabei kaputt geht, auch wenn es nicht mehr stark leuchtet.
Die Röhre darf beim Herausziehen nicht am Glaskolben angefasst werden, da dieser nur auf den Bakelitfuß geklebt ist. Er reißt also leicht ab.

Ich mache das immer so: Ich fasse den Bakelitfuß mit Daumen und Zeigefinger fest an und ziehe ihn an einer Seite minimal heraus. Dann stecke ich einen kleinen flachen Schraubenzieher in den Spalt und hebel den Spalt etwas weiter auseinander. dann an der anderen Seite und immer abwechselnd, bis die Röhre draußen ist.


Zuletzt bearbeitet am 22.03.09 19:32

28.03.09 19:21
Martin.M 

500 und mehr Punkte

28.03.09 19:21
Martin.M 

500 und mehr Punkte

Re: Bebilderter Ersatz des Magischen Auges: von EM11 auf 6E5C

hallo Jürgen,
die Haltbarkeit von Maggiaugen ist maßgeblich davon abhängig wie viel du ihnen zu essen gibst, ich meine die Anodenspannung. Wenn man sich das etwas "einteilt", also soweit reduziert, daß sie so leuchtet wie eine die schon drei Jahre läuft, dann hält sie extrem lange. Gibst du ihr aber gleich die 250V dann hast du ein Fernlicht mit entsprechend kürzerer Lebenserwartung. Ich mag daher das nachträglich eingefügte Trimmpoti sehr

nette Grüße
Martin

Zuletzt bearbeitet am 28.03.09 19:22

28.03.09 19:45
Magisches_Auge 

500 und mehr Punkte

28.03.09 19:45
Magisches_Auge 

500 und mehr Punkte

Re: Bebilderter Ersatz des Magischen Auges: von EM11 auf 6E5C

Hallo Martin,
das ist ein guter Hinweis!
wo baust du den Poti. denn genau ein? Ist der Ausschlag unverändert?
Wäre es vielleicht auch gut, die Leuchtschirmspannung zu reduzieren, damit die Röhre schwächer leuchtet und somit die Beschichtung geschont wird?

viele Grüße
Richard

28.03.09 20:41
Martin.M 

500 und mehr Punkte

28.03.09 20:41
Martin.M 

500 und mehr Punkte

Re: Bebilderter Ersatz des Magischen Auges: von EM11 auf 6E5C

hallo Richard,

der Leuchtschirm ist ja die Anode des magischen Auges.
Du kannst mit der Spannung (nach unten hin) ohne Angst experimentieren.
Was du nicht machen solltest: Die Anodenspannung der Hilfstriode verändern, sonst verändert sie ihre Anzeige.

Theoretisch, ich hab das auch nochnicht gemacht, gibts noch eine Variante: Man könnte die Röhre auch unterheizen, dadurch verringert sich die Kathodenemmission, was auch eine geringere Leuchtkraft zur Folge haben müßte. Leider ist dann aber auch die Steuertriode davon betroffen, da si mit der Auge-Röhre eine gemeinsame Kathode verwendet.
Unterheizen wird meines Wissens in Mikrofonen angewendet um den Signal-Rauschabstand zu verbessern.
Aber warum eigentlich nicht, ein simpler 10 Ohm Drahttrimmer in der Heizleitung liefert uns sofort die gewünschte Auskunft, kaputtmachen kann man damit nichts.

nette Grüße
Martin

29.03.09 10:08
Magisches_Auge 

500 und mehr Punkte

29.03.09 10:08
Magisches_Auge 

500 und mehr Punkte

Re: Bebilderter Ersatz des Magischen Auges: von EM11 auf 6E5C

Hallo Martin,
das werde ich demnächst mal ausprobieren. Ein zweiter Vorteil wäre ja auch, dass neben der Leuchtschirmbeschichtung zusätzlich noch der Heizfaden geschont werden würde.

viele Grüße
Richard

 1
 1
unempfindlichen   Schraubenzieher   Magischen   Empfindlichkeiten   Anodenwiderstand   Anodenanschlu߿unterschiedliche   Anodenanschluss   Richard   Vollaussteuerung   Kathodenemmission   Durchschnittspreis   Signal-Rauschabstand   zurechtgeschnittenen   Schweisser-Schutzschild   Bebilderter   Leuchtschirmbeschichtung   Anodenspannung   Leuchtschirmspannung   Röhrenbefestigung