| Passwort vergessen?
Sie sind nicht angemeldet. |  Anmelden

Sprache auswählen:

Wumpus Gollum Forum von
Wumpus Welt der (alten) Radios
Sie sind nicht angemeldet.
 Anmelden

Nordmende MAMBO 1960
  •  
 1 2
 1 2
07.11.20 08:57
WalterBar 

500 und mehr Punkte

07.11.20 08:57
WalterBar 

500 und mehr Punkte

Nordmende MAMBO 1960

Hallo zusammen,

mir ist ein Nordmende Mambo aus dem Jahr 1960 zugelaufen. Äusserlich
unterscheidet es sich von dem Modell aus dem Jahr 1962, das weniger Rundungen
aufwies und modernere Transistoren verwendete, wesentlich. Aus heutiger Sicht
ist das alte Modell besser, weil es wegen der Zinkproblematik unanfälliger ist.
Hier das letzte Modell vor Einführung des "Transita" mit UKW:

https://www.welt-der-alten-radios.de/aus...detail-101.html

In der Einstiegsversion plazierten die Designer von Nordmende den Schriftzug
oberhalb des Lautsprechergitters.


Beschreibung

Einfaches Transistor-Kofferradio ohne UKW-Bereich.
Bedingt durch das große Holzgehäuse warmer Klang

Technische Daten
Schaltung: Superhet
Transistoren: 7 (OC613, 2*OC612, 2*OC71, 2*OC74)
Kreise: 7
Frequenzen: LW, MW
Lautsprecher: 1 (1 Watt Endstufe)
Spannungen: 9 Volt (2 x 4,5)
Mittlerer Stromverbrauch: 20 mA
Gehäuse: Holz Kunstleder-Bezug (rot, grün, blau, schwarz, sandfarben)
Skala: Kreisskala, kombiniert mit Drehko-Bedienung
Abstimmung: Drehko
Komfort: Ferrit-Antenne, Autoantennen-Anschluß, Tragegriff abnehmbar, Klangtaste
Gewicht: 1,5 kg
Maße: 23 x 16,5 x 7 cm
Bemerkung 1: damaliger Preis 189,-- DM











Nachtrag zum Nordmende-Mambo (250.000 ab April 1958 produzierte Exemplare):

Firmenchef Martin Mende nahm den Mambo-Prototyp in seine Villa
zu Testzwecken. In der abendlichen Ruhe störte ihn das Restrauschen
(nicht das der Ferritantenne!), sondern das des OC71 bei kleiner
Lautstärkeeinstellung des Potis, welches in dem Lärm der Fabrik
nicht auffiel. Die in wenigen Tagen entwickelte Gegenkopplung
führte zu der Nordmende Patent- und Gebrauchsmuster-Hilfsanmeldung
vom 8.Mai 1958 (speziell für basteljero-Jens): Zitat:
"Schaltungsanordnung zur Unterdrückung von wiedergabe-störenden
Spannungsanteilen, vorzugsweise Rauschspannungen, an mehrstufigen
und vor der ersten Stufe regelbaren NF-Verstärkern mit Transistoren,
dadurch gekennzeichnet, dass dem Verstärkungsregler (3) eine
Gegenkopplungsspannung zugeführt wird, die aus dem Emitterkreis
des Transistors, der ersten Verstärkerstufe folgenden Stufe,
vorzugsweise der zweiten Verstärkerstufe (6), entnommen ist
(siehe Schaltungsausschnitt der Patentanmeldung, Fig.1).
Schaltungsanordnung nach Anspruch 1, dadurch gekennzeichnet, dass
die Gegenkopplungsschaltung an einem Fusspunktwiderstand (5) oder
an einen in der unteren Hälfte der Widerstandsbahn liegenden
Anzapfpunkt des Verstärkerreglers (3) gelegt ist (Achtung:
"Restlautstärke")." Zitat Ende.

Diese und weitere Dinge sind dem Buch des Entwicklers Jürgen F.
Hemme DL3LM "Rote Röhren, grüne Spulen" zu entnehmen, das aber
leider vergriffen ist.

Nordmende stoppte die Entwicklung eines Kofferradios mit Röhren,
das im NF-Teil aber schon die Transistoren OC71 und OC74 enthielt.
Der junge Ingenieur Hemme präsentierte sofort einen Brettaufbau
mit OC612 aus privater Basteltätigkeit. Er bekam den Auftrag zur
Entwicklung des Mambo.

Trotz des deutlich sichtbaren Gebrauchs musste ich bislang
technisch nicht eingreifen. Keinen Elkotausch, der Klang ist
rund, das Poti kratzt nach 60 Jahren nicht.


Gruss
Walter

Zuletzt bearbeitet am 16.11.20 19:44

Datei-Anhänge
Nordmende_Mambo_1960.jpg Nordmende_Mambo_1960.jpg (426x)

Mime-Type: image/jpeg, 293 kB

Nordmende_Mambo_Innen.jpg Nordmende_Mambo_Innen.jpg (457x)

Mime-Type: image/jpeg, 301 kB

Nordmende_Mambo_Oben.jpg Nordmende_Mambo_Oben.jpg (435x)

Mime-Type: image/jpeg, 375 kB

Nordmende_Mambo_Rückseite.jpg Nordmende_Mambo_Rückseite.jpg (415x)

Mime-Type: image/jpeg, 473 kB

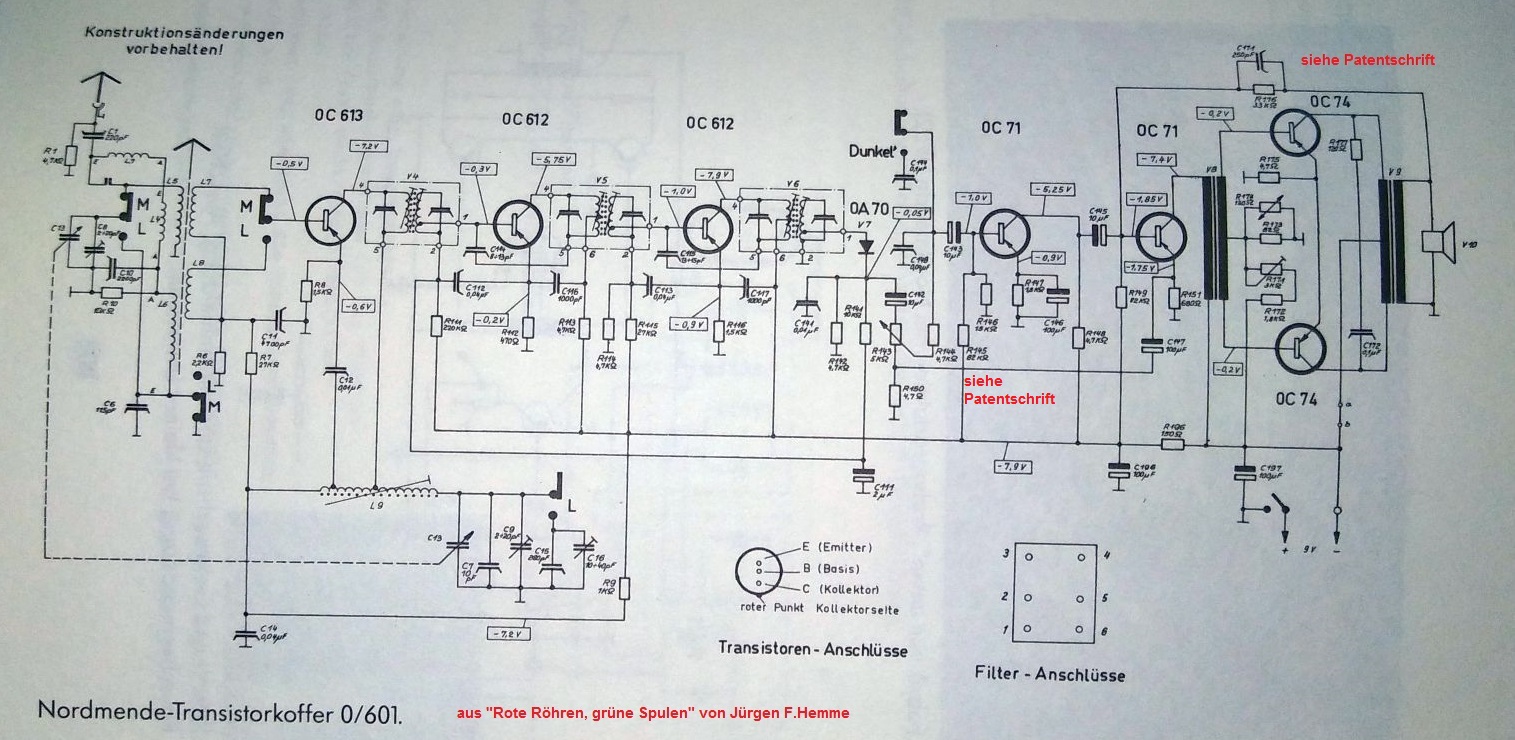
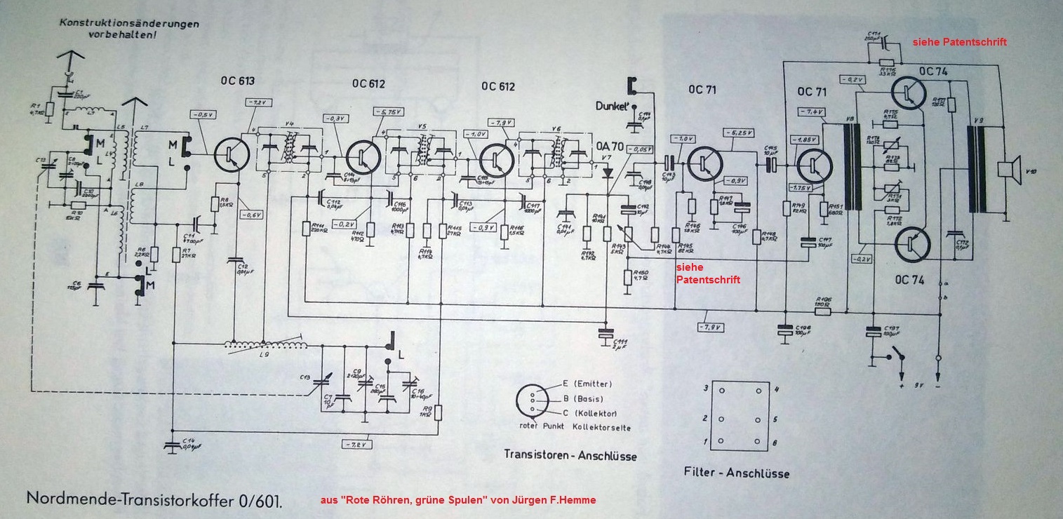
Nordmende_Mambo_Schaltung.jpg Nordmende_Mambo_Schaltung.jpg (541x)

Mime-Type: image/jpeg, 363 kB

Debo, wumpus und apollo gefällt der Beitrag.
!
!!! Fotos, Grafiken nur über die Upload-Option des Forums, KEINE FREMD-LINKS auf externe Fotos.    

!!! Keine Komplett-Schaltbilder, keine Fotos, keine Grafiken, auf denen Urheberrechte Anderer (auch WEB-Seiten oder Foren) liegen!
Solche Uploads werden wegen der Rechtslage kommentarlos gelöscht!

Keine Fotos, auf denen Personen erkennbar sind, ohne deren schriftliche Zustimmung.

Den Beitrag-Betreff bei Antworten auf Threads nicht verändern!
07.11.20 10:21
wumpus 

Administrator

07.11.20 10:21
wumpus 

Administrator

Re: Nordmende MAMBO 1960

Hallo Walter,

bei diesem Radio fällt mir ein Erlebnis aus meiner Lehrzeit ein: 1965 kamen einige Mambo-Empfänger innerhalb von wenigen Wochen in den Sommermonaten in die Werkstatt. Einige davon zerrten zeitweise oder waren sogar tot. Als Ursache stellt sich in fünf Fällen heraus, dass der NTC im Basiszweig der Gegentaktendstufe hochohmig war.

Meine damalige Lehrfirma hatte zuvor 10 Stück des Mambo erworben und an Kunden verkauft. Die fünf NTCs hatten wohl einen Serienfehler.

Eigentlich musste ich in Jahrzehnten ansonsten kaum NTCs in Transistor-NF-Stufen ersetzen.


Grüße von Haus zu Haus
Rainer, DC7BJ (Forumbetreiber)

Welt der alten Radios:
http://www.welt-der-alten-radios.de

Wumpus-Gollum-Forum:
http://www.wumpus-gollum-forum.de/forum

Virtuelle Voxhaus-Gedenktafel:
http://www.voxhaus-gedenktafel.de

Wumpus bei youtube:
https://www.youtube.com/user/MyWumpus

07.11.20 10:49
WalterBar 

500 und mehr Punkte

07.11.20 10:49
WalterBar 

500 und mehr Punkte

Re: Nordmende MAMBO 1960

Hallo Rainer,

das müsste aber dann bedeuten, dass einige Transistoren "hoch" gelaufen sind und sich zerstört haben. Die Transistoren
in den Exemplaren in eurer Werkstatt mit den Verzerrungen hatten robustere Transistoren, vermutlich durch
Exemparstreuung oder abweichende Einstellung des Trimmers. Die Abgleichvorschrift unter Verwendung neuer
Batterien und zugedrehtem NF-Poti sah eine Messung mit einem mA-Meter nach Auftrennen der Verbindung a-b vor.
Der Strom sollte 4 mA betragen.

Hemme schreibt in seinem Buch dazu:

Zitat Seite 195 "Zähmung des Transistor ZF-Verstärkers":
"Uns hilft Telefunken durch Sortieren der OC612 in Gruppen mit gleicher Rückwirkungskapazität und ermöglichte
so unserer Fertigung optimale Neutralisationskondensatoren einzubauen. Der dreistufige NF-Teil (OC71, OC71,
2xOC72) mit zwei Gegenkopplungspfaden war bereits Stand der Technik. Germaniumtransistoren waren damals
berüchtigt für thermisches Weglaufen und Selbstzerstörung. Bei 9 Volt Betriebsspannung und wenigen Hundert
Milliwatt Lautsprecherleistung reichen aber Kühlfahnen und ein kleiner Heissleiter im Basisspannungsteiler zur
Stabilisierung des Arbeitspunkts bei Temperaturanstieg. Am 11.Juni 1957 gibt "Mambo", wie er später heissen
wird, den ersten Ton von sich." Zitat Ende.


Gruss
Walter

Zuletzt bearbeitet am 07.11.20 11:05

07.11.20 11:07
wumpus 

Administrator

07.11.20 11:07
wumpus 

Administrator

Re: Nordmende MAMBO 1960

Hallo Walter,

ja so war es. Meiner Erinnerung nach waren aber bei den Geräten, wo Transistoren defekt waren, aber immer nur jeweils einer der beiden Endstufen-Trasis hinüber. Ich weiß noch, dass unser Meister mit Nordmende telefoniert hatte. Das Gesprächsergebnis war, dass die Reparaturkosten für die Kunden übernommen wurden.

Grüße von Haus zu Haus
Rainer, DC7BJ (Forumbetreiber)

Welt der alten Radios:
http://www.welt-der-alten-radios.de

Wumpus-Gollum-Forum:
http://www.wumpus-gollum-forum.de/forum

Virtuelle Voxhaus-Gedenktafel:
http://www.voxhaus-gedenktafel.de

Wumpus bei youtube:
https://www.youtube.com/user/MyWumpus

07.11.20 13:58
Debo 

500 und mehr Punkte

07.11.20 13:58
Debo 

500 und mehr Punkte

Re: Nordmende MAMBO 1960

Hallo Walter,

hast Du das Buch jetzt bekommen? Weil, Du zeigst das Schaltbild und unten in rot dein Zusatz das es aus dem Buch sei.
Ich habe das Buch seit 2008, aber ich finde es leider gerade nicht.

Gruss
Debo

07.11.20 20:07
WalterBar 

500 und mehr Punkte

07.11.20 20:07
WalterBar 

500 und mehr Punkte

Re: Nordmende MAMBO 1960

Hallo Detlef,

ja, ich habe es mir ausgeliehen und kopiert.


Gruss
Walter

07.11.20 20:31
wumpus 

Administrator

07.11.20 20:31
wumpus 

Administrator

Re: Nordmende MAMBO 1960

Hallo Walter,

was hältst Du davon, wenn ich das Gerät ins Wumpus-Online-Museum aufnehme?


Grüße von Haus zu Haus
Rainer, DC7BJ (Forumbetreiber)

Welt der alten Radios:
http://www.welt-der-alten-radios.de

Wumpus-Gollum-Forum:
http://www.wumpus-gollum-forum.de/forum

Virtuelle Voxhaus-Gedenktafel:
http://www.voxhaus-gedenktafel.de

Wumpus bei youtube:
https://www.youtube.com/user/MyWumpus

08.11.20 08:47
WalterBar 

500 und mehr Punkte

08.11.20 08:47
WalterBar 

500 und mehr Punkte

Re: Nordmende MAMBO 1960

Hallo Rainer,

das ist überhaupt kein Problem, wie immer ...



Nach ein paar Tagen Betrieb stellten sich dann doch Instabilitäten ein, sodass die Elkos getauscht wurden. Das war dann auch die Gelegenheit zu einer gründlichen Reinigung. Das Fertigungsdatum kam auch zum Vorschein: 29.April 1960, obwohl die Platine von senem Aufbau gemäss RM.org eher dem Jahr 1959 zuzuordnen wäre.












Gruss
Walter

Zuletzt bearbeitet am 16.11.20 12:05

Datei-Anhänge
Nordmende_Mambo_Front.jpg Nordmende_Mambo_Front.jpg (403x)

Mime-Type: image/jpeg, 524 kB

Nordmende Mambo - 29.04.1960.jpg Nordmende Mambo - 29.04.1960.jpg (391x)

Mime-Type: image/jpeg, 547 kB

Nordmende Mambo - Teilplatinenausschnitt.jpg Nordmende Mambo - Teilplatinenausschnitt.jpg (476x)

Mime-Type: image/jpeg, 607 kB

Nordmende Mambo nach Reinigung.jpg Nordmende Mambo nach Reinigung.jpg (386x)

Mime-Type: image/jpeg, 429 kB

Nordmende Mambo - Platinenunterseite.jpg Nordmende Mambo - Platinenunterseite.jpg (409x)

Mime-Type: image/jpeg, 623 kB

Nordmende Mambo neue Kondensatoren.jpg Nordmende Mambo neue Kondensatoren.jpg (428x)

Mime-Type: image/jpeg, 571 kB

08.11.20 12:12
wumpus 

Administrator

08.11.20 12:12
wumpus 

Administrator

Re: Nordmende MAMBO 1960

Hallo Walter,

fein. Ich habe das Gerät jetzt mit aufgenommen:

https://www.welt-der-alten-radios.de/aus...ios-1-1536.html


Grüße von Haus zu Haus
Rainer, DC7BJ (Forumbetreiber)

Welt der alten Radios:
http://www.welt-der-alten-radios.de

Wumpus-Gollum-Forum:
http://www.wumpus-gollum-forum.de/forum

Virtuelle Voxhaus-Gedenktafel:
http://www.voxhaus-gedenktafel.de

Wumpus bei youtube:
https://www.youtube.com/user/MyWumpus

16.11.20 17:18
WalterBar 

500 und mehr Punkte

16.11.20 17:18
WalterBar 

500 und mehr Punkte

Re: Nordmende MAMBO 1960

Hallo Rainer,

vielen Dank! Seit heute ist der Mambo "alltagstauglich", es war am Ende doch ein Kondensatortausch und Neuabgleich erforderlich. Es gibt weiter oben auch ein Bild der ausgebauten Platine, vielleicht weckt das Erinnerungen an die Lehrzeit?! Es hat eine Weile gedauert, bis ich die dritte Mutter der Drehko-Befestigung und einen passenden Steckschlüssel gefunden habe.

Gruss
Walter

Nachtrag vom 22.12.2020:
Erster (!) Batterietausch nach 5 Wochen und täglich stundenlanger Nutzung. Ein Lautstärkerückgang (weil schleichend) war nicht zu bemerken. Am Ende setzte der Oszillator bei einer gesamten Batteriespannung unter 5 Volt aus.

Nachtrag vom 22.03.2022:
Zweiter Batterietausch nach gelegentlicher Nutzung. Diesmal fielen leise und verzerrte Wiedergabe auf. Eine Batterie mass 0,5, die andere 2,5V, in der Summe also 3 Volt. Der Benutzer konnte sich damals also Zeit lassen, einen neuen Batteriesatz zu besorgen.

Nachtrag vom 01.02.2024:
Der Entwickler des MAMBO Jürgen F. Hemme ist im Alter von 94 Jahren in Meilen/Schweiz verstorben.
Zu seinem Gedenken lief das Radio den ganzen Tag ohne Probleme.

Zuletzt bearbeitet am 01.02.24 17:02

 1 2
 1 2
Transistor-Kofferradio   Voxhaus-Gedenktafel   Transistor-NF-Stufen   Rückwirkungskapazität   Nordmende   Schaltungsanordnung   welt-der-alten-radios   Lautstärkeeinstellung   Gegenkopplungsspannung   Lautstärkerückgang   Wumpus-Gollum-Forum   Autoantennen-Anschluß   Gebrauchsmuster-Hilfsanmeldung   Germaniumtransistoren   Gegenkopplungspfaden   Neutralisationskondensatoren   Gegenkopplungsschaltung   Basisspannungsteiler   wiedergabe-störenden   Lautsprecherleistung