| Passwort vergessen?
Sie sind nicht angemeldet. |  Anmelden

Sprache auswählen:

Wumpus Gollum Forum von
Wumpus Welt der (alten) Radios
Sie sind nicht angemeldet.
 Anmelden

Tropenbandradio RCA Typ 67QR53W von Graetz
  •  
 1
 1
24.03.20 17:12
WalterBar 

500 und mehr Punkte

24.03.20 17:12
WalterBar 

500 und mehr Punkte

Tropenbandradio RCA Typ 67QR53W von Graetz

Hallo zusammen,

ich habe mich die letzte Woche mit einem Neuzugang beschäftigt. Wie jedes
neue Radio muss es gegenüber dem Gerätebestand ein klares Alleinstellungs-
merkmal also eine Besonderheit haben. Das ist eine Selbstbeschränkung,
damit die Sache nicht aus dem Ruder läuft und auch die Ehefrau damit
leben kann. Im vorliegenden Fall ist es ein Frequenzbereich ab 2,2 MHz,
also dem 120m Tropenband. Dort findet sich zwar nur noch selten eine
Rundfunkaussendung, aber dafür ist das 75m-Band gleich mit abgedeckt,
das in den allermeisten Radios fehlt und wegen der Bedingungen im
Sonnenfleckenminimum rege genutzt wird. Zwar wird dieses Band auch von
diversen Amateurfunkgeräten hier abgedeckt, aber die Klangqualität reicht
in keiner Weise an den RCA-Apparat, einer Auftragsarbeit an Graetz in
der britischen Zone aus dem Jahr 1956. Genauere Hintergründe habe ich
nicht in Erfahrung bringen können.

https://www.radiomuseum.org/r/rca_67_qr_53w.html







Zu dem raren Gerät, das auch im Radiomuseum.org fehlte und erst angelegt
werden musste, fehlt auch ein passendes Schaltbild.
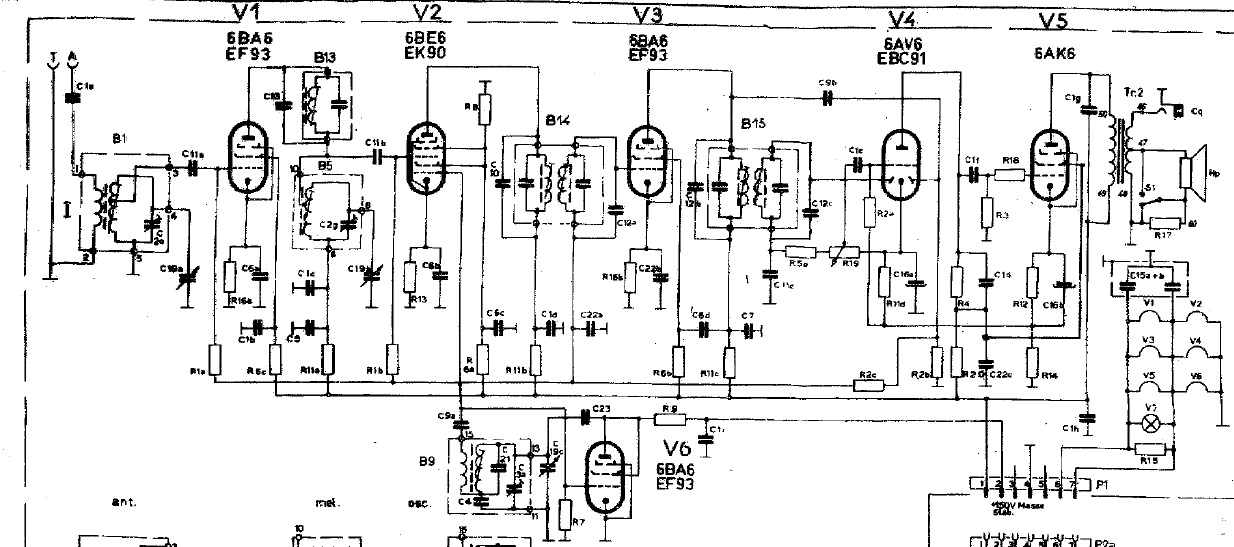
Es könnte schon sein, dass ich angesichts der momentanen Lage ein Schaltbild
selber zeichne, aber es dürfte ungefähr dem französischen Armee-Empfänger RR49A
entsprechen, wenn man sich Vorstufe und BFO wegdenkt.



Das Radio ist ein Einfachsuperhet mit einer ZF von 460 kHz und umfasst
3 AM-Frequenzbereiche. Das Gerät, das nur eine Kondensatorkur verpasst
bekam, wird daher unter der Rubrik "Analoge Radios, Bilder-Galerie Radio"
vorgestellt. Interessant ist vor allem der verwendete Dreifach-Elko,
ein derartiger Typ ist mir bislang noch nicht unter die Pupille gekommen:

https://www.wumpus-gollum-forum.de/forum...mp;thread=120#2

Drei 33µF/350V Radialelkos (105°C) habe ich im Original-Elkogehäuse versteckt!
Ursprünglich waren auch "Malzbonbons" verbaut, die glücklicherweise schon mein
Vorgänger ersetzt hat.

@wumpus: Das Gerät hat folgende Daten (für die Welt der Radios):
Admin:Danke, aufgenommen.

Modell: RCA (67 QR 53W) Fa. Graetz / Radio Fernseh Elektro GmbH
Herstellungsjahr: 1956

Beschreibung:

Das Gerät war für den Export bestimmt und beeinhaltet das Tropenband 120m
Es gibt keinen Erdanschluss, die Antenne ist eine hochohmige Wurfantenne

Technische Daten:

Schaltung: Superhet
Röhren/Halbl.: 5 (6BE6, 6BA6, 6AV6, 6AK6,6X4)
Kreise: 6 AM
Frequenzen: MW, 2xKW
Bereich A = 520 - 1650 kHz
Bereich B = 2,2 - 7 MHz
Bereich C = 7 - 22 MHz
Lautsprecher: 2 (13cm und Hochtöner)
Spannungen: 110-127-150-180-220 Volt Wechselstrom
Gehäuse: Holz mit Wallnussfurnier
Skala: rechteckig, mittig
Abstimmung: 2-fach-Dehkondensator
Komfort: Gute Empfindlichkeit, Klangregler, Lupe für KW2
Gewicht: 7,3 kg
Maße: 40,6 x 33 x 25,4 cm

Bis auf die NF-Endröhre gibt es deutsche Vergleichsröhren:
EK90 Eingang/Mischer, EF93 ZF, EBC91 Demodulation/NF, EZ90 Gleichrichter
















Gruss
Walter

Datei-Anhänge
RCA_67QR53W - von_oben.jpg RCA_67QR53W - von_oben.jpg (392x)

Mime-Type: image/jpeg, 225 kB

RCA_67QR53W - frontal.jpg RCA_67QR53W - frontal.jpg (409x)

Mime-Type: image/jpeg, 263 kB

RCA_67QR53W_Skala.jpg RCA_67QR53W_Skala.jpg (393x)

Mime-Type: image/jpeg, 311 kB

Ausschnitt_ähnlicher_frz_RR49A.jpg Ausschnitt_ähnlicher_frz_RR49A.jpg (406x)

Mime-Type: image/jpeg, 231 kB

RCA_67QR53W_Chassis.jpg RCA_67QR53W_Chassis.jpg (468x)

Mime-Type: image/jpeg, 249 kB

RCA_67QR53W_Chassis_oben.jpg RCA_67QR53W_Chassis_oben.jpg (373x)

Mime-Type: image/jpeg, 270 kB

RCA_67QR53W_Chassis_unten.jpg RCA_67QR53W_Chassis_unten.jpg (385x)

Mime-Type: image/jpeg, 124 kB

RCA_67QR53W_Rückseite_geöffnet.jpg RCA_67QR53W_Rückseite_geöffnet.jpg (397x)

Mime-Type: image/jpeg, 245 kB

RCA_67QR53W_Rückseite_geschlossen.jpg RCA_67QR53W_Rückseite_geschlossen.jpg (407x)

Mime-Type: image/jpeg, 336 kB

RCA_67QR53W_Tastenaggregat.jpg RCA_67QR53W_Tastenaggregat.jpg (421x)

Mime-Type: image/jpeg, 465 kB

RCA_67QR53W-Label.jpg RCA_67QR53W-Label.jpg (408x)

Mime-Type: image/jpeg, 137 kB

apollo und wumpus gefällt der Beitrag.
!
!!! Fotos, Grafiken nur über die Upload-Option des Forums, KEINE FREMD-LINKS auf externe Fotos.    

!!! Keine Komplett-Schaltbilder, keine Fotos, keine Grafiken, auf denen Urheberrechte Anderer (auch WEB-Seiten oder Foren) liegen!
Solche Uploads werden wegen der Rechtslage kommentarlos gelöscht!

Keine Fotos, auf denen Personen erkennbar sind, ohne deren schriftliche Zustimmung.

Den Beitrag-Betreff bei Antworten auf Threads nicht verändern!
24.03.20 17:46
hal 

500 und mehr Punkte

24.03.20 17:46
hal 

500 und mehr Punkte

Re: Tropenbandradio RCA Typ 67QR53W von Graetz

Moin
Danke für die Vorstellung...RR-49a auch interessant
https://www.pa3esy.nl/ontvangers/RR49/html/RR49_set.html
Gruß Hal

24.03.20 19:42
WalterBar 

500 und mehr Punkte

24.03.20 19:42
WalterBar 

500 und mehr Punkte

Re: Tropenbandradio RCA Typ 67QR53W von Graetz

Moin Hal,

danke für den Link, ich hatte das Gerät über die Röhrenbestückungs-Suchfunktion bei rm.org gefunden - Klasse Bilder !!

https://www.radiomuseum.org/r/lgt_recept...e_rr49a_rr.html

Wer bei wem geistige Anleihe genommen hat, ist schwer zu sagen, denn alles spielte sich zwischen 1955 und 1957 ab. Wahrscheinlich werden die Franzosen aber die Hauptarbeit geleistet haben.

Gruss
Walter

Zuletzt bearbeitet am 24.03.20 19:47

25.03.20 10:51
wumpus 

Administrator

25.03.20 10:51
wumpus 

Administrator

Re: Tropenbandradio RCA Typ 67QR53W von Graetz

Hallo Walter,

habe das Radio ins Online-Museum aufgenommen:

https://www.welt-der-alten-radios.de/aus...ios-2-1531.html


Grüße von Haus zu Haus
Rainer, DC7BJ (Forumbetreiber)

Welt der alten Radios:
http://www.welt-der-alten-radios.de

Wumpus-Gollum-Forum:
http://www.wumpus-gollum-forum.de/forum

Virtuelle Voxhaus-Gedenktafel:
http://www.voxhaus-gedenktafel.de

Wumpus bei youtube:
https://www.youtube.com/user/MyWumpus

26.03.20 13:42
Walterh 

100-249 Punkte

26.03.20 13:42
Walterh 

100-249 Punkte

Re: Tropenbandradio RCA Typ 67QR53W von Graetz

Hallo Walter

Danke für die Vorstellung dieses interessanten Gerätes!

Nachdem ich schon seit Jahren von diesen Graetz-Geräten für RCA Kenntnis habe, war ich überrascht, dass die normalerweise erfolgbringende Schaltplansuche in Sam's erfolglos verlief. Auch Beitmans kennt das Gerät nicht.

Damit und auf grund der fehlenden Netztrennung bei Entfernen der Rückwand, die damals Standard für Geräte zum Vertrieb in den USA war, scheint mir dieses Gerät für einen anderen Zielmarkt gebaut zu sein. Die Tropen- bzw. Fischereibänder könnten da ein Hinweis sein.

Ist etwas von der Geschichte dieses Gerätes bekannt - z.B. Reimport von....?

Viele Grüsse, Walter

26.03.20 16:49
WalterBar 

500 und mehr Punkte

26.03.20 16:49
WalterBar 

500 und mehr Punkte

Re: Tropenbandradio RCA Typ 67QR53W von Graetz

Hallo Walter,

es ist natürlich nicht auszuschliessen, dass so mancher Besitzer damit auch den Seefunk abgehört hat. Für die komplette Grenzwelle fehlen aber gut 500 kHz an Abstimmbereich.

Ich habe definitiv nur 2 Quellen überhaupt gefunden:

Eine Reklame von RCA im Augustheft des Foreign Service Journal 1956:





Selbst Jens Dehne kann auf seiner Graetz-Seite kein Frontbild dieses Empfängers vorweisen!
Aus einem amerikanischen Blog ging ein Besitzer aus Peru hervor.


Gruss
Walter

Nachtrag:

Nach RR/VO-Funk sind 3 Tropenbänder definiert:

120-Meter-Band 2300–2498 kHz
90-Meter-Band 3200–3400 kHz
60-Meter-Band 4750–5060 kHz (Aussparung 5000 kHz für Zeitzeichen)

Das 75m-Band (3900-4000 kHz) ist ein regulärer Rundfunkbereich in den Regionen 1 und 3 (Europa, Afrika, Asien)

Zuletzt bearbeitet am 27.03.20 17:26

Datei-Anhänge
FSJ-1.jpg FSJ-1.jpg (380x)

Mime-Type: image/jpeg, 196 kB

FSJ-2.jpg FSJ-2.jpg (380x)

Mime-Type: image/jpeg, 159 kB

 1
 1
Alleinstellungs-   Armee-Empfänger   Voxhaus-Gedenktafel   Herstellungsjahr   110-127-150-180-220   Fischereibänder   2-fach-Dehkondensator   Original-Elkogehäuse   Sonnenfleckenminimum   Tropenbandradio   Röhrenbestückungs-Suchfunktion   Selbstbeschränkung   welt-der-alten-radios   Rundfunkaussendung   Empfindlichkeit   Vergleichsröhren   glücklicherweise   wumpus-gollum-forum   Amateurfunkgeräten   AM-Frequenzbereiche