| Passwort vergessen?
Sie sind nicht angemeldet. |  Anmelden

Sprache auswählen:

Wumpus Gollum Forum von
Wumpus Welt der (alten) Radios
Sie sind nicht angemeldet.
 Anmelden

Mehrstufen-Bandbreitenreglung beim Saba 442WLK von 1936
  •  
 1 2
 1 2
01.12.18 11:52
wumpus 

Administrator

01.12.18 11:52
wumpus 

Administrator

Mehrstufen-Bandbreitenreglung beim Saba 442WLK von 1936

Hallo zusammen,

wegen einer email-Nachfrage zu einem Saba 442WLK-Radio von 1936 habe ich ich mir die Schaltung des Geräts genauer angesehen. Im Wumpus-Online-Museum ist das Gerät auch zu sehen:

http://www.welt-der-alten-radios.de/auss...dios-1-794.html

Dabei wurde ich wiedermal auf meinen dortigen Satz "mehrstufige Bandbreiten-Regelung" aufmerksam. Interessant insofern, als Saba ja erst um 1950 ihre berühmte MHG-Bandbreitenregelung ...

http://www.welt-der-alten-radios.de/h--p...haltung-38.html

... eingeführt hat. Die Bandbreiten-Regelung des 442WLK kann durchaus als Vorläufer angesehen werden. Dabei wurden in der vorletzten und letzten ZF/Demodulator-Stufe Differenzial-Drehkondensatoren eingesetzt, die die ZF-Durchlasskurve beeinflussen (schmaler oder breiter machten).

Das war in den damals dicht belegten Rundfunkbändern auch ein Mittel der Wahl, Sender besser "herausfischen" zu können. Man sieht solche Bandfilter-Schaltungen eher selten. Saba setzte bei dem 442WLK den Aufwand höher als bei so manchem Vergleichsgerät an.

Wer also Freude an solchen historischen Trickschaltungen hat, kann sich gern mal das Schaltbild hier ansehen und / oder den Eintrag im Online-Museum ansehen.

p.s. Das Gerät nutzte für TA die ZF-Stufe (AF7) als NF-Vorverstärker. Bei HF-Empfang hat das Gerät keine NF-Vorstufe!



Nachtrag: Achtung! Das Schaltbild ist fehlerhaft!
Für beste Auflösung das kleine Vorschau-Schaltbild unter diesem Text-Fenster anklicken.


Grüße von Haus zu Haus
Rainer, DC7BJ (Forumbetreiber)

Welt der alten Radios:
http://www.welt-der-alten-radios.de

Wumpus-Gollum-Forum:
http://www.wumpus-gollum-forum.de/forum

Virtuelle Voxhaus-Gedenktafel:
http://www.voxhaus-gedenktafel.de

Wumpus bei youtube:
https://www.youtube.com/user/MyWumpus

Zuletzt bearbeitet am 01.12.18 16:37

Datei-Anhänge
saba-442wlk-schalt2.jpg saba-442wlk-schalt2.jpg (401x)

Mime-Type: image/jpeg, 196 kB

Debo und Airwaves gefällt der Beitrag.
!
!!! Fotos, Grafiken nur über die Upload-Option des Forums, KEINE FREMD-LINKS auf externe Fotos.    

!!! Keine Komplett-Schaltbilder, keine Fotos, keine Grafiken, auf denen Urheberrechte Anderer (auch WEB-Seiten oder Foren) liegen!
Solche Uploads werden wegen der Rechtslage kommentarlos gelöscht!

Keine Fotos, auf denen Personen erkennbar sind, ohne deren schriftliche Zustimmung.

Den Beitrag-Betreff bei Antworten auf Threads nicht verändern!
01.12.18 12:58
Martin.M 

500 und mehr Punkte

01.12.18 12:58
Martin.M 

500 und mehr Punkte

Re: Mehrstufen-Bandbreitenreglung beim Saba 442WLK von 1936

hallo Rainer,

ich wüßte gernmal wo der die Spannung für die Schirmgitter herholt und was der Schaltkontakt 13 für einen Sinn macht

lG Martin

01.12.18 13:19
wumpus 

Administrator

01.12.18 13:19
wumpus 

Administrator

Re: Mehrstufen-Bandbreitenreglung beim Saba 442WLK von 1936

Hallo Martin,


ich quäle mich auch gerade mit dem Schaltbild herum. Denn derzeit sieht es so aus, dass bei AM keine NF-Vorstufe aktiv ist, lediglich bei TA wird die AF7 (ZF) als NF-Vorstufe genutzt. Habe da Restzweifel ...

Ja, die Schirmgitter (trotz S13) bekommen eine Spannung aus dem Netzteil.

Wäre nicht das erste Mal, dass die Lange-Schaltungen nicht stimmen. Vielleicht wurde wieder ein Leitungs-Kreuzungspunkt vergessen oder die Schalt-Positionen stimmen nicht.

Ich suche gerade nach einem Schaltbild für den 442WLK, das nicht von Lange ist ...

Nachtrag: Habe eines von "3Sparren! gefunden, kommt gleich.



Grüße von Haus zu Haus
Rainer, DC7BJ (Forumbetreiber)

Welt der alten Radios:
http://www.welt-der-alten-radios.de

Wumpus-Gollum-Forum:
http://www.wumpus-gollum-forum.de/forum

Virtuelle Voxhaus-Gedenktafel:
http://www.voxhaus-gedenktafel.de

Wumpus bei youtube:
https://www.youtube.com/user/MyWumpus

Zuletzt bearbeitet am 01.12.18 18:14

01.12.18 13:36
wumpus 

Administrator

01.12.18 13:36
wumpus 

Administrator

Re: Mehrstufen-Bandbreitenreglung beim Saba 442WLK von 1936

Hallo Martin,

so hier das Schaltbild des 442WLK (441WL) , diesmal von 3-Sparren:



Ich schaue mir das Schaltbild mal genauer an ....

Nachtrag: Und siehe da, jetzt haben die Schirmgitter plötzlich Spannung


Aber es bleibt wohl dabei. Bei LW, MW, KW hat das Radio keine NF-Vorstufe, nur bei TA.


Grüße von Haus zu Haus
Rainer, DC7BJ (Forumbetreiber)

Welt der alten Radios:
http://www.welt-der-alten-radios.de

Wumpus-Gollum-Forum:
http://www.wumpus-gollum-forum.de/forum

Virtuelle Voxhaus-Gedenktafel:
http://www.voxhaus-gedenktafel.de

Wumpus bei youtube:
https://www.youtube.com/user/MyWumpus

Zuletzt bearbeitet am 01.12.18 18:14

Datei-Anhänge
saba-442wlk-schalt3.jpg saba-442wlk-schalt3.jpg (374x)

Mime-Type: image/jpeg, 303 kB

01.12.18 13:37
Debo 

500 und mehr Punkte

01.12.18 13:37
Debo 

500 und mehr Punkte

Re: Mehrstufen-Bandbreitenreglung beim Saba 442WLK von 1936

Hallo Zusammen,

ich kann noch das miserabel zu lesende aus den SABA Kundendienstheften Reprints beisteuern:



Muss jetzt leider ausser Haus...

Gruss
Debo

Datei-Anhänge
Schema 443WLK aus dem A5 Reprint.jpg Schema 443WLK aus dem A5 Reprint.jpg (431x)

Mime-Type: image/jpeg, 609 kB

01.12.18 13:53
wumpus 

Administrator

01.12.18 13:53
wumpus 

Administrator

Re: Mehrstufen-Bandbreitenreglung beim Saba 442WLK von 1936

Hallo Christian "Airwaves",


kannst Du Angaben über die KW-Bereiche machen?

Grüße von Haus zu Haus
Rainer, DC7BJ (Forumbetreiber)

Welt der alten Radios:
http://www.welt-der-alten-radios.de

Wumpus-Gollum-Forum:
http://www.wumpus-gollum-forum.de/forum

Virtuelle Voxhaus-Gedenktafel:
http://www.voxhaus-gedenktafel.de

Wumpus bei youtube:
https://www.youtube.com/user/MyWumpus

01.12.18 14:17
nobbyrad58 

500 und mehr Punkte

01.12.18 14:17
nobbyrad58 

500 und mehr Punkte

Re: Mehrstufen-Bandbreitenreglung beim Saba 442WLK von 1936

Hallo Rainer, Hallo an Alle!

Das Gerät hat eine HF Vorstufe mit Bandfiltereingang. Das wird die fehlende NF Vorstufe ausgleichen. Laut Datenblatt braucht die AL 4 3,6 V ~ eff zur Vollaussteuerung.
In der Fachliteratur wird eine Bestückung für ein 4 Röhren Super folgende Bestückung empfohlen: ACH 1, AF 3, ABC 1, AL 4. Beim Saba wird eben viel Wert auf einen guten Fernempfang und Ortssenderempfang gelegt, deshalb das aufwendige HF Teil.
Trotzdem wird das Radio auch bestimmten Preis nicht überschreiten, heute würde man das "Einsteigermodell" nennen.
So hat man sich die NF Vorstufe gespart und auch die dann mögliche umfangreiche Klangregelung.

MFG Nobby

01.12.18 14:55
Walterh 

100-249 Punkte

01.12.18 14:55
Walterh 

100-249 Punkte

Re: Mehrstufen-Bandbreitenreglung beim Saba 442WLK von 1936

Hallo

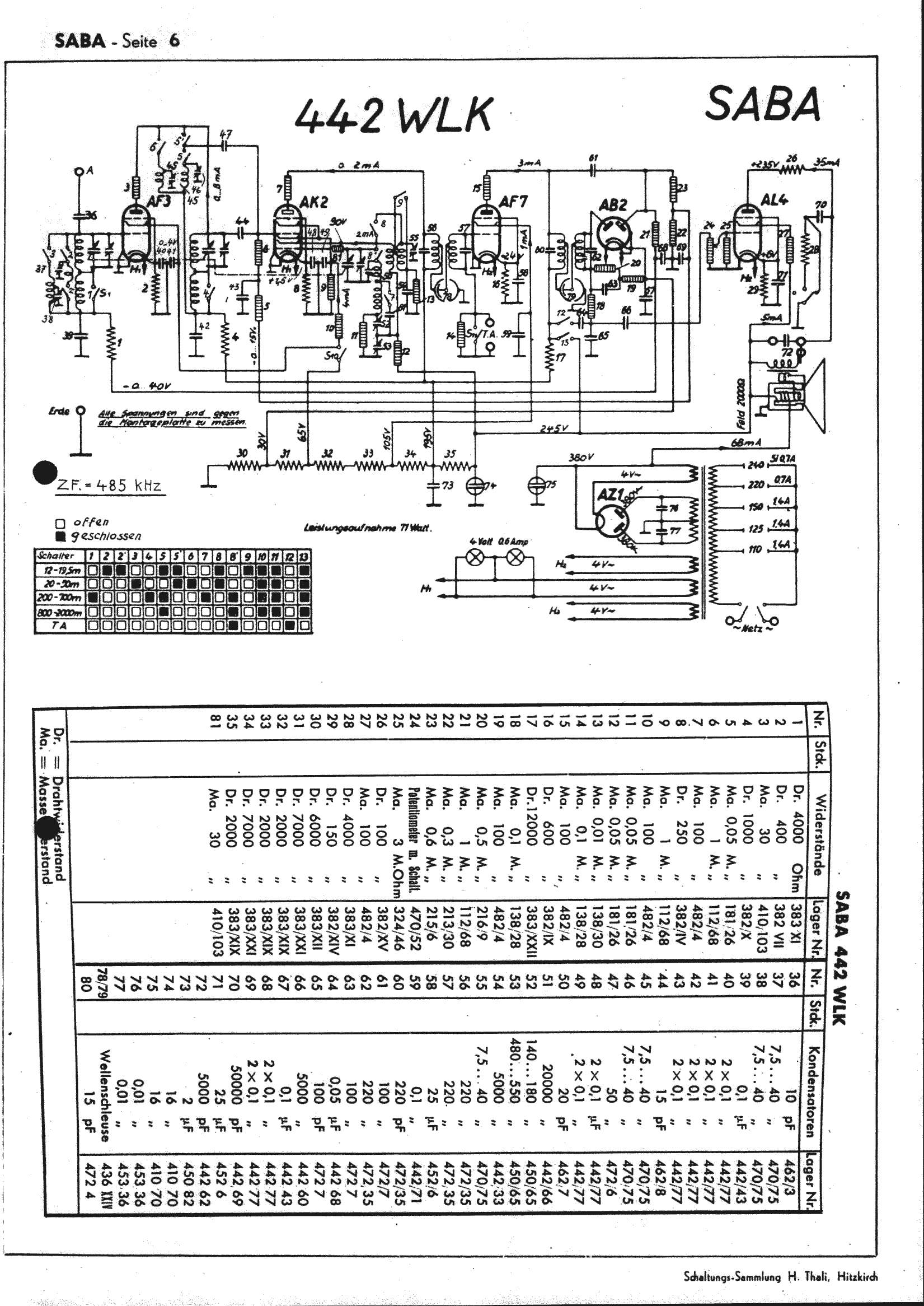
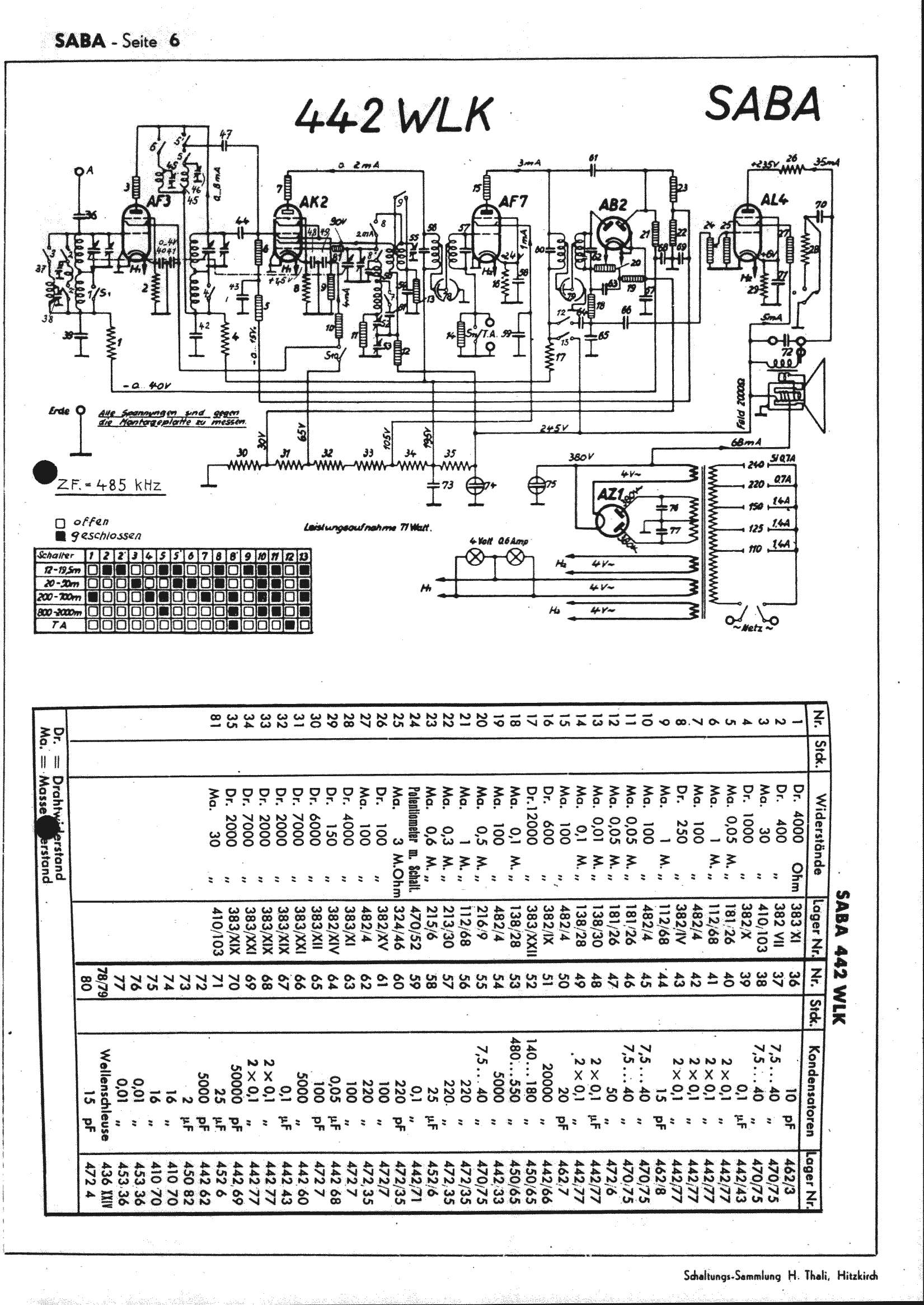
Hier mal das Schaltbild aus dem Thali (ich darf das ..) - auch mit der Stückliste.



Thali hat eigentlich immer auf Originalschaltpläne abgestellt - DeBo bestätigt das auch hier.

Viele Grüsse, Walter

Datei-Anhänge
seite06.jpg seite06.jpg (418x)

Mime-Type: image/jpeg, 459 kB

01.12.18 16:36
wumpus 

Administrator

01.12.18 16:36
wumpus 

Administrator

Re: Mehrstufen-Bandbreitenreglung beim Saba 442WLK von 1936

Hallo zusammen,

danke für die Zusendungen der Schaltbilder, interessant!

Die Endstufe ist ja auch nicht wesentlich gegengekoppelt, sodaß die Röhre ihre volle Leistung bringen kann und die AM wird gesondert gleichgerichtet und muss nicht auch noch die Regelspannung aufbauen und schließlich die HF-Vorstufe. Das scheint gut gereicht zu haben.

Zu den Schaltbildern: Leider ist es wohl so, dass die Lange-Schaltbild viele Fehler haben, habe da schon manchen Fehler gefunden. Das 3-Sparren-Schaltbild passt gut zu dem Thali-Schaltbild.


Grüße von Haus zu Haus
Rainer, DC7BJ (Forumbetreiber)

Welt der alten Radios:
http://www.welt-der-alten-radios.de

Wumpus-Gollum-Forum:
http://www.wumpus-gollum-forum.de/forum

Virtuelle Voxhaus-Gedenktafel:
http://www.voxhaus-gedenktafel.de

Wumpus bei youtube:
https://www.youtube.com/user/MyWumpus

Zuletzt bearbeitet am 01.12.18 18:15

01.12.18 18:01
reinhard 

500 und mehr Punkte

01.12.18 18:01
reinhard 

500 und mehr Punkte

Re: Mehrstufen-Bandbreitenreglung beim Saba 442WLK von 1936

Wie jetzt, 3 Sparen oder 3 Sparren ???
Bin verwirrt....

Reinhard

 1 2
 1 2
Wumpus-Gollum-Forum   Wumpus-Online-Museum   Mehrstufen-Bandbreitenreglung   3-Sparren-Schaltbild   Forumbetreiber   Kurz-Wellenbereiche   Demodulator-Stufe   welt-der-alten-radios   Leitungs-Kreuzungspunkt   MHG-Bandbreitenregelung   Voxhaus-Gedenktafel   Bandbreiten-Regelung   Vorschau-Schaltbild   Bandfilter-Schaltungen   NF-Vorverstärker   Kundendienstheften   Differenzial-Drehkondensatoren   Originalschaltpläne   Bandfiltereingang   youtube