| Passwort vergessen?
Sie sind nicht angemeldet. |  Anmelden

Sprache auswählen:

Wumpus Gollum Forum von
Wumpus Welt der (alten) Radios
Sie sind nicht angemeldet.
 Anmelden

Besonderes Radio: Metz Hawaii von 1950
  •  
 1
 1
17.09.23 14:15
wumpus 

Administrator

17.09.23 14:15
wumpus 

Administrator

Besonderes Radio: Metz Hawaii von 1950

Hallo zusammen,

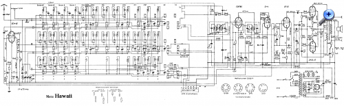
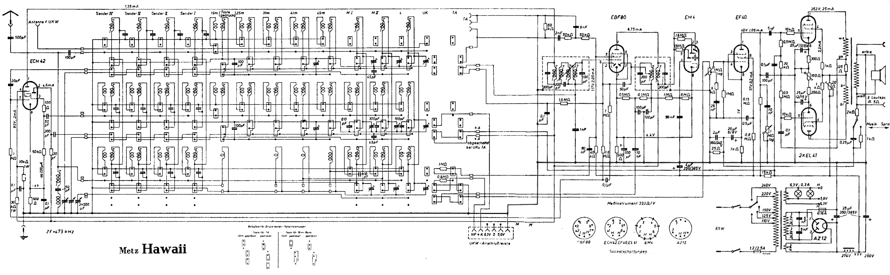
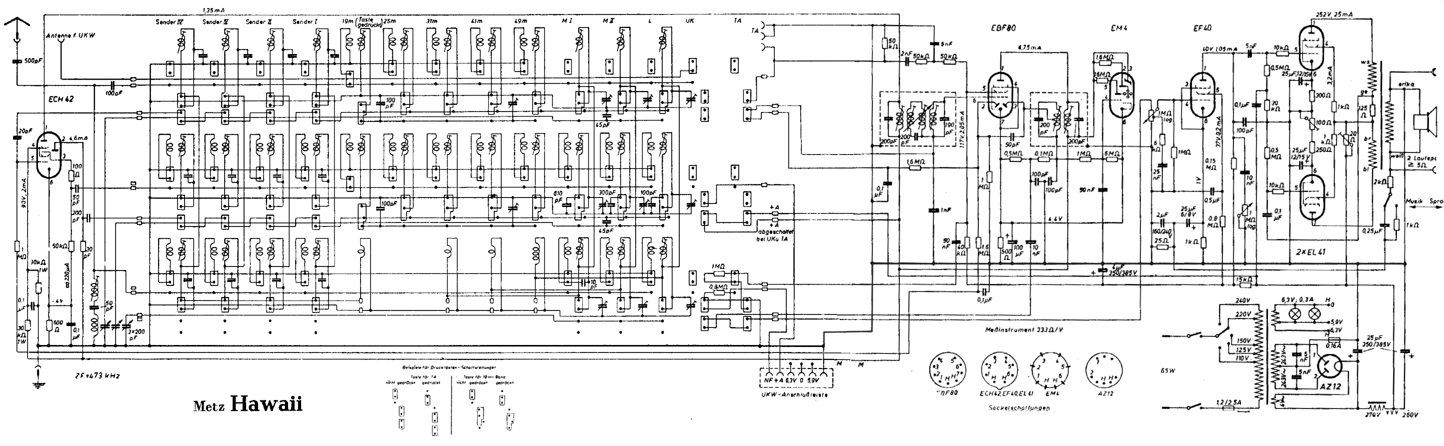
schon beim Blick in das Lange-Schaltbild des Metzt Hawaii Radios von 1950 in zwei Teilen machte mich stutzig. Sieht schon etwas anders aus, zumindest im HF-Teil:

4 Kurzwellen-Bereiche, zwei Mittelwellen-Bereiche, ein Langwellenbereich, einmal UKW (vorbereitet).

Drei Drehkondensatoren, aber keine HF-Vorstufe. Also zwei abstimmbare HF-Kreise und ein abstimmbarer Oszillatorkreis?

Dann 4 Extra Sendertasten (programmierbar? Für welche Bänder?). Regelbare ZF-Bandbreite.

Die Lange-Schaltbildteile habe ich zusammengelegt, damit man alles besser betrachten und zuordnen kann.

Ich empfehle nicht das Schaltbild im Text anzuklicken, sondern das kleine Vorschaubild UNTER dem Text, weil nur das in großer Auflösung mit einer Bildanzeige auf dem Heim-PC, Tablet, Smartphone 1:1 (auch als Ausschnitt) gut ansehbar wird.




Grüße von Haus zu Haus
Rainer, DC7BJ (Forumbetreiber)

Welt der alten Radios:
http://www.welt-der-alten-radios.de

Wumpus-Gollum-Forum:
http://www.wumpus-gollum-forum.de/forum

Virtuelle Voxhaus-Gedenktafel:
http://www.voxhaus-gedenktafel.de

Wumpus bei youtube:
https://www.youtube.com/user/MyWumpus

Datei-Anhänge
metz-hawaii-schalt.jpg metz-hawaii-schalt.jpg (179x)

Mime-Type: image/jpeg, 896 kB

apollo und Oldtimer_OM gefällt der Beitrag.
!
!!! Fotos, Grafiken nur über die Upload-Option des Forums, KEINE FREMD-LINKS auf externe Fotos.    

!!! Keine Komplett-Schaltbilder, keine Fotos, keine Grafiken, auf denen Urheberrechte Anderer (auch WEB-Seiten oder Foren) liegen!
Solche Uploads werden wegen der Rechtslage kommentarlos gelöscht!

Keine Fotos, auf denen Personen erkennbar sind, ohne deren schriftliche Zustimmung.

Den Beitrag-Betreff bei Antworten auf Threads nicht verändern!
17.09.23 23:18
wumpus 

Administrator

17.09.23 23:18
wumpus 

Administrator

Re: Besonderes Radio: Metz Hawaii von 1950

Hallo zusammen,

mich wundert nur etwas: Warum hat Metz bei dem 2 HF-Abstimmkreise-Konzept nicht noch eine HF-Vorstufenröhre spendiert? Das hätte für Fernempfänger noch einen Hauch mehr Reserve gebracht. Aber vielleicht wollte der erwähnte Großkunde das gar nicht haben oder scheute die leicht höheren Produktionskosten.

Grüße von Haus zu Haus
Rainer, DC7BJ (Forumbetreiber)

Welt der alten Radios:
http://www.welt-der-alten-radios.de

Wumpus-Gollum-Forum:
http://www.wumpus-gollum-forum.de/forum

Virtuelle Voxhaus-Gedenktafel:
http://www.voxhaus-gedenktafel.de

Wumpus bei youtube:
https://www.youtube.com/user/MyWumpus

18.09.23 08:02
HB9 

500 und mehr Punkte

18.09.23 08:02
HB9 

500 und mehr Punkte

Re: Besonderes Radio: Metz Hawaii von 1950

Hallo zusammen,

hier wollte man offenbar ein Spitzensuper machen, hat aber fast alles weggespart, was zu einem Spitzensuper gehört:

- keine HF-Vorstufe
- nur eine ZF-Stufe
- 'Pseudo'-Gegentaktendstufe, die erste Endröhre steuert die zweite

Durch die fehlenden Verstärkerstufen, die Eingangs-Bandfilter für LW und MW sowie das vierkreisige ZF-Filter dürfte die Empfindlichkeit ziemlich bescheiden gewesen sein. Die 4 KW-Bänder waren vermutlich stark gespreizt, mindestens lässt die Beschriftung im Schaltplan das vermuten.

Durch das Weglassen der Phasenumkehrstufe werden die Endröhren nicht symmetrisch angesteuert, was den Vorteil der Gegentaktendstufe, nämlich den stark verringerten Klirrfaktor, zunichtemacht. Auch die Brumm-Unterdrückung, die man bei einer symmetrischen Gegentakt-Endstufe gratis hat, fällt hier weg, da für die Brummspannung die beiden Endröhren nicht in Gegentakt arbeiten: Die zweite Endröhre verstärkt das Brummsignal an der Anode der ersten Röhre und dreht dabei die Phase um 180°. Dieses verstärkte Signal wird in die andere, gegenphasige Wicklung des Ausgangstrafos eingespeist, also nochmals um 180° gedreht, und ist somit für den Lautsprecher in Phase mit dem Brummsignal der ersten Endröhre. Der einzige Vorteil dieser Schaltung gegenüber einer Eintaktstufe ist der kleinere Ausgangstrafo, weil es keine Gleichstrom-Vormagnetisierung gibt.

Gruss HB9

18.09.23 08:58
WalterBar 

500 und mehr Punkte

18.09.23 08:58
WalterBar 

500 und mehr Punkte

Re: Besonderes Radio: Metz Hawaii von 1950

HB9:

- keine HF-Vorstufe
- nur eine ZF-Stufe
- 'Pseudo'-Gegentaktendstufe, die erste Endröhre steuert die zweite


... Wahrscheinlich konnte man 1950 noch nicht "aus dem Vollen" schöpfen.
Die Wirtschaftswunderjahre waren noch ein Stück weit entfernt.
Eine gute Aussenantenne wird man auf KW wohl gebraucht haben.

Gruss
Walter

Zuletzt bearbeitet am 18.09.23 09:00

18.09.23 15:03
HB9 

500 und mehr Punkte

18.09.23 15:03
HB9 

500 und mehr Punkte

Re: Besonderes Radio: Metz Hawaii von 1950

Hallo zusammen,

das Eingangs-Bandfilter war duchaus verbreitet bei hochwertigen Geräten, z.B. gewisse Ingelen 'Geographic', Körting Royal Syntektor, Albis 494.
Gegenüber nur einem Eingangskreis wird mit 2 Kreisen die Weitabselektion und damit die Spiegel- und ZF-Unterdrückung massiv verbessert. Ein Bandfilter hat gegenüber zwei Einzelkreisen (einer vor und einer hinter der HF-Vorstufe) bei LW und MW den Vorteil der höheren Bandbreite, so dass einerseits der Gleichlauf vereinfacht wird und andererseits die NF-Bandbreite nicht beschnitten wird. Weiter geht das Bandfilter natürlich auch ohne HF-Vorstufe, gibt aber durch den zusätzlichen Signalverlust eine Verschlechterung des Rauschabstandes (die Hexoden oder Heptoden als Mischer rauschen viel stärker als eine HF-Pentode als Vorstufe).

Auf KW ist die Bandbreite von Einzelkreisen schon so gross, dass man keine Bandfilter machte. Viele Hersteller hatten auf KW trotz Dreifach-Drehko nur einen HF-Vorkreis gemacht. Beim Albis machte man es aufwendig und schaltete den 2. HF-Drehko für KW hinter die Vorstufe, so dass es für KW zwei Einzelkreise und für LW und MW ein Eingangs-Bandfilter gibt. Zum Teil wurde sogar die HF-Vorstufe für KW nicht genutzt, vor allem bei Vorkriegsgeräten.

Gruss HB9

18.09.23 16:24
Debo 

500 und mehr Punkte

18.09.23 16:24
Debo 

500 und mehr Punkte

Re: Besonderes Radio: Metz Hawaii von 1950

Hallo Zusammen,

der 1950/51er Siemens Spitzensuper SH906 ist so ein Topgerät für's Wohnzimmer gewesen?



Gruss
Debo

Datei-Anhänge
Schaltbild Spitzensuper SH906W Siemens.jpg Schaltbild Spitzensuper SH906W Siemens.jpg (159x)

Mime-Type: image/jpeg, 630 kB

18.09.23 16:35
HB9 

500 und mehr Punkte

18.09.23 16:35
HB9 

500 und mehr Punkte

Re: Besonderes Radio: Metz Hawaii von 1950

Hallo zusammen,

hier meine Wohnzimmer-Geräte:

- His Master's Voice 'All World Radio' (ca. 1937): 3 Kurzwellenbereiche, Vorkreis - HF-Vorstufe - 2. Vorkreis - Mischer

- Albis 494 (1949): Für KW Vorkreis - HF-Vorstufe - Zwischenkreis - Mischer

Gruss HB9

20.09.23 09:51
wumpus 

Administrator

20.09.23 09:51
wumpus 

Administrator

Re: Besonderes Radio: Metz Hawaii von 1950

Hallo zusammen,

bei mir steht (zwar nicht im Wohnzimmer, aber im langen Flur) ein Kaiser Kontest. Der hat zwar "nur" zwei abgestimmte HF-Kreise (ohne Oszillator), aber kann auch ganz gut Kurzwelle (3 KW-Bereiche und 5 AFU-Bereiche). Doppelsuper. HF-Vorstufe teil-weise aperiodisch.



https://www.welt-der-alten-radios.de/aus...-detail-63.html




Grüße von Haus zu Haus
Rainer, DC7BJ (Forumbetreiber)

Welt der alten Radios:
http://www.welt-der-alten-radios.de

Wumpus-Gollum-Forum:
http://www.wumpus-gollum-forum.de/forum

Virtuelle Voxhaus-Gedenktafel:
http://www.voxhaus-gedenktafel.de

Wumpus bei youtube:
https://www.youtube.com/user/MyWumpus

 1
 1
HF-Abstimmkreise-Konzept   Gegentakt-Endstufe   Gleichstrom-Vormagnetisierung   Wirtschaftswunderjahre   Lange-Schaltbildteile   Gegentaktendstufe   Eingangs-Bandfilter   Mittelwellen-Bereiche   Verstärkerstufen   Brumm-Unterdrückung   HF-Vorstufenröhre   ZF-Unterdrückung   Voxhaus-Gedenktafel   Kurzwellenbereiche   welt-der-alten-radios   Phasenumkehrstufe   Wohnzimmer-Geräte   Kurzwellen-Bereiche   HF-Vorstufe   Wumpus-Gollum-Forum