| Passwort vergessen?
Sie sind nicht angemeldet. |  Anmelden

Sprache auswählen:

Wumpus Gollum Forum von
Wumpus Welt der (alten) Radios
Sie sind nicht angemeldet.
 Anmelden

Probleme mit Marker bei Heathkit Alignment Generator IG 52
  •  
 1
 1
01.12.12 11:46
Radioretter 

0-49 Punkte

01.12.12 11:46
Radioretter 

0-49 Punkte

Probleme mit Marker bei Heathkit Alignment Generator IG 52

Hallo liebe Röhrenfreunde,
habe vor ein paar Wochen einen Heathkit-Wobbler aus der Bucht erstanden.
Möchte mein radiotechnisches Know How erweitern und auch einen Abgleich des
FM Bereiches meiner ca. 20 Röhrenschätzchen duchführen können, falls dies erforderlich ist.
Habe den Heathkit Alignment Generator IG 52 soweit technisch gesehen gesund geplfegt.
Was mich allerdings noch irritiert ist die Tatsache, daß an der ECC81 ( 12AT7 ) an den
Steuergittern ( Pin 2 u. 7) eine viel zu kleine negative Spannung anliegt ( Istwert etwa -4V ).
Einen Quarz habe ich natürlich gesteckt.
Ein weiteres Problem ist, daß ich keinen Marker einblenden kann.
Alle Röhren habe ich mit meinem RPG geprüft. Die Emission liegt bei ca. 70-80 %.
Leider stoße ich jetzt an meine fachlichen Grenzen.Wenn ihr mir ein paar Tips geben könntet,
wäre ich sehr dankbar.
Mir ist klar, daß mein Vorhaben nicht ganz einfach ist, aber ich bin ein geduldiger Mensch.
Natürlich ist ein Oszi ( 150 MHZ ) und ein Stell/Trenntrafo vorhanden, da der der Wobbler
keine vollständige Netztrennung besitzt.
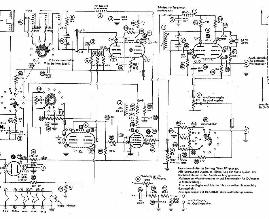
Den Schaltplan habe ich angehängt.


Mit röhrentechnischen Grüßen

Didi



Bitte aus Urheber rechtlichen Gründen keine Komplett-Schaltbilder einstellen. Klaus, Mod.

Noch gefällt der Beitrag keinem Nutzer.
!
!!! Fotos, Grafiken nur über die Upload-Option des Forums, KEINE FREMD-LINKS auf externe Fotos.    

!!! Keine Komplett-Schaltbilder, keine Fotos, keine Grafiken, auf denen Urheberrechte Anderer (auch WEB-Seiten oder Foren) liegen!
Solche Uploads werden wegen der Rechtslage kommentarlos gelöscht!

Keine Fotos, auf denen Personen erkennbar sind, ohne deren schriftliche Zustimmung.

Den Beitrag-Betreff bei Antworten auf Threads nicht verändern!
01.12.12 14:05
Radioretter 

0-49 Punkte

01.12.12 14:05
Radioretter 

0-49 Punkte

Re: Probleme mit Marker bei Heathkit Alignment Generator IG 52

Hallo liebe Röhrenfreunde,
war mir als Neuling noch nicht klar, daß ein Komplettschaltplan nicht erwünscht ist.
Habe daher einen Auschnitt eingescannt.

MFG
Didi

Datei-Anhänge
IG52-Ausschnitt.jpg IG52-Ausschnitt.jpg (683x)

Mime-Type: image/jpeg, 166 kB

 1
 1
eingescannt   Komplett-Schaltbilder   Röhrenschätzchen   fachlichen   Komplettschaltplan   Netztrennung   Generator   röhrentechnischen   Alignment   natürlich   vollständige   erforderlich   Röhrenfreunde   Heathkit-Wobbler   rechtlichen   Steuergittern   einstellen   radiotechnisches   Heathkit   einblenden