| Passwort vergessen?
Sie sind nicht angemeldet. |  Anmelden

Sprache auswählen:

Wumpus Gollum Forum von
Wumpus Welt der (alten) Radios
Sie sind nicht angemeldet.
 Anmelden

Versuchsaufbau zum Entprellen von alten Nummernschaltern
  •  
 1 2 3 4 5 6
 1 2 3 4 5 6
21.12.20 18:55
Volker 

500 und mehr Punkte

21.12.20 18:55
Volker 

500 und mehr Punkte

Re: Versuchsaufbau zum Entprellen von alten Nummernschaltern

Hallo zusammen,

hier der noch nicht getestete Entwurf für das Entprellen eines Nummernschalters:



Die Schaltung reagiert nur auf das Öffnen des nsi // nsr. Öffnet dieser Kontakt, lädt sich C1 auf bis nach ca. 30 ms der Trigger des Monoflops ausgelöst wird und nach ca 60 ms das Monoflop wieder abfällt. Der NE555 als Monoflop triggert ab weniger als 2 Volt. Ein Prellen beim Öffnen schließt C1 kurzzeitig kurz und dann muss sich C1 wieder neu aufladen. Entweder wird das Monoflop getriggert oder nicht. Auf jeden Fall müsste nach 30 ms das Prellen des Kontakts aufgehört haben und das Monoflop triggert. R10 ist durch eine Relaiswicklung zu ersetzen.



Was beim Schließen des Kontakts passiert, ist egal, weil der Kontakt längst geschlossen ist während das Monoflop noch offen ist. Das Monoflop des NE555 ist nicht retriggerbar.

Es ist ja egal, ob der nsi // nsr 30 ms später öffnet oder nicht, da die letzten 2 Impulse unterdrückt werden und somit 60 ms Luft nach hinten ist. Der Teilnehmer wird es nicht merken, wenn durch diese Entprellschaltung die Verbindung 30 ms später aufgebaut wird.

Während das Monoflop noch offen ist, darf sich der nsi // nsr schon wieder schließen, weil es ja etwa 30 ms dauert, bis das Monoflop wieder triggert. Nach der Norm ist der nsi 62 ms offen und 38 ms geschlossen. In der Praxis schwanken diese Werte durch das mechanische Spiel und weil die Wählscheibe nicht mit einer konstanten Geschwindigkeit abläuft. Der Fliekraftregler kann das nicht leisten.

Sollte ich Pech haben, müsste ich den nsa auch noch entprellen, damit er 30 ms später schließt. Mal sehen.

Viele Grüße Volker

"Das Radio hat keine Zukunft." (Lord Kelvin, Mathematiker und Physiker (1824-1907))

Zuletzt bearbeitet am 21.12.20 21:26

Datei-Anhänge
entpreller-ne555.jpg entpreller-ne555.jpg (229x)

Mime-Type: image/jpeg, 72 kB

entpreller-ne555-simulation.jpg entpreller-ne555-simulation.jpg (236x)

Mime-Type: image/jpeg, 78 kB

!
!!! Fotos, Grafiken nur über die Upload-Option des Forums, KEINE FREMD-LINKS auf externe Fotos.    

!!! Keine Komplett-Schaltbilder, keine Fotos, keine Grafiken, auf denen Urheberrechte Anderer (auch WEB-Seiten oder Foren) liegen!
Solche Uploads werden wegen der Rechtslage kommentarlos gelöscht!

Keine Fotos, auf denen Personen erkennbar sind, ohne deren schriftliche Zustimmung.

Den Beitrag-Betreff bei Antworten auf Threads nicht verändern!
21.12.20 20:20
Hajo 

500 und mehr Punkte

21.12.20 20:20
Hajo 

500 und mehr Punkte

Re: Versuchsaufbau zum Entprellen von alten Nummernschaltern

Hallo Volker

In meiner Kiste fand sich eine alte DDR-Wählscheibe, habe mal die Impulse für die 1 aufgenommen.



NSA und NSI sind in Reihe geschaltet, angeschlossen wie in der Sim über 10k auf Plus 10V.
H-L steht also für Schließen und L-H für Öffnen.
Zunächst die Flanke beim Öffnen in zweierlei Y-Auflösung



und beim Schließen



Dramatisches Prellen war nicht festzustellen, insofern kann ich leider nichts zur Erhellung beitragen.
Zwischen Schließen des NSA und Öffnen des NSI lag ein deutlicher Winkelbereich der Scheibe.


Gruß in die Runde
Hajo

Datei-Anhänge
Pulse 1.png Pulse 1.png (234x)

Mime-Type: image/png, 38 kB

Öffnen.png Öffnen.png (244x)

Mime-Type: image/png, 32 kB

Schließen.png Schließen.png (222x)

Mime-Type: image/png, 37 kB

21.12.20 20:41
Volker 

500 und mehr Punkte

21.12.20 20:41
Volker 

500 und mehr Punkte

Re: Versuchsaufbau zum Entprellen von alten Nummernschaltern

Hallo Hajo,

ich habe jede Menge Wählscheibentelefone Ericsson Dialog an FritzBoxen ausprobiert. Sie laufen alle problemlos. Auch das Fe TAp 791-1 der Deutschen Bundespost Baujahr 1985 läuft fehlerfrei. Aber diese alten N38 machen Schwierigkeiten. An das Bakelittelefon Modell 36 hatte ich zur Probe einen Nummernschalter aus einem Ericsson Dialog betrieben. Ging problemlos. Wie bereits beschrieben ist das Verhalten der N38 manchmal sehr eigenwillig. Ich habe ein W49, das einwandfrei wählt und ein anderes, das ebenfalls Probleme macht.

Viele Grüße Volker

"Das Radio hat keine Zukunft." (Lord Kelvin, Mathematiker und Physiker (1824-1907))

21.12.20 20:58
Hajo 

500 und mehr Punkte

21.12.20 20:58
Hajo 

500 und mehr Punkte

Re: Versuchsaufbau zum Entprellen von alten Nummernschaltern

Hallo Volker

Ich denke, mit dem Speicheroszi wirst Du der Sache auf den Grund kommen.
Interessantes Projekt, bin gespannt, wie es ausgeht.

Gruß in die Runde
Hajo

22.12.20 12:56
Volker 

500 und mehr Punkte

22.12.20 12:56
Volker 

500 und mehr Punkte

Re: Versuchsaufbau zum Entprellen von alten Nummernschaltern

Hallo Hajo,

das war eine gute Idee von Dir mit dem Monoflop. Die neue Schaltung funktioniert an einem hoffnungslosen Nummernschalter, der an der ersten Schaltung sich zu 100% bei jeder Ziffer verwählte.



Eine individuelle Feinabstimmung ist allerdings sinnvoll, was durch Verändern von R6 und R8 erfolgen kann. R5 musste ich auf 10 k heraufsetzen, weil der NE555 das so will, damit er nicht unmotiviert schaltet. Kritisch sind alle Nummern, die mit einer "1" beginnen. Offenbar fehlt dem Nummernschalter dann genügend Schwung. Der Härtetest ist meine interne Nummer 1012. Die Mechanik des Nummernschalters ist ausgeleiert, was zu Unpässlichkeiten und merkwürdigen Befindlichkeiten führt. Mit dem Speicheroszi werde ich hoffentlich die Erscheinungen besser ergründen können.


Viele Grüße Volker

"Das Radio hat keine Zukunft." (Lord Kelvin, Mathematiker und Physiker (1824-1907))

Datei-Anhänge
entprellversuchsschaltung-mit-monoflop.jpg entprellversuchsschaltung-mit-monoflop.jpg (232x)

Mime-Type: image/jpeg, 156 kB

22.12.20 17:41
Hajo 

500 und mehr Punkte

22.12.20 17:41
Hajo 

500 und mehr Punkte

Re: Versuchsaufbau zum Entprellen von alten Nummernschaltern

Hallo Volker

Freut mich, daß es etwas gebracht hat.
Was ich aber noch nicht wirklich verstanden habe: Warum muß der Monoflop unbedingt beim Öffnen starten?.
Der Impuls-Plot oben zeigt 4 L/H - und 4 H/L-Flanken, wäre es nicht egal, welche zum Auslösen führt?
Der Transistor am Eingang (mit dem dicken Elko) wäre dann entbehrlich, was den NSI vermutlich freuen würde
Meine RFT-Wählscheibe hat übrigens keinen NSR, hat man den später eingespart?



(V3 wegdenken, R2, R3 müssen natürlich mit V1 verbunden sein - ist nur wegen der Ansicht im Plot))


Gruß in die Runde
Hajo

Zuletzt bearbeitet am 22.12.20 17:43

Datei-Anhänge
Monoflop.png Monoflop.png (226x)

Mime-Type: image/png, 56 kB

22.12.20 19:12
Volker 

500 und mehr Punkte

22.12.20 19:12
Volker 

500 und mehr Punkte

Re: Versuchsaufbau zum Entprellen von alten Nummernschaltern

Hallo Hajo,

in der Ruhelage der Wählscheibe ist sind nsi // nsr geschlossen. Deshalb kann ich es mir derzeit nicht anders vorstellen als das Monoflop durch das Öffnen des nsi // nsr auszulösen.

Moderne Nummernschalter haben keinen nsr mehr, weil die Zwangspause mechanisch gelöst wurde und der nsi deshalb eine Weile geschlossen ist, entweder am Anfang oder am Ende des Wählvorgangs einer Ziffer.

Es geht jetzt ja noch weiter. Jetzt will ich auf das Steckernetzteil verzichten und mir die Spannung aus der Amtsleitung holen. 44 Volt bei max 20mA liefert die Fritzbox.

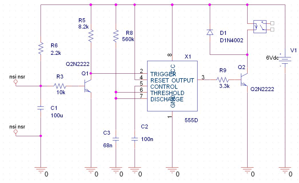
Hier der vorläufig letzte Stand der Schaltung, die mit einem sehr problematischen Nummernschalter getestet wurde:




Viele Grüße Volker

"Das Radio hat keine Zukunft." (Lord Kelvin, Mathematiker und Physiker (1824-1907))

Zuletzt bearbeitet am 22.12.20 19:15

Datei-Anhänge
nsi-nsr-entpreller-mit-n555ver1.jpg nsi-nsr-entpreller-mit-n555ver1.jpg (232x)

Mime-Type: image/jpeg, 69 kB

23.12.20 10:57
Volker 

500 und mehr Punkte

23.12.20 10:57
Volker 

500 und mehr Punkte

Re: Versuchsaufbau zum Entprellen von alten Nummernschaltern

Hallo zusammen,

der R6 in der vorangegangen Schaltung hat jetzt 3,9 kOhm und das Wählen funktioniert fehlerfrei. Den Nummernschalter werde ich noch bei Temperaturen von Kühlschranktemperaturen bis 40 °C (Föhn) testen, um Toleranzen durch mechanisches Spiel erfassen zu können.

Wenn das erledigt ist, geht es daran für die Spannungsversorgung der Schaltung die Amtsleitung zu nutzen. Die FriztBox 7113 liefert beim aufgelegten Hörer 44 Volt zwischen La und Lb, ist der Hörer abgenommen dann nur noch 7,4 Volt bei einem Schleifenstrom von 24 mA.

Der derzeitige Schaltung benötigt 4 mA, wenn das Relais nicht angezogen ist, und 40 mA, wenn das Relais angezogen ist. Das Relais muss weg und wird durch zwei Optokopler ersetzt, für jede Stromrichtung eins.

Die Versorgungsspannung muss leider zwischen La und Lb abgegriffen werden. Das setzt eine Schutzschaltung gegen die hohe Klingelspannung voraus. Irgendwas aus Brückengleichrichter, Z-Dioden, einem dicken Elko und Vorwiderstand wird es sein. Leider brauchen die beiden Optokopler zum Schließen zusammen mindestens 10 mA, so dass die Schaltung bei aufgelegten Hörer 14 mA zieht, was die FritzBox als abgenommenen Hörer interpretieren würde. Also komme ich jetzt nicht weiter. Ich muss mir was ausdenken, dass der Schleifenstrom unterbrochen wird, wenn Strom durch Diode des Optokopplers fließt, Dann kann der Versorgungsspannung hinter dem nsi abgegriffen werden.

Auf jeden Fall will ich das Relais durch Optokoppler ersetzen, damit das Geklapper aufhört. Der Schalttransistor des Optokopplers muss mindestens 70 Volt verkraften, die Auftreten, wenn während des Klingelns der Hörer abgenommen wird. Das waren meine Gedanken dazu. Langweilig wird es mir mit oder oder Lockdown nicht.

Viele Grüße Volker

"Das Radio hat keine Zukunft." (Lord Kelvin, Mathematiker und Physiker (1824-1907))

Zuletzt bearbeitet am 23.12.20 11:56

23.12.20 15:37
Hajo 

500 und mehr Punkte

23.12.20 15:37
Hajo 

500 und mehr Punkte

Re: Versuchsaufbau zum Entprellen von alten Nummernschaltern

Hallo Volker

Danke für die Aufklärung bezüglich nsr
Falls mir kein Denkfehler unterlaufen ist, fungiert der Monoflop hinter dem Transistor lediglich als Umschalter.
Habe den nsi in der Sim mal entsprechend den Zeiten im Impulsplot oben programmiert.
Ein Zählimpuls beträgt demnach etwa 100ms.
Nach 10µs beginnt in der Sim der Kontakt zu öffnen, es folgen 5 Prellimpulse, bis er dann nach 20µs endgültig geöffnet ist.
Die erste H/L Flanke löst den MF aus,



bis er nach etwa 3,8ms wieder zurück fällt.



Mit Transistor und Elko passiert zunächst nicht viel
Erst nach rund 20ms ist der C soweit geladen, daß der Transistor zu öffnen beginnt und damit den MF auslöst.



Der bleibt aber jetzt in dieser Stellung, weil sein Triggereingang auf L liegt.
Erst nachdem der Zählimpuls nach 100ms zu Ende ist, fällt alles wieder zurück.
Das Entprellen wird also durch die Transistorstufe bestimmt und nicht durch den MF.
Wenn das, wie Du schreibst, gut funktioniert, müßte es auch ohne den MF gehen.
Wäre dann eine einfache und trotzdem zuverlässige Lösung.

Merke gerade, daß sich doch ein Denkfehler eingeschlichen hat:
Der Zählimpuls ist nicht 100ms lang, sondern die Periodendauer.
Der Zählimpuls ist deutlich kürzer, was aber nichts am Prinzip ändert.




Gruß in die Runde
Hajo

Zuletzt bearbeitet am 24.12.20 00:21

Datei-Anhänge
Mono1.png Mono1.png (235x)

Mime-Type: image/png, 62 kB

Mono2.png Mono2.png (232x)

Mime-Type: image/png, 65 kB

Mono4.png Mono4.png (237x)

Mime-Type: image/png, 69 kB

23.12.20 20:34
Reflex-Kalle 

500 und mehr Punkte

23.12.20 20:34
Reflex-Kalle 

500 und mehr Punkte

Re: Versuchsaufbau zum Entprellen von alten Nummernschaltern

Die wohl umfassendste Betrachtung zu den 555 ICs findet man dort

pegons-web.de/1elek.html

Gibt sicherlich noch Anregungen zur Vereinfachung der Schaltung (L/H-Triggerung, direkte Relais-Ansteuerung)

Gruß

(Reflex-)Kalle

 1 2 3 4 5 6
 1 2 3 4 5 6
PhysikerÂlastpost_date=1613501378   1824-1907   bearbeitet   Grüße   Entprellen   Nummernschaltern   Nummernschalter   Versuchsaufbau   Mathematiker   Schaltung