| Passwort vergessen?
Sie sind nicht angemeldet. |  Anmelden

Sprache auswählen:

Wumpus Gollum Forum von
Wumpus Welt der (alten) Radios
Sie sind nicht angemeldet.
 Anmelden

Nordmende Super 300-9
  •  
 1 2
 1 2
05.02.10 20:25
Wolfgang2 

500 und mehr Punkte

05.02.10 20:25
Wolfgang2 

500 und mehr Punkte

Nordmende Super 300-9

Hallo
Ich hab mir heut Nachmitteg von einem Bekannten der Haushaltsauflöser ist ein kleines Nordmende mitgebracht. Das Radio lief ab und an bei ihm in der Halle, wobei allerdings nur ein Sender zu bekommen war weil sich nichts mehr einstellen ließ. Der Fehler war schnell mit etwas Fett auf der Führung des Skalenzeigers behoben weil sich da etwas Rost angesetzt hatte. Es lief dann etwa eine halbe bis eine Stunde Problemlos und dann war's bei mir in der Wohnung duster weil der FI ausgelöst hatte. Ich hab dann festgestellt das der Kondensator vom Netzteil sehr heiß war. Nachdem ich erst mal das innere des Radios mit Druckluft von Staub befreit hatte hab ich die Sicherung ersetzt und nochmal eingeschaltet. Der Kondensator vibrierte deutlich und nach etwa einer Minute war die Sicherung wieder durch. Die nächste Sicherung war sofort nach dem Einschalten durch. Sehe ich das jetzt richtig das der Kondensator hin ist?

Beim Radio waren noch zwei Kisten mit Röhren. Acht davon sind Stahlröhren aus US Produktion die ich aber nicht einordnen kann. Eine weitere US Röhre ist eine kleine Glasröhre die laut Aufdruck von Ford stammen müßte falls die mal sowas gebaut haben. Ich hab mal ein paar Bilder angehängt. Vieleicht kann mir ja einer sagen was das für Röhren sind. Dem Aussehen nach sind die alle neu und haben nur in der Kiste gelegen.











Wolfgang

Datei-Anhänge
DSCI0085.JPG DSCI0085.JPG (388x)

Mime-Type: image/jpeg, 343 kB

DSCI0088.JPG DSCI0088.JPG (413x)

Mime-Type: image/jpeg, 324 kB

DSCI0090.JPG DSCI0090.JPG (430x)

Mime-Type: image/jpeg, 342 kB

DSCI0091.JPG DSCI0091.JPG (381x)

Mime-Type: image/jpeg, 338 kB

Noch gefällt der Beitrag keinem Nutzer.
!
!!! Fotos, Grafiken nur über die Upload-Option des Forums, KEINE FREMD-LINKS auf externe Fotos.    

!!! Keine Komplett-Schaltbilder, keine Fotos, keine Grafiken, auf denen Urheberrechte Anderer (auch WEB-Seiten oder Foren) liegen!
Solche Uploads werden wegen der Rechtslage kommentarlos gelöscht!

Keine Fotos, auf denen Personen erkennbar sind, ohne deren schriftliche Zustimmung.

Den Beitrag-Betreff bei Antworten auf Threads nicht verändern!
05.02.10 21:23
puntomane 

500 und mehr Punkte

05.02.10 21:23
puntomane 

500 und mehr Punkte

Re: Nordmende Super 300-9

Hallo Wolfgang

Die von Dir benannten Röhren, gehören keinesfalls zu dem Gerät. Sie sind aus einer älteren Zeitepoche und wurden beim Militär eingesetzt.
Geräte die lange nicht am Netz waren, können sich auf diese Weise Rächen!
Ich vermute das der heiß gewordener Kondensator, ein ELKO ist, diese C;s wollen nach langer Netzpause formiert werden d.h. mit langsam steigender Gleichspannung z.B. aus einem Stelltrafo mit nachgeschalteter Gleichrichtung über einen Zeitraum von mehreren Stunden. (Näheres zur Formierung, hier im Kompendium).
Ein Tausch dieser Elkos und Koppelkondensatoren ist nach der langen Betriebs/Ruhe Zeit unumgänglich.

Gruß
Harry

Zuletzt bearbeitet am 05.02.10 21:34

05.02.10 21:28
roehrenfreak

nicht registriert

05.02.10 21:28
roehrenfreak

nicht registriert

Re: Nordmende Super 300-9

Hallo Wolfgang,

wird ein Elektrolytkondensator heiß ist größte Vorsicht geboten. Die Ursache muß beseitigt werden, da es sonst zu kostspieligen Schäden kommen kann.

Als Ursache kommen in Betracht:
> Der Elektrolytkondensator (kurz: Elko) selbst

und/oder

> Der Selen-Gleichrichter (das schwarze runde Teil neben dem Elko)

Der Gleichrichter läßt sich mit vier Silizium-Dioden des Typs 1N4007 plus einem Vorwiderstand von etwa 100 Ohm/5Watt ersetzen.

Bei den Röhren handlet es sich um die Typen:

> 1619 = VT164 Endpenthode/Schaltröhre
> 12K5 Triode mit Raumladegitter, Anodenspannung nur 12,5Volt!
> 108C1 = OB2 gasgefüllt, Spannungsstabilisatorröhre 106...111Volt

Der Typ auf dem dritten Bild ist leider nicht erkennbar.

Freundliche Grüsse,
Jürgen rf

Noli turbare circulos meos (Störe meine KREISE nicht! - Archimedes)

06.02.10 00:52
Wolfgang2 

500 und mehr Punkte

06.02.10 00:52
Wolfgang2 

500 und mehr Punkte

Re: Nordmende Super 300-9

Hallo
Danke für eure Antworten. Das Radio hat so etwa 10 Stunden im Monat gelaufen aber nur mit WDR2 weil man keine ja Sender mehr einstellen . Es flog aber bei meinem Bekannten von einer Ecke in die ander und versaute immer mehr. Heut konnte ich es nicht mehr mit ansehen und hab es mit genommen. Kofferraum auf, Radio rein und Deckel zu. Radio gerettet.
Wenn ich mich nicht verrechnet hab dann ist es ca. 53 jahre alt. Da darf mal was kaputt gehen. Ich tippe auf den Elko. Die frage ist wo bekomm ich einen neuen her. Gleichrichter kann ich in meiner Firma bekommen. Wir haben da welche die wahren in unseren alten Schweißtrafos. Die sind aus Metall etwa 3 bis 4mm dich und rechteckig. So einen hab ich Serienmäßig in einer von meinen Truhen drinn. Ich muß nur die Werte wissen damit ich fragen kann ob unsewre Elektriker was da haben.

Die Röhren lagen schon lange da im Regal rum. Ich hab sie mitgenommen weil sie so wie es aussieht neu sind. Die US Röhren will ich tauschen oder verkaufen da ich seit längerem einen Braun BSK 238 D hab der noch gemacht werden muß. Da ist mindestens eine Röhre hin. Da klapperts drinn wenn man sie bewegt. Rainer hatte mir mal angeboten die anderen zu prüfen aber wenn sie alle hin sind muß ich ja neue haben.
Die Röhre auf den dritten Bild hat folgende Bezeichnung 12EL6 D7A. Fomoco ist der alte Ersatzteilname von Ford. (Fo)rd (Mo)tor (Co)mpany. Daher geh ich mal davon aus das es sich um eine Röhre aus einem Autoradio handelt. Die Röhren im rechten Karton sind nach dem was ich bei Wüstens gesehen hab 12Volt Röhren. Also warscheinlich auch aus den Automobilbereich. Im linken Karton sind normale Röhren die ich för meine anderen Geräte brauchen kann



Wolfgang

Datei-Anhänge
DSCI0089.JPG DSCI0089.JPG (360x)

Mime-Type: image/jpeg, 311 kB

06.02.10 07:40
Wolle 

500 und mehr Punkte

06.02.10 07:40
Wolle 

500 und mehr Punkte

Re: Nordmende Super 300-9

Hallo Wolfgang.

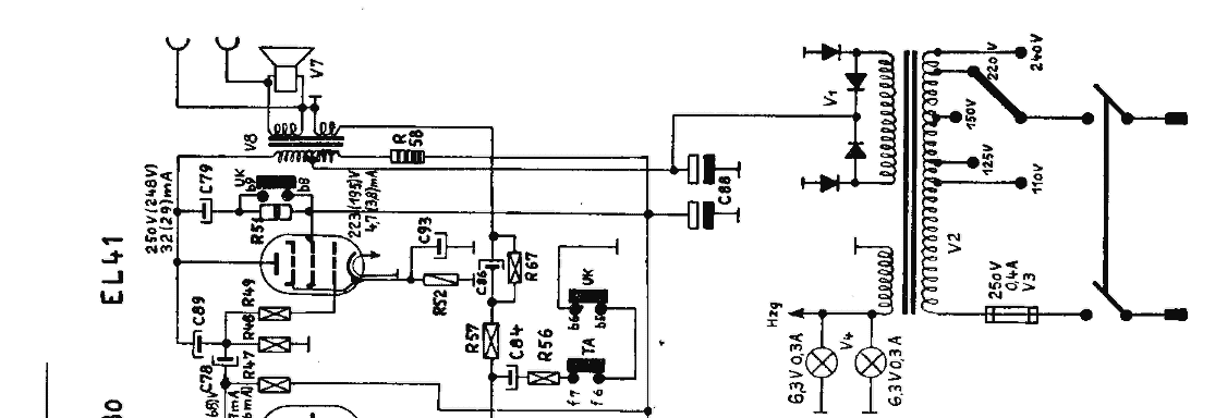
Dein Gerät ist etwa Baujahr 1953. Bevor Du an den Ersatz des Selengleichrichters denkst, messe bitte die Spannung am ersten Elko (Ladeelko). Diese sollte bei etwa 260 Volt liegen. Entsprechend spannungsfest muß auch der Gleichrichter sein. Es bieten sich spannungsfeste Dioden (1N4007) als Ersatz an. Damit bist Du auf der sicheren Seite. Auch beim Ersatz der Elkos ist auf ihre Spannungsfestigkeit zu achten, weil die Anodenspannung höher ist, wenn die Röhren noch nicht aufgeheizt sind.



Mit vielen Grüßen.
Wolle

Datei-Anhänge
3009_netz.png 3009_netz.png (452x)

Mime-Type: image/x-png, 21 kB

06.02.10 09:49
Wolfgang2 

500 und mehr Punkte

06.02.10 09:49
Wolfgang2 

500 und mehr Punkte

Re: Nordmende Super 300-9

Hallo und guten Morgen
Da mein Digicam Akku wieder voll ist hab ich mal ein Bild der Gleichrichter angehängt die unsere Elektriker gebunkert haben. Der auf dem Bild ist in einem kleinen Grundig drinn, hat aber die gleiche Bauform wie die die ich besorgen kann. Die sind teils etwas Leistungsstärker was aber OK sein sollte. Falls ich den Seleengleichrichter tauschen muß passen die mein ich von ihrer Bauform besser in so ein altes Radio.Da das Grundig ausgeschlachtet wird kann ich warscheinlich auch den Elko nehmen der rechts neben dem Gleichrichter ist. Ich muß mir nur eine Metallschelle zum befestigen machen damit der Minus wieder am Gehäuse ist.

Ich hab noch eine Frage zu den US Röhren. Für was oder wo wurden die verwendet? Da ich sie ja tauschen oder verkaufen möchte um mein Braun BSK wieder zu beleben wär's ja geschickt wenn ich weiß was ich da hab.



Wolfgang

Datei-Anhänge
DSCI0093.jpg DSCI0093.jpg (379x)

Mime-Type: image/jpeg, 318 kB

06.02.10 10:14
wumpus 

Administrator

06.02.10 10:14
wumpus 

Administrator

Re: Nordmende Super 300-9

Hallo Wolfgang,
einige Hinweise zu amerikanische Röhren:

http://www.oldradioworld.de/us-roehren.htm

und

http://www.oldradioworld.de/tusa.htm

Die amerikanischen Stahlröhren wurden auch in Radios eingesetzt. Du braucht beim Verkauf nur die Röhrenbezeichnung anzugeben. Der Interessent erkennt daran den Einsatzzweck über Röhren-Tabellen. Z.B. 6V6


Mit freundlichen Grüssen Rainer (Forum-Admin)

Möge uns zumindest die analoge Welle erhalten bleiben.
Ich trauere um DAB.



Zuletzt bearbeitet am 06.02.10 10:40

06.02.10 10:24
Klaus 

500 und mehr Punkte

06.02.10 10:24
Klaus 

500 und mehr Punkte

Re: Nordmende Super 300-9

Zitat:
Ich muß mir nur eine Metallschelle zum befestigen machen damit der Minus wieder am Gehäuse ist.
Hallo Wolfgang,

eventl. klappt die Befestigung einfacher als mit einer Schelle, wenn du - wie vorgesehen - 2 Löcher bohrst und Schrauben verwendest?
Auch dann ist der Chassiskontakt zwecks Kühlung gewährleistet; die eigentliche Masse wird über die Minuslötfahne erstellt.

Viele Grüße
Klaus

06.02.10 10:26
puntomane 

500 und mehr Punkte

06.02.10 10:26
puntomane 

500 und mehr Punkte

Re: Nordmende Super 300-9

Hallo Wolfgang
Der von Dir gezeigte Gleichrichter passt bestens zu Deinem Gerät. Bei den Elkos ist zu Beachten, das wenn Sie mit Schellen befestigt werden, eine Gute Masseverbindung an der gleichen Einbaustelle wie der Alte, haben.
Wie ich schon geschrieben habe, wurden die US-Röhrentypen und die große Glasröhre (Senderröhre) in der Militärfunk Technik der 40er und 50er Jahre eingesetzt. Bei *(I)* *(I)* erfährst Du mehr über diese Röhren.
Fotografiere bitte mal den heiß gewordenen Kondensator. Denke bitte bei der Restauration/Reparatur deines Mende,s an das vorbeugende wechseln aller hohen Betriebsspannung (250V) führenden Koppel und Abblockkondensatoren. Diese Maßnahme dient der Lebenserhaltung der immer wertvoll werdenden Röhren.
Ein weiteres langes Spielbereites Leben des Nord-Mende,s, wird der Lohn sein.
Viel Erfolg
Gruß
Harry

10.02.10 19:40
Wolfgang2 

500 und mehr Punkte

10.02.10 19:40
Wolfgang2 

500 und mehr Punkte

Re: Nordmende Super 300-9

Hallo
Ich hab mich gestern und heute etwas mit dem Nordmende beschäftigt. Nachdem das Chassie aus dem Gehäuse war hab ich noch etwas gefunden das wohl nicht mehr so gut war, die Leitung zum Auge. Sie lag an einer Röhre und sah angekokelt aus. Einen Kondensator mit den Originalwerten hab ich leider nicht bekommen. Der den ich jetzt drinn hab hat nicht zweimal sondern dreimal 50 Mikrofarad. der rest der Werte stimmt Ich hab ihn da nicht zum schrauben etwas Unkonventionell befestigt, aber ich denke mal das es so geht. Die Leitung zum Auge hab ich auch ersetzt und noch alles gereinigt und das Blech hinter der Scalenscheibe neu Lackiert.

Leider hab ich immer noch den gleichen Fehler wie vorher. Die Sicherung ist sofort weg. Wenn ich einschalte geht kurz die Beleuchtung an und das war's dann. Da ich vermutete das sich vieleicht der neue Kondensator erst aufladen muß hab ich Versuchsweise eine etwas stärkere Sicherung eingesetzt. Ich hab dan eingeschaltet, den Drehnopf aber nicht loßgelassen um sofort wieder abschalten zu können. Die Sicherung blieb heil aber nach einem kurzen Moment sah ich das im Bereich der Trafos etwas heiß wurde. Ich hab dann sofort wieder ausgeschaltet und den Netzstecker gezogen um zu suchen wo was warm wird. Leider wurde mein Trafo heiß.
Jetzt die Frage. Kann das vom Gleichrichter sein, und wenn ja wie wird der getauscht? Da steht nicht drann was Plus und Minus ist. Laut Aufdruck ist da Blau Minus und Rot Plus. Wenn ich den Kabeln nach gehe hängt aber an dem Blauen ein Anschluß meiner Skalenbeleuchtung. Die anderen drei sind rot/braun??

Wolfgang

Datei-Anhänge
DSCI0109.jpg DSCI0109.jpg (442x)

Mime-Type: image/jpeg, 335 kB

DSCI0100.jpg DSCI0100.jpg (423x)

Mime-Type: image/jpeg, 333 kB

DSCI0106.jpg DSCI0106.jpg (454x)

Mime-Type: image/jpeg, 347 kB

DSCI0108.jpg DSCI0108.jpg (459x)

Mime-Type: image/jpeg, 331 kB

 1 2
 1 2
Abblockkondensatoren   Selen-Gleichrichter   Selengleichrichters   spannungsführenden   Röhrenbezeichnung   Anodenspannung   Spannungsstabilisatorröhre   Elektrolytkondensator   Sicherung   wumpus-gollum-forum   Skalenbeleuchtung   Wolfgang   Spannungsfestigkeit   Seleengleichrichter   Gleichrichterschaltung   Kondensator   Haushaltsauflöser   Koppelkondensatoren   Gleichrichter   Nordmende