| Passwort vergessen?
Sie sind nicht angemeldet. |  Anmelden

Sprache auswählen:

Wumpus Gollum Forum von
Wumpus Welt der (alten) Radios
Sie sind nicht angemeldet.
 Anmelden

Kathodenbasisverstärker
  •  
 1 2 3
 1 2 3
13.01.20 11:39
Florianska 

500 und mehr Punkte

13.01.20 11:39
Florianska 

500 und mehr Punkte

Kathodenbasisverstärker

Hallo zusammen,
nachdem hier gemeinsam mit Mitgliedern eines anderen Radioforums die Chassisdemontage aus dem seltenen Gehäuse Stradivari 2 nordische Form gelöst wurde, nun eine grundsätzliche Frage zur Schaltungstechnik.
In der fast überall in Röhrenradios angewandten Form der Kathodenbasisschaltung wird der Kathodenwiderstand der Endröhre(n) mit einem Kondensator überbrückt. Was passiert wenn das nicht der Fall ist?

Grüße Florianska

Wolle4tubes gefällt der Beitrag.
!
!!! Fotos, Grafiken nur über die Upload-Option des Forums, KEINE FREMD-LINKS auf externe Fotos.    

!!! Keine Komplett-Schaltbilder, keine Fotos, keine Grafiken, auf denen Urheberrechte Anderer (auch WEB-Seiten oder Foren) liegen!
Solche Uploads werden wegen der Rechtslage kommentarlos gelöscht!

Keine Fotos, auf denen Personen erkennbar sind, ohne deren schriftliche Zustimmung.

Den Beitrag-Betreff bei Antworten auf Threads nicht verändern!
13.01.20 12:04
wumpus 

Administrator

13.01.20 12:04
wumpus 

Administrator

Re: Kathodenbasisverstärker

Hallo Florian,

dann würden die tieferen NF-Frequenzanteile nicht übertragen werden.

So auch hier im bei Wumpus Welt der Radios beschrieben:
https://www.welt-der-alten-radios.de/kom...ren-240.html#92

Grüße von Haus zu Haus
Rainer, DC7BJ (Forumbetreiber)

Welt der alten Radios:
http://www.welt-der-alten-radios.de

Wumpus-Gollum-Forum:
http://www.wumpus-gollum-forum.de/forum

Virtuelle Voxhaus-Gedenktafel:
http://www.voxhaus-gedenktafel.de

Wumpus bei youtube:
https://www.youtube.com/user/MyWumpus

Zuletzt bearbeitet am 13.01.20 12:16

13.01.20 12:15
Florianska 

500 und mehr Punkte

13.01.20 12:15
Florianska 

500 und mehr Punkte

Re: Kathodenbasisverstärker

Hallo Rainer,
sorry wegen des direkten Widerspruchs, das ist in diesem Fall sicher nicht richtig.
Ich habe bisher an einen Druckfehler im Serviceschaltbild gedacht, stimmt aber nicht.
Hier die ganze Story:
Von früher (etwa 1983) hatte ich ein Chassis aus einem Telefunken Imperator, das ist die gleiche Schaltung (320) wie im Othello 1959/60, von der es drei Varianten gibt: 0/632, 1/632 und 2/632, in letzterer ist kein Kathodenwiderstand eingezeichnet. Auf meinem Dachboden habe ich das Chassis wegen mehrfachen Umräumens nicht gefunden, aber als ich im Ruhrgebiet für 2 Bauvorhaben war, ausnahmsweise mit meinem Oldtimer, hat jemand für wenig Geld ein Telefunken Imperator angeboten und aus dem rückwärtigen Foto konnte ich sofort das 2/632 identifizieren, also schnell gekauft und die Truhe aller Technik entledigt als Holz abgegeben....
Heute bin ich wieder in Jüterbog und habe den Schaltplan hervorgeholt und natürlich das Chassis genau untersucht, es gibt tatsächlich keine Kathodenwiderstände, trotzdem fundamentale Bässe!

Welche Schaltungstechnik wurde dann wohl benutzt?

Gruß Florian

13.01.20 12:54
wumpus 

Administrator

13.01.20 12:54
wumpus 

Administrator

Re: Kathodenbasisverstärker

Hallo zusammen,
verstehe nicht so ganz was Du meinst. Ich habe auf Deine Textpassage geantwortet:

In der fast überall in Röhrenradios angewandten Form der Kathodenbasisschaltung wird der Kathodenwiderstand der Endröhre(n) mit einem Kondensator überbrückt. Was passiert wenn das nicht der Fall ist?

Nur darauf habe ich geantwortet und mich auf C85 bezogen, nicht auf die Schaltung eines speziellen Radios mit exakter Typenbezeichnung.



Wie dem auch sei, es ging doch nicht um den Kathodenwiderstand an sich, der stellt nur die Gittervorspannung der Endröhre ein. Es ging doch in Deiner Frage um den Kathoden-Elko, wenn er fehlen würde, der wechselstrom-mäßig diesen überbrückt, damit der NF-Strom nicht reduziert wird?

Es gibt natürlich auch NF-Endstufen ohne Kathodenwiderstand, dort wird die Gittervorspannung anders erzeugt. Und natürlich können auch diese Stufen Bässe gut übertragen.

Gibt es aber einen Kathodenwiderstand, wird dieser zumeist mit einem Elko überbrückt.

Irgendwie glaube ich, wir sprechen von unterschiedlichen Themen Das Wort "Kathodenbasis" könnte der Grund sein?

Grüße von Haus zu Haus
Rainer, DC7BJ (Forumbetreiber)

Welt der alten Radios:
http://www.welt-der-alten-radios.de

Wumpus-Gollum-Forum:
http://www.wumpus-gollum-forum.de/forum

Virtuelle Voxhaus-Gedenktafel:
http://www.voxhaus-gedenktafel.de

Wumpus bei youtube:
https://www.youtube.com/user/MyWumpus

Zuletzt bearbeitet am 13.01.20 13:33

13.01.20 13:44
Florianska 

500 und mehr Punkte

13.01.20 13:44
Florianska 

500 und mehr Punkte

Re: Kathodenbasisverstärker

Gut, stimmt natürlich, meine Frage war allgemeiner Art, wie in diesem Forumsteil ja angedacht.
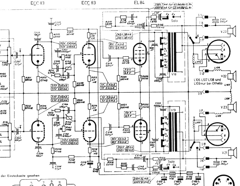
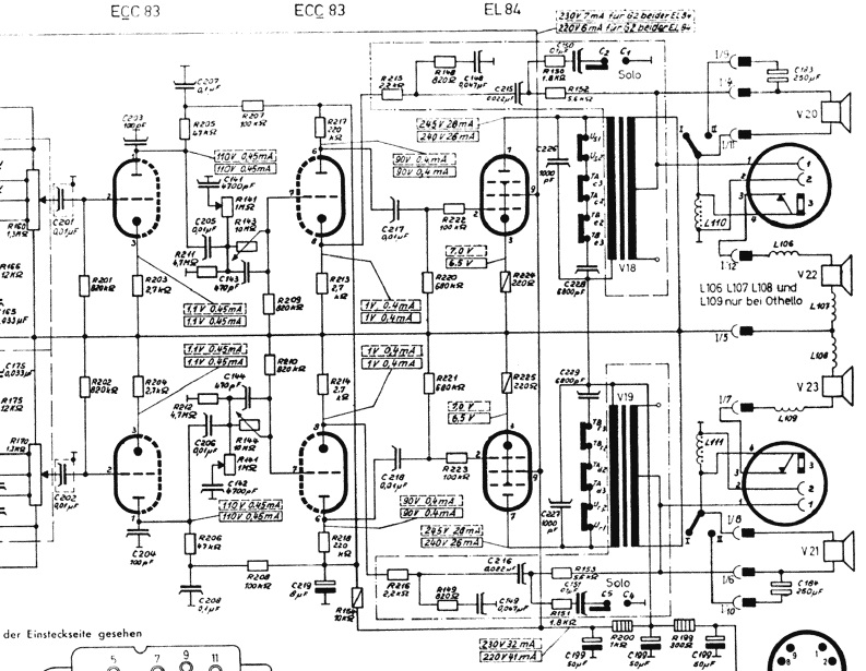
Im übrigen stimmt die Schaltung des 2/632 mit dem von dir gesandten Schaltbild überein. Ankoppelkondensator, Spannungsteiler > Steuergitter.
EL84 an der Kathode jedoch nur ein Widerstand von 220 Ohm unüberbrückt.

Ist das dann eine andere Grundschaltung oder soll ich auf einen anderen Teil der Beschaltung der Endröhre achten.
Ich möchte verstehen, wie das ohne Kathodenkondensator gemacht wird.

Gruß Florianska

P.S. 2/632 ist von Nordmende, nicht Telefunken.

13.01.20 13:54
WalterBar 

500 und mehr Punkte

13.01.20 13:54
WalterBar 

500 und mehr Punkte

Re: Kathodenbasisverstärker

Hallo zusammen,

wenn die Endstufe von ihrer Dimensionierung her grosse Reserven besitzt, kann der Kondensator über dem Kathodenwiderstand entfallen. Die Stromgegenkopplung wirkt sich dann eben auch auf alle Audiofrequenzen mit aus, und einen ausgeprägten Frequenzgang kann ich nicht erkennen. Normalerweise verschenkt diesen Leistungsverlust aber kein Entwickler. Der Kathodenwiderstand sollte dann aber auch keine Blindanteile haben, weder kapazitiv noch induktiv.

Ja, natürlich bleibt es eine Kathodenbasisschaltung.

Diese Variante scheint es nur im "high-end"-Bereich zu geben in Verbindung mit Lautsprechern, die einen hohen Wirkungsgrad haben.

Gruss
Walter

Nachtrag: Ich kann mit einem besseren Schaltungsauszug dienen:



Zuletzt bearbeitet am 16.01.20 08:28

Datei-Anhänge
Teilausschnitt_632_2.jpg Teilausschnitt_632_2.jpg (426x)

Mime-Type: image/jpeg, 204 kB

13.01.20 14:21
Florianska 

500 und mehr Punkte

13.01.20 14:21
Florianska 

500 und mehr Punkte

Re: Kathodenbasisverstärker

Richtig Walter und da ich Wissenschaftler bin, möchte ich gerne verstehen, warum das hier anders gemacht wurde.
Welche Prämisse stand dabei im Vordergrund.
Leider kann ich das mir vorliegende Schaltbild nur mit einer Lupe genau auswerten, es hierher zu kopieren wäre wohl nicht möglich.

Mit Printscreen habe ich jetzt einen Ausschnitt erfasst, vielleicht lässt sich dann das Entwicklungsziel ohne Kathodenkondensator erkennen.

Gruß Florian

Datei-Anhänge
Nordmende 2_632.doc Nordmende 2_632.doc (411x)

Mime-Type: application/msword, 477 kB

13.01.20 16:33
wumpus 

Administrator

13.01.20 16:33
wumpus 

Administrator

Re: Kathodenbasisverstärker

Hallo Florian,

auch von mir eine Antwort:

Dieser Kathoden-Elko ist sozusagen Standard, was nicht bedeutet, dass das immer so sein muss. Kommt auf die Schaltungsauslegung (insbesondere der Gegenkopplung) und die verwendeten Röhren / NF-Trafos, usw an. Die meisten NF-Stufen nutzten eine Gegenkopplung, um den Klirrfaktor zu reduzieren und dabei gleichzeitig (oft) auch das Klangbild zu beeinflußen. Dabei gab es sogar Gegenkopplungen, die für bestimmte Frequenzen eher eine Rückkopplung waren. So kamen solche oder ähnliche Schaltungen auch ohne den Kathodenelko aus.

Einige Firmen nutzten da recht komplexe Systeme, wo Höhen / Tiefen -Regelungen mit oder ohne Gegenkopplungszweig arbeiteten.

Mit ein Grund für die damals teilweise abenteuerlichen Klangregelnetzwerke in Radios waren Patentnotwendigkeit. Große Firmen hatten Patentrechtsabteilungen, um Patentkonlikte zu verhindern, was aber trotzdem nicht immer gelang.

Das Thema Klangregelung, Gegenkopplung, usw wird auch hier angesprochen:

https://www.welt-der-alten-radios.de/h--...gelung-505.html


Grüße von Haus zu Haus
Rainer, DC7BJ (Forumbetreiber)

Welt der alten Radios:
http://www.welt-der-alten-radios.de

Wumpus-Gollum-Forum:
http://www.wumpus-gollum-forum.de/forum

Virtuelle Voxhaus-Gedenktafel:
http://www.voxhaus-gedenktafel.de

Wumpus bei youtube:
https://www.youtube.com/user/MyWumpus

Zuletzt bearbeitet am 13.01.20 16:49

13.01.20 17:40
Reflex-Kalle 

500 und mehr Punkte

13.01.20 17:40
Reflex-Kalle 

500 und mehr Punkte

Re: Kathodenbasisverstärker

WalterBar:
Hallo zusammen,

wenn die Endstufe von ihrer Dimensionierung her grosse Reserven besitzt, kann der Kathodenwiderstand entfallen. Die Stromgegenkopplung wirkt sich dann eben auch auf alle Audiofrequenzen mit aus, und einen ausgeprägten Frequenzgang kann ich nicht erkennen. Normalerweise verschenkt diesen Leistungsverlust aber kein Entwickler. Der Kathodenwiderstand sollte dann aber auch keine Blindanteile haben, weder kapazitiv noch induktiv.
...

Hi Walter,

meinst du jetzt wirklich den Kathodenwiderstand, der entfallen kann (kann er ja auch, wenn man die Gittervorspannung anders erzeugt), oder den Kathodenkondensator, der den Kathodenwiderstand zur automatischen Gittervorspannungserzeugung überbrückt?

Mit Kathodenwiderstand und nicht mit einem Kondensator überbrückt ist dann der Rest zutreffend. Üblicherweise dimensioniert man den Kathodenkondensator so, dass die untere Grenzfrequenz der RC-Kombination tiefer liegt als die untere zu verstärkende Frequenz. Dann hat der Kathodenkondensator keine Auswirkungen auf den Frequenzgang oder besser fast keine. Kathodenwiderstand ohne Kathodenkondensator verwendet man hauptsächlich, um eben die immer etwas gekrümmten Röhrenkennlinien durch die entstehende Gegenkopplung zu begradigen. Dies dann zu Ungunsten der notwendigen Ansteuerspannung, die dann höher sein muss und auch darf.

Gruß

(Reflex-)Kalle

Zuletzt bearbeitet am 13.01.20 17:41

13.01.20 18:15
Florianska 

500 und mehr Punkte

13.01.20 18:15
Florianska 

500 und mehr Punkte

Re: Kathodenbasisverstärker

Ok, besten Dank. Im Beitrag von Reflex-Kalle steht wohl das Entscheidende, hier ging es um Qualität, das heißt die Röhrenkennlinie durch frequenzunabhängige Gegenkoppelung zu begradigen.

Gruß Florian

 1 2 3
 1 2 3
„Kathodenwiderstand“   38kHz-Parallelschwingkreis   Wechselspannungsverstärkung   Gegenkopplungshilfswicklungen   welt-der-alten-radios   Gittervorspannungserzeugung   Gittervorspannung   Kathodenbasisverstärker   Gegentakt-B-Verstärkern   Endpentoden-Verbundröhrenschaltungen   Über-alles-Gegenkopplung   Voxhaus-Gedenktafel   Gegenkopplung   Anodenspannungsversorgung   Hifi-Röhrenverstärkern   Wumpus-Gollum-Forum   NF-Verstärkungsreserven   Kathodenwiderstand   SEPP-Endstufenverstärker   Kathodenkondensator