| Passwort vergessen?
Sie sind nicht angemeldet. |  Anmelden

Sprache auswählen:

Wumpus Gollum Forum von
Wumpus Welt der (alten) Radios
Sie sind nicht angemeldet.
 Anmelden

Radiobaukasten
  •  
 1 .. 4 5 6 7 8 .. 11
 1 .. 4 5 6 7 8 .. 11
17.05.13 15:21
Ronn 

500 und mehr Punkte

17.05.13 15:21
Ronn 

500 und mehr Punkte

Re: Radiobaukasten

Hallo Joe,

Fotos werde ich noch machen wenn ich eine neue Kamera habe, meine alte hat den Rückflug nicht überlebt. Im Moment habe ich nur eine Kamera im Telefon, mit sehr bescheidener Qualität. Für den Baukasten muss ich ja sowieso noch ein paar Experimentieranleitungen verfassen, sonst nützt die Sache ja nichts. Im übrigen haben ich heute mal diverse Audion/Pendler(Kainka-Elektor, CO2KK, ...) versucht umzusetzen, teilweise mit Erfolg. Habe den Baukasten mit 2x BF494 ergänzt, wie ich das mit den Spulen mache weiss ich noch nicht. Im Moment geht es ganz gut, wenn diese direkt am Steckschuh hängen, ist aber sehr fragil. Die NF lasse ich extern in meinem kleinen Laborlautsprecher verstärken, die Baukasten-hörmuschel ist auf Dauer ein Krampf!



Habe auch eine Tonaufnahme eines Banddurchlaufs gemacht, weiss aber nicht ob ich diese hier so einfach hochladen kann. Möchte nicht den Hausfrieden oder Urheberrechte verletzen.

Gruss Ronn

Zuletzt bearbeitet am 17.05.13 16:46

Datei-Anhänge
UKW_Pendler_Polytronic.jpg UKW_Pendler_Polytronic.jpg (559x)

Mime-Type: image/jpeg, 164 kB

!
!!! Fotos, Grafiken nur über die Upload-Option des Forums, KEINE FREMD-LINKS auf externe Fotos.    

!!! Keine Komplett-Schaltbilder, keine Fotos, keine Grafiken, auf denen Urheberrechte Anderer (auch WEB-Seiten oder Foren) liegen!
Solche Uploads werden wegen der Rechtslage kommentarlos gelöscht!

Keine Fotos, auf denen Personen erkennbar sind, ohne deren schriftliche Zustimmung.

Den Beitrag-Betreff bei Antworten auf Threads nicht verändern!
17.05.13 18:33
joeberesf 

500 und mehr Punkte

17.05.13 18:33
joeberesf 

500 und mehr Punkte

Re: Radiobaukasten

Hallo Ronn, hallo Jan, hallo zusammen,

für mich reicht die Bildqualität zur Dokumentation des groben Aufbaus völlig aus. Ich finde es immer wieder
spannend solche Experimente anzusehen. Klar Details fehlen hier noch und man wird noch nicht ganz schlau
daraus. Der Schwingkreis mit Transistor / Diode usw.. muss unbedingt kurz verlötet werden. Es muss halt
ein kleines UKW- Modul werden. Bei den Profis war das auch nicht anders. KOSMOS, Franzis, usw. haben auch ein
fertiges UKW- Empfangsmodul in ihre Kästen eingebracht. Ein Selbstbau über Klemmen, Federn..
ist da nicht anzuraten. Diese Module arbeiten natürlich alle mit einer ZF und sind IC- bestückt.
Eine einfache Drahtantenne 70cm reicht dann schon aus.
Der AM- Anteil wurde häufig auch mit einem TA7642 mit Ferritantenne realisiert.

Nochmal zur Diode des Flankendetektoraufbaus:

Du musst unbedingt die BAT15 nehmen. Diese SMD- Dioden sind natürlich sehr fippsig, aber zwei
feine Drähte ran und auch empirisch versuchen, eine optimale Anzapfung an der Schwingkreisspule zu finden.....
Oder Du versuchst eine Auskopplungswindung..... Die Einkopplung des Antennensignals ist auch nicht ohne.
Hier musst Du mit dem Abstand der Kreise experimentieren.

Das Du mit Deinem kleinen Verstärker schon Lautsprecherempfang hast, macht mich natürlich total fertig.

Achso....mit dem Pendler oder etwa auch mit dem Flankendetektor?
Dann musst Du eine ausgezeichnete Feldstärke haben.

Ich musste ja einen riesen Aufwand treiben, um echten Lautsprecherempfang mit dem Tischdipol zu
bekommen. 4 Sender sind nun lautstark im Lautsprecher zu hören. Antenne 1m über Grund, 15,5km 1x25KW / 3x80KW.
Der Rest ist auch an der Hörschwelle...aber noch verständlich. Ich habe mal meinen Sound- Powered- Kopfhörer
mit genau 1,2k Impedanz als Vergleich eingestöpselt. Ich konnte die Signale kaum wahrnehmen.

Zu den Urheberrechten:
Sprache ist wohl kein Problem und bei Musik solltest Du 5s nicht überschreiten. R.W. hat mir diesen Tipp `für YT
gegeben und ich hatte damit bis jetzt auch keine Probleme. Wumpus wird damit dicke zufrieden sein...glaub` ich.

Ja...dann viel Spaß bei Deinen UKW- Baukastenexperimenten und berichte weiter!

Gruß

joe

Zuletzt bearbeitet am 17.05.13 19:15

17.05.13 20:03
Ronn 

500 und mehr Punkte

17.05.13 20:03
Ronn 

500 und mehr Punkte

Re: Radiobaukasten

Hallo Joe,

ich hatte vor Jahr-zehnten mal einen UKW-Super diskret aufgebaut, das ist mit so einem Baukasten definitiv nicht umsetzbar und selbst wenn, dann dürfte das auch den engagiertesten Einsteiger überfordern. War ja selbst oft genug frustriert. Der Kasten soll ja kein reiner Radiokasten werden .... Röhrenadapter sollen ja auch noch rein.

Einen halbwegs "freifliegender" Aufbau wäre nach eigenen Erfahrungen noch mit einem fertigen UKW-Tuner, ZF-Modul mit IC (z.Bsp. TDA 4100), anschließend den NF-Teil wie gehabt diskret möglich ... ganz nach dem Prinzip des Kosmos Radiotech, aber genau dieses Blackbox-Prinzip sagt mir igendwie nicht zu. Dann kann ich auch gleich einen TDA7088 o.ä. nehmen, 2 Taster scan/reset etc. etc.
Nöööö, da lernt man nix bei....

Was die 15-03 angeht, einfach einen Bauteilträger aus Basismaterial anfertigen, die Cu-Seite mittig auftrennen und Diode oder ähnliches Kleinvieh auflöten, an beiden Seiten noch eine Aderendhülse und fertig. Polytronic ist da wirklich "hobbyfreundlich", bei meinen Pikotronkästen werde ich da wohl mehr Handwerk investieren müssen .... ... vielleicht irgendwoher noch Leerwürfel bekommen? Hmmm, mal sehen. Ich sehe schon ... mein Ruhestand wird immer mehr zum Unruhezustand.

Vielleicht sollte man noch so einen kleinen Holz-Lallus anfertigen.... weiß gar nicht mehr was ich da für NF-Pumpen und Trafos zur flexiblen Anpassung reingepackt habe .... Jedenfalls hat er mir bei solchen empirischen Versuchen am Detektor immer genügend NF geliefert. Ach was solls, geht er mit ins Paket, muss mein Bastelkeller sowieso leer bekommen ... das Alter und vorallem die Gesundheit. ... Und die großen Funktechnik muss auch noch auf den Flohmarkt . An Messtechnik kommen einfach pro Kasten ein Einsteigerfluke (ziemlich alt 27er) rein, fertig ists. Alles muss weg ... ich ja mittelfristig auch.

Beste Grüße

73 + 55
Ronn

Zuletzt bearbeitet am 17.05.13 20:13

17.05.13 20:37
regency 

500 und mehr Punkte

17.05.13 20:37
regency 

500 und mehr Punkte

Re: Radiobaukasten

Hallo Ronn, hallo Joe,

die ich rief die Geister...So oder so ähnlich ist mir das auch gegangen, als es dann um die Erweiterungen ging.

Ronn:
Nöööö, da lernt man nix bei....
Da stimme ich dir zu. Beim Aufschreiben der Versuche wirds ganz schön schwierig, nicht zu kompliziert und verständlich zu bleiben. Eine gute Anleitung/Bastelbuch ist Gold wert.

Zu dem Flankendetektor eine Frage: Antenne und Diode sind wie angekoppelt, wie sieht das Siebglied aus? Empfängst du die Sender doppelt? Ist schon klasse, dass das überhaupt geht. Ich kann mir das nur so vorstellen, dass auch unterhalb der Durchlassspannung die Kennlinie gekrümmt ist, die Diode also im hochohmigen Bereich bleibt.

Die Ge-Dioden im Kasten sind GA 100, Universal Spitzendioden. Die zu hohe Eigenkapazität könnte das Problem sein.

Schöne Grüße,
Jan

17.05.13 23:54
joeberesf 

500 und mehr Punkte

17.05.13 23:54
joeberesf 

500 und mehr Punkte

Re: Radiobaukasten

Hallo Jan,

regency:
Ich kann mir das nur so vorstellen, dass auch unterhalb der Durchlassspannung die Kennlinie gekrümmt ist, die Diode also im hochohmigen Bereich bleibt.
Die Ge-Dioden im Kasten sind GA 100, Universal Spitzendioden. Die zu hohe Eigenkapazität könnte das Problem sein.

der Resonanzwiderstand eines normalen Schwingkreises ist etwa in Kiloohm so groß wie die Wellenlänge in Metern!

Für die Ansprechschwelle ist sicherlich die Schwellspannung der Diode ein Anhaltspunkt.
Aber mit der klassischen Diodenmessung mit 1mA (Multimeter), zeigt
dies nur eine Tendenz auf. Danach ist die BAT15 niederohmiger als andere Dioden. Ähnlich der HSMS- 2850.
Beim Detektor bewegen wir uns aber weit unterhalb des Diodenknickes, eher im Bereich des Diodenkennliniennullpunkts...und
hier wird es nach B. Bosch sehr spannend. Man muss nun dafür sorgen, dass der dynamische Diodenwiderstand im Kennliniennullpunkt
dem Resonanzwiderstand des Schwingkreises entspricht. D.h aber auch, dass nicht jede Diode für jede Frequenz geeignet ist. Das Entscheidene um den Diodenwiderstand zu bestimmen ist der Sperrsättigungsstrom Is.
Desweiteren der Idealitätsfaktor n (Si = 1.05, Ge = 1.15) und die Beziehung Id = Is x (e^Ud / n x 26mV-1). Die Beziehung gilt bei Raumtemperatur.(ideale Diode)

Sieh auch hier zu Wiki... http: //de.wikipedia.org/wiki/Diode

Der Sperrsättigungsstrom Is ist häufig in den Datenblättern angegeben. Oftmals als Spice-Parameter.

Generell gilt dann für den Diodenwiderstand im Koordinatennullpunkt für Ud = 0 (partielle Steilheit im Arbeitspunkt)

Rdo = n x 26mV / Is

Bei 100nA aus einem Datenblatt ergibt sich dann :

Rdo = 1.05 x 26mV / 100nA = 273kOhm

Dies wäre eine optimale Diode für einen Schwingkreis mit ungefähr diesem Resonanzwiderstand. Also für die obere MW.
Wenn der Rdo zu weit obererhalb des Resonanzwiderstandes liegt, werden
Dioden parallel geschaltet. Dann addiert sich der jeweilige Sperrsättigungstrom Is. und man treibt ihn so weit hoch,
bis es passt. Z.B. die 5082-2835 mit nur 22nA wäre so ein Fall. Für ein Rdo von 570k müssen 4 parallel geschaltet werden.
Die HSMS- 2850 schlägt bei 3uA mit nur 9,1k zu Buche und passt damit ganz prima zum 3m Band. Eine Fehlanpassung
bis 4:1 ist unkritisch, solange diese an nur einer Stelle im System besteht. Ansonsten addiert sich dieses Problem und
schlägt sich gerade beim reinen unverstärkten Detektorempfang nieder.

Bei Germaniumdioden besteht eine viel flachere Kennlinie, da der Idealitätsfaktor n (1.15) größer ist. (partielle Steilheit im Arbeitspunkt)
Desweiteren baut sich mit zunehmender Sperrspannung ein höherer Leckstrom auf, was sich wie ein zusätzlicher Parallelwiderstand auswirkt.
Also Schottky (Si) Dioden sind aus meiner Sicht viel besser geeignet,..

Man kann niederohmige Dioden auch an hohe Resonanzwiderstände anpassen, indem man eine passende Anzapfung
an der Schwingkreisspule findet. Da Anzapfungen für einen Detektor Gift sind, sollte man natürlich besser eine
passende Diode finden. Kapazitive Eigenschaften, gerade bei hohen Frequenzen, kommen natürlich auch noch
zum Tragen....gerade bei UKW.

Gruß

Joe

Zuletzt bearbeitet am 18.05.13 01:31

18.05.13 12:31
ThomasW

nicht registriert

18.05.13 12:31
ThomasW

nicht registriert

Re: Radiobaukasten

Guten Tag,

mein Sohn und Ich, wir haben den Polytronic Versuch B13 Audion mit NF-Verstärkung um eine weitere Transistorstufe ergänzt.



Der Empfang ist mit dem Ohrhörer und einem Lautsprecher gut möglich. Warum geht das nur mit zusätzlichen Bauteilen? Sind die
Verstärkertransistoren vom Polytronic zu schwach?

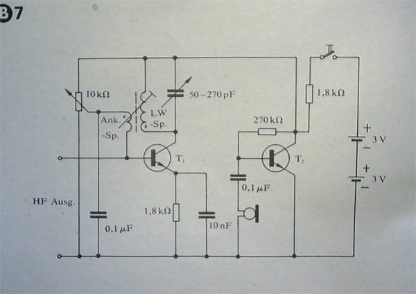
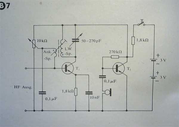
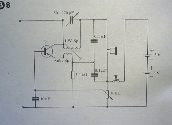
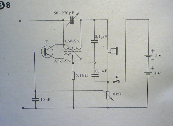
Wir haben auch den Versuch B8, einen Langwellensender aufgebaut. Im Radio ist aber auf dem ganzen LW-Bereich nichts zu hören. Wie müssen wir
die Antenne anschließen und wo? Laut Baukasten soll das Radio direkt mit dem HF Generator verbunden werden. Wie?

Die Schaltung sieht so aus:



Vielen Dank
Thomas

Datei-Anhänge
Verstärker.jpg Verstärker.jpg (477x)

Mime-Type: image/jpeg, 121 kB

Sender1.jpg Sender1.jpg (570x)

Mime-Type: image/jpeg, 80 kB

18.05.13 12:50
ingodergute 

Moderator

18.05.13 12:50
ingodergute 

Moderator

Re: Radiobaukasten

Hallo Thomas,

die Antenne kommt vielleicht am besten über einen Kndensator in Reihe (einige zehn bis einige hundert Picofarad) an den Kollektor des Trasistors. Wenn Du nichts hörst, kann das auch daran liegen, dass die Spulen falsch gepolt sind. Probier mal eine der beiden Spulen (am Emitter oder am Kollektor) umzupolen, um zu hören, ob der Sender dann sendet.

Viele Grüße

Ingo.

18.05.13 15:46
ThomasW

nicht registriert

18.05.13 15:46
ThomasW

nicht registriert

Re: Radiobaukasten

Vielen Dank,

leider funktioniert die Schaltung nicht. Wir haben jetzt den Senderversuch B7 gemacht, dieser funktioniert und der Sender hat eine Reichweite von einem Meter.



Die Modulation ist aber sehr leise. Würde eine weitere Transistorstufe die Modulation verbessern?
Das Signal ist auf der Mittelwelle mit MW-Spule stärker als auf der Langwelle. Wenn man die Windungszahl
verkleinert ist dann auch die Kurzwelle erreichbar?

Die Spulen haben nach der Anleitung folgende Werte.

MW-Spule 115 Windungen 0,15 LPa
LW-Spule 465 Windungen 0,12 LPa
Ankoppung 50 Windungen 0.15 LPa

Was bedeutet LPa, werden Spulen nicht in Henry gemessen? Warum hat die MW und Ankoppelung 0,15 LPa, aber eine unterschiedliche Anzahl von Windungen.
Könnte man die Ankoppelspule mit der MW-Spule tauschen und so in den Kurzwellenbereich kommen?

Entschuldigt unsere (meine) Fragen, aber ich hatte Physik nur im Schulunterricht. Das ist auch schon 20 Jahre her.

Vielen Dank
Thomas

Datei-Anhänge
Sender2.jpg Sender2.jpg (682x)

Mime-Type: image/jpeg, 76 kB

18.05.13 20:50
Frank

nicht registriert

18.05.13 20:50
Frank

nicht registriert

Re: Radiobaukasten

ThomasW:
Wir haben auch den Versuch B8, einen Langwellensender aufgebaut. Im Radio ist aber auf dem ganzen LW-Bereich nichts zu hören. Wie müssen wir
die Antenne anschließen und wo? Laut Baukasten soll das Radio direkt mit dem HF Generator verbunden werden. Wie?
Die Antenne kommt da links dran an den Drehko einfach ein par Meter Draht reichen aus. Der Tongenerator in der Schaltung funktioniert nur mit der Hörmuschel die in dem Baukasten drin war, Bzw. einen vergleichbaren anderen hochohmigen Kopfhörer, der auf jeden fall eine Spule drin haben muß, also kein Piezo-Dings.

20.05.13 08:00
wumpus 

Administrator

20.05.13 08:00
wumpus 

Administrator

Re: Radiobaukasten

Hallo Thomas,

das ist schon eine merkwürdige Schaltung, da das HF-Signal von der Basis des Senderoszillators entnommen (HF-Ausgang) wird. Sollte hier tatsächlich eine Antenne angeschlossen werden? Ich denke, das wurde nur deshalb so gemacht, dass möglichst wenig HF in die Umwelt abgegeben werden sollte (Rechtslage in Deutschland). Durch eine Antenne an der Basis, dürfte die Schaltung recht instabil sein.

Wenn die Windungszahl in Richtung Kurzwelle verkleinert wird, sinkt der Wirkungsgrad weiter und eine angeschlossene Antenne an der Basis würde die Schaltung noch unstabiler machen, bis hin zum Schwingungsabriss.



Gruß von Haus zu Haus
Rainer (Forumbetreiber)

 1 .. 4 5 6 7 8 .. 11
 1 .. 4 5 6 7 8 .. 11
natürlich   Schwingkreis-Induktivität   Radiobaukasten   Diodenkennliniennullpunkts   Baukasten   bearbeitet   UKW-Röhrenempfängerbaukastens   BRAUN-Experimentierkästen   Zuletzt   Multifunktions-Rundhölzer   Multiexperimentierdetektor   Baukästen   Niederspannungsexperimente   Schaltung   Kollektor-Emitter-Spannung   Grüße   zusammen   Lectron   HF-Modulator-Experimenten   Antennen-Koppelkondensator