| Passwort vergessen?
Sie sind nicht angemeldet. |  Anmelden

Sprache auswählen:

Wumpus Gollum Forum von
Wumpus Welt der (alten) Radios
Sie sind nicht angemeldet.
 Anmelden

Radiobaukasten
  •  
 1 .. 6 7 8 9 10 11
 1 .. 6 7 8 9 10 11
11.06.13 15:24
Ronn 

500 und mehr Punkte

11.06.13 15:24
Ronn 

500 und mehr Punkte

Re: Radiobaukasten

Hallo,

ich würde nach geeigneten Lötösen suchen und diese mit einer Zange so umbiegen, dass auf den eingeführten Draht eine kleine Federkraft ausgeübt wird. Für ein Baukasten sollte das sicher ausreichen.

Gruss Ronn

Zuletzt bearbeitet am 11.06.13 21:17

!
!!! Fotos, Grafiken nur über die Upload-Option des Forums, KEINE FREMD-LINKS auf externe Fotos.    

!!! Keine Komplett-Schaltbilder, keine Fotos, keine Grafiken, auf denen Urheberrechte Anderer (auch WEB-Seiten oder Foren) liegen!
Solche Uploads werden wegen der Rechtslage kommentarlos gelöscht!

Keine Fotos, auf denen Personen erkennbar sind, ohne deren schriftliche Zustimmung.

Den Beitrag-Betreff bei Antworten auf Threads nicht verändern!
24.06.13 20:22
ThomasW

nicht registriert

24.06.13 20:22
ThomasW

nicht registriert

Re: Radiobaukasten

Guten Abend,

wir konnten unsere Experimentierumgebung mit mehreren Baukästen von Polytronic deutlich erweitern. So sind nun noch komplexere Experimente möglich. Auch stehen uns jetzt zusätzliche Messgeräte/Oszilloskop, eine kleine Optikbank für Laserexperimente, eine Miniaturbildröhre für den Polytronickasten, mehrere Kisten von Bauteilen und Berge von Literatur und Bastelbücher zur Verfügung. Unser Dank geht nochmals an ein freundliches Forenmitglied, auch für den gemütlichen Grillnachmittag im Garten.




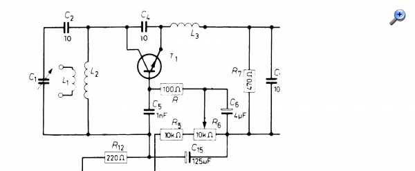
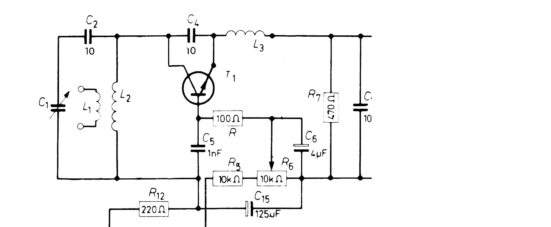
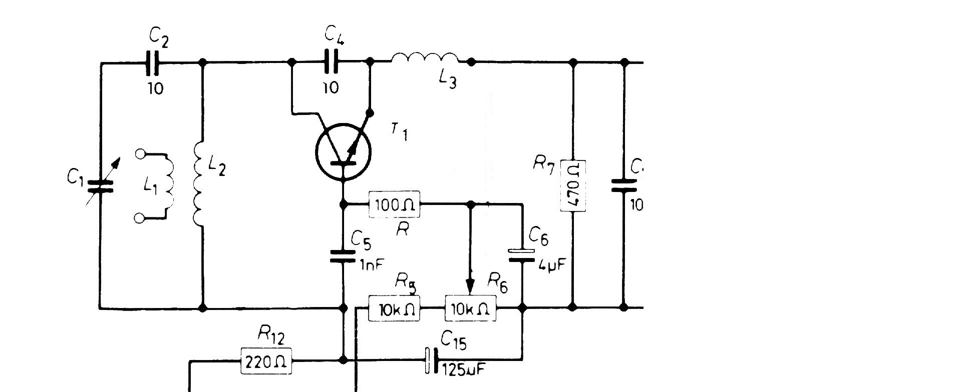
Unser erstes Experiment ist ein UKW-Empfänger nach einem alten Bastelbuch. Sehr kniffelig, geht aber



Hier ein Versuchsaufbau





Die Wiedergabequalität ist gar nicht schlecht. Mit einem Vergleichsradio konnten wir feststellen das der Empfang aber erst kurz unter 100 Mhz einsetzt. Dafür bekommen wir aber auch Sprechfunk eines Berliner Flughafens. Wir haben versucht die Spule zu verändern bekommen aber unter 100 MHz keine Rückkopplung mehr. Woran liegt das?

Mit freundlichen Grüßen
Thomas

Datei-Anhänge
Experimente.jpg Experimente.jpg (501x)

Mime-Type: image/jpeg, 102 kB

UKW_Empfänger.jpg UKW_Empfänger.jpg (532x)

Mime-Type: image/jpeg, 150 kB

UKW1.jpg UKW1.jpg (424x)

Mime-Type: image/jpeg, 116 kB

UKW2.jpg UKW2.jpg (500x)

Mime-Type: image/jpeg, 123 kB

25.06.13 12:36
joeberesf 

500 und mehr Punkte

25.06.13 12:36
joeberesf 

500 und mehr Punkte

Re: Radiobaukasten

Hallo Thomas,

euer Baukasten sieht ja richtig prima aus. Diese Art der Kontaktierung habe ich noch
nicht gesehen.

Das Problem eures eingeschränkten UKW- Frequenzgangs wird wahrscheinlich die Art des
Aufbaus sein. Die Drahtverbindungen des Stecksystems bringen noch zusätzliche Induktivitäten ins
Spiel und bei UKW hat das sofort einen Einfluss. Du veränderst Deine Spule...aber es verändert sich
wenig, da die Induktivitäten der Leitungswege sich immer zusätzlich addieren.

Könnt ihr die Schaltung nicht noch kompakter aufbauen?....also ganz kurze Verbindungen im Empfangskreis um T1 setzen?
Vielleicht gewinnt ihr dann noch ein paar MHz. Es ist halt ein Experimentierkasten...Ist doch total klasse das Ergebnis.:smile


Viel Erfolg

Joerg

Zuletzt bearbeitet am 25.06.13 12:39

25.06.13 19:27
Opa.Wolle 

500 und mehr Punkte

25.06.13 19:27
Opa.Wolle 

500 und mehr Punkte

Re: Radiobaukasten

Hallo Thomas,

da staune ich aber, es gibt in Berlin tatsächlich einen funktionsfähigen Flughafen mit Sprechfunk!

Der Baukasten sieht echt gut aus, so einen hätte ich zu meinen Anfängen auch gut gebrauchen können.

25.06.13 19:57
Ronn 

500 und mehr Punkte

25.06.13 19:57
Ronn 

500 und mehr Punkte

Re: Radiobaukasten

Servus,

Opa.Wolle:
...
da staune ich aber, es gibt in Berlin tatsächlich einen funktionsfähigen Flughafen mit Sprechfunk!
...

!!!

@Thomas: Na wie ich sehe habt Ihr schon ausgeladen, hoffe ohne Euch einen Bruch zu heben! Zu deinem UKW-Empfänger, eventuell liegt es am Drehko!? Welchen hast Du genommen ... den Drehko im ABC-Kasten oder dem im Kasten mit den Drehwähler? Dem Drehko im ABC-Kasten (für Rundfunk) habe ich mit Steckschuhen versehen, um die Abgriffe an den einzelnen Paketen ändern zu können ... damit solltest Du auch den kompletten UKW Bereich empfängen können. Mit den Zähler und Teilerbausteinen sowie den 7-Seg-Anzeigen kannst Du ja eine "digitale" Frequenzanzeige zu den Radios bauen, dann sieht Du direkt wo Du dich im Band bewegst.

Ach nochwas, passt bei Experimenten mit der Miniaturbildröhre auf! Auch wenn die nur so klein ist, da liegen dennoch fast 1kV an! Siehe Experimentieranleitung!!!

Gruss Ronn

Zuletzt bearbeitet am 25.06.13 20:00

27.06.13 11:10
ThomasW

nicht registriert

27.06.13 11:10
ThomasW

nicht registriert

Re: Radiobaukasten

Guten Tag,

die Änderungen am Kondensator haben es gebracht. Jetzt fehlt zwar das obere Teilband, dafür ist unten rum zu viel, aber wir wissen woran es liegt.

Vielen Dank
Thomas

28.02.14 12:19
Ronn 

500 und mehr Punkte

28.02.14 12:19
Ronn 

500 und mehr Punkte

Re: Radiobaukasten

Hallo Bastlerfreunde,

Es gibt Neuigkeiten aus der Baukastenszene:
Der Franzis-Verlag hat seit Jahresbeginn 2014 einen neuen Radiobaukasten im Angebot, Titel: "Der große Franzis Radiobaukasten".

Inhaltsauszug:

- ein- und mehrstufige NF-Verstärker (klar dürfen nicht fehlen)
- Detektor für LW, MW
- Experimente mit HF-Vorstufen
- Audion für LW, MW, KW
- Zeitzeichenempfänger
- UKW Pendelempfänger
- Superhet für LM, MW, KW (und UKW?)

Der Aufbau erfolgt auf mehreren Steckboards (lötfrei), ein Gehäuse (leider wohl wieder nur aus Hartkarton) ist dabei.
Was ich persönlich vermisse: Versuche mit Röhren und das vorteilhafte Holzgehäuse des alten UKW-Röhrenempfängerbaukastens.
Als NF-Treiber scheint wohl wieder der arme LM386 (oje, warum nehmen die keinen kleinen TDA2003 mit Kühlkörper) herzuhalten.

Wenn Franzis das noch integrieren würde, wäre der Kasten sicher nicht nur für den Nachwuchs interessant, sondern auch ein schönes Spielzeug für die "älteren Jungen".

Ronn

28.02.14 12:43
joeberesf 

500 und mehr Punkte

28.02.14 12:43
joeberesf 

500 und mehr Punkte

Re: Radiobaukasten

Hallo Ronn,

danke für die Info....das schaue ich mir an.
Schön das der Franzis- Verlag immer noch Ideen hat.
80€ für einen Kasten ist aber ein anständiger Preis...ich denke, dass da
doch wieder ordentlich gespart wurde. Aber egal,.. ich bin ein Fan des Franzis- Verlags
und ich will mal versuchen Einblicke ins Innere zu bekommen.

Gruß

Joerg

01.03.14 18:23
joeberesf 

500 und mehr Punkte

01.03.14 18:23
joeberesf 

500 und mehr Punkte

Re: Radiobaukasten

Hallo zusammen,

70 Bauteile und 20 verschiedene Radioschaltungen. Das Begleitbuch habe ich noch nicht als pdf
gefunden. Aber beim Kainka ist schon der Pendelempfänger zu finden. Dieser soll im Handbuch nicht
beschrieben sein.....Ähhh ! ...verstehe ich nicht.

h..p://www.elektronik-labor.de/Lernpakete/Radiobaukasten2.html

Gruß

Joerg

01.03.14 19:14
klaus65555 

500 und mehr Punkte

01.03.14 19:14
klaus65555 

500 und mehr Punkte

Re: Radiobaukasten

Moin,
wenn Sprechfunk eines Berliner Flughafens empfangen werden kann, muß die Empfangsfreqeunz oberhalb von 118 MHz liegen.
75 MHz Marker, 108-118 MHz Navigationsfunk (ILS und VOR), Sprechfunk von 118 -137 MHz, Modulation AM.

Gruß
Klaus

 1 .. 6 7 8 9 10 11
 1 .. 6 7 8 9 10 11
Niederspannungsexperimente   BRAUN-Experimentierkästen   bearbeitet   zusammen   natürlich   Baukästen   Schaltung   Antennen-Koppelkondensator   Kollektor-Emitter-Spannung   HF-Modulator-Experimenten   UKW-Röhrenempfängerbaukastens   Zuletzt   Multifunktions-Rundhölzer   Multiexperimentierdetektor   Schwingkreis-Induktivität   Baukasten   Radiobaukasten   Grüße   Diodenkennliniennullpunkts   Lectron