| Passwort vergessen?
Sie sind nicht angemeldet. |  Anmelden

Sprache auswählen:

Wumpus Gollum Forum von
Wumpus Welt der (alten) Radios
Sie sind nicht angemeldet.
 Anmelden

Besondere Phasenumkehr
  •  
 1
 1
29.11.12 14:50
nobbyrad58 

500 und mehr Punkte

29.11.12 14:50
nobbyrad58 

500 und mehr Punkte

Besondere Phasenumkehr

Hallo an Alle!

Diese besondere Phasenumkehrschaltung, die wahrscheinlich sehr selten Verwirklicht wurde möchte ich mal als Prinzipschaltbild zeigen. Als Phasenumkehrröhre wird die Sekundäremissionsröhre EE1 verwendet. Die Vorteile sind hohe Verstärkung und geringer Klirrfaktor. Ob es einen NF Verstärker damit gab weis ich nicht.

MFG Nobby

Datei-Anhänge
EE1 Phasenumkehr.jpg EE1 Phasenumkehr.jpg (386x)

Mime-Type: image/jpeg, 65 kB

NorbertWerner gefällt der Beitrag.
!
!!! Fotos, Grafiken nur über die Upload-Option des Forums, KEINE FREMD-LINKS auf externe Fotos.    

!!! Keine Komplett-Schaltbilder, keine Fotos, keine Grafiken, auf denen Urheberrechte Anderer (auch WEB-Seiten oder Foren) liegen!
Solche Uploads werden wegen der Rechtslage kommentarlos gelöscht!

Keine Fotos, auf denen Personen erkennbar sind, ohne deren schriftliche Zustimmung.

Den Beitrag-Betreff bei Antworten auf Threads nicht verändern!
29.11.12 23:18
NorbertWerner 

500 und mehr Punkte

29.11.12 23:18
NorbertWerner 

500 und mehr Punkte

Re: Besondere Phasenumkehr

Hallo Nobby,

bist Du dir sicher, dass hier eine Phasenumkehr stattfindet?
Die Elektronen fliegen ja zuerst auf die Elektrode k2 (Dynode). Wegen des positiven Potetials gegenüber der Kathode werden die Elektronen so stark beschleunigt, dass jedes Elektron mehrere Elektronen aus der Dynode auslösen wird (deswegen Sekundärelektronenvervielfacher) die dann zur Anode fliegen. Somit findet hier doch nur eine Verstärkung statt.
Ein Problem gibt es aber. Da hier eine Verstärkung stattfindet ist der Anodenstrom grösser als der Dynodenstrom. Dies kann man aber verhindern, indem man die Quanteneffizienz so niedrig hält, dass der Anodenstrom gleich dem Dynodenstrom ist. Dies erreicht man, indem man das Potential (Spannung) zwischen der Kathode und der Dynode optimal einstellt.

Übrigens, es gab noch die EE50, die die gleiche Beschaltung hatte.

Gruss
Norbert

30.11.12 00:13
ingodergute 

Moderator

30.11.12 00:13
ingodergute 

Moderator

Re: Besondere Phasenumkehr

Hallo zusammen,

ich denke die Phasenumkehr findet zwischen Anode und Katode statt. Die Dynode wird als Gegenkopplungseingang der Röhre genutzt. Ich vermute, die Stufe hat eine Gesamtverstärkung von |1| zwischen ihrem G1 und G1 der nachfolgenden Endröhren.

Gruß Ingo.

30.11.12 01:36
nobbyrad58 

500 und mehr Punkte

30.11.12 01:36
nobbyrad58 

500 und mehr Punkte

Re: Besondere Phasenumkehr

Hallo Zusammen!

Die Phasenumkehr der EE1 findet als eine Art Stromverteilung statt, so sehe ich das und zwar zwischen k2 und Anode. Ein kleines Schema zeigt das. Die Verstärkung ist sehr hoch, eine Steilheit 17 mA/V reicht für eine einstufige Vorverstärkung mit Phasenumkehr zur Aussteuerung einer EL 50. Das reichte sogar noch für eine Gegenkopplung siehe das Schaltbild, wenn man nicht die volle Verstärkung brauchte.
Es gab noch andere Spezialröhren wie Raumladegitterröhren, die auch nicht so oft verwendet wurden.

MFG Nobby

Datei-Anhänge
Arbeitsweise EE1.jpg Arbeitsweise EE1.jpg (327x)

Mime-Type: image/jpeg, 71 kB

Verstärkung EE1 für Endstufe.jpg Verstärkung EE1 für Endstufe.jpg (322x)

Mime-Type: image/jpeg, 68 kB

30.11.12 14:10
NorbertWerner 

500 und mehr Punkte

30.11.12 14:10
NorbertWerner 

500 und mehr Punkte

Re: Besondere Phasenumkehr

Hallo zusammen,

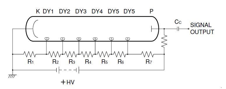
es ist richtig, dass eine Stromverteilung zwischen der Dynode (k2) und der Anode auftritt. Wichtig ist hierbei ist die Verstärkung. Die Elektronen, die auf die Dynode treffen, sollten hier nur jeweils ein Elektron auslösen, die dann weiter zur Anode fliegen. Für eine bessere Verständlichkeit füge ich mal ein paar Bilder hinzu. Sie betreffen zwar Photomultiplier, aber man kann sich ja die weiteren Dynoden wegdenken.

Das Bild Vervielfachung zeigt einen Seitenfenster-PMT (übrigens mein Logo) von oben. Wenn man mal nur die Elemente 1 und 2 betrachtet, dann sieht man hier den Vervielfältigungs-Effekt. Man muss sich vorstellen, das Element 1 ist k2 bei der EE1 und Element 2 ist die Anode.
Das Bild Halbwertsbreite zeigt das Signal der 'Elektronenwolke' an der Anode. Die Anode ist mit einem 50Ohm Widerstand gegen Masse geschaltet. Die Kathode arbeitet hier mit negativer Hochspannung.
Man kann aber auch positive Hochspannung verwenden und über einen Kondensator auskoppeln, so wie es in der Radiotechnik ja üblich ist. Dies sieht man im Bild PMT_1.
Die Verstärkung ist abhängig von der Hochspannung (bei der EE1 das Potential zwischen der Kathode und k2) und von dem Material mit dem die Dynode beschichtet ist. Im Bild QE kann es deutlich sehen.
Das Bild PMT zeigt noch einmal den Vervielfältigungsprozess.

Gruss
Norbert

Datei-Anhänge
Vervielfachung.jpg Vervielfachung.jpg (309x)

Mime-Type: image/jpeg, 34 kB

Halbwertsbreite.jpg Halbwertsbreite.jpg (305x)

Mime-Type: image/jpeg, 27 kB

PMT_1.jpg PMT_1.jpg (292x)

Mime-Type: image/jpeg, 23 kB

QE.jpg QE.jpg (297x)

Mime-Type: image/jpeg, 41 kB

PMT.jpg PMT.jpg (289x)

Mime-Type: image/jpeg, 21 kB

30.11.12 15:18
nobbyrad58 

500 und mehr Punkte

30.11.12 15:18
nobbyrad58 

500 und mehr Punkte

Re: Besondere Phasenumkehr

Hallo Norbert!

Das Grundprinzip ist bei der Sekundäremissionsröhre (k2) und der Dynode eines Vervielfachers gleich, so wie Du es beschrieben hast. Der Unterscheid ist das ein Tetrodensystem vor der k2 ist. Dieses steuert wie eine normale Röhre über das g1 das System bis zur k2, die ja selber auch eine Steuerfunktion besitzt. Das die EE1 und die Fernsehröhre EE50 keine weite Anwendung fanden ist wohl der aufwendigen Beschaltung von Katode und g1 zu verdanken. Die Katode wird 23 V ! positiv gegenüber Masse vorgespannt und das Gitter über einen Spannungsteiler 20 V. So eine hoch liegende Katode ist nicht einfach zu Handhaben bei einer Röhre mit so hoher Verstärkung, zumindest früher nicht. Der Aufwand für Schirmung etc. wog wohl die Ersparnis einer Röhre als Vorstufe auf.

MFG Nobby

Datei-Anhänge
Schema EE1.jpg Schema EE1.jpg (285x)

Mime-Type: image/jpeg, 41 kB

Querschnitt EE1.jpg Querschnitt EE1.jpg (311x)

Mime-Type: image/jpeg, 71 kB

 1
 1
Vervielfältigungsprozess   Gesamtverstärkung   Photomultiplier   Seitenfenster-PMT   Verständlichkeit   Phasenumkehrröhre   Vervielfältigungs-Effekt   Sekundärelektronenvervielfacher   Sekundäremissionsröhre   Verstärkung   Spannungsteiler   Quanteneffizienz   Prinzipschaltbild   Phasenumkehr   Gegenkopplungseingang   Halbwertsbreite   Stromverteilung   Phasenumkehrschaltung   Besondere   Raumladegitterröhren