| Passwort vergessen?
Sie sind nicht angemeldet. |  Anmelden

Sprache auswählen:

Wumpus Gollum Forum von
Wumpus Welt der (alten) Radios
Sie sind nicht angemeldet.
 Anmelden

Gehörrichtige Lautstärkeregelung
  •  
 1 2
 1 2
05.11.21 21:19
regency 

500 und mehr Punkte

05.11.21 21:19
regency 

500 und mehr Punkte

Gehörrichtige Lautstärkeregelung

Hallo zusammen,
die sogenannte Fletcher-Munson-Kurve, später genormt in der ISO 226, beschreibt die Empfindlichkeit des Gehörs im Frequenzverlauf bei verschiedenen Pegeln. Bei geringerer Lautstärke müssen Tiefen und Höhen immer mehr angehoben werden, damit der gesamte Höreindruck gleich bleibt. Eine gehörrichtige Lautstärkeregeleung soll das ausgleichen. Dafür wurden schon immer Potenziometer mit Anzapfungen und RC- Kombinationen verwendet.

Es gab/gibt analoge Schaltkreise, die spannunsgesteuert (also ohne Poti) diese Korrektur mit entsprechender Beschaltung vornehmen. Bei RFT konnte das der IC A273, der aber zu hohe Rauschwerte aufwies. Das RFT Spitzen-Radiogerät im Handel war RS 5001.

Ich bin auf der Suche nach einer praktikablen, einfachen Schaltung mit diskreten Bauelementen. Im Grunde ein Filter, der folgendes leistet: Stimmt man einen Sinusgenerator mit gleichem Pegel am Eingang durch, ist die Lautstärkeempfindung über alle Frequenzen ungefähr gleich.

Ich benötige das für ein Thereminprojekt.

Danke für Hinweise,
Jan (regency)

Noch gefällt der Beitrag keinem Nutzer.
!
!!! Fotos, Grafiken nur über die Upload-Option des Forums, KEINE FREMD-LINKS auf externe Fotos.    

!!! Keine Komplett-Schaltbilder, keine Fotos, keine Grafiken, auf denen Urheberrechte Anderer (auch WEB-Seiten oder Foren) liegen!
Solche Uploads werden wegen der Rechtslage kommentarlos gelöscht!

Keine Fotos, auf denen Personen erkennbar sind, ohne deren schriftliche Zustimmung.

Den Beitrag-Betreff bei Antworten auf Threads nicht verändern!
06.11.21 06:31
Martin.M 

500 und mehr Punkte

06.11.21 06:31
Martin.M 

500 und mehr Punkte

Re: Gehörrichtige Lautstärkeregelung

so ganz simpel und in Mono, da fällt mir ein Stereopoti ein.
Mit dem zweiten davon kann man das Filter überbrücken .
lG Martin

06.11.21 06:45
Reflex-Kalle 

500 und mehr Punkte

06.11.21 06:45
Reflex-Kalle 

500 und mehr Punkte

Re: Gehörrichtige Lautstärkeregelung

Ich denke, Jan möchte die Laustärkebeeinflussung, die man beim Theremin durch Verstimmung eines Resonanzkreises mit der Handkapazität macht, gehörrichtig haben. Die vom Theremin erzeugte Tonfrequenz erfolgt ähnlich und müsste miteinbezogen oder auf frequenzunabhangige Amplitude geregelt werden. Wie man das rein passiv machen könnte, weiß ich auch erstmal nicht.

Gruß

(Reflex-)Kalle

06.11.21 06:54
Martin.M 

500 und mehr Punkte

06.11.21 06:54
Martin.M 

500 und mehr Punkte

Re: Gehörrichtige Lautstärkeregelung

also von der Signalstärke gesteuert.
Dazu erzeugt er sich mit Diode eine Regelspannung und schickt die einem FET der als steuerbarer Widerstand arbeitet.
Sehr ähnlich dem bekannten ALC ( Mikrofonkompressor), nur dass da ein Filter gebrückt wird.

06.11.21 08:43
Debo 

500 und mehr Punkte

06.11.21 08:43
Debo 

500 und mehr Punkte

Re: Gehörrichtige Lautstärkeregelung

Hallo Jan,

so eine Loudnesskorrektur hat z.B. bei Grundig die bewußt diskret aufgebaute transistorisierte Vorverstärkerserie 6000 bis 7500 (letzte Serie so ca. bis 1985) gehabt. Die erfolgt mit satt rastendem Stufenschalter in dB Schritten.
Z.B. der XV7500. Ich habe diesen auch in meinem Fundus und auch ein kopiertes Schaltbild, aber leider jetzt nicht greifbar zum hier zeigen. Muss mal gurgeln. Glaube im rm.org ist das auch zu finden.

Gruss
Debo

Zuletzt bearbeitet am 06.11.21 08:44

06.11.21 09:39
regency 

500 und mehr Punkte

06.11.21 09:39
regency 

500 und mehr Punkte

Re: Gehörrichtige Lautstärkeregelung

Hallo Martin, Debo, Kalle und alle,
danke für die schnelle Antworten, das hilft beim Entwickeln einer geeigneten Lösung!

Ich vermute, eine jFet-Kaskade, die ich sowieso zur Lautstärkeregelung einsetze, könnte der Ansatz sein. Es müssen dann die richtigen Höhen- und Tiefen-RC-Glieder und deren Verschaltung an den Kontakten zwischen den jFets und Masse gefunden werden.

Mal sehen, ob das geht. Vielleicht lässt sich das auch in PSpice durchspielen.

VG, Jan

06.11.21 09:43
Reflex-Kalle 

500 und mehr Punkte

06.11.21 09:43
Reflex-Kalle 

500 und mehr Punkte

Re: Gehörrichtige Lautstärkeregelung

Wenn das Theremin mit Halbleitern aufgebaut ist, spricht ja nichts dagegen, die Funktion des A273 nachzubauen, wenn man keinen A273 dafür nutzen will. Zumindest beim baugleichen TCA730 ist die Funktion dargestellt.

19.11.21 15:32
WalterBar 

500 und mehr Punkte

19.11.21 15:32
WalterBar 

500 und mehr Punkte

Re: Gehörrichtige Lautstärkeregelung

Hallo zusammen,

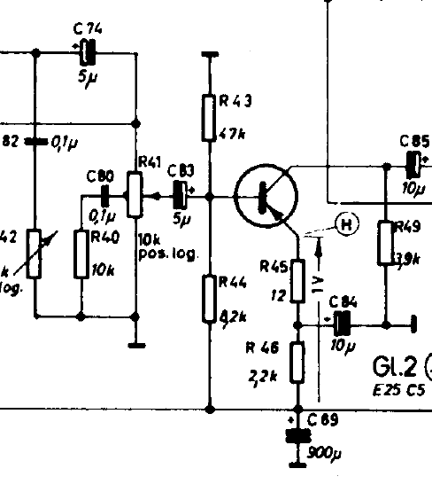
derartige (einfache) Schaltungen waren - wie im Beispiel Akkord U62 deLuxe - in den 1960-ern durchaus üblich. Überblendreglerpotis konnte man im Radiogeschäft kaufen. Radio Pöschmann in Köln am Friesenplatz hatte sie.




Gruss
Walter

Datei-Anhänge
Akkord_U62.png Akkord_U62.png (335x)

Mime-Type: image/png, 22 kB

20.11.21 13:36
regency 

500 und mehr Punkte

20.11.21 13:36
regency 

500 und mehr Punkte

Re: Gehörrichtige Lautstärkeregelung

Hallo zusammen,
danke, Walter, für diese traditionelle Schaltung. Eine spannungsgesteuerte physiologische Lautstärkeregelung sollte auf ähnlich einfache Weise auch mit Sperrschicht-FETs gehen. Eine Frequenzgangkorrektur durch Gegenkopplung an den Eingang des Spannungsteilers sind so meine Überlegungen.
Gruß Jan

21.11.21 23:05
ingodergute 

Moderator

21.11.21 23:05
ingodergute 

Moderator

Re: Gehörrichtige Lautstärkeregelung

Hallo Jan,

wenn Du die Wirksamkeit Deiner gehörrichtigen Lautstärkeregelung überprüfen willst, solltest Du statt gewobbeltem Sinus besser breitbandiges (halbwegs weißes) Rauschen nehmen. Dessen Klangeindruck sollte sich beim Regeln nicht verändern. So habe ich in der Vergangenheit solche Schaltungen (auch die mit A274, statt des rauschenden A273) beurteilt und optimiert.

VG Ingo.

_____________
Analog bleiben!

 1 2
 1 2
Differenzverstärker   Überblendreglerpotis   Vorverstärkerserie   Fletcher-Munson-Kurve   Spitzen-Radiogerät   Lautstärke-Regelung   Gehörrichtige   Lautstärkeregelung   Lautstärkesteller-Schaltung   Lautstärkeempfindung   Laustärkebeeinflussung   Konstantstromquelle   Frequenzgangkorrektur   spannungsgesteuerte   Lautstärkeregeleung   kabelverdrahtungsschema   Frequenzabhängigkeit   automatic-loudness-control-circuit   automatic-loudness-control   frequenzunabhangige