| Passwort vergessen?
Sie sind nicht angemeldet. |  Anmelden

Sprache auswählen:

Wumpus Gollum Forum von
Wumpus Welt der (alten) Radios
Sie sind nicht angemeldet.
 Anmelden

Geloso G.256 - Diktier- UND Familientonbandgerät aus dem Jahr 1958/59
  •  
 1
 1
10.07.22 10:46
WalterBar 

500 und mehr Punkte

10.07.22 10:46
WalterBar 

500 und mehr Punkte

Geloso G.256 - Diktier- UND Familientonbandgerät aus dem Jahr 1958/59

Hallo zusammen,

John Geloso war ein italienischer Ingenieur, der schon im Teenageralter
Patente inne hatte. Mit 24 Jahren war er bereits Chefingenieur einer US
Firma. 6 Jahre später gründete er seine eigene Firma in Mailand. Bei uns
ist Geloso nur wegen seiner KW-Sender und Empfänger den älteren Funk-
amateuren ein Begriff. Weniger bekannt ist, dass er in Italien einen
erstaunlich erfolgreichen Markt für Radios, TV- und Tonbandgeräte hatte.



https://www.qsl.net/i0jx/geloso.html

An dieser Stelle möchte ich das Tonbandgerät G.256 von Geloso vorstellen.
Es ist mit nur einer Geschwindigkeit von 4,75 cm/s ausgestattet und wird
mit einem Frequenzumfang von 80 bis 6500 Hz angegeben. In ähnlicher Form
gab es den Vorgänger G.255, der noch handverdrahtet war. Es gibt nur einen
Mikrofoneingang mit einem Klinkenstecker und einem ungewöhnlichen Durch-
messer von 5,0 mm. Tonaufnahmen mit dem beigelegten Geloso-Kristall-
Mikrofon überraschten mich qualitativ sehr.

Aber bis dahin war ein steiniger Weg. Zuerst musste eine Grundreinigung
vorgenommen und die interne Konstruktion verstanden werden, denn der
offenbar blockierte Motor wollte einfach nicht anlaufen. Kernpunkt des
Problems war die Verschraubung des Laufwerks mit dem Netztrafo auf der
Elektronikplatine, wobei eine der Schrauben als Senkkopf von einer
Andruckrolle verdeckt war. Das erklärt auch, dass es bis gestern im RM
mit einer Ausnahme keine Bilder des Innenlebens existierten.



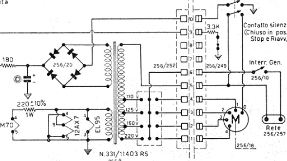
Vorher habe ich erst einmal geprüft, ob die Motorwicklung auf dem Netz-
spannungspotential (wahlweise 110-125-160-220 Volt) den dauerhaften
Stillstand überstanden hat, was dank des Kurzschlussläufers der Fall war.
Sowohl der Motor als auch der Netztransformator hat Abgriffe für diese
4 Netzspannungen. Offenbar gab es in der Nachkriegszeit sehr unterschied-
liche Spannungen.

Nach Freilegung des Motors konnte der Kurzschlussläufer durch Lösen
zweier Muttern und einem Sechskantabstandshalter entfernt, gereinigt
und geölt auf besten Freigang wieder justiert werden. Danach lief er
wieder wie in alter Zeit. Bislang kannte ich solche Motoren nur als
Drehstrommotoren. Wie bei einem Einphasenwechselstrom ein Drehfeld
erzeugt wird, ist mir einigermassen unklar.



Es versteht sich von selbst, dass verdächtige Rollkondensatoren und
Elkos vor dem Zusammenbau ausgewechselt wurden und die Röhren auf
Emission gemessen wurden (ECC83, EL95, DM70). Alle hatten aus der
Erstbestückung noch 100% Emission. An vielen Stellen musste ich über
die ausserordentlich robuste Konstruktion staunen. Trimmer sind übrigens
gekapselt. Das Gerät misst 26 x 14 x 10 cm und wiegt etwa 3,5 kg.









Im Gegensatz zu dem Uher 4400 entwickelte sich in der letzten Woche
während der Instandsetzung beinahe eine emotionelle Beziehung. Das
Gerät wurde auf einer französischen Online-Versteigerung zum Mindest-
gebot von weit unter den Versandkosten italienischer Anbieter in der Bucht
für mich ersteigert. Alleine die Echtledertasche und das Mikrofon
wäre den Preis Wert gewesen. Zu sehen ist in folgendem Bild auch
ein mechanisches Tastenaggregat (sehr stabil!) für eine Sekretärin,
die die Sprache in einen Text umzusetzen hatte.




Gruss
Walter

Zuletzt bearbeitet am 10.07.22 11:19

Datei-Anhänge
Geloso_G.256.jpg Geloso_G.256.jpg (287x)

Mime-Type: image/jpeg, 359 kB

Geloso_G.256_Motor.jpg Geloso_G.256_Motor.jpg (250x)

Mime-Type: image/jpeg, 242 kB

Geloso_G256_Teilschaltplan.jpg Geloso_G256_Teilschaltplan.jpg (286x)

Mime-Type: image/jpeg, 69 kB

Geloso_G.256_Zubehör.jpg Geloso_G.256_Zubehör.jpg (254x)

Mime-Type: image/jpeg, 354 kB

Geloso_G.256_LW_Oberseite.jpg Geloso_G.256_LW_Oberseite.jpg (330x)

Mime-Type: image/jpeg, 275 kB

Geloso_G.256_Platinenoberseite.jpg Geloso_G.256_Platinenoberseite.jpg (247x)

Mime-Type: image/jpeg, 288 kB

Geloso_G.256_Platinenunterseite.jpg Geloso_G.256_Platinenunterseite.jpg (264x)

Mime-Type: image/jpeg, 304 kB

Geloso_G.256_Seitenansichten.jpg Geloso_G.256_Seitenansichten.jpg (284x)

Mime-Type: image/jpeg, 845 kB

RWA, HB9, Debo und apollo gefällt der Beitrag.
!
!!! Fotos, Grafiken nur über die Upload-Option des Forums, KEINE FREMD-LINKS auf externe Fotos.    

!!! Keine Komplett-Schaltbilder, keine Fotos, keine Grafiken, auf denen Urheberrechte Anderer (auch WEB-Seiten oder Foren) liegen!
Solche Uploads werden wegen der Rechtslage kommentarlos gelöscht!

Keine Fotos, auf denen Personen erkennbar sind, ohne deren schriftliche Zustimmung.

Den Beitrag-Betreff bei Antworten auf Threads nicht verändern!
10.07.22 16:46
WalterBar 

500 und mehr Punkte

10.07.22 16:46
WalterBar 

500 und mehr Punkte

Re: Geloso G.256 - Diktier- UND Familientonbandgerät aus dem Jahr 1958/59

Hallo Jens,

ich denke, mit dem Motor scheinst Du Recht zu haben. In diesen Dingen war ich in jungen Jahren auch schon etwas unterbelichtet. Die beiden Spaltpol-Kurzschlusswindungen sind ja nun wirklich nicht zu übersehen.

Gruss
Walter

Zuletzt bearbeitet am 10.07.22 17:10

11.07.22 08:10
HB9 

500 und mehr Punkte

11.07.22 08:10
HB9 

500 und mehr Punkte

Re: Geloso G.256 - Diktier- UND Familientonbandgerät aus dem Jahr 1958/59

Hallo Walter,

hübsches Gerät. Der Aufbau sieht ziemlich gedrängt aus.
Noch wegen Netzspannungen: in dieser Zeit waren Netzspannungen um 160V offenbar verbreitet, fast alle meine Geräte haben eine Einstellmöglichkeit für diese Spannung. Was mich bei deinem Gerät erstaunt, ist dass man den Motor nicht einfach mit der 220V-Primärwicklung fest verbunden hat und dann der Netztrafo für den Motor als Auto-Trafo funkitioniert, wenn eine andere Netzspannung eingestellt wird. Bei Radios mit eingebautem Plattenspieler war das ja der Normalfall und hat den Vorteil, dass man nur an einem Ort die Spannung korrekt einstellen muss.

Gruss HB9

11.07.22 16:36
WalterBar 

500 und mehr Punkte

11.07.22 16:36
WalterBar 

500 und mehr Punkte

Re: Geloso G.256 - Diktier- UND Familientonbandgerät aus dem Jahr 1958/59

Hallo HB9,

das Vorgängermodell G.255 mit Endröhren für eine 35 ... 40V Heizung soll insgesamt eine Spartrafokonstruktion ohne galvanische Netztrennung gewesen sein. Allerdings habe ich kein Schaltbild für dieses Gerät gefunden. Die Spannungswahl beim G.256 ist aber einfach: Sowohl für den Trafo als auch für den Motor reicht das Eindrehen einer Schraube mit genutetem Plastikkopf für die entsprechende Spannung aus. Wahrscheinlich hatte der Motor - eines der wenigen Bauteile ohne Geloso-Markierung - die Spannungsabgriffe ohnehin schon.

Gruss
Walter

Nachtrag vom 14.07.2022:

Das Schaltbild des G.255 habe ich nun im RM unter "Stenotape G-255" gefunden. Es war für den US-Markt bestimmt.
https://www.radiomuseum.org/r/americange...tape_g_255.html

Die italienische Variante gab es in verschiedenen Versionen zwischen 1955 und 1958 und verwendete neben der ECC83/12AX7 und DM70 die UL41 bzw. die 35D5 oder 35QL6 für die Endstufe bzw. den Löschoszillator:
https://www.radiomuseum.org/r/geloso_g255g25_3.html



Ein neuer Riemen und die Verwendung eines neu produzierten Bandes "Recording the Masters, Frankreich" aus dem vorletzten Jahr haben noch einmal eine spürbare Verbesserung gebracht. Auf dem Uher 4400 abgespielte Aufnahmen zeigen allerdings, dass der Geloso mit einer etwas kleineren Geschwindigkeit aufnimmt. Das verwundert aber nicht wegen der Verhärtung der Gummiandruckrollen. Ausserdem hören sich die Aufnahmen auf dem Uher deutlich besser an. Beim Geloso treten aber - anders als beim Uher - keine Laufschwankungen auf.

Zuletzt bearbeitet am 10.02.23 13:22

Datei-Anhänge
Geloso_G.256.jpg Geloso_G.256.jpg (313x)

Mime-Type: image/jpeg, 90 kB

05.02.23 14:07
WalterBar 

500 und mehr Punkte

05.02.23 14:07
WalterBar 

500 und mehr Punkte

Re: Geloso G.256 - Diktier- UND Familientonbandgerät aus dem Jahr 1958/59

Hallo zusammen,

die Wiederherstellung der Funktion des platinenlosen Vorgängermodells Geloso G.255 (zwischen 1955 und
1958) war wesentlich aufwendiger.



Zum Wechsel des Riemens muss die Tonkopfeinheit angehoben werden. Das geht aber nur durch Demontage
des ganzen Laufwerks: 2x2 Kopfschrauben und eine an der Seite lösen, Motordraht zum Gleichrichter ablöten.
Erst jetzt ist die zweite Schraube der Befestigung zugänglich. Das Zusammensetzen ist eine Fummelei. Man
muss einen Zapfen an die richtige Stelle bringen, damit die Rastung der Drucktasten wieder funktioniert.





Macht man sich die Arbeit, ist auch gleich ein Tausch der Teer-Papier-Kondensatoren sinnvoll. Vorsicht:
Das Gerät hat keine galvanische Trennung. Die Kondensatoren haben zwar eine Plastikzylinder-Ummantelung,
sind aber dennoch marode (Leckstrom, 50% Kapazitätserhöhung).





Das Gerät gab es als Familienausführung "S" mit den Geschwindigkeiten 4,75 und 9,5 cm/s und als
Diktiergerät mit 4,75 und 5,5 cm/s. Der Sinn war wohl, dass die Sekretärin beim Abspielen und dem
Schreiben besser mitkam. Für die maximal mögliche Bandlänge von 65 ... 68m auf den 7,5 bzw.
8cm Spulen ergeben sich knapp 12 Minuten Spielzeit für 9,5cm/s Geschwindigkeit. Folgerichtig wurde
sie beim Nachfolgemodell G.256 nicht mehr vorgesehen. Qualitativ macht das Bandmaterial einen
grösseren Unterschied als die Geschwindigkeit. Getestet wurde erneut mit dem französischen Band
"Recording the Masters". Aus dem Band SM900 1/4" 183m Trident (13cm) lassen sich genau 3 Bänder
für den Geloso umspulen.


Gruss
Walter

Zuletzt bearbeitet am 05.02.23 19:18

Datei-Anhänge
Geloso_G255S_1955-1958.jpg Geloso_G255S_1955-1958.jpg (217x)

Mime-Type: image/jpeg, 306 kB

Geloso_G255S_innen_1.jpg Geloso_G255S_innen_1.jpg (288x)

Mime-Type: image/jpeg, 312 kB

Geloso_G255S_innen_2.jpg Geloso_G255S_innen_2.jpg (280x)

Mime-Type: image/jpeg, 270 kB

Geloso_G255S_innen_3.jpg Geloso_G255S_innen_3.jpg (218x)

Mime-Type: image/jpeg, 297 kB

Geloso_G255S_innen_4.jpg Geloso_G255S_innen_4.jpg (206x)

Mime-Type: image/jpeg, 239 kB

 1
 1
220V-Primärwicklung   Einphasenwechselstrom   Einstellmöglichkeit   Teer-Papier-Kondensatoren   Gummiandruckrollen   spannungspotential   Online-Versteigerung   Familientonbandgerät   Wiederherstellung   Sechskantabstandshalter   Spaltpol-Kurzschlusswindungen   Kapazitätserhöhung   Spartrafokonstruktion   Kurzschlussläufer   Familienausführung   Vorgängermodells   Kurzschlussläufers   Plastikzylinder-Ummantelung   Geschwindigkeit   Elektronikplatine