| Passwort vergessen?
Sie sind nicht angemeldet. |  Anmelden

Sprache auswählen:

Wumpus Gollum Forum von
Wumpus Welt der (alten) Radios
Sie sind nicht angemeldet.
 Anmelden

Stereoanlage Tandberg TR-200 Rechter NF-Kanal defekt
  •  
 1 2 3 4 5
 1 2 3 4 5
06.07.24 13:30
Volker 

500 und mehr Punkte

06.07.24 13:30
Volker 

500 und mehr Punkte

Re: Stereoanlage Tandberg TR-200 Rechter NF-Kanal defekt

Hallo Jens,

ich sollte die alten Treibertransistoren wieder einbauen. Diese waren ja nicht defekt. Die neuen gebrauchten Endtransistoren waren ja bereits fast identisch, da sie in einem Netzteil in einer Gegentaktschaltung betrieben worden sind. Man kann sich ja ein Säckchen passender Endtransistoren zulegen, sie ausmessen und die vier Stück, die am besten übereinstimmen, nehmen. Wenn sie aus der selben Charge stammen, sind sie oft sehr ähnlich. Vielleicht mache ich das im Winter, der mit Sicherheit kommt. Die nötige Routine für dieses Gerät habe ich jetzt ja.


Viele Grüße Volker

"Das Radio hat keine Zukunft." (Lord Kelvin, Mathematiker und Physiker (1824-1907))

Zuletzt bearbeitet am 06.07.24 16:15

!
!!! Fotos, Grafiken nur über die Upload-Option des Forums, KEINE FREMD-LINKS auf externe Fotos.    

!!! Keine Komplett-Schaltbilder, keine Fotos, keine Grafiken, auf denen Urheberrechte Anderer (auch WEB-Seiten oder Foren) liegen!
Solche Uploads werden wegen der Rechtslage kommentarlos gelöscht!

Keine Fotos, auf denen Personen erkennbar sind, ohne deren schriftliche Zustimmung.

Den Beitrag-Betreff bei Antworten auf Threads nicht verändern!
06.07.24 13:59
basteljero 

500 und mehr Punkte

06.07.24 13:59
basteljero 

500 und mehr Punkte

Re: Stereoanlage Tandberg TR-200 Rechter NF-Kanal defekt

Hallo Volker,
ist ja nur ein wenig "Technik-Schwurbelei", wie es mal jemand im WGF genannt hat.

Hier ist ein Diagramm zu sehen das zeigt, wie sich die Krümmungen beider Kennlinien
gegenseitig aufheben ("linearisieren", Class AB-Steuerkennlinie)
https://www.elektroniktutor.de/analogver...r/class_ab.html

Das setzt "theoretisch" gleichartige Kennlinien voraus, "praktisch" wird die Sache aber
nicht ganz so heiß gegessen wie sie gekocht wird.
Wenn die Spannungen an den Emitter-Widerständen gleich sind, passt es meist.
Wenn sich aber beide Transistoren unterschiedlich erwärmen, ist etwas im Argen.

Gruß
Jens

Zuletzt bearbeitet am 06.07.24 14:01

06.07.24 16:46
Volker 

500 und mehr Punkte

06.07.24 16:46
Volker 

500 und mehr Punkte

Re: Stereoanlage Tandberg TR-200 Rechter NF-Kanal defekt

Hallo Jens und Hallo zusammen,

ja, das ist alles sehr interessant sich darüber auszutauschen. Diese Schaltungstechnik ist jedoch historisch. Ich weiß nicht, wann der letzte diskret aufgebaute NF-Verstärker industriell gefertigt wurde. Ich vermute irgendwann in den 1980er Jahren. Wer weiß mehr dazu?

Es gibt selbstverständlich einen juristischen und wirtschaftlichen Unterschied, ob eine Fachwerkstatt repariert oder ob man auf eigene Kappe den Schaden behebt. Eine ganz andere Liga ist es, wenn ein technischer Einkäufer 50.000 Endtransistoren bestellen soll. Dann gab es schon damals bei Tandberg mit Sicherheit jede Menge Besprechungen zwischen dem Einkauf, der Entwicklungsabteilung und der Fertigung.

Übrigens ging die Tandbergs Radiofabrik bereits 1978 in Konkurs und das wenige Jahre nach einer stürmischen Expansion. Schließlich brachte sich der Firmengründer um. Hier die auszugsweise Übersetzung aus der norwegischen Wikipedia:

"Tandbergs Radiofabrikk war ein norwegischer Hersteller von Unterhaltungselektronik. Das Unternehmen wurde 1933 von dem Diplomingenieur Vebjørn Tandberg gegründet. In seiner Blütezeit hatte das Unternehmen Fabriken in Brekke (TR1 und TR2), Kjeller (TR3, 1966), Skullerud (TR4, 1974), Notodden (TR6, 1973) und Haddington (Schottland, TR7, 1975). Es wurden Radios, Computerausrüstung, Sprachlabors, Fernsehgeräte, Tonbandgeräte und Stereoanlagen hergestellt.

Geschichte des Unternehmens:

Die Radiofabrik begann 1933 mit drei Mitarbeitern in den Räumen am Kongens gate 15 in Oslo. Sie expandierte schnell und zog 1936 in das Folkets hus in der Schleppegrellsgate 32 um. Im Jahr 1939 zog die Fabrik, die damals 90 Mitarbeiter beschäftigte, in die Malmøgate in Oslo um. In dieser Zeit wurden Marken wie Tommeliten, Corona, Huldra und Sølvsuper eingeführt.

1951 wurde in Brekke (TR1) eine große Fabrik mit einer Fläche von 9.600 Quadratmetern gebaut. Im Jahr 1962 wurde es durch ein Hochhaus mit Labor und Forschungseinrichtungen erweitert (TR2)."

"Das Unternehmen expandierte stetig. 1973 wurde eine Fabrik in gemieteten Räumen in Notodden eröffnet, 1974 eine eigene Fabrik in Skullerud in Oslo (TR4) und 1975 eine Fabrik in Haddington in Schottland, Tandberg Electronics. Im Jahr 1976 beschäftigte Tandbergs Radiofabrikk rund 3.100 Mitarbeiter und erzielte einen Umsatz von etwa 670 Millionen NOK.

Das fusionierte Unternehmen stand in starkem Wettbewerb mit japanischen und anderen asiatischen Elektronikherstellern und schrieb ab 1976 Verluste. Nach mehreren Refinanzierungsrunden, einschließlich staatlicher Darlehen, wurde Tandbergs Radiofabrikk im Dezember 1978 für insolvent erklärt. Dies geschah zu einer Zeit, als viele andere traditionelle europäische Hersteller von Unterhaltungselektronik vom Markt verschwanden.

Der Gründer Vebjørn Tandberg nahm sich im August 1978, vier Monate vor dem Konkurs, das Leben. Zu diesem Zeitpunkt hatte ihm der neue, teilweise in Staatsbesitz befindliche Vorstand mitgeteilt, dass seine Anwesenheit in der Fabrik nicht mehr erwünscht sei. Außerdem wurde er aufgefordert, Tandbergs "Radiofabrikks Representasjonsbolig" zu verlassen.

Der Konkurs wurde nach zehn Jahren Nachlassverwaltung mit einer vollständigen Ausschüttung an alle Gläubiger abgeschlossen. Nach dem Konkurs wurden wesentliche Teile des Unternehmens von der Computerabteilung als Tandberg Data weitergeführt, während das übrige Geschäft in Tandberg Industrier zusammengefasst wurde."

( Quelle: https://no.wikipedia.org/wiki/Tandbergs_Radiofabrikk )


Norwegisch kann ich ganz gut lesen und Gesprochenes halbwegs verstehen, obwohl ich das nie gelernt habe. Wenn Norweger und Schweden langsam und deutlich sprechen und Dialekte vermeiden, können Sie ganz gut kommunizieren, besonders wenn die Sprecher aus den Grenzregionen stammen. Norwegen kann man als Schwede nicht gerade als Ausland bezeichnen, aber dennoch ist es anders als Schweden.


Nochmals vielen Dank an alle für die rege Teilnahme und das Interesse an diesem Thema.


Viele Grüße aus dem verregneten Schweden mit sommerlichen 17 °C

Volker

"Das Radio hat keine Zukunft." (Lord Kelvin, Mathematiker und Physiker (1824-1907))

Zuletzt bearbeitet am 06.07.24 17:09

07.07.24 10:27
oldie 

250-499 Punkte

07.07.24 10:27
oldie 

250-499 Punkte

Re: Stereoanlage Tandberg TR-200 Rechter NF-Kanal defekt

Hallo an alle Interessierten,
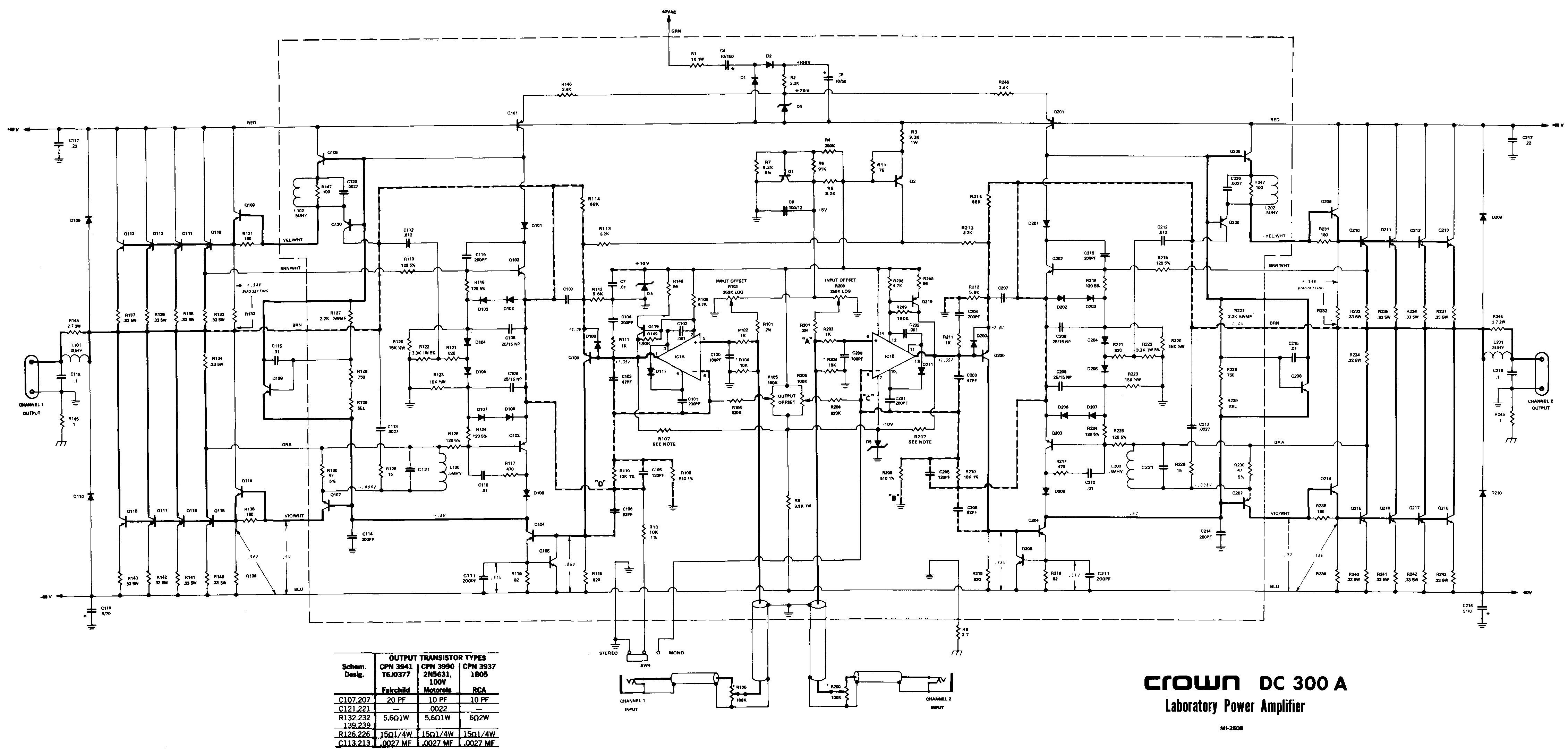
hier anbei das Schaltbild einer meiner Stereoendstufen, hier Crown DC300A. Eine Endstufe die auch Gleichspannung verstärkt. Aufbau mit NICHT komplementären Endtransistoren, aber mit + und - Versorgungsspannungen gegen Null Volt (Ground) um den Ausgangselko zu vermeiden.
MIt Gruß
Sven

Datei-Anhänge
DC300A Schematic.png DC300A Schematic.png (146x)

Mime-Type: image/png, 84 kB

07.07.24 14:09
Volker 

500 und mehr Punkte

07.07.24 14:09
Volker 

500 und mehr Punkte

Re: Stereoanlage Tandberg TR-200 Rechter NF-Kanal defekt

Hallo Sven,

dein Crown DC-300 ist ein sehr beeindruckender Verstärker: http://www.hifimuseum.de/crown-dc-300a.html .

Nun habe Lust bekommen in Ugly Contruktion zum besseren Verständnis eine kleine Gegentaktschaltung nachzubauen um damit zu experimentieren. Simulationsprogramme sind auch eine große Hilfe, aber eine Schaltung in echt zeigt einiges mehr an Effekten.



Viele Grüße Volker

"Das Radio hat keine Zukunft." (Lord Kelvin, Mathematiker und Physiker (1824-1907))

Zuletzt bearbeitet am 07.07.24 14:11

07.07.24 18:05
basteljero 

500 und mehr Punkte

07.07.24 18:05
basteljero 

500 und mehr Punkte

Re: Stereoanlage Tandberg TR-200 Rechter NF-Kanal defekt

Ja, den Klassiker mit Germanen:
https://www.dampfradioforum.de/viewtopic...56&start=15

Man kann ganz ohne Gegenkopplung arbeiten, Wärmeverhalten mit Föhn und Kältespray
untersuchen oder auch mal Transistoren mit sehr unterschiedlichen Verstärkungen einsetzen.

Hier ein historisches Datenblatt von Siemens, es gab verschiedene Bestellnummern für selektierte
AC121, AC151 usw.
https://de.web-bcs.com/pdf/SH/AC/AC121.pdf
Muss man sich eigentlich irgendwelche Sorgen machen, wenn Dinge aus der eigenen Jugendzeit
historisch werden...


Gruß
Jens

08.07.24 09:23
Audionis 

250-499 Punkte

08.07.24 09:23
Audionis 

250-499 Punkte

Re: Stereoanlage Tandberg TR-200 Rechter NF-Kanal defekt

Volker:
... Diese Schaltungstechnik ist jedoch historisch. Ich weiß nicht, wann der letzte diskret aufgebaute NF-Verstärker industriell gefertigt wurde. Ich vermute irgendwann in den 1980er Jahren. Wer weiß mehr dazu?

Hallo Volker!

Viele namhafte HiFi-Firmen erzeugen auch heute noch industriell diskrete Transistorverstärker. Als Beispiel sei der NAD C372 genannt. Schaltplan ist im Web verfügbar. In der Endstufe werkeln da 2SA1943 und 2SC5200.
Ist natürlich andere Klasse als kleine Germaniumendstufen mit AC187/AC188.

Beste Grüße
Chris
vy 73 de OE3HBW

08.07.24 10:01
oldie 

250-499 Punkte

08.07.24 10:01
oldie 

250-499 Punkte

Re: Stereoanlage Tandberg TR-200 Rechter NF-Kanal defekt

Hallo,
der Trend geht seit einigen Jahren zu Class-D Schaltendstufen, auch im sogenannten Audio HiFi hi-end Bereich. Bekannte Hersteller von Class-D Modulen sind Purifi und Hypex.
Mit Gruß
Sven

08.07.24 12:26
basteljero 

500 und mehr Punkte

08.07.24 12:26
basteljero 

500 und mehr Punkte

Re: Stereoanlage Tandberg TR-200 Rechter NF-Kanal defekt

Hallo,

Zitieren:
Ist natürlich andere Klasse als kleine Germaniumendstufen mit AC187/AC188.
Jedoch für einfache und kleine Endstufen am Limit vielleicht nicht die schlechteste Wahl:
Ähnlich wie bei der Röhre drängen sich die Kennlinien mit zunehmender Aussteuerung etwas
zusammen, man bekommt ohne Gegenkopplung zwar früher einsetzende Verzerrungen, dafür
aber nicht so "scharfkantig", was für mich unterm Strich wesentlich angenehmer beim Hören ist.
https://www.web-bcs.com/pdf/Tf/AC/AC187K.pdf

Hat sich seinerzeit sehr gut bewährt in einer kleinen Aktivbox im Auto.
Auch die Übernahmeverzerrungen waren besser beherschbar als mit der möglichen Alternative
BD138/BD139.

Gruß
Jens

09.07.24 13:26
WalterBar 

500 und mehr Punkte

09.07.24 13:26
WalterBar 

500 und mehr Punkte

Re: Stereoanlage Tandberg TR-200 Rechter NF-Kanal defekt

oldie:
Hallo,
der Trend geht seit einigen Jahren zu Class-D Schaltendstufen, auch im sogenannten Audio HiFi hi-end Bereich. Bekannte Hersteller von Class-D Modulen sind Purifi und Hypex.
Mit Gruß
Sven

Genau Sven,

praktisch jeder Flachbildschirm-Fernseher arbeitet mit diesen Modulen. Die (höhere) Versorgungsspannung
wird oft aus der LCD-Hintergrundbeleuchtungsspannung gewonnen. Das hat dann leider auch die Folge,
dass diese Geräte die AM-Frequenzbereiche stören können.

Mein Philips-TV war erst nach der Verdrosselung des SAT-Antennenkabels und der Netzversorgung ruhig.

Beispiel mit dem ti TP3125D2:

https://www.wumpus-gollum-forum.de/forum...0&page=2#17

Gruss
Walter

Zuletzt bearbeitet am 09.07.24 13:31

 1 2 3 4 5
 1 2 3 4 5
Transistorkennlinienschreiber   Grüße   Quasi-Komplementär-Endstufe   Transistorgehäuseabmessungen   Operationsverstärkerschaltungen   bearbeitet   Transistor   Stereoanlage   Mathematiker   Zuletzt   NF-Kanal   Stromverstärkungsfaktor   Transistoren   LCD-Hintergrundbeleuchtungsspannung   Halbleiter-Komponenten-Tester   Rechter   Endstufentransistoren   Tandberg   Siliziumkleinleistungstransistoren   1824-1907