| Passwort vergessen?
Sie sind nicht angemeldet. |  Anmelden

Sprache auswählen:

Wumpus Gollum Forum von
Wumpus Welt der (alten) Radios
Sie sind nicht angemeldet.
 Anmelden

Stereoanlage Tandberg TR-200 Rechter NF-Kanal defekt
  •  
 1 2 3 4 5
 1 2 3 4 5
29.05.24 18:30
Volker 

500 und mehr Punkte

29.05.24 18:30
Volker 

500 und mehr Punkte

Stereoanlage Tandberg TR-200 Rechter NF-Kanal defekt

Hallo zusammen,

mein norwegischer Tandberg TR-200 scheint jetzt auch an Altersschwäche zu leiden. Der rechte Kanal ist zu leise und fängt nach ein paar Minuten an zu verzerren, wenn man den rechten Kanal auf Zimmerlautstärke aufdreht. Der Fehler tritt bei verschiedenen Quellen auf (UKW, Soundkarte). Ansonsten klingt alles normal für meine Ohren. Service-Unterlagen habe ich auf norwegisch und englisch gefunden.

Bisher unternommen: Kontakte und Potis mit Tunerspray gereinigt, Speisepannung 25 Volt korrekt eingestellt. Ruhestrom der beiden Endstufen korrekt eingestellt. Hatte aber vorher alles gestimmt.

Meine Vermutung. Es gibt ein IC für den Plattenspielereingang. Der kann es nicht sein. Ansonsten alles diskrete Bauteile, die leicht zu beschaffen sind. Vermute einen defekten Transistor, der altersbedingt einen zu schwachen Stromverstärkungsfaktor hat. Passiert oft bei alten Siliziumkleinleistungstransistoren in Kunststoffgehäusen. Kann natürlich auch ein defekter Widerstand oder ein leckender Elko sein oder eine kalte Löststelle. Die Verzerrungen scheinen temperaturabhängig zu sein, was eher für einen Halbleiterdefekt spricht. Also muss ich mir Zeit nehmen, einen Sinusgenerator anschließen und mit dem Oszilloskop das Signal von vorne nach hinten verfolgen bis zu der Stufe mit den Verzerrungen. Vergleichsmessungen sind am intakten linken Kanal möglich. Ich denke das ist die sinnvolle systematische Vorgehensweise. Für Tipps bin ich selbstverständlich sehr dankbar. Also ich tippe auf einen defekten Transistor in einer Vorstufe. Mal sehen.




Unter https://elektronikbasteln.pl7.de/tandber...kw-stereoanlage gibt es noch ein paar Fotos von dem guten Stück. Ich glaube ich habe ihn schon seit fast 10 Jahren.

Übrigens mein erster Beitrag, den ich mit Linux verfasst habe. Vorher hatte ich bis zum Festplattencrash Windows 10, jetzt Ubuntu 22.4. Bin sehr zufrieden. Also die Software des Forums funktioniert auch unter Ubuntu mit Firefox. Einbinden von Fotos geht wie gewohnt.

Viele Grüße Volker

Nachtrag: Die Zusammenfassung der Reparaturbeschreibung befindet sich auf https://elektronikbasteln.pl7.de/tandber...tufe-reparieren

"Das Radio hat keine Zukunft." (Lord Kelvin, Mathematiker und Physiker (1824-1907))

Zuletzt bearbeitet am 18.07.24 12:49

Datei-Anhänge
tandberg-tr200.jpg tandberg-tr200.jpg (235x)

Mime-Type: image/jpeg, 112 kB

Debo, apollo und Hajo gefällt der Beitrag.
!
!!! Fotos, Grafiken nur über die Upload-Option des Forums, KEINE FREMD-LINKS auf externe Fotos.    

!!! Keine Komplett-Schaltbilder, keine Fotos, keine Grafiken, auf denen Urheberrechte Anderer (auch WEB-Seiten oder Foren) liegen!
Solche Uploads werden wegen der Rechtslage kommentarlos gelöscht!

Keine Fotos, auf denen Personen erkennbar sind, ohne deren schriftliche Zustimmung.

Den Beitrag-Betreff bei Antworten auf Threads nicht verändern!
29.05.24 19:43
WalterBar 

500 und mehr Punkte

29.05.24 19:43
WalterBar 

500 und mehr Punkte

Re: Stereoanlage Tandberg TR-200 Rechter NF-Kanal defekt

Hallo Volker,

diese gelben Frako-Elkos würde ich austauschen. Vor allem die als Koppelkondensatoren
arbeiten und diejenigen, die parallel zu Emitterwiderständen liegen.

Der Tandberg ist wohl stolze 50 Jahre alt.

Viel Erfolg, Gruss
Walter

Zuletzt bearbeitet am 29.05.24 19:54

29.05.24 20:28
Volker 

500 und mehr Punkte

29.05.24 20:28
Volker 

500 und mehr Punkte

Re: Stereoanlage Tandberg TR-200 Rechter NF-Kanal defekt

Hallo Walter,

jetzt ist mir aufgefallen, dass die Verzerrungen im rechten Kanal schlagartig eintreten. Das passiert ein paar Minuten nachdem die Lautstärke des rechten Kanals aufgedreht wurde. Die Verzerrungen bleiben dann bestehen. Das spricht eher für einen leckenden Elko, der den Arbeitspunkt verschiebt, oder? Wenn ich die defekte Stufe gefunden habe, werde ich ihre Bauteile untersuchen.

Laut https://sv.wikipedia.org/wiki/Tandberg wurde der TR-200 von 1072 bis 1975 produziert, liefert 2 x 20 Watt, Gewicht 5 kg und kostete 2375 Kronen. Durchschnittliches Jahresgehalt vor Steuern in Norwegen Mitte der 1970er Jahre 45.000 Kronen.

Den Tandberg würde ich gerne weitere 50 Jahre einsetzen.

Ich habe mal ChatGPT zum dem Fall befragt. Hier seine Meinung: https://chatgpt.com/share/24cf5903-1e42-...2d-021200e442a1 Da braucht man bald kein Forum mehr. Die Reaktionen von ChatGPT sind schon unheimlich. Bald kann ChatGPT auch die Moderation übernehmen. Und die KI fängt gerade an zu lernen.


Viele Grüße Volker

"Das Radio hat keine Zukunft." (Lord Kelvin, Mathematiker und Physiker (1824-1907))

Zuletzt bearbeitet am 29.05.24 20:44

29.05.24 21:28
oldie 

250-499 Punkte

29.05.24 21:28
oldie 

250-499 Punkte

Re: Stereoanlage Tandberg TR-200 Rechter NF-Kanal defekt

Hallo Volker,
wahrscheinlich hast Du auch schon daran gedacht. Aber meine Erfahrung ist daß die Leiterplatten Lötstellen altern und Wackelkontakt verursachen. D.h. alles mal mit der Lupe ansehen bzw. was ich mache, alle Nachlöten. Hat oft geholfen und beugt weitere Problemen damit vor. Ferne, Kältespray verwenden und damit die Halbleiter prüfen. Die Endstufe ist ja galvanisch gekoppelt. Wenn Verzerrung dann mal die Spannung an den Endtransistoren am Emitter (also vor dem Ausgangselko) prüfen. Sollte die stimmen sollte die Endstufe eigentlich OK sein. Allerdings könnten die Elkos schlecht sein was ich aber nicht unbedingt annehme. Dann praktische Signalverfolgung mit dem Oszilloskop mit Sinussignal von wo es noch gut ist bis zum Lautsprecher.

30.05.24 07:54
Debo 

500 und mehr Punkte

30.05.24 07:54
Debo 

500 und mehr Punkte

Re: Stereoanlage Tandberg TR-200 Rechter NF-Kanal defekt

Hi Volker,

schönes Teile mit dem blauen Ambiente. Du schreibst das der auch verzerrt wenn Du mit Soundkarte NF lieferst (wohl natürlich über AUX-Eingang) dann beschränkt sich die Suche wohl ab hier angenehmerweise.
Vermutlich eine Arbeitspunktverschiebung durch defektem Transistor. Grenze mal hier mit punktuell dosiertem Kältespray ein. Können auch passive Bauteile wie Widerstände mit auftretendem Kappenfehler bei Erwärmung sein. Kontaktfehler über durchgeschleiftes Signal am Tastenaggregat, Lötstellenfehler oder Koppellelko auch möglich. Ein auf A3 groß ausgedrucktes Schaltbild hilft da sehr (bei mir jedenfalls )

Gruss
Debo

Zuletzt bearbeitet am 30.05.24 07:59

30.05.24 08:00
HB9 

500 und mehr Punkte

30.05.24 08:00
HB9 

500 und mehr Punkte

Re: Stereoanlage Tandberg TR-200 Rechter NF-Kanal defekt

Hallo Volker,

ich tippe auf faule Elkos, das ist bei Transistorgeräten üblich, die haben bekanntlich viele kleine Elkos, und je kleiner der Kondensator (vom Volumen), desto schneller trocknet er aus. Kleinsignaltransistoren aus Silizium glaube ich weniger, aber in meinem Körting-Fernseher von 1970 verabschiedeten sich ein paar Leistungstransistoren (BD139, BD140) mit recht eigenartigem Verhalten wie zeitweiser Totalausfall oder Schwingen. Auffallend an diesen war, dass sie ähnlich wie Becher-Folienkondensatoren einen Kunststoff-Becher über der Kühlplatte hatten, der von den Pins her mit Vergussmasse gefüllt war und nicht eine kompakte Kunststoffmasse, wie das üblich ist. Vielleicht hängen die Ausfälle mit dieser Konstruktion zusammen.

Der Fehler dürfte aber leicht einzukreisen sein mit Sinusgenerator und Oszi. Auch die Arbeitspunkte (Gleichspannungen) kann man mit dem funktionierenden Kanal vergleichen, normalerweise stehen diese Spannungen auch im Schaltplan. Es kann durchaus sein, dass der andere Kanal auch schon 'angekratzt' ist, aber noch nicht so weit, dass es auffällt.

Gruss HB9

30.05.24 14:28
Volker 

500 und mehr Punkte

30.05.24 14:28
Volker 

500 und mehr Punkte

Re: Stereoanlage Tandberg TR-200 Rechter NF-Kanal defekt

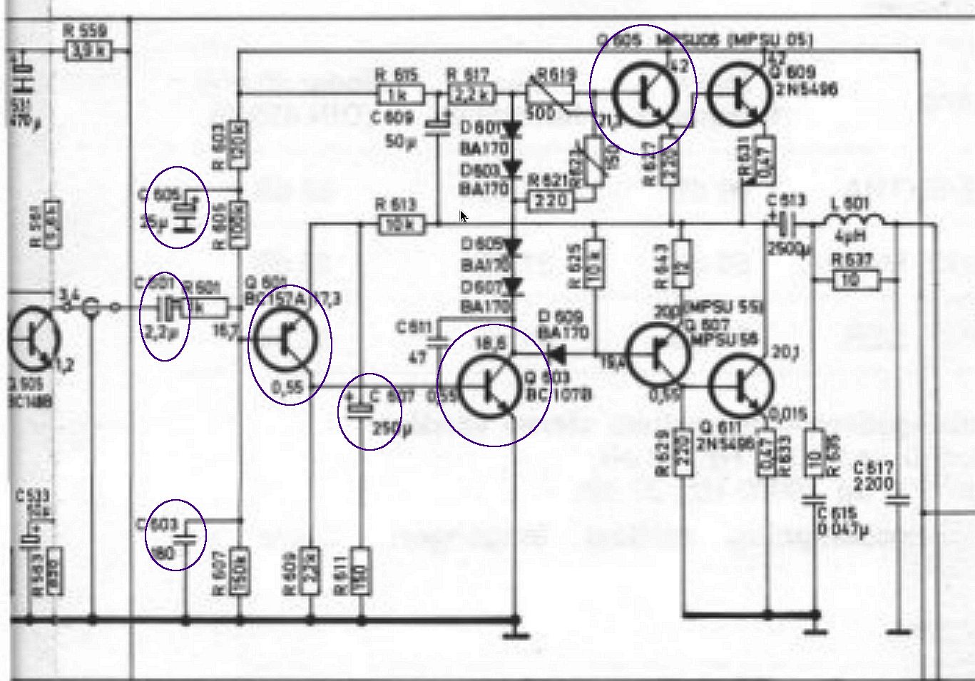
Danke für die Tipps. Bei der nächsten Regenperiode werde ich mich an die Arbeit machen und berichten. Hier der Schaltungsausschnitt vom NF-Verstärker:





5 Koppelkondensatoren habe ich je Kanal ausfindig machen können. Somit kann man den Fehler ganz gut eingrenzen.

Viele Grüße Volker

"Das Radio hat keine Zukunft." (Lord Kelvin, Mathematiker und Physiker (1824-1907))

Zuletzt bearbeitet am 30.05.24 14:35

Datei-Anhänge
Tandberg TR-200 NF1.jpg Tandberg TR-200 NF1.jpg (230x)

Mime-Type: image/jpeg, 135 kB

Tandberg TR-200 NF2.jpg Tandberg TR-200 NF2.jpg (224x)

Mime-Type: image/jpeg, 90 kB

02.07.24 19:18
Volker 

500 und mehr Punkte

02.07.24 19:18
Volker 

500 und mehr Punkte

Re: Stereoanlage Tandberg TR-200 Rechter NF-Kanal defekt

Hallo zusammen,

den Fehler konnte ich einkreisen. Er muss irgendwo in der Endstufe liegen, wo keine galvanische Trennung durch Koppelkondensatoren besteht. Das macht die Sache nicht einfach. Der Fehler ist noch gemeiner. Nach 5 bis 10 Sekunden verzerrt der Ton, um dann nach weiteren 5 bis 10 Sekunden ist er wieder normal. Und das Spiel fängt wieder von vorne an. Ein Sinus ist während der Verzerrungen im oberen Drittel abgeschnitten. Dreht man die Lautstärke auf, kann man den Fehler provozieren. Dreht man den Ton leise, verschwindet er wieder nach einer Weile. Sieht nach einem thermischen Fehler aus. Aber es ist auch ein mechanischer. Drückt man auf der Leiterplatte herum, kann man den Fehler auch provozieren oder abstellen. Eine genaue Lokalisierung ist nicht möglich. Alle Lötstellen der Endstufe nachgelötet. Mehrfach mit der Lupe nach Haarrissen und Lötbrücken abgesucht. Hilft alles nicht. Sämtliche Elkos der Endstufe sind bereits erneuert und die beiden ersten Transistoren im Signalweg auch. Hat auch nicht geholfen. Bin für jeden Tipp dankbar. Welche Bauteile verhalten sich so komisch? Mir ist ein Totalausfall lieber.



Viele Grüße Volker

"Das Radio hat keine Zukunft." (Lord Kelvin, Mathematiker und Physiker (1824-1907))

Zuletzt bearbeitet am 02.07.24 19:20

02.07.24 21:34
oldie 

250-499 Punkte

02.07.24 21:34
oldie 

250-499 Punkte

Re: Stereoanlage Tandberg TR-200 Rechter NF-Kanal defekt

Hallo Volker,
tut mir leid zu lesen daß es ein verzwicktes Problem ist. Wenn die obere (positive) Halbwelle abgeschnitten ist könnte es daran liegen daß das "Bootstrap" über Elko 50 µF zu R 1k und R 2,2 nicht funktioniert. Um das zu prüfen am + Pol Elko mit Scope messen mit und ohne Fehler. Weiter noch mit Scope Einstellung DC den Mittelwert (Gleichspannung) an der Transistorseite des Ausgangselkos messen mit und ohne Fehler. Denkbar auch daß der Treibertransistor Q 803 ? (kann in der Grafik die Zeichen nur unscharf sehen) ab einer gewissen Spannung am Collector zu Basis leitend wird und damit ein weiteres ansteigen der Collectorspannung verhindert was dann zur Begrenzung des positiven Sinussignals führt.
Mit Gruß
Sven

02.07.24 21:50
Volker 

500 und mehr Punkte

02.07.24 21:50
Volker 

500 und mehr Punkte

Re: Stereoanlage Tandberg TR-200 Rechter NF-Kanal defekt

Hallo Sven,

danke für deine Antwort. Anbei ein besseres Bild des Stromlaufplans der rechten Endstufe. Die bereits getauschten Bauteile habe ich markiert:




Oh, ein Fehler. Den C in der unteren linken Ecke hatte ich nicht getauscht. Nur die Elkos wurden getauscht, auch der 50 uF oben, der nicht markiert ist. Der große Elko zum Lautsprecher ist in Ordnung. Den Ruhestrom habe ich natürlich nachjustiert.

Viele Grüße Volker

"Das Radio hat keine Zukunft." (Lord Kelvin, Mathematiker und Physiker (1824-1907))

Zuletzt bearbeitet am 02.07.24 21:56

Datei-Anhänge
rechte_Endstufe_Tandberg-mit-Markierung.jpg rechte_Endstufe_Tandberg-mit-Markierung.jpg (231x)

Mime-Type: image/jpeg, 178 kB

 1 2 3 4 5
 1 2 3 4 5
Transistor   Transistoren   Stereoanlage   Zuletzt   Halbleiter-Komponenten-Tester   bearbeitet   Tandberg   Stromverstärkungsfaktor   Grüße   Quasi-Komplementär-Endstufe   NF-Kanal   Operationsverstärkerschaltungen   Transistorgehäuseabmessungen   Siliziumkleinleistungstransistoren   Mathematiker   Transistorkennlinienschreiber   Endstufentransistoren   Rechter   1824-1907   LCD-Hintergrundbeleuchtungsspannung