| Passwort vergessen?
Sie sind nicht angemeldet. |  Anmelden

Sprache auswählen:

Wumpus Gollum Forum von
Wumpus Welt der (alten) Radios
Sie sind nicht angemeldet.
 Anmelden

Sparschaltung Graetz Super 171W
  •  
 1
 1
11.04.12 15:52
Reini

nicht registriert

11.04.12 15:52
Reini

nicht registriert

Sparschaltung Graetz Super 171W

Hallo Radiogemeinde,

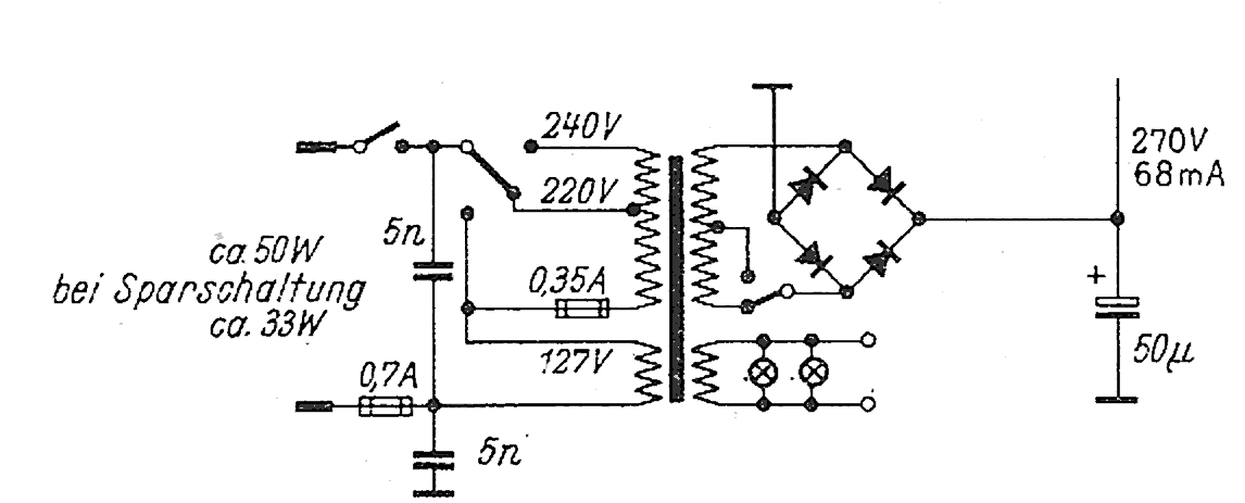
habe noch einen Graetz Super 171W zu restaurieren und zu reparieren.Dabei fiel mir auf das diese Radio über eine
Sparschaltung im Netzteil verfügt. Es erfolgt eine Absicherung über 2 Sicherungen mit 0,350 A und 0,7 A.
Da mir der Schaltplan nicht zur Verfügung, steht, kann ich damit nichts anfangen.
Vielleicht hat jemand dieses Gerät und kann mir darüber Informatioen geben und gibt es die Sicherung von 0,7A noch?.

Grüße von Reini

Noch gefällt der Beitrag keinem Nutzer.
!
!!! Fotos, Grafiken nur über die Upload-Option des Forums, KEINE FREMD-LINKS auf externe Fotos.    

!!! Keine Komplett-Schaltbilder, keine Fotos, keine Grafiken, auf denen Urheberrechte Anderer (auch WEB-Seiten oder Foren) liegen!
Solche Uploads werden wegen der Rechtslage kommentarlos gelöscht!

Keine Fotos, auf denen Personen erkennbar sind, ohne deren schriftliche Zustimmung.

Den Beitrag-Betreff bei Antworten auf Threads nicht verändern!
11.04.12 16:39
Wolle 

500 und mehr Punkte

11.04.12 16:39
Wolle 

500 und mehr Punkte

Re: Sparschaltung Graetz Super 171W

Hallo Reini.

Die Sparschaltung wird durch eine Absenkung der Anodenspannung realisiert. Hierzu hat die Anodenwicklung des Netztrafos eine Anzapfung.
Die Feinsicherungen sind durch Sicherungen nach heutigem Standard zu ersetzen. Das wären 0,4AT für die Sicherung 0,35A und 0,8AT als Ersatz für die Sicherung 0,7A. Es empfielt sich, träge Sicherungen einzusetzen, damit sie nicht durch den Einschaltstrom auslösen.



Mit vielen Grüßen.
Wolle

Datei-Anhänge
171W_Netzteil.png 171W_Netzteil.png (312x)

Mime-Type: image/x-png, 15 kB

13.04.12 11:28
Reini

nicht registriert

13.04.12 11:28
Reini

nicht registriert

Re: Sparschaltung Graetz Super 171W

Hallo Wolle,

bedanke mich für Deine Ausführungen zur Sparschaltung meines Graetz 171 W.
Die Schaltung konnte ich auch gut gebrauchen.Leider habe ich einen kompletten Schaltplan noch nicht
finden können.
Werde trotzdem weiter an der Reparatur und Restaurierung arbeiten.


Grüße aus der Altmark
Reini

 1
 1
Restaurierung   Radiogemeinde   Anodenwicklung   reparieren   kompletten   Sicherung   Absicherung   Feinsicherungen   Anodenspannung   Sparschaltung   Ausführungen   Netztrafos   restaurieren   Informatioen   gebrauchen   Einschaltstrom   realisiert   einzusetzen   Schaltplan   Sicherungen