| Passwort vergessen?
Sie sind nicht angemeldet. |  Anmelden

Sprache auswählen:

Wumpus Gollum Forum von
Wumpus Welt der (alten) Radios
Sie sind nicht angemeldet.
 Anmelden

Oscilloscope Tektronix 454
  •  
 1 .. 4 5 6 7 8 .. 17
 1 .. 4 5 6 7 8 .. 17
23.10.11 20:24
Volker 

500 und mehr Punkte

23.10.11 20:24
Volker 

500 und mehr Punkte

Re: Oscilloscope Tektronix 454

Hallo Martin,

ich fühle mich betrogen. Der Erstbesitzer meines Oszilloskops war die schwedische Flugsicherungsbehörde, an welche ich einen Nachforschungsantrag richten werde und gegebenenfalls die Herausgabe des Lötzinns verlangen werde
.

Da ist aber noch etwas: Ich finde die Hintergrundbeleuchtung etwas zu dunkel, obwohl beide Birnchen brennen. Nun wollte ich das Poti reinigen und dazu den Drehknopf abschrauben, was aber nicht ging. Keiner meiner Inbus-Schlüssel passt. Wahrscheinlich, weil ich welche nach DIN habe und die Inbus im Tektronix der amerikanischen Norm entsprechen. Ich habe mir deshalb einen passenden Inbus zurechtgefeilt. Trotzdem ließ sich die Schraube selbst unter Zugabe von Kriechöl nicht lösen. Kältespray habe ich leider nicht. Damit geht es manchmal auch. Die Inbus-Schraube zieht sich durch die Kälte zusammen.

Inzwischen habe ich einen einfachen aktiven 1:1-Taskopf für den Tektronix gebaut, welcher bis 50 MHz um 3 dB abfällt. Eingangskapazität etwa 3 pF bei 1 MegOhm, Ausgangangswiderstand etwa 50 Ohm. Damit macht das Arbeiten schon mehr Spaß. Für andere Oszilloskope und Zwecke geht der Tastkopf selbsverständlich auch.

Viele Grüße Volker

"Das Radio hat keine Zukunft." (Lord Kelvin, Mathematiker und Physiker (1824-1907))

Zuletzt bearbeitet am 23.10.11 21:07

!
!!! Fotos, Grafiken nur über die Upload-Option des Forums, KEINE FREMD-LINKS auf externe Fotos.    

!!! Keine Komplett-Schaltbilder, keine Fotos, keine Grafiken, auf denen Urheberrechte Anderer (auch WEB-Seiten oder Foren) liegen!
Solche Uploads werden wegen der Rechtslage kommentarlos gelöscht!

Keine Fotos, auf denen Personen erkennbar sind, ohne deren schriftliche Zustimmung.

Den Beitrag-Betreff bei Antworten auf Threads nicht verändern!
23.10.11 20:29
Martin.M 

500 und mehr Punkte

23.10.11 20:29
Martin.M 

500 und mehr Punkte

Re: Oscilloscope Tektronix 454

ich kann das bestätigen, der 453 leuchtet auch nicht so dolle...
Allerdings hatte ich auch nur 5,7v gemessen bei vollem Licht.

Das Lötzinn, ich glaub der Stan hat welches in seinem Shop, Originalrollen.
ich brauch auch noch welche, das fehlt öfters

nette Grüße
Martin


p.s. Bauanleitungen sind herzl. willkommen


Werkzeugtip:
Wenn du einen Bitsatz mit den kl. Inbus hast, da sind auch welche bei für so komische Schrauben, der hat 6 Zähnchen und mittig ein Loch. Das paßt in die US-Inbus-Knöpfe

Zuletzt bearbeitet am 23.10.11 20:34

24.10.11 13:43
Volker 

500 und mehr Punkte

24.10.11 13:43
Volker 

500 und mehr Punkte

Re: Oscilloscope Tektronix 454

Hallo zusammen,

hier mal ein ungewöhnliches Experiment, wie man durch eine Rückkopplung zwischen einem Oszilloskop und einem hochohmigen Tastkopf einen Oszillator "bauen" kann:



Zum Einsatz kam natürlich der Tektronix 454. Den Tastkopf habe ich selbst gebaut.

Viele Grüße Volker

"Das Radio hat keine Zukunft." (Lord Kelvin, Mathematiker und Physiker (1824-1907))

16.02.13 23:01
regency 

500 und mehr Punkte

16.02.13 23:01
regency 

500 und mehr Punkte

Re: Oscilloscope Tektronix 454

Hallo liebe Tek Freunde,
bei der Fehlersuche in einem 454 hänge ich fest und bin für einen Rat dankbar. Die Röhre scheint noch vital zu sein, ein Leuchtpunkt erscheint aber nur mit dem Beamfinder. Sonst passiert nichts. Das geöffnete Gerät ist optisch sehr gut in Schuss, die Platinen sind sauber, der Lüfter geht. Allerdings fehlt auch hier der Filter, so dass ich den Staub um die Leistungstransistoren des Netzteils entfernt habe.

Das ausführliche Service-Manual habe ich und hoffe, die 85 Schritte zum Kalibrieren bald angehen zu können.

Doch dazu muss erstmal die Reparatur gelingen! Das Gerät verdient Respekt, es ist analoge Technik vom Feinsten!

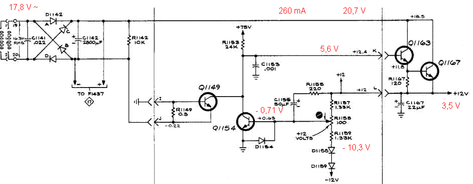
Die Leistungsaufnahme ist insgesamt zu gering, alle Sicherungen sind intakt. So habe ich das Netzteil zunächst am Wickel. Die Spanungen +150 Volt, +75 Volt, -12 V sind o.k. Lämpchen auch. Nur die +12 Volt nicht, die nur rund 3,5 Volt liefert, bei Stromabgabe von 260 mA. Da sämtliche Platinen +12 Volt brauchen, muss die Ursache gefunden werden.

Hier der Auszug aus dem Schaltplan mit ein paar gemessenen Spannungswerten.



Das +12 Volt Netzteil braucht die beiden stabilen 75 Volt und -12 Volt (Martin hat es weiter oben für Volker beschrieben). Das +12 Volt Netzteil speist nach der Graetzbrücke wohl zusätzlich einen Generator für den Hochspannungstrafo. Das funktioniert auch und kann durch Entfernen einer Sicherung abgeschaltet werden. Was auffällt ist die recht hohe Spannungsdifferenz (> 2Volt) der Basis-Emitter-Strecken der Darlingtonstufe. Einzeln gemessen zeigen die Transistoren typische pn Spannungen für Silizium (ca. 0,6 Volt). Die Gleichsstromverstärkungen (hFE) liegen bei 35 und bei 200 (Q1167 = 2N3055; 115 Watt zul. max Verlustleistung, eigentlich unkaputtbar).

Die rein ohmsche Last gegen Masse nach dem Netzteil sind gemessene 10,7 Ohm, dass scheint mir sehr niedrig. Vielleicht ist auf irgeneiner Platine etwas niederohmig geworden...

Schöne Grüße,
Jan

Datei-Anhänge
netzteil2V.gif netzteil2V.gif (670x)

Mime-Type: image/gif, 19 kB

17.02.13 07:33
Matt 

500 und mehr Punkte

17.02.13 07:33
Matt 

500 und mehr Punkte

Re: Oscilloscope Tektronix 454

Hallo Jan

R1149 = Strombegrenzungswiderstand, wieviel Volt liegt da an?

Falls 0,7V oder ähnlich, wo da Transistor anspricht-> zu hohe Hunger.
Massnahme: Suche nach kurzschlüsse, feinschlüsse.
-> Unter von Schaltplan, wo da aufgeschrieben, wo da +12V -12V und so weiter angeschlossen wird. " Power Distribution & Decoupling"
einer kabeln abziehen und einschalten, andere Kabeln ziehen und einschalten, .........irgendwann erwischt du fiese Fehler.

Ich habe letzter wochen auch diese Tek repariert (Modell 453, kleinere Bruder von 454), 12V, liefert auch nur verbrummte 8V, Längstransistor Q1167 ist kaputt, schade um RCA-Transistor. Ursache: geschädigte HV-Trafo...längere Laufzeit bricht Hochspannung zusammen und lässt Längstransistor oszilliert...auch wenn es von Schaltplan nicht so aussieht, ist aber so wahr.. und gemesst.

Grüss
maatt

Zuletzt bearbeitet am 17.02.13 07:35

17.02.13 09:32
Martin.M 

500 und mehr Punkte

17.02.13 09:32
Martin.M 

500 und mehr Punkte

Re: Oscilloscope Tektronix 454

hallo Matt,

Die Darlingtonschaltung am Ausgang hat eine Spannungsverstärkung <1 und wird mit nur 5,6V angesteuert, wenn man da 2x0,7V von abzieht kann sie max 4,2V abgeben, d.h. die läuft abgeregelt.
An eine Überlastung glaub ich hier aber nicht da 260mA nicht ausreichen um diese zu erreichen.

Ich würde den Strombegrenzungswiderstand nachmessen ob er stimmt,
die Steckverbindung 1-2 prüfen,
den 24k zu +75V nachmessen ob er stimmt und die beiden Transistoren vorn einer einfachen Funktionsprüfung unterziehen.

nette Grüße
Martin

17.02.13 10:07
Volker 

500 und mehr Punkte

17.02.13 10:07
Volker 

500 und mehr Punkte

Re: Oscilloscope Tektronix 454

Hallo Jan,

Gratulation zu deinem schönen 454. Lasse mich mal zusammenfassen, was ich bei meinem 454 festgestellt habe.

1. Verdreckte elektrische Kontakte. Die geben natürlich ein völlig chaotisches Fehlerbild der Y-Verstärkung, der Strahlablenkung und der Zeitbasis.

2. Viele Dioden der Brückengleichrichter waren buchstäblich zerbröselt. Kontrolle der Spannungen an den entsprechenden Siebelkos notwendig.

3. Einer der steckbaren Kleinleistungstransistoren auf der Platine der Niederspannungsversorgung hatte nur einen Stromvestärkungsfaktor von 50. Das ist zu wenig. Diesen Fehler dieser verwickelten Schaltung, in der sich die verschiedenen Ausgangsspannungen gegebenseitige bedingen, habe ich nur dadurch gefunden, dass ich nach einigen Irrwegen den Stromvestärkungsfaktor aller steckbaren Transistoren auf dieser Platine der Reihe nach gemessen habe. Wenn ein Kleinleistungstransistor ein Beta unter 100 oder 150 hat, ist er verdächtig. Mache ein Foto von der Leiterplatte, drucke es aus und notiere dir das Beta von jedem Transistor. Ich hatte das nicht so systematisch gemacht und musste dann 2 Mal messen. Es kann auch sein, dass mehrere Transistoren ein zu kleines Beta haben, was dann durch dieses Zusammenwirken zum Versagen der Schaltung führt. Nachfolgend ein Bild von der Leiterplatte:



Die kleinen schwarzen Transistoren sind steckbar. Es sind entweder npn- oder pnp-Siliziumtransistoren. Einer von denen rechts unten war defekt. Mehr unter http://elektronikbasteln.pl7.de/reparatu...op-150-mhz.html.

Bei meinem Tek traten also mehrere Fehler gleichzeitig auf. "Komorbidität" ist eben typisch für Altersschwäche. Es ist wahrscheinlich, dass einige Fehler beim 454 gehäuft auftreten.

Ich drücke dir feste die Daumen, dass du den 454 wieder zum Laufen bringst. Der 454 ist wirklich faszinierend aufgebaut. Das war die Spitzentechnologie der 60er Jahre. Mit Sicherheit war so ein 454 auch ein Statussymbol unter Entwicklern, Ingenieuren und Technikern.

Zuletzt bearbeitet am 17.02.13 10:14

17.02.13 11:07
Martin.M 

500 und mehr Punkte

17.02.13 11:07
Martin.M 

500 und mehr Punkte

Re: Oscilloscope Tektronix 454

hallo alle,

Matt & Martin halten T 1149 und T1154 für ohne weiteres tauschbar gegen BC547 und Verwandte. Da sie gesteckt sind, Test
Pinbelegung beachten.



nette Grüße
Martin

17.02.13 11:25
Volker 

500 und mehr Punkte

17.02.13 11:25
Volker 

500 und mehr Punkte

Re: Oscilloscope Tektronix 454

Hallo zusammen,

das kann ich bestätigen. Ich habe einen BC550 genommen. Die modernen Kleinleistungs-Siliziumtransistoren gehen in der Schaltung als Ersatz für die steckbaren Transistoern problemlos. Natürlich PNP und NPN nicht verwechseln.

Zuletzt bearbeitet am 17.02.13 11:26

17.02.13 11:56
Matt 

500 und mehr Punkte

17.02.13 11:56
Matt 

500 und mehr Punkte

Re: Oscilloscope Tektronix 454

Hallo

In Netzteil kann man sogar gegen lahme Transistor ersetzen, dafür schreit Vertikal-verstärker nach UHF-Transistor.
beim meiner 453 ist da eine Transistor von Vorbesitzer durch langsame 2N3906 ersetzt...Grenfrequenz ist auf 16 Mhz abgesunken.
Orginal: 2N4258 oder 2N5771, schlecht beschaffbar, da PNP Si Transistor, der auch schnell sein muß. NPN Typ ist leichter ersetzbar, PNP kaum.

Aus billige TV habe ich 400Mhz Transistor rausgelötet und verbaut..da stimmt Grenzfrequenz (Soll 52,5Mhz, IST knapp 60Mhz) wieder.

Welch eine Drama beim schnelles Transistor, ich denke: ich soll solcher Transistor auch hamstern , nebenbei Tunneldiode.

Grüss
matt

 1 .. 4 5 6 7 8 .. 17
 1 .. 4 5 6 7 8 .. 17
Transistor   Physiker   Spannung   zusammen   Universal-Rostlöser-Kontaktspray   Emitter-Basis-Schwellenspannung   Transistoren   1824-1907   Grüße   Oscilloscope   Netzteil   Kleinleistungs-Siliziumtransistoren   Zuletzt   Kollektor-Emitter-Sperrwiderstand   Niederspannungsnetzteilplatine   Mathematiker   Tektronix   Platine   bearbeitet   Lüfter