| Passwort vergessen?
Sie sind nicht angemeldet. |  Anmelden

Sprache auswählen:

Wumpus Gollum Forum von
Wumpus Welt der (alten) Radios
Sie sind nicht angemeldet.
 Anmelden

Schlumberger 5023
  •  
 1 2
 1 2
24.02.19 17:35
Mittelwellenradio 

100-249 Punkte

24.02.19 17:35
Mittelwellenradio 

100-249 Punkte

Schlumberger 5023

Hallo liebe Forumsmitglieder!

Ich habe ein sehr schönes Schlumberger Oszi geschenkt bekommen. Ich möchte es sehr gerne herrichten, habe mich auch schon den ganzen Sonntag damit beschäftigt ohne Erfolg.
Das Gerät zeigt folgenden Fehler: Wenn ich ein Rechtecksignal einspeise, sehe ich schwach dieses Signal (guter Kontrast und Helligkeit), der Spannungswähler reagiert auf 2 Stufen ein klein wenig alle anderen Bereiche ohne Funktion. Kennt von euch einer diesen Fehler?
Habe schon Stunden an der y-Verstärkerschaltung verbracht. Oder liege ich ganz falsch?
Über jeden Tipp würde ich mich freuen.
Schönen Sonntag Abend: Willi

Martin.M gefällt der Beitrag.
!
!!! Fotos, Grafiken nur über die Upload-Option des Forums, KEINE FREMD-LINKS auf externe Fotos.    

!!! Keine Komplett-Schaltbilder, keine Fotos, keine Grafiken, auf denen Urheberrechte Anderer (auch WEB-Seiten oder Foren) liegen!
Solche Uploads werden wegen der Rechtslage kommentarlos gelöscht!

Keine Fotos, auf denen Personen erkennbar sind, ohne deren schriftliche Zustimmung.

Den Beitrag-Betreff bei Antworten auf Threads nicht verändern!
25.02.19 16:42
Martin.M 

500 und mehr Punkte

25.02.19 16:42
Martin.M 

500 und mehr Punkte

Re: Schlumberger 5023

hallo Willi,

das knöpfen wir uns mal vor. Liegt dir der Schaltplan vom Gerät vor?

lG Martin

26.02.19 07:02
Mittelwellenradio 

100-249 Punkte

26.02.19 07:02
Mittelwellenradio 

100-249 Punkte

Re: Schlumberger 5023

Hallo Martin!

Vielen, vielen Dank für deinen Beitrag, ja Schaltplan ist vorhanden.
L.G. Willi

26.02.19 17:19
Martin.M 

500 und mehr Punkte

26.02.19 17:19
Martin.M 

500 und mehr Punkte

Re: Schlumberger 5023

hallo Willi,

Teil1: Bitte messen:

DC-V, gegen Gerätemasse, Netzteil Ausgangsspannungen:

+12V

-6V (negative Spannung bezogen auf die Gerätemasse.

Zwischen +12V und -6V sollen 18V zu messen sein.
Wenn da etwas nicht stimmt braucht man im Gerät selbst garnicht erst anfangen.
Bitte aufpassen, es liefert auchnoch +276 Volt, auf die eigene Sicherheit achten.

Das Netzteil arbeitet als 18V und dahintergeschaltet einen Spannungsteiler der mit einem Leistungstransistor den Massepunkt festlegt.
Die Masse des Festspannungsreglers ist somit nicht die Gerätemasse sondern die -6V. Die Spannungsteilerschaltung 2:1 zum festlegen der Gerätemasse besteht aus einem Operationsverstärker (741 oder beliebiger) mit nachgesetztem Transistor dessen Emitter auf Masse gelegt ist. Wenn da was nicht stimmt kann sich - obwohl der 18V Regler korrekt liefert - die Aufteilung verschieben, sodaß es zum Beispiel +10V und -8V liefern könnte was in der summe wieder die 18V ergibt. Daher ist das so genau zu untersuchen

lG Martin

Zuletzt bearbeitet am 26.02.19 17:27

02.03.19 15:30
Mittelwellenradio 

100-249 Punkte

02.03.19 15:30
Mittelwellenradio 

100-249 Punkte

Re: Schlumberger 5023

Hallo Martin!

Danke für deine Hilfe, habe mich heute daran gemacht die Spannungen zu messen. Alles Ok, wie du geschrieben hast. Es Sind Operationsverstärker verbaut 741. Den nachgesetzten Transistor werde ich mal auslöten und durchmessen.
L.G. Willi

02.03.19 19:27
Martin.M 

500 und mehr Punkte

02.03.19 19:27
Martin.M 

500 und mehr Punkte

Re: Schlumberger 5023

hallo Willi,

Das Netzteil liefert drei Spannungen bezogen auf Masse.
Als Masse kannst du die Eingangsbuchse außen nehmen, die liegt garantiert auf Masse.

einmal muß es plus 12V liefern
einmal muß es minus 6V liefern, d.h. Masse ist hier Plus
einmal muß es plus 276V liefern (Vorsicht hohe Spannung)

Wenn die alle drei dasind ist mit dem Netzteil alles bestens.

lG Martin

03.03.19 10:12
Mittelwellenradio 

100-249 Punkte

03.03.19 10:12
Mittelwellenradio 

100-249 Punkte

Re: Schlumberger 5023

Hallo Martin!

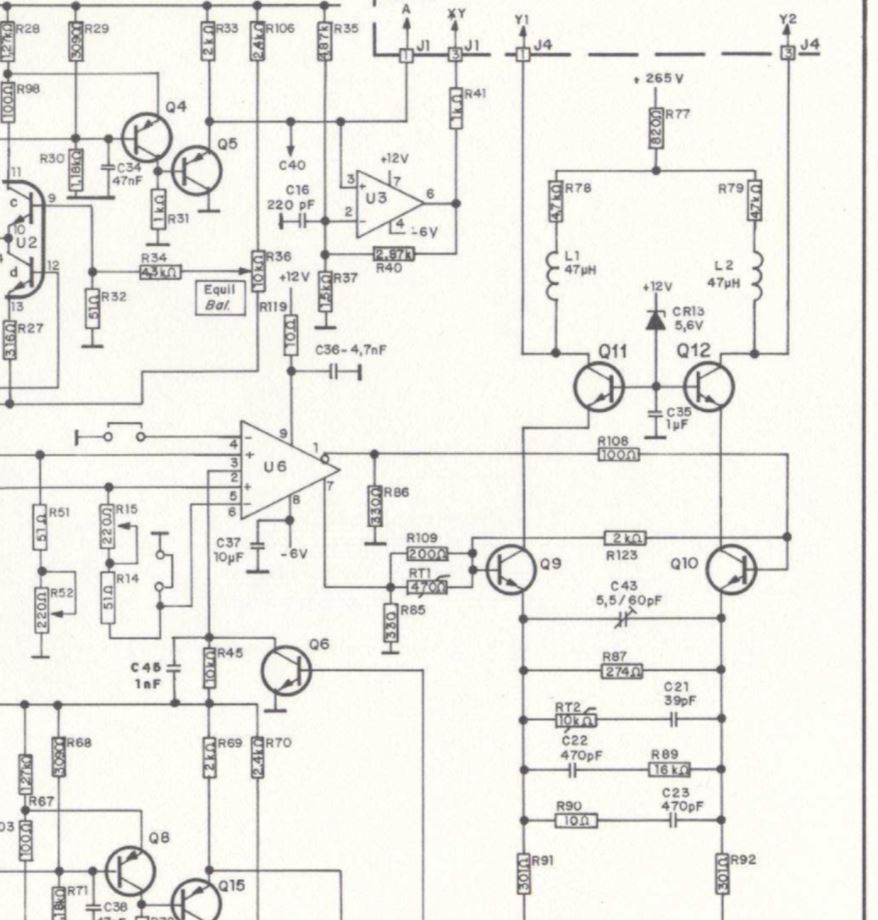
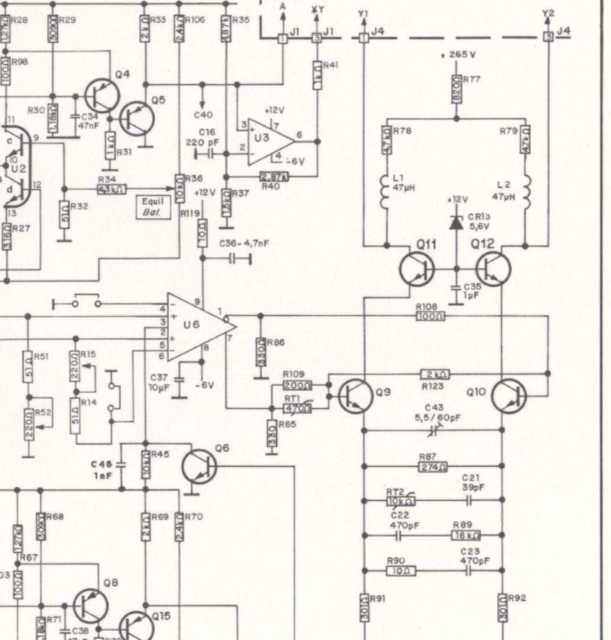
Alle Spannungen bestens. Ich habe mich gestern wieder mit dem Gerät beschäftigt. Q11+Q12 (BF468) werden heiß, ob das normal ist kann ich nicht beurteilen, weil große Kühlfahnen angebracht sind. Diese 2 Trans sind nach meinen Messungen aber in Ordnung. Die Zenerdiode dazwischen liefert auch 5,6V. Ich habe mal ein Rechtecksignal eingespeist, auf der Basis von Q10 (Q9,Q10= 2N2369A)ist das Signal noch vorhanden, nicht jedoch auf der Basis von Q9???
Hast du einen weiteren Tipp?
Danke, Grüße: Willi

03.03.19 11:03
Martin.M 

500 und mehr Punkte

03.03.19 11:03
Martin.M 

500 und mehr Punkte

Re: Schlumberger 5023

hallo Willi,

du bist also in der Ablenkung unterwegs.



jetzt mal an den Ausgängen zu den Ablenkplatten Y1 und Y2 messen welche Spannungen da anzutreffen sind.
Messbereich: DC, <100V
Bitte kein Signal bei dieser Messung.
Voreinstellung = XY Betrieb, horiz. Mitte, vertik. Mitte

Soll: in etwa gleichhohe Spannung.
ist? sagst du uns bitte.

lG Martin

Zuletzt bearbeitet am 03.03.19 11:06

Datei-Anhänge
5023defl.JPG 5023defl.JPG (364x)

Mime-Type: image/jpeg, 100 kB

03.03.19 12:24
Mittelwellenradio 

100-249 Punkte

03.03.19 12:24
Mittelwellenradio 

100-249 Punkte

Re: Schlumberger 5023

Hallo Martin!

Es liegen 22,1 + 22,2 Volt gemessen gegen Masse an.
LG: Willi

03.03.19 14:15
Martin.M 

500 und mehr Punkte

03.03.19 14:15
Martin.M 

500 und mehr Punkte

Re: Schlumberger 5023

hallo Willi,
ich seh da keinen Fehler, das sieht gut aus.

lG Martin

 1 2
 1 2
Spannungswähler   Symmetrieproblem   Rechtecksignals   Rechtsanschlag   Spannungsteilerschaltung   dahintergeschaltet   Rechtecksignal   sicherstellen   nachgesetztem   nachgesetzten   Schlumberger   Gerätemasse   Festspannungsreglers   Operationsverstärker   Ausgangsspannungen   Spannungsteiler   y-Verstärkerschaltung   Eingangsbuchse   Leistungstransistor   Forumsmitglieder