| Passwort vergessen?
Sie sind nicht angemeldet. |  Anmelden

Sprache auswählen:

Wumpus Gollum Forum von
Wumpus Welt der (alten) Radios
Sie sind nicht angemeldet.
 Anmelden

VE301 B2, Fragezeichen bei der Heizbatterie
  •  
 1
 1
05.08.17 16:00
WoHo 

500 und mehr Punkte

05.08.17 16:00
WoHo 

500 und mehr Punkte

VE301 B2, Fragezeichen bei der Heizbatterie

Man hatte Mitte der 30er Jahre die Batterieversion des Volksempfängers verbessert, indem die neuen 2 Volt-Röhren (2x KC1 und die KL1) verwendet wurden!

Ziel war es, Hörer ohne Netzanschluss Radioempfang zu bieten, wobei eine möglichst lange Betriebszeit angestrebt wurde.

1. Mit einer Anodenstromsparschaltung konnte man in den Modulationspausen den Ruhestrom der Endröhre herunterfahren.
2. Der Rückgang der Spannung der Heizbatterie (Trockenelemente !) ließ sich durch Umstecken des Pluspols einigermaßen kompensieren.

Auf der Rückwand werden für die Heizung zwei Möglichkeiten gezeigt:
Einmal mit einem gewöhnlich 2 Volt Akku, der jedoch aufgeladen werden muss, was ohne Netzanschluss nicht geht....
Zum Anderen mit Heiz-Trockenbatterien, welche die Industrie zum Kauf anbieten. Nun wird es etwas kompliziert, weil davon drei unterschiedliche Versionen dokumentiert sind.

Ich beginne mal mit der Beschreibung, welche Rainer unter „Gemeinschaftsempfänger“ auf seiner Homepage gesetzt hat:
…. Ziel der Stromsparschaltung war ein täglicher Betrieb von 3 Stunden für 250 Tage ! In die Heizbatterie war ein Vorwiderstand mit 1,3 und 1 Ohm eingebaut. Damit konnte über die Wochen hinweg das Nachlassen der Heizspannung durch Umstecken der Leitung zur Batterie kompensiert werden. Das war gegenüber dem VE301B eine deutliche Verbesserung. 


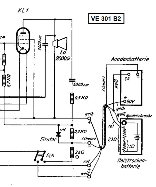
Hier ein Schaltungsauszug davon:



Wir sehen zwei Elemente welche im Neuzustand 3 Volt liefern und dann mit einem Gesamtwiderstand von 2,3 Ohm auf 2 Volt reduziert wird.
Wenn man das durchrechnet (bei Ih= 0,28A), müsste dieser eigentlich ~ 3,6 Ohm betragen. Allerdings darf man den Widerstand der Zuleitungen nicht vergessen der mit 1,3 Ohm die Rechnung komplettiert.
Hinweis: Im obigen Schaltbild sind die Symbole für die galvanischen Elemente und Diode nach heutiger Norm verkehrt herum gezeichnet!

Bei der Durchsicht des Radio-Katalogs Prohaska von 1935/36 findet man auf Seite 151 noch andere Heizbatterien:



Da ist zunächst die PERTRIX Aerodyn, ebenfalls mit drei Abgriffen, jedoch mit einer
Oberspannung von 4,5 Volt. Das ist mehr als das Doppelte der nominalen Heizspannung der K-Röhren !!
Erst dachte ich an einen Druckfehler, aber im Katalog Radio Fricke stehen auf Seite 92 die gleichen Angaben. Ebenso im Illustrierten Radio Katalog auf Seite 54.



Man darf davon ausgehen, dass die Mehrzahl der Radiobesitzer so gut wie keinen Verstand von Strom-Spannung und Widerstand haben. Also, aus Unkenntnis den Heizstecker bei einer frischen Batterie in Position 3 stecken und damit die Röhren schädigen!! Auf diese Gefahr wird in der Beschreibung nicht deutlich genug hingewiesen....

Um diese Widrigkeiten zu vermeiden hatte die Firma ZEILER auch eine spezielle Heizbatterie Nr. 558 für den VE301 B2 entworfen, die ein Umstecken erübrigt. In die Batterie wurde ein Kaltleiter (PTC) eingebaut der seinen Widerstand dem Entladezustand automatisch anpasst, was eine erwünschte Sicherheit bietet. Vielleicht sah das so aus:



Zum Schluss noch eine Bitte an die Leser:
Hat jemand zu den letztgenannten Trockenbatterien Fotos, Berichte oder genauere Unterlagen?

Gruß aus NL, Wolfgang

Datei-Anhänge
VE301B2-orig-640.jpg VE301B2-orig-640.jpg (411x)

Mime-Type: image/jpeg, 61 kB

VE301 B2-- Hzg Prohaska.jpg VE301 B2-- Hzg Prohaska.jpg (432x)

Mime-Type: image/jpeg, 87 kB

VE301 B2-- Hzg Pertrix Aerodyn.png VE301 B2-- Hzg Pertrix Aerodyn.png (414x)

Mime-Type: image/png, 62 kB

VE301 B2-- Hzg ZEILER 558.jpg VE301 B2-- Hzg ZEILER 558.jpg (407x)

Mime-Type: image/jpeg, 49 kB

WalterBar und apollo gefällt der Beitrag.
!
!!! Fotos, Grafiken nur über die Upload-Option des Forums, KEINE FREMD-LINKS auf externe Fotos.    

!!! Keine Komplett-Schaltbilder, keine Fotos, keine Grafiken, auf denen Urheberrechte Anderer (auch WEB-Seiten oder Foren) liegen!
Solche Uploads werden wegen der Rechtslage kommentarlos gelöscht!

Keine Fotos, auf denen Personen erkennbar sind, ohne deren schriftliche Zustimmung.

Den Beitrag-Betreff bei Antworten auf Threads nicht verändern!
05.08.17 18:12
wumpus 

Administrator

05.08.17 18:12
wumpus 

Administrator

Re: VE301 B2, Fragezeichen bei der Heizbatterie

Hallo Wolfgang,


Das was Du vorträgst, hat schon damals Radioamateure beschäftigt. Mein Onkel Willi, ein damals sehr aktiver Radiobastler hat für seine Eltern und deren Wochenendhaus an der Dahme (Grundstück ohne Strom) für den VE301 B2 einen weiteren Vorwiderstand in die Leitung eingeklemmt. Er wollte damit die Untaten seines Vaters verhindern, der (viel hilft viel) immer sofort "volle Pulle" an die Heizfäden der Röhren legte und sich über seinen Röhren / und Batterie - Verbrauch wunderte. Mein Onkel hatte wohl zwangsweise immer einen 1,5 Ohm eingeschleift, immerhin ...

Grüße von Haus zu Haus
Rainer, DC7BJ (Forumbetreiber)
Ein Leben ohne Facebook ist möglich, aber(und) sinnvoll.

Welt der alten Radios:
http://www.welt-der-alten-radios.de

Wumpus-Gollum-Forum:
http://www.wumpus-gollum-forum.de/forum

Virtuelle Voxhaus-Gedenktafel:
http://www.voxhaus-gedenktafel.de

 1
 1
Heizbatterie   „Gemeinschaftsempfänger“   Batterieversion   welt-der-alten-radios   unterschiedliche   Modulationspausen   Gesamtwiderstand   herunterfahren   Vorwiderstand   Heiz-Trockenbatterien   Möglichkeiten   Anodenstromsparschaltung   Wumpus-Gollum-Forum   Radio-Katalogs   Trockenelemente   Trockenbatterien   Voxhaus-Gedenktafel   Schaltungsauszug   Volksempfängers   Stromsparschaltung