| Passwort vergessen?
Sie sind nicht angemeldet. |  Anmelden

Sprache auswählen:

Wumpus Gollum Forum von
Wumpus Welt der (alten) Radios
Sie sind nicht angemeldet.
 Anmelden

UHF-Modulator "Recycling"
  •  
 1 2 3
 1 2 3
19.01.15 10:54
Frank

nicht registriert

19.01.15 10:54
Frank

nicht registriert

Re: UHF-Modulator "Recycling"

Hallo Florian,

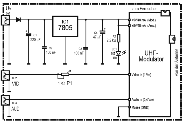
ich weiß nicht was du für einen Modulator hast, aber wenn das so ein einfacher ist wie sie früher in die analog-Receiver verbaut waren, dann bringt ein Widerstand in Reihe meist bessere Bilder. Ich hatte damals mal einen Receiver genau untersucht da war der Modulator einfach an der Scartbuchse mit einen 1kOhm in Reihe angeschlossen. Irgendwo im Netz hatte ich dann auch mal die Schaltung dazu gefunden.

Gruß Frank

PS: da mein Bilderhoster nicht mehr existiert hier noch mal:

Datei-Anhänge
UHF-Modulator.gif UHF-Modulator.gif (519x)

Mime-Type: image/gif, 20 kB

!
!!! Fotos, Grafiken nur über die Upload-Option des Forums, KEINE FREMD-LINKS auf externe Fotos.    

!!! Keine Komplett-Schaltbilder, keine Fotos, keine Grafiken, auf denen Urheberrechte Anderer (auch WEB-Seiten oder Foren) liegen!
Solche Uploads werden wegen der Rechtslage kommentarlos gelöscht!

Keine Fotos, auf denen Personen erkennbar sind, ohne deren schriftliche Zustimmung.

Den Beitrag-Betreff bei Antworten auf Threads nicht verändern!
19.01.15 22:26
Pendler2007 

500 und mehr Punkte

19.01.15 22:26
Pendler2007 

500 und mehr Punkte

Re: UHF-Modulator "Recycling"

Hallo Frank.

Der Modulator stammt aus einem defekten Videorecorder und ist wohl von der Marke Alps.
Mit dem Bild bin ich soweit sehr zufrieden aber aus Neugier werde ich das mit der Reihenschaltung des
Widerstandes mal ausprobieren ob es einen signifikanten Unterschied macht.
Werde ausserdem weiter nach Videorecordern und Recievern zwecks Modulatorgewinnung
Ausschau halten

MfG,
Florian.

19.01.15 22:44
Fernseheumel 

250-499 Punkte

19.01.15 22:44
Fernseheumel 

250-499 Punkte

Re: UHF-Modulator "Recycling"

Hallo Pendler2007!

Die Firma Alps ist ein japanisches Traditionsunternehmen.
Alps baut seit den frühen 50er Jahren Kanalwähler für japanische Fernsehgerätehersteller.
In ihren Abmessungen sind sie kleiner und ähnlich in den Abmessungen wie Philips VHF-Kanalwähler.

Gruß,
Fernseheumel

19.01.15 22:53
Pendler2007 

500 und mehr Punkte

19.01.15 22:53
Pendler2007 

500 und mehr Punkte

Re: UHF-Modulator "Recycling"

Hallo Fernseheumel.

Ich kannte bisher von Alps nur die relativ hochwertigen Potis in besseren Verstärkern

MfG,

Florian.

19.01.15 23:04
Fernseheumel 

250-499 Punkte

19.01.15 23:04
Fernseheumel 

250-499 Punkte

Re: UHF-Modulator "Recycling"

Danke Pendler, noch einer der nicht ins Bett findet!
Ich werde mal eine alte Anzeige einstellen, ich glaub Drehkondensatoren machten sie auch.

Zeit für den MAD! MatrazenAbhörDienst!

Fernseheumel

20.01.15 07:20
ingodergute 

Moderator

20.01.15 07:20
ingodergute 

Moderator

Re: UHF-Modulator "Recycling"

Hallo Frank,

Frank:
Ich hatte damals mal einen Receiver genau untersucht da war der Modulator einfach an der Scartbuchse mit einen 1kOhm in Reihe angeschlossen. Irgendwo im Netz hatte ich dann auch mal die Schaltung dazu gefunden.
das gilt aber meiner Ansicht nach nur für den Anschluss innerhalb des Receivers/Videorecorders.

Wenn ein externer Videorecorder/DVD-Spieler an den Modulator angeschlossen wird, halte ich den von Florian eingesetzte 75 Ohm - Widerstand für besser geeignet. Da der Ausgang des DVD-Spielers für den Anschluss an einen 75-Ohm-Eingang vorgesehen ist, vermeidet man so auch Geister aufgrund von Fehlanpassung (bei kurzen Leitungen vermutlich kaum sichtbar).
Der Einstellregler könnte höchstens zusätzlich nötig sein, wenn der Pegel trotz 75 Ohm - Abschluss noch immer zu groß sein sollte.

Viele Grüße

Ingo.

20.01.15 07:22
Fernseheumel 

250-499 Punkte

20.01.15 07:22
Fernseheumel 

250-499 Punkte

Re: UHF-Modulator "Recycling"

Guten Morgen!
Hier gibt's noch 2 Werbeanzeigen der Firma Alps:

Die mit dem Wellenschalter/Klangschalter ist aus Nummer 09/1950, die für Drehkondensatoren aus 05/1949
Die Fachzeitschrift heißt "Radio Technique & Science".

Gruß,
Fernseheumel

.

Datei-Anhänge
ImageFile_{012C2322-D5A8-45C3-92EB-23B38BA9198B}1.jpg ImageFile_{012C2322-D5A8-45C3-92EB-23B38BA9198B}1.jpg (480x)

Mime-Type: image/jpeg, 458 kB

ImageFile_{DA87FE62-2B20-4AA6-9E26-77D9B16F5A36}1.jpg ImageFile_{DA87FE62-2B20-4AA6-9E26-77D9B16F5A36}1.jpg (463x)

Mime-Type: image/jpeg, 635 kB

20.01.15 09:46
Pendler2007 

500 und mehr Punkte

20.01.15 09:46
Pendler2007 

500 und mehr Punkte

Re: UHF-Modulator "Recycling"

Guten Morgen.

Jetzt müßte man nur noch japanisch beherrschen ....

Allen einen guten Start in den Tag.

Florian.

20.01.15 09:51
Pendler2007 

500 und mehr Punkte

20.01.15 09:51
Pendler2007 

500 und mehr Punkte

Re: UHF-Modulator "Recycling"

Hallo nochmal.

Mir kam gerade die Idee, das Ausgangssignal auf eine Zimmerantenne zu geben...., vielleicht
reicht das Signal um zumindest meine Hobbywerkstatt zu versorgen?

MfG,

Florian.

20.01.15 10:40
Frank

nicht registriert

20.01.15 10:40
Frank

nicht registriert

Re: UHF-Modulator "Recycling"

Hallo Ingo,

Im Prinzip hast du recht, der Ausgang erwartet eine Impedanz von 75 Ohm, aber diese Modulatoren waren da früher in den einfachen Analogreceivern oft am Scart mit angeschlossen und mußten natürlich auch funktionieren wenn kein Scart-Kabel angesteckt war.

Gruß Frank

 1 2 3
 1 2 3
Modulatorgewinnung   Versorgungsspannung   Festspannungsnetzteil   Recycling   Traditionsunternehmen   Überwachungskameras   Philips-Bildmustergenerator   UHF-Modulator   angeschlossen   Modulatoren   BK-Hausverstärkers   SCART-Ausgangspegel   unterschiedliche   Antennensteckdose   Fernsehgerätehersteller   Drehkondensatoren   UHF-Fernsehsignal   Satelliten-Empfänger   Videorecorder   Leistungsanpassung