| Passwort vergessen?
Sie sind nicht angemeldet. |  Anmelden

Sprache auswählen:

Wumpus Gollum Forum von
Wumpus Welt der (alten) Radios
Sie sind nicht angemeldet.
 Anmelden

Philips Chassis KM1
  •  
 1
 1
15.06.13 13:14
Monsterwickie 

250-499 Punkte

15.06.13 13:14
Monsterwickie 

250-499 Punkte

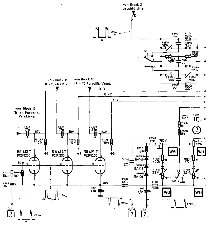
Philips Chassis KM1

Hallo und direkt noch mal ich :
Nebst dem schönen K6 habe ich mir noch einen KM1 unter den Nagel gerissen.
Schaltplan habe ich, dieser ist aber kaum lesbar.
Auch hier Boosterspannung sollte nachgesehen werden.
Booster C wird vorher noch getauscht.

Problem:
s/w Betrieb bringt er ein weißes Bild.
Schaltet das Relais auf Farbe um, ist das Bild nur noch grün.
Da das Chassis KM1 auf dem K7 basieren soll (sieht aus wie ein K6), habe ich es mit einem Plan für ein K7 versucht.
Wie das Relais arbeitet verstehe ich nicht ganz.
Ich dachte es würde die Farbdifferenzröhren zu oder abschalten.
Aber offensichtlich schaltet der nur Widerstände um.

Kann das Relais defekt sein?

Sollte das Hochspannungskabel getauscht werden?
Mir ist das Hochspannungskabel bei einem K7N mit einem sehr lauten Knall um die Ohren geflogen.

Gruß


Hanno

Noch gefällt der Beitrag keinem Nutzer.
!
!!! Fotos, Grafiken nur über die Upload-Option des Forums, KEINE FREMD-LINKS auf externe Fotos.    

!!! Keine Komplett-Schaltbilder, keine Fotos, keine Grafiken, auf denen Urheberrechte Anderer (auch WEB-Seiten oder Foren) liegen!
Solche Uploads werden wegen der Rechtslage kommentarlos gelöscht!

Keine Fotos, auf denen Personen erkennbar sind, ohne deren schriftliche Zustimmung.

Den Beitrag-Betreff bei Antworten auf Threads nicht verändern!
15.06.13 15:27
nobbyrad58 

500 und mehr Punkte

15.06.13 15:27
nobbyrad58 

500 und mehr Punkte

Re: Philips Chassis KM1

Hallo Hanno!

Eventuell hilft Dir das, so wie ich verstanden habe soll es sich um so etwas wie ein K 6 handeln. Dort ist ein Relais mit R und VDR vorhanden.

MFG Nobby

Datei-Anhänge
K 6 mit Relais a.jpg K 6 mit Relais a.jpg (432x)

Mime-Type: image/jpeg, 112 kB

K 6 mit Relais b.jpg K 6 mit Relais b.jpg (395x)

Mime-Type: image/jpeg, 151 kB

15.06.13 15:33
Monsterwickie 

250-499 Punkte

15.06.13 15:33
Monsterwickie 

250-499 Punkte

Philips Chassis KM1

Hallo,
danke für die Antwort.
Es sieht nur aus wie ein K6. Die Bildröhre wird aus dem ZTR geheizt.
Also K7, so wie es im Netz zu lesen ist.

Den Plan habe ich, aber ich finde den Fehler einfach nicht.
Sobald das Relais schaltet gehen rot und blau weg.

Wie das genau funktioniert habe ich nicht verstanden.

Ich dachte es würden die 3 Farbdiffernezröhren abgeschaltet....
Ist aber so nicht.

Kann es an den Reliaskontakten liegen oder den Schiebepotis?

Ich drüber nachgedacht das Relais testweise zu brücken.

Gruß


Hanno

 1
 1
Farbdiffernezröhren   Boosterspannung   Schiebepotis   vorhanden   offensichtlich   Farbdifferenzröhren   abschalten   Schaltet   Hochspannungskabel   Schaltplan   nachgedacht   verstanden   nachgesehen   Reliaskontakten   funktioniert   abgeschaltet   Eventuell   getauscht   Widerstände   Chassis