| Passwort vergessen?
Sie sind nicht angemeldet. |  Anmelden

Sprache auswählen:

Wumpus Gollum Forum von
Wumpus Welt der (alten) Radios
Sie sind nicht angemeldet.
 Anmelden

Mein erstes Radio! Blaupunkt Virginia 2430 suche Schaltplan!
  •  
 1
 1
23.06.10 08:20
Tom 

100-249 Punkte

23.06.10 08:20
Tom 

100-249 Punkte

Mein erstes Radio! Blaupunkt Virginia 2430 suche Schaltplan!

Hallo ich bin Tom aus dem Raum Leipzig. Ich bin wenn man so will in der Ansteckungsphase der Röhrenradio-Sammelleidenschaft. Ich habe hier ein Blaupunkt Virginia 2430 bekommen, mein erstes Röhrenradio, es scheint komplett zu sein.

1.)Ein Problem gibt es jedoch jetzt schon, das Radio verliert die Lautstärke nach ca. 5 min Betrieb. Nach einer "abkühl" Zeit geht es dann wieder 5 min und dann das gleiche Problem.Was könnte in Frage kommen? Endröhre,Ableitwiderstand zum Gitter,Kondensator ich Tippe auf was Termisches.

2.) Ich habe leider keinen Schaltplan oder sonstige Unterlagen, könnte mir jemand einen Schaltplan zu diesem Gerät geben?Mich würden auch sonstige Unterlagen interessieren.

MfG Tom

Noch gefällt der Beitrag keinem Nutzer.
!
!!! Fotos, Grafiken nur über die Upload-Option des Forums, KEINE FREMD-LINKS auf externe Fotos.    

!!! Keine Komplett-Schaltbilder, keine Fotos, keine Grafiken, auf denen Urheberrechte Anderer (auch WEB-Seiten oder Foren) liegen!
Solche Uploads werden wegen der Rechtslage kommentarlos gelöscht!

Keine Fotos, auf denen Personen erkennbar sind, ohne deren schriftliche Zustimmung.

Den Beitrag-Betreff bei Antworten auf Threads nicht verändern!
23.06.10 09:11
wumpus 

Administrator

23.06.10 09:11
wumpus 

Administrator

Re: Mein erstes Radio! Blaupunkt Virginia 2430 suche Schaltplan!

Hallo Tom,
zuerst wäre zu klären, ob dieser Effekt auf Mittelwelle und UKW auftritt?
Sollte der Effekt nur auf UKW zu bemerken sein, könnte die ECC85 müde geworden zu sein.

Geht die Lautstärke schlagartig weg oder wird es langsam leiser?

Es könnte durchaus sein, daß die Endstufenröhre EL84 oder die EABC80 taub geworden sind. Zumindest die EL84 würde ich mal tauschen.

Beachte aber bitte die Sicherheitshinweise (oben auf jeder Forumseite anklickbar)!

Zu dem Radio selbst: Es wurde 1957 gebaut und kostete damals immerhin 360 DM.



Mit freundlichen Grüssen Rainer (Forum-Admin)

Möge uns die analoge Radio-Welle noch lange erhalten bleiben .

Zuletzt bearbeitet am 23.06.10 09:13

23.06.10 10:42
Tom 

100-249 Punkte

23.06.10 10:42
Tom 

100-249 Punkte

Re: Mein erstes Radio! Blaupunkt Virginia 2430 suche Schaltplan!

Hallo wumpus,

der Effekt tritt sowohl bei UKW als auch bei MW auf. Es wird dann sprichwörtlich immer leiser.Die EL84 hab ich schon mal getauscht.Ohne eintretende Änderung.Bei einem Versuch die Endröhre mit Adaptersockeln aufzusatteln um die Wärmeeinwirkung auf die Bauteile zu verminder spielt das Radio einige Minuten länger aber dann der selbe Effekt.

23.06.10 22:50
Wolle 

500 und mehr Punkte

23.06.10 22:50
Wolle 

500 und mehr Punkte

Re: Mein erstes Radio! Blaupunkt Virginia 2430 suche Schaltplan!

Hallo Tom.

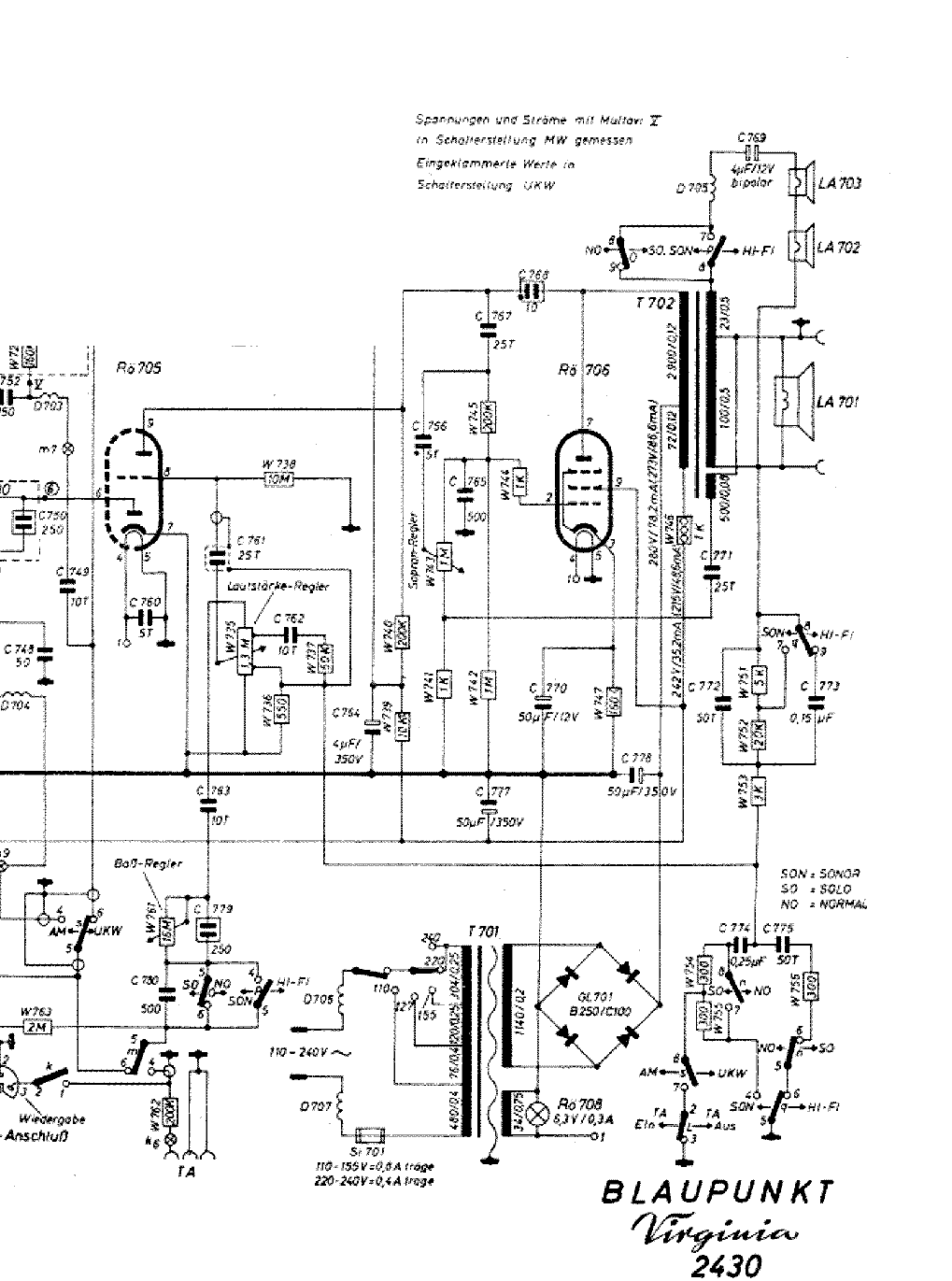
Als erste Maßnahme empfehle ich den Ersatz des Koppelkondensators C767 (25 nF). Dieser Kondensator kann mit einem 22 nF, beziehungsweise 0,022 µF ersetzt werden. Die Spannungsfestigkeit muß mindestens 250 Volt betragen, besser aber 630 Volt.
Anbei ein Schaltungsauszug der NF- Schaltung.

Mit vielen Grüßen.
Wolle

Datei-Anhänge
virginia_nf_sch1.png virginia_nf_sch1.png (578x)

Mime-Type: image/x-png, 59 kB

24.06.10 15:12
Tom 

100-249 Punkte

24.06.10 15:12
Tom 

100-249 Punkte

Re: Mein erstes Radio! Blaupunkt Virginia 2430 suche Schaltplan!

Hallo Wolle,

danke erstmal für den Teil des Plans.Ja das ist der richtige.
Ich bräuchte aber mal den kompletten Plan zur Sicherheit.Den Koppelkondensator habe ich gewechselt,die Symthome sind nun folgende.

1.) MW,LW,UKW Lautstärke lässt sich nach "Erwärmung" nicht mehr höher als 1/2 stellen sonst übersteuert das Gerät die Wiedergabe des "Senders".

2.) Die Angegebenen Spannungswerte an der EL84 bei MW und UKW stimmen bei mir garnicht.

Messungen
Stellung: UKW (gemessen gegen Masse)

Sockelanschlussnummer <-> gemessene Spannung:

Pol9 --> 195 Volt

MfG Tom

24.06.10 21:39
Wolle 

500 und mehr Punkte

24.06.10 21:39
Wolle 

500 und mehr Punkte

Re: Mein erstes Radio! Blaupunkt Virginia 2430 suche Schaltplan!

Hallo Tom.

Messe bitte mal die Spannungen an der EL84 und an der Anode der EABC80. Es ist möglich, daß der Gleichrichter fehlerhaft ist, oder der Ladeelko Kapazitätsverlust hat.
Ansonsten schau mal in Dein Postfach.

Mit vielen Grüßen.
Wolle

24.06.10 21:56
Tom 

100-249 Punkte

24.06.10 21:56
Tom 

100-249 Punkte

Re: Mein erstes Radio! Blaupunkt Virginia 2430 suche Schaltplan!

Hallo Wolfgang,

ich hab nun doch noch einen Fehler beim Koppelkondenstaor gefunden.Einer mit der Beschriftung 25000pF erwieß sich beim messen als 40nF Kondensator, warum auch immer!Hab ihn getauscht gegen 22nF nun übersteuert es nicht mehr.Leider brummt das Radio nun vor sich hin,kein lautes brummen klingt als wäre es Netzseitig.Weiß noch nicht genau wo ich anfangen soll zu suchen.Bin auf Tipps angewiesen!

P.S. Wolfgang du hast Post...

MfG Tom

24.06.10 22:16
Wolle 

500 und mehr Punkte

24.06.10 22:16
Wolle 

500 und mehr Punkte

Re: Mein erstes Radio! Blaupunkt Virginia 2430 suche Schaltplan!

Hallo Tom.

Nachdem Du nun den Koppelkondensator als Fehlerquelle beseitigt hast, ist zunächst das Netzteil zu untersuchen. Hier kann Kapazitätsverlust des Lade- und des Siebelkos hinter dem Brückengleichrichter die Ursache für das Brummen sein. Hat der Ladeelko keine Kapazität, dann ist auch die Anodenspannung zu niedrig. Einfach einen Elko mit entsprechend hoher Spannungsfestigkeit probeweise zum eingebauten Elko parallel schalten.

Mit vielen Grüßen.
Wolle

24.06.10 22:23
Tom 

100-249 Punkte

24.06.10 22:23
Tom 

100-249 Punkte

Re: Mein erstes Radio! Blaupunkt Virginia 2430 suche Schaltplan!

Ok, das bin ich gerade am probieren.Erstmal ran kommen ist ziemlich eng an der Stelle
Hab zwar nur einen doppel Elko 2x50µF aus nem alten Röhrenfernseher aber zum Testen gehts ja erstmal.

Super das brummen ist weg...War der doppel Elko den Wolfgang vermutete.
Jetzt noch den defekten Bass-Regler reparieren und mein erstes funktionsfähiges Gerät steht zum gebrauch fertig!


Zuletzt bearbeitet am 24.06.10 22:39

24.06.10 22:39
roehrenfreak

nicht registriert

24.06.10 22:39
roehrenfreak

nicht registriert

Re: Mein erstes Radio! Blaupunkt Virginia 2430 suche Schaltplan!

Hallo zusammen,

sehe gerade - hat sich erledigt!

Freundliche Grüsse,
Jürgen rf

Noli turbare circulos meos (Störe meine KREISE nicht! - Archimedes)

Zuletzt bearbeitet am 24.06.10 22:42

 1
 1
Koppelkondensators   Kapazitätsverlust   Koppelkondenstaor   Virginia   beziehungsweise   Sockelanschlussnummer   Koppelkondensator   Endstufenröhre   Schaltplan   Spannungsfestigkeit   Brückengleichrichter   Wärmeeinwirkung   Ableitwiderstand   Ansteckungsphase   Blaupunkt   funktionsfähiges   Röhrenradio-Sammelleidenschaft   Sicherheitshinweise   Röhrenfernseher   Schaltungsauszug