| Passwort vergessen?
Sie sind nicht angemeldet. |  Anmelden

Sprache auswählen:

Wumpus Gollum Forum von
Wumpus Welt der (alten) Radios
Sie sind nicht angemeldet.
 Anmelden

Richter: Radiobasteln für Jungen *
  •  
 1 2
 1 2
29.06.10 08:52
wumpus 

Administrator

29.06.10 08:52
wumpus 

Administrator

Richter: Radiobasteln für Jungen *

Hallo zusammen,
der Autor Heinz Richter - einer der fleissigsten Fach-Autoren im deutschsprachigen Raum - (neben Hanns Günther und Werner Diefenbach) stellt auf 236 Seiten gut verständlich die Radiotechnik anhand schöner Selbstbau-Projekte vor. Kinder und Jugendliche sind die Zielgruppe. Detektorempfänger, Röhren-Ein- und Zweikreiser, Superhets werden genau beschrieben. Auch Transistorschaltungen gehören dazu. Meine 4. Auflage stammt von 1959, Franckh'sche Verlagshandung Stuttgart.

Mit diesem Buch begann es bei mir .... nachdem ich in einem Micky Maus Heft 1959 einen Detektor-Bauvorschlag gefunden und aufgebaut habe. Das Buch wir bei mir in Ehren gehalten.

Themen des Buchs:

  • Was ist Radio
  • Wir bauen röhrenlose Empfänger
  • Wir bauen einen Röhren-Einkreisempfänger (leider fehlen konkrete NF-Trafo-Angaben)
  • Ein selbstgebauter Zweikreiser
  • Wir wagen uns an Superempfänger
  • Kurze und ultrakurze Wellen, interessant und modern
  • Die Hauptsache - gute Antennen und richtige Erdleitungen
  • Meßinstrumente erleichtern die Arbeit
  • Was brauchen wir zum Radiobau?


Insbesondere der Allstrom-Einkreiser ist wohl viel nachgebaut worden. Die von Heinz Richter angewendeten Messinstrumente waren zwar funktionsmäßig nicht nötig, machten aber optisch ordentlich was her.

Die unkomplizierte Darstellung der Radio-Bauerei für Kinder und Jugendliche zeigte die didaktische Fähigkeit Heinz Richters, eigentlich komplexe Vorgänge klar verständlich nahe zu bringen. Die Franckh'sche Verlagshandlung hat sich sicher mit diesen Büchern gerade für Jugendliche verdient gemacht.


Mit freundlichen Grüssen Rainer (Forum-Admin)

Möge uns die analoge Radio-Welle noch lange erhalten bleiben .

Zuletzt bearbeitet am 24.03.17 08:18

Noch gefällt der Beitrag keinem Nutzer.
!
!!! Fotos, Grafiken nur über die Upload-Option des Forums, KEINE FREMD-LINKS auf externe Fotos.    

!!! Keine Komplett-Schaltbilder, keine Fotos, keine Grafiken, auf denen Urheberrechte Anderer (auch WEB-Seiten oder Foren) liegen!
Solche Uploads werden wegen der Rechtslage kommentarlos gelöscht!

Keine Fotos, auf denen Personen erkennbar sind, ohne deren schriftliche Zustimmung.

Den Beitrag-Betreff bei Antworten auf Threads nicht verändern!
29.06.10 16:00
Klaus 

500 und mehr Punkte

29.06.10 16:00
Klaus 

500 und mehr Punkte

Re: Richter: Radiobasteln für Jungen

Hallo zusammen,

auch dieses von Rainer vorgestellte Buch besitze ich, allerdings in der 6. Auflage von 1963. Es kostete damals 12,- DM und verfügte ebenfalls über 236 Seiten.
Interessant war die Darstellung der Selbstbaugeräte als "Explosionszeichnung", soll heißen, dass neben dem Schaltplan auch die reale Ansicht der Bauteile sowie Verdrahtung abgebildet waren.
Das ermöglichte auch den im Schaltplanlesen ungeübten Jugendlichen den sicheren Nachbau, zumindest bei einfacheren Geräten.
Ggü. den anspruchsvolleren "Ohne Ballast"-Büchern von O. Limann waren die Heinz Richter Bücher für die jugendliche Zielgruppe im Niveau einfacher gehalten und vermieden weitestgehend math. Formeln und Herleitungen (außer Ohmsches Gesetz).

Für mich war "Radiobasteln für Jungen" das 2. Buch dieser Reihe, angefangen hatte es mit "Elektrobasteln für Jungen", in dem es hauptsächlich um elektromech. Basteleien ging (vergleichbar mit dem Kosmos Elektromann), weniger um Elektronik. Die wiederum fand ich im 3. Band - Neues Bastelbuch für Radio und Elektronik. Dort wurde schon hauptsächlich mit Halbleitern gebastelt, ähnlich wie mit dem im WGF vorgestellten Kosmos Experimentierkasten Radio und Elektronik.

Viele Grüße
Klaus

30.06.10 12:36
roehrenfreak

nicht registriert

30.06.10 12:36
roehrenfreak

nicht registriert

Re: Richter: Radiobasteln für Jungen

Hallo Rainer,

jou - den Richter habe ich auch hier zu liegen. Irgendwann hatte ich ihn an anderer Stelle im Forum auch schon mal erwähnt. Gut, dass wir nun dieses Subforum haben, was die Sache deutlich vereinfacht.

Ist ein prima Buch mit seht gut verständlichen Beschreibungen. Darin schmökere ich von Zeit zu Zeit immer wieder gern mal herum.

Freundliche Grüsse,
Jürgen rf

Noli turbare circulos meos (Störe meine KREISE nicht! - Archimedes)

24.03.17 08:32
wumpus 

Administrator

24.03.17 08:32
wumpus 

Administrator

Re: Richter: Radiobasteln für Jungen *

Hallo zusammen,

hier Bildzitate aus dem Buch "Radiobasteln für Jungen", die gut die Art der Darstellung (Real-zeichnung und Schaltschema) aufzeigen. So war der Einstieg in die nicht unkomplizierte Radiotechnik für uns Jungen damals relativ einfach.





Immerhin war Antenne und Erde über einen 2 nF galvanisch vom Allstromnetz getrennt.


Grüße von Haus zu Haus
Rainer (Forumbetreiber)

Welt der alten Radios:
http://www.welt-der-alten-radios.de

Wumpus-Gollum-Forum:
http://www.wumpus-gollum-forum.de/forum

Rettet unsere Radios:
http://www.welt-der-alten-radios.de/home...radios-467.html

Virtuelle Voxhaus-Gedenktafel:
http://www.voxhaus-gedenktafel.de

Zuletzt bearbeitet am 24.03.17 10:25

Datei-Anhänge
richter-einkreiser-2.jpg richter-einkreiser-2.jpg (897x)

Mime-Type: image/jpeg, 190 kB

richter-einkreiser-1.jpg richter-einkreiser-1.jpg (703x)

Mime-Type: image/jpeg, 157 kB

17.04.17 23:45
radio-hobby.de 

0-49 Punkte

17.04.17 23:45
radio-hobby.de 

0-49 Punkte

Re: Richter: Radiobasteln für Jungen *

Hallo Reiner,
in der Auflage von 1970 war dann ein Netztrafo vorgesehen, und es wurden EF80 und EL84 verwendet.
Die Zeichnung wurde um einen Schukostecker erweitert, Schutzkontakt an das Netztrafo-Metall und damit an Chassis.
Viele Grüße
Georg

18.04.17 11:00
wumpus 

Administrator

18.04.17 11:00
wumpus 

Administrator

Re: Richter: Radiobasteln für Jungen *

Hallo Georg,

das ist eine interessante Info. Mir war diese 1970-Auflage überhaupt nicht bekannt. Ein richtiger Sicherheits-Sprung.

Auch die EF80 / EL84 Kombination dürfte eine Empfangssteigerung gebracht haben.

Zu den Tippfehlern in den Büchern (bezieht sich auf Deinen anderen Beitrag):

Ich hatte mal ein Buch von Heinz Richter erworben, da war ein Korrekturzettel drin und der korrigierte Text war AUCH FALSCH ...


Grüße von Haus zu Haus
Rainer (Forumbetreiber)

Welt der alten Radios:
http://www.welt-der-alten-radios.de

Wumpus-Gollum-Forum:
http://www.wumpus-gollum-forum.de/forum

Rettet unsere Radios:
http://www.welt-der-alten-radios.de/home...radios-467.html

Virtuelle Voxhaus-Gedenktafel:
http://www.voxhaus-gedenktafel.de

Zuletzt bearbeitet am 18.04.17 11:01

18.04.17 13:20
radio-hobby.de 

0-49 Punkte

18.04.17 13:20
radio-hobby.de 

0-49 Punkte

Re: Richter: Radiobasteln für Jungen *

Lieber Rainer.
anbei die Aufbauzeichnung.
Man erkennt: die original-Aufbauzeichnung wurde übernommen und dann einige wenige Details abgeändert ("modernisiert").
Was Richter hier vergessen hat zu erwähnen: Die Röhrenheizungen werden parallel angeschlossen.
Im Text wurde ganz offenbar das Kapitel "Ohne Betriebsspannung - nichts zu machen" neu verfasst, denn hier wird die Funktion von Netztrafo, Gleichrichter, Drossel, Lade- und Siebelko ausführlich erklärt.
Etwas später in diesem Kapitel schreibt Richter:
(Zitat)
"Gleich- und Allstromgeräte gibt es heute allerdings nicht mehr"

Und im Kapitel zum Zweikreiser schreibt er:
"Anstelle der im Schaltbild angegebenen Röhren können auch andere Typen mit 6.3 Volt Heizspannung verwendet werden. Änderungen sind nicht erforderlich." ... "Genaue Vorschriften bei der Typenauswahl führen nur zu einer Gedankenträgheit"


Beide Abbildungen: Zitate aus "Heinz Richter, Radiobasteln für Jungen, 9.Auflage 1970, Telekosmos Verlag, Franckh'sche Verlagshandlung, Stuttgart






...und hier ist dann auch gleich noch die Angabe zum Amperemeter weggefallen...

Na sowas!!!
Viele Grüße
Georg

Zuletzt bearbeitet am 18.04.17 13:29

Datei-Anhänge
Heinz Richter Radiobasteln.jpg Heinz Richter Radiobasteln.jpg (722x)

Mime-Type: image/jpeg, 859 kB

Heinz Richter Radiobasteln_2.jpg Heinz Richter Radiobasteln_2.jpg (1182x)

Mime-Type: image/jpeg, 421 kB

18.04.17 22:53
Debo 

500 und mehr Punkte

18.04.17 22:53
Debo 

500 und mehr Punkte

Re: Richter: Radiobasteln für Jungen *

Hallo Rainer, hallo Zusammen,

Danke für diese Erinnerung. Diese Heinz Richter Bücher besitze ich:





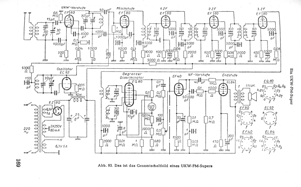
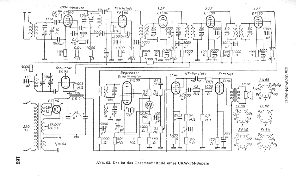
Heinz Richter ist wegen den Beiträgen aus den Vorposts natürlich nicht unumstritten. Mit Heinz Richter hat aber wohl jeder angefangen. Auch ich. Es war so um 1978 mit Büchern - vornehmlich "Radiobasteln für Jungen" aus der Stadtteilbibliothekzweigstelle. Gebaut hatte ich aber damals zuerst nur aus dem Elektrobereich eines anderen Autors mal einen Funkeninduktor. Dann aber den Einkreiser. Ewig gesucht und nie gefunden diese "Vogt-Topfspule". Dann aber die Spulenkörper aus den Kosmos Experimentierkästen Radio+Elektronik 100 nachbestellt und benutzt.
Immermal wollte ich die UKW Schaltungen nachbauen, bis hin zu diesem EQ80 Monstrum. Dazu kam es aber nicht mehr...




Im ...Experimentierkasten-Board.de hat Peter von Bechen mal eine sehr lesenswerte Biografie zur Geschichte um Heinz Richter geschrieben, der schon 1971 verstorben ist.

Grüsse
Debo

Zuletzt bearbeitet am 18.04.17 23:36

Datei-Anhänge
Heinz Richter.jpg Heinz Richter.jpg (612x)

Mime-Type: image/jpeg, 98 kB

Heinz Richter1.jpg Heinz Richter1.jpg (625x)

Mime-Type: image/jpeg, 72 kB

Richter 10 Röhren UKWSuper_Kopie.jpg Richter 10 Röhren UKWSuper_Kopie.jpg (682x)

Mime-Type: image/jpeg, 325 kB

19.04.17 14:19
HB9 

500 und mehr Punkte

19.04.17 14:19
HB9 

500 und mehr Punkte

Re: Richter: Radiobasteln für Jungen *

Hallo zusammen,

"Radiobasteln für Junge" war auch meine Einstiegslektüre, die fand ich in der Schulbibliothek 1981, allerdings noch eine ältere Version, da war noch die Allstrom-Version der Geradeausempfänger drin mit den Rimlock-Röhren. Der Einkreiser war dann mein erstes Bauprojekt, wobei Improvisieren angesagt war, da die Bauteile eines ausgeschlachteten Grundig-Superhets herhalten mussten. Da gab es zwar eine EL41, aber als HF-Pentode diente dann die EF95, und weil der Grundig einen Netztrafo hatte, war das Ganze als Wechselstromgerät einiges sicherer gebaut. Die Spulen habe ich aus den vorhandenen Kreuzwickelspulen durch Umwickeln neu gemacht, wobei ich wegen der Windungszahl auf Langwelle verzichtet hatte

Gruss HB9

03.08.20 10:55
NorbertWerner 

500 und mehr Punkte

03.08.20 10:55
NorbertWerner 

500 und mehr Punkte

Re: Richter: Radiobasteln für Jungen *

Hallo zusammen,

bin durch Zufall auf eine ausführliche Biografie von Heinz Richter gestossen.
Googelt mal nach --> Heinz Richter Der Auflagen-Millionär (eine Biografie)

Habe nicht gewusst, dass er mal bei mir im Nachbarort gewohnt und beim Holzinger in München (lange vor meiner Zeit) gearbeitet hat. Der Holzinger war mein Lieblingsgeschäft für Elektronik.

Gruss
Norbert

 1 2
 1 2
Allstrom-Einkreiser   welt-der-alten-radios   Transistorschaltungen   Explosionszeichnung   Detektor-Bauvorschlag   Richter   Selbstbau-Projekte   Auflagen-Millionär   Experimentierkasten   Stadtteilbibliothekzweigstelle   Detektorempfänger   Experimentierkästen   Röhren-Einkreisempfänger   Wumpus-Gollum-Forum   Radiobasteln   original-Aufbauzeichnung   Experimentierkasten-Board   Geradeausempfänger   Voxhaus-Gedenktafel   Lieblingsgeschäft