| Passwort vergessen?
Sie sind nicht angemeldet. |  Anmelden

Sprache auswählen:

Wumpus Gollum Forum von
Wumpus Welt der (alten) Radios
Sie sind nicht angemeldet.
 Anmelden

Detektor funktioniert nicht
  •  
 1 2 3 4 5 6 .. 9
 1 2 3 4 5 6 .. 9
11.04.15 03:33
Uli 

500 und mehr Punkte

11.04.15 03:33
Uli 

500 und mehr Punkte

Re: Detektor funktioniert nicht

SteffX:
Also das L/C-Meter zeigt mir den gesamten Kapazitätsbereich des Drehkos an 2x274p und zusammen 548p - von 30pF bis 274pF bzw.548pF.
Gerne messe ich mit dem Ohmmeter noch mal nach auf Plattenschluss.

Nee, da kommt sicher nix bedenkliches bei raus, wenn Du ja über den gesamten Bereich die Kapazität messen konntest.
Schade, das wäre die "einfache" Lösung gewesen.

!
!!! Fotos, Grafiken nur über die Upload-Option des Forums, KEINE FREMD-LINKS auf externe Fotos.    

!!! Keine Komplett-Schaltbilder, keine Fotos, keine Grafiken, auf denen Urheberrechte Anderer (auch WEB-Seiten oder Foren) liegen!
Solche Uploads werden wegen der Rechtslage kommentarlos gelöscht!

Keine Fotos, auf denen Personen erkennbar sind, ohne deren schriftliche Zustimmung.

Den Beitrag-Betreff bei Antworten auf Threads nicht verändern!
11.04.15 07:00
wumpus 

Administrator

11.04.15 07:00
wumpus 

Administrator

Re: Detektor funktioniert nicht

SteffX:
Es Ist sehr leise im Detektor aber der Sender liegt im Vergleichsradio zwischen
1200 und ca. 1300 KHz und sendet in französischer Sprache.
Im Detektor höre ich ihn nur, wenn die Kapazität des Drehkos gering ist.
Welcher Sender das ist, versuche ich noch herauszubekommen.


Hallo Steffan,

obwohl nun schon eine ganze Gruppe von WGF-Nutzern Dir zur Seite steht, will ich unverdrossen versuchen meinen Themen-Faden weiterzuspinnen:

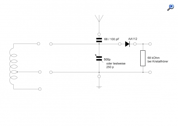
Wenn Du den Sender im Vergleichsradio bei ca 1250 kHz empfängst, Dein Detektor aber glaubt ungefähr bei bei 1600 kHz zu stehen (rausgedrehter Drehko), dann stimmt der Frequenzbereich des Detektorradios nicht. Der Bereich von wahrscheinlich 1200 kHz bis 1600 kHz erfaßt Dein Gerät nicht. Der Schwingkreis wird vielleicht zwischen 400 und 1200 Khz liegen. Die Schwingkreis-Frequenz muß hoch. Das kann man durch geringere Kapazität oder geringere Induktivität erreichen. Vielleicht ist der Schwingkreis des Bausatzes falsch berechnet...

Ich würde testweise brutal einfach mal das zweite Drehkopaket abtrennen und dann testen. Wandert dann Dein französischer Sender mehr in die Mitte des Abstimmbereichs?

Weiter kannst Du testweise die Schaltung etwas modifizieren und den kleineren Teil der angezapften Spule abtrennen um zu sehen, ob jetzt der Frequenzbereich besser passt. Ich vermute dass die Anzapfung von Masse aus ziemlich weit oben am heißen Ende der Spule liegt.

Dann könnte das testweise geänderte Schaltbild so aussehen:


Und nochmals: Die Antenne direkt anzukoppeln, ist keine gute Idee. Ist zwar laut, aber der Frequenzbereich wird kleiner und der Schwingkreis wird bedämpft. Eine Ankopplung über 60 - 100 pF ist besser und in der Praxis nur wenig leiser. Als Gegenleistung wird der Detektor selektiver und der überstreichbare Frequenzbereich größer. Ein guter Detektor mit voller 20 Meter-Antenne am heißen Schwingkreisende ist eigentlich ein "no go". Eigentlich nur eine laute Ortsempfang-Lösung.

Kannst Du mit Deinem Vergleichs-MW-Radios nachts andere Sender gut und laut hören? Welche, wo auf der MW-Skala?

Ich schaue heute abend mal, welcher französische Sender das sein könnte. Könnte auf 1278kHz France Bleu (Elsass) sein.
http://www.emwg.info/

p.s. Noch solltest Du Dich nicht abschrecken lassen. Willkommen an Board der "verzweifelten" Detektorbauer. Diese Probleme (vor dem Erfolg) haben schon Viele durchgemacht

Beste Grüße Rainer

Datei-Anhänge
problem-detektor.jpg problem-detektor.jpg (576x)

Mime-Type: image/jpeg, 73 kB

11.04.15 11:18
WalterBar 

500 und mehr Punkte

11.04.15 11:18
WalterBar 

500 und mehr Punkte

Re: Detektor funktioniert nicht

Hallo zusammen,

unter meinen 4 Detektorempfängern befindet sich auch der fragliche "Ribbeck-Art". Er funktioniert zwar, ist aber nicht so wirklich empfindlich. Die Spule sieht toll aus, der Anzapf liegt auch an der richtigen Stelle, aber ich denke, dass der Stabilisierungslack der Güte der Spule geschadet hat. Wenn ich meinen Langdraht anschliesse, höre ich den in 22km befindlichen 5kW Sender Bonn 774 kHz fast nicht. Erst nach Optimierungen wird das besser, darunter optimale Kopfhörer-Impedanzanpassung einschliesslich Wechsel zu wirklich empfindlichen Hörern. Meine Diodenversuche endeten mit NEC 1SS99 bzw. hp5082-2835, manchmal ist es besser, davon 2 parallel zu löten.

Am heissen Ende des Parallelschwigkreises kann man "ungestraft" ohnehin nur kurze Drähte anschliessen. Wie bekannt, ist eine gute Erde unverzichtbar. Längere Drähte belasten den Kreis zu sehr kapazitiv und verstimmen ihn. Aus dem Dilemma kommt man nur heraus, wenn man eine Antennenkoppelspule verwendet, die man der Schwingkreisspule annähert, am besten mit variabler Kopplung. Hier ist auch ein entsprechender Schwenkkoppler im Angebot, aber teuer. Die Koppelspule hat den Vorteil, dass sie zusätzlich als Verkürzungsspule fungiert. Abrunden kann man das mit einem zusätzlichen Drehko (in Serie zu Antennenspule - Antenne - Erde). Ist der Antennenkreis in Serienresonanz, dann habe ich die besten Ergebnisse und kann mit dem Ribbeck-Teil auch den DLF Nordkirchen aus 100km Entfernung leise hören. Aber meine anderen Detektoren bringen den DLF unter gleichen Bedingungen mit guter Lautstärke.

Gruss
Walter

Nachtrag: mein "Ribbeck"-Detektor in Verbindung mit meiner Antenne funktioniert gerade im oberen Frequenzdrittel der MW besonders schlecht.

Zuletzt bearbeitet am 11.04.15 11:21

11.04.15 12:35
MIRAG 

500 und mehr Punkte

11.04.15 12:35
MIRAG 

500 und mehr Punkte

Re: Detektor funktioniert nicht

Hallo zusammen,

Steffan schickt mir den Detektor mal zu, ich seh mal, was ich machen kann. Zur Not bekommt der Detektor eine neue Spule.

11.04.15 12:35
qw123 

500 und mehr Punkte

11.04.15 12:35
qw123 

500 und mehr Punkte

Re: Detektor funktioniert nicht

Hallo Steffan,

daß Du die Kapazität Deines Drehkos ausmessen kannst ist schon mal ein großer Vorteil.
Auch das Programm dessen Bildschirmausschnitte Du gezeigt hast, ist eine Hilfe.

SteffX:
Laut Berechnung müsste der Drehkondensator von 56pF bis 378pF gehen, ...
Das allerdings kann ich aus Deinen Abbildungen nicht erkennen.
Für den MW-Bereich wäre eine Kapazitätsvariation von mindestens 1:9 erforderlich. 378/56 = 6.75 < 9.
Deine beiden letzten Abb. zeigen, daß eine Variation von ca. 1:10 den MW-Bereich überstreicht. Also z.B. von 37.8...378pF wie gezeigt.
Wobei diese Werte nur dann den richtigen Bereich ergeben, wenn auch die Induktivität exakt 250µH beträgt.

Wenn Du einen gebräuchlichen Drehko benutzt, also z.B. einen aus einem alten Radio ausgebauten, sollte der auch in der Lage sein, den ganzen MW-Bereich zu erfassen. Serien- oder Parallelkondensatoren (C1, C2) oder eine Parallelschaltung der Plattenpakete brauchst Du dann nicht. Allerdings muß die Induktivität der Spule stimmen.

Wenn Du auf diese Weise die richtigen Kapazitätswerte ermittelt hast für eine Spuleninduktivität von z.B. 250µH und der Empfangsbereich stimmt trotzdem nicht, gibt es eigentlich nur zwei Möglichkeiten:
a) die Induktivität der Kreisspule ist nicht 250µH
b) der Schwingkreis wird durch externe Belastung verstimmt.

Wie schon Rainer und zuletzt Walter geschrieben haben, kann der direkte Anschluß einer Drahtantenne an den Schwingkreis eine starke Belastung darstellen mit der Folge einer erheblichen Verstimmung. Auch das ohne Antenne gemessene Kapazitätsverhältnis stimmt dann nicht mehr.

Dein Rechenprogramm wertet, soweit ich erkennen kann, die Thomsonsche Schwingungsformel aus. D.h. die Güte des Schwingkreises wird nicht berücksichtigt bzw. als unendlich groß angenommen. Falls die Güte des Schwingkreises bei >50 liegt, ergibt das immer noch praktisch verwertbare Ergebnisse. Eine direkt angeschlossene Drahtantenne kann die Güte aber deutlich unter diesen Wert verschlechtern. Wg. Abhilfe siehe das Posting von WalterBar.

Gruß

Heinz

11.04.15 13:37
wumpus 

Administrator

11.04.15 13:37
wumpus 

Administrator

Re: Detektor funktioniert nicht

Hallo zusammen,


... viele Köche am Werk. Vielleicht braucht Steffan bald einen Sachbearbeiter, der die vielen Vorschläge systematisiert und Handlungs-Obergruppen generiert und ihm dann vorlegt .

Übrigens: Über die richtige Art der Antennenankopplung und deren beste Länge werden 5 fachkundige Befragte zumindest 5 verschiedene Strategien vortragen. Auch die schwache Antennenankopplung ans heiße Ende des Schwingkreises ist ein gutes Mittel der Wahl. Mein Gollodyne belegt das auch hinreichend, siehe diesen Empfangsreport aus Zeiten, wo es noch hinreichend MW-Sender gab:

http://www.welt-der-alten-radios.de/dete...iste-2-209.html

Gollodyne? http://www.welt-der-alten-radios.de/dete...lodyne-176.html

Gruß von Haus zu Haus vom Koch
Rainer (Forumbetreiber)

11.04.15 13:51
SteffX 

100-249 Punkte

11.04.15 13:51
SteffX 

100-249 Punkte

Re: Detektor funktioniert nicht

Hallo Rainer,

nö nö, ich lese mir schon die wichtigsten Dinge heraus und kanalisiere die Informationen.
Setze die Erkenntnisse Schritt für Schritt um, habe die Schaltung des Detektors sogar auf
Steckboard noch einmal aufgebaut um die hilfreichen Ratschläge umzusetzen.
Das geht hier höchst wissenschaftlich zu
Zeitgleich bin ich auch dabei doch fehlende Kondensatoren bzw. Widerstände zu ordern.

Ist schon ein ziemlicher Aufwand den ich betreibe, für so einen kleinen Detektor.

Und im Hintergrund läuft das WGF-Forum mit.


Gruß
Steffan

11.04.15 16:24
WalterBar 

500 und mehr Punkte

11.04.15 16:24
WalterBar 

500 und mehr Punkte

Re: Detektor funktioniert nicht

Hallo zusammen,

meine Ribbeck Spule hat 268µH.

Gruss
Walter

11.04.15 18:52
SteffX 

100-249 Punkte

11.04.15 18:52
SteffX 

100-249 Punkte

Re: Detektor funktioniert nicht

Hallo zusammen,

Weitere Verbesserungen konnte ich nicht erzielen....vielleicht bin ich auch zu ungeschickt oder sehe den Wald vor lauter Bäumen nicht.
Mark hat mir ja schon angeboten, ihm den Detektor zur Durchsicht zuzuschicken (was ich übrigens erwähnenswert
finde und wofür ich mich hiermit noch einmal in aller Form bei ihm bedanken möchte.)
Aber ich möchte mich auch bei allen anderen Ratgebern und Hilfestellern, für ihre Mühewaltung bedanken.


Gruß
Steffan

11.04.15 19:44
joeberesf 

500 und mehr Punkte

11.04.15 19:44
joeberesf 

500 und mehr Punkte

Re: Detektor funktioniert nicht

qw123:
Wenn Du auf diese Weise die richtigen Kapazitätswerte ermittelt hast für eine Spuleninduktivität von z.B. 250µH und der Empfangsbereich stimmt trotzdem nicht, gibt es eigentlich nur zwei Möglichkeiten:
a) die Induktivität der Kreisspule ist nicht 250µH
b) der Schwingkreis wird durch externe Belastung verstimmt.

Hallo zusammen,

Heinz seine Analyse ist richtig. Ich tendiere für seine Antwort b.

Ein generelles Problem des Primärempfängers! Ist die Diode dazu noch niederohmig (Resonanzfrequenz)
ist eine Abstimmung kaum noch möglich. So länger die Antenne, um so größer das Problem.
Gebrabbel im obersten MW- Frequenzbereich ist die Folge.... Also mangelde Selektion die Folge. Bei einem
Test mit einem Primärempfanger und langer Antenne sackte bei mir die Frequenz um ca. 400kHz!
Die Resonanzkurve ein Alptraum! 100pF hin oder her!

Bedenkt; der Primärempfänger ist eine Erfindung des frühen Ortssenderempfangs. Eigentlich wird heute
unter den modernen AM- Empfangsverhältnissen / Situationen ein dx- Empfang benötigt! Kristalldetektor
und Diode sind auch nicht direkt zu vergleichen (Resonanzwiderstand)

Abhilfe bringt nur eine Antennenanpassung mittels variablen Koppel-C (Wumpus Vorschlag) oder eine induktiv
gekoppelte Antennenkreisspule....also wie so oft....der Zweikreiser muss her. Simpelste Form,.. eine Spule die
die Erde und Antenne aufnimmt....in etwa 50% der Induktivität der Schwingkreisspule aufweist und einen
gewissen und variablen Abstand xx zur Detektorkreisspule hat (Kopplungsgrad). Damit wird der Einkreiser zum
selektiven Zweikreiser.

DX- Empfang mit dem Schmalzbohrer ist leise.... da die Abschirmung zu den Außengeräuschen fehlt.
Zwei Kristallbohrer sind schon besser, da die Ohren besser verschlossen werden,
Detektorempfang ist immer leise!...Es darf auch bei allen technischen Diskussionen das aktuelle Hörvermögen
nicht unterschätzt werden. Mein Detektorohr ist schon ziemlich runter...

Gruß

Joerg

PS. Suche mal unter Kosmos-Detektor-Baukasten/Handbuch_Kosmos-Detektor.pdf

(Bild 13)

Zuletzt bearbeitet am 11.04.15 20:24

 1 2 3 4 5 6 .. 9
 1 2 3 4 5 6 .. 9
Primärdetektorempfänger   Detektor   Gleichstromwiderstand   zusammen   welt-der-alten-radios   Zuletzt   Kopfhörer-Impedanzanpassung   Kopfhörer   Kondensator   Primär-Sekundär-Schalter   Antenne   bearbeitet   Langdrahtantenneninstallationen   Steffan   Schaltung   Übersetzungsverhältnis   funktioniert   Kosmos-Detektor-Baukasten   vielleicht   Frequenzbereich