| Passwort vergessen?
Sie sind nicht angemeldet. |  Anmelden

Sprache auswählen:

Wumpus Gollum Forum von
Wumpus Welt der (alten) Radios
Sie sind nicht angemeldet.
 Anmelden

Ein kleiner Tester mit einem "Matschauge" EM11
  •  
 1
 1
11.12.17 15:49
MB-RADIO 

500 und mehr Punkte

11.12.17 15:49
MB-RADIO 

500 und mehr Punkte

Ein kleiner Tester mit einem "Matschauge" EM11

Hallo zusammen,

die Anregung zu dieser Schaltung stammt aus dem Buch von Bernhard Pabst "Anleitung zur Fehlersuche für Rundfunkmechaniker" - http://www.oldtimeradio.de/BU7001.php

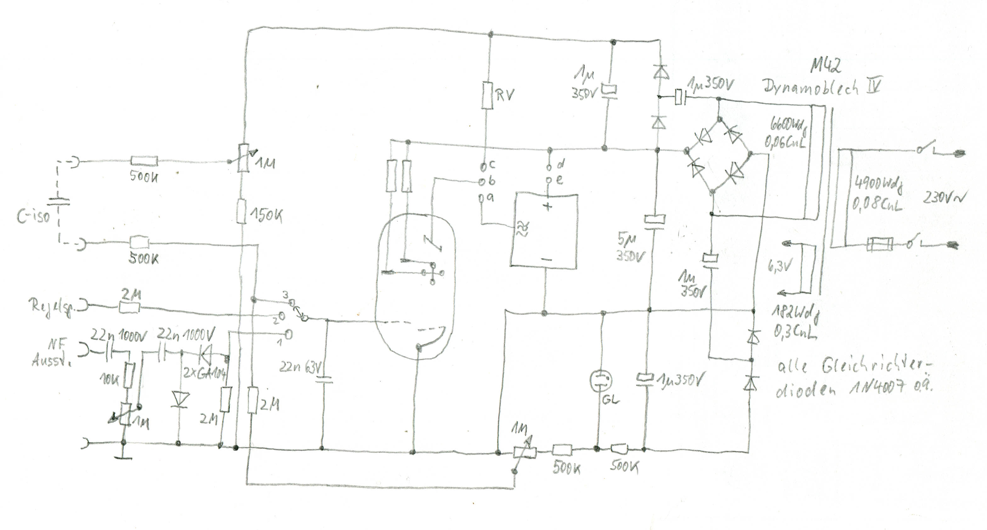
Verwendet werden kann er als Kondensatorisolationstester mit einstellbarer Prüfspannung von ca 60...600V=.
Sowie NF-Aussteuerungsanzeiger und Regelspannungsanzeiger.

Nun geht es mir um die Verwendung einer, unter normaler Betriebsspannung, total finsteren EM11. Diese kennt ja jeder Radiobastler und -sammler. Und wenn schon nicht im Radio, so soll sie wenigsten so noch eine Anwendung bekommen.
Erstaunlicherweise hält sie unter diesen Betriebsbedingungen noch recht lange.
Ich habe eine ausgelutschte EM1 seit den 1970er Jahren als reinen Kondensatortester mit verdoppelter Leuchtschirmspannung in Betrieb - nicht ständig , aber doch recht oft. Die Leuchtstärke ist seit dem immer noch recht gut.

Es gibt nun folgende Möglichkeiten um den Leuchtschirm wieder zum Leuchten zu bringen:
Erhöhung der Leuchtschirmgleichspannung oder deren Überlagerung mit einer HF-Hochspannung.

Eine Erhöhung der Leuchtschirmgleichspannung(Punkte b mit c in der Schaltung verbinden)
erfolgt durch Verdoppelung der Betriebspannung. Mit einem Vorwiderstand Rv wird die Helligkeit , je nach Schirmzustand, eingestellt.

Eine Erhöhung der Helligkeit durch überlagerter HF-Hochspannung(Punkt a mit b und damit e in der Schaltung verbinden) wird in dieser Beitragsserie mit für und wieder diskutiert:
http://forum.military-tubes.com/bude/sho...=213&page=5
Ob nun wirklich eine Regeneration oder zumindest keine Degeneration des Schirmes erfolgt, ist meines Erachtens noch nicht bewiesen.
Ich habe aber beide Versionen vorgesehen. Wer will kann da auch einen Umschalter einbauen.

Der angegebene Trafo ist für den Betrieb ohne HV-Sinusgenerator sehr gut geeignet.
Mit HV-Sinusgenerator wird der Trafo bei maximaler Ausgangsspannung von 1600Vss etwas überlastet. Er wird zwar thermisch nicht überlastet, aber die Spannungen brechen etwas mehr zusammen. Die Schaltung funktioniert aber trotzdem noch. Eine Möglichkeit ist , bessere Bleche zu nehmen, natürlich bei anderer Dimensionierung der Wicklungen.
Man kann das Netzteil aber auch anders aufbauen.
Die Grunddaten sind ca. 300V= als Betriebsspannung und ca 6,3V~ Heizspannung. Die anderen Spannungen ergeben sich dann und sind unkritisch. Die negative Gitterspannung ist zusätzlich stabilisiert.

Die beiden Anodenwiderstände der EM11 richten sich nach der Betriebsspannung( gemessen am 5µF-Elko). Bei 250V etwa 2...2,5M und bei 300V etwa 2,5...3M - sind aber unkritisch.

Der Hochvolt-Sinusgenerator ist einfach aufgebaut, aber man braucht ein paar spannungsfeste Bauteile.
Die Transistoren stammen aus defekten ESLs und sind ebenfalls unkritisch. Sie müssen halt die noch höhere Betriebsspannung beim Einschalten aushalten. In den ESLs gibt es noch viele andere Typen, die auch funktionieren.
Die Drossel kann man selber wickeln oder Zwei bis Drei weniger Spannungsfeste in Reihe schalten. Die Induktivität soll im Bereich 120....180mH liegen.
Der 50pF-Kondensator ist ein 1...2kV Wechelspannungs-Typ , wie sie zB als x- oder y-Kondensator verwendet werden. Man kann auch zwei 100p in Reihe schalten.
Mit dem 2,5M Einstellregler wird die Amplitude (Helligkeit) eingestellt.

Das Gerätchen ist derzeit noch im Drahtigelzustand. Ich muß nun erst ein passendes Gehäuse suchen, dann gibt es auch Bilder.
Es ist aber eine nette kleine Bastelei für Jederzeit.

Viele Grüße
Bernd




Zwei Dinge sind unendlich, das Universum und die menschliche Dummheit, aber bei dem Universum bin ich mir noch nicht ganz sicher. (Albert Einstein)

Zuletzt bearbeitet am 11.12.17 18:05

Datei-Anhänge
Tester mit EM11.jpg Tester mit EM11.jpg (391x)

Mime-Type: image/jpeg, 236 kB

Hochvolt-Sinusgenerator.jpg Hochvolt-Sinusgenerator.jpg (391x)

Mime-Type: image/jpeg, 148 kB

Noch gefällt der Beitrag keinem Nutzer.
!
!!! Fotos, Grafiken nur über die Upload-Option des Forums, KEINE FREMD-LINKS auf externe Fotos.    

!!! Keine Komplett-Schaltbilder, keine Fotos, keine Grafiken, auf denen Urheberrechte Anderer (auch WEB-Seiten oder Foren) liegen!
Solche Uploads werden wegen der Rechtslage kommentarlos gelöscht!

Keine Fotos, auf denen Personen erkennbar sind, ohne deren schriftliche Zustimmung.

Den Beitrag-Betreff bei Antworten auf Threads nicht verändern!
11.12.17 16:03
HB9 

500 und mehr Punkte

11.12.17 16:03
HB9 

500 und mehr Punkte

Re: Ein kleiner Tester mit einem "Matschauge" EM11

Hallo Bernd,

ich habe noch einen Tipp: der (oder die) Anodenwiderstände der Triode(n) ebenfalls an die erhöhte Leuchtschirmspannung legen, allenfalls Widerstandswert erhöhen (ausprobieren), so bleibt die Anzeigeempfindlichkeit erhalten.

Weiter sollte man auf jeden Fall einen kleinen Widerstand (Grössenordnung 470 Ohm, je nach Strombedarf) in die Zuleitung zum Leuchtschirm schalten, da bei stark erhöhter Spannung sporadische Überschläge auftreten können, welche bei niederohmiger Speisung direkt ab Elko die Röhre zerstören können.

Gruss HB9

11.12.17 18:15
MB-RADIO 

500 und mehr Punkte

11.12.17 18:15
MB-RADIO 

500 und mehr Punkte

Re: Ein kleiner Tester mit einem "Matschauge" EM11

Hallo HB9,

komischerweise ändert sich die Ablenkempfindlichkeit bei der EM11 kaum, bei der EM1 schon. Das kann aber auch an dem Katodenwiderstand in der alten EM1-Schaltung liegen. Um die unterschiedlichen Katodenströme der unterschiedlich verbrauchten Röhren in Griff zu bekommen, habe ich ja extra eine stabile Gittervorspannung erzeugt.
Ansonsten spielt die Empfindlichkeit bei dem Tester eine untergeordnete Rolle.

Trotzdem danke für deine Hinweise.

Viele Grüße
Bernd

Zwei Dinge sind unendlich, das Universum und die menschliche Dummheit, aber bei dem Universum bin ich mir noch nicht ganz sicher. (Albert Einstein)

13.12.17 13:14
HB9 

500 und mehr Punkte

13.12.17 13:14
HB9 

500 und mehr Punkte

Re: Ein kleiner Tester mit einem "Matschauge" EM11

Hallo Bernd,

wie stark die Empfindlichkeit durch die Leuchtschirmspannung beeinflusst wird, hängt von der Konstruktion der Röhre ab. Wird die Ablenkung hauptsächlich durch das elektrische Feld zwischen Kathode und Ablenkelektrode gemacht, spielt die Leuchtschirmspannung keine grosse Rolle (z.B. bei der EM34 oder der baugleichen EM4). Wird die Ablenkung aber durch das Feld zwischen Leuchtschirm und Ablenkelektrode gemacht, spielt die Leuchtschirmspannung eine grosse Rolle, so dass man den Anodenwiderstand mit der Leuchtschirmspannung verbinden sollte. Die EM1 ist offenbar ein solcher Typ, die kenne ich aber nicht. Generell kann man sagen: je weiter die Ablenkelektroden von der Leuchtschirm-Elektrode entfernt sind, umso weniger Einfluss hat die Leuchtschirmspannung, wobei nicht die Leuchtschicht selber, sondern die Elektrode relevant ist. Bei den magischen Augen ist das zwar dasselbe, aber bei der EM84, EM87 und ihren Verwandten ist die Elektrode relativ nahe an den Ablenkelektroden und durch den Schlitz der Elektrode kommen dann die Elektronen auf den Röhrenkolben mit der Leuchtschicht, so ähnlich wie bei den Bildröhren, wo die Elektronen ja auch an der Anode vorbei Richtung Schirm fliegen.

Gruss HB9

 1
 1
Anodenwiderstände   Kondensatorisolationstester   Leuchtschirmspannung   Gittervorspannung   Leuchtschirm-Elektrode   Betriebsspannung   Katodenwiderstand   Erstaunlicherweise   Ablenkempfindlichkeit   Hochvolt-Sinusgenerator   Wechelspannungs-Typ   HV-Sinusgenerator   Anzeigeempfindlichkeit   Leuchtschirmgleichspannung   Betriebsbedingungen   Regelspannungsanzeiger   Kondensatortester   Ablenkelektroden   Rundfunkmechaniker   NF-Aussteuerungsanzeiger