| Passwort vergessen?
Sie sind nicht angemeldet. |  Anmelden

Sprache auswählen:

Wumpus Gollum Forum von
Wumpus Welt der (alten) Radios
Sie sind nicht angemeldet.
 Anmelden

Telefunken E 266 (e) - für die frühe Digitaltechnik nach Morse: Sender EIN - Sender AUS...
  •  
 1
 1
30.03.18 10:53
reinhard 

500 und mehr Punkte

30.03.18 10:53
reinhard 

500 und mehr Punkte

Telefunken E 266 (e) - für die frühe Digitaltechnik nach Morse: Sender EIN - Sender AUS...

Herstellungsjahr: 1921
Schaltung: Geradeaus
Röhren 1 (RE 11)
Kreise: 1
Wellenbereiche: MW/LW 200-18 000 m (Steckspulensatz)
Lautsprecher: Anschluss für Kopfhörer oder Verstärker (z.B. E.V. 285)
Gehäuse: Metall
Skala: Zahleneinteilung 0-180
Abstimmung: direkte Drehkoabstimmung mit Feineinstellung
Gewicht: 3,3 kg
Maße: Breite 17,6 cm, Höhe 23,5 cm, Tiefe 14,5 cm

EIN UNIVERSALEMPFÄNGER
Reichweite und Betriebssicherheit jeder drahtlosen
Station sind zum großen Teil eine Empfängerfrage.
Aufgabe der Technik war es, einen Empfängertyp zu
entwickeln, der bei kleinstem Raumbedarf und gering-
sten Betriebskosten allen betrieblichen Anforderungen
in Bezug auf Wellenbereich, Selektivität und leichter
Bedienbarkeit voll Genüge leistet. Auch war es nötig,
bei Entwicklung der Apparatur die Notwendigkeit
späterer Erweiterung der Anlage ins Auge zu fassen.
Es mußte ein Gerät herausgebracht werden, welches -
allein oder zu mehreren Einheiten in Serie geschaltet-
allen jeweils gestellten Ansprüchen genügt und welches
die Aufnahme aller Sendersysteme ohne weiteres zu-
läßt.
Telefunken hat ein kleines Audiongerät E 266 ent-
wickelt, welches obigen Zweck erfüllt. Die dabei an-
gewendeten Mittel sind folgende: die Hochvakuum-
Kathodenröhre, die Audionschaltung, die Rückkopp-
lungsschaltung und kleine, auswechselbare Spulen. Die
drei Hauptfabrikationsserien des Empfängers E 266
unterscheiden sich wie folgt: Der E 266 d hat eine
Röhrenfassung für die Röhre RE 11, sein Telefontrans-
formator ist für hochohmige (2000 - 4000 Ohm) Tele-
fone berechnet. Der E 266 e unterscheidet sich von
dem E 266 d nur durch die Transformatoren. Für die
Wicklung des hier eingebauten Transforrnators wurde
stärkerer Draht verwendet, urn die Haltbarkeit zu er-
höhen. Diese Transformatoren sind für niederohmige
[150-300 Ohm) Telefone konstruiert. Die Körper der
auswechselbaren Spulen sind aus Holz hergestellt.
Der E 266 g ist besonders für die Benutzung in den
Tropen gebaut. Er besitzt eine Röhrenfassung für die
Röhre RE 38 und wird außerdem mit herausnehm-
barer Zwischenfassung für die Röhre RE11 geliefert.
Die Körper der auswechselbaren Spulen sind aus Preß-
material hergestellt und verziehen sich auch in den
Tropen nicht.
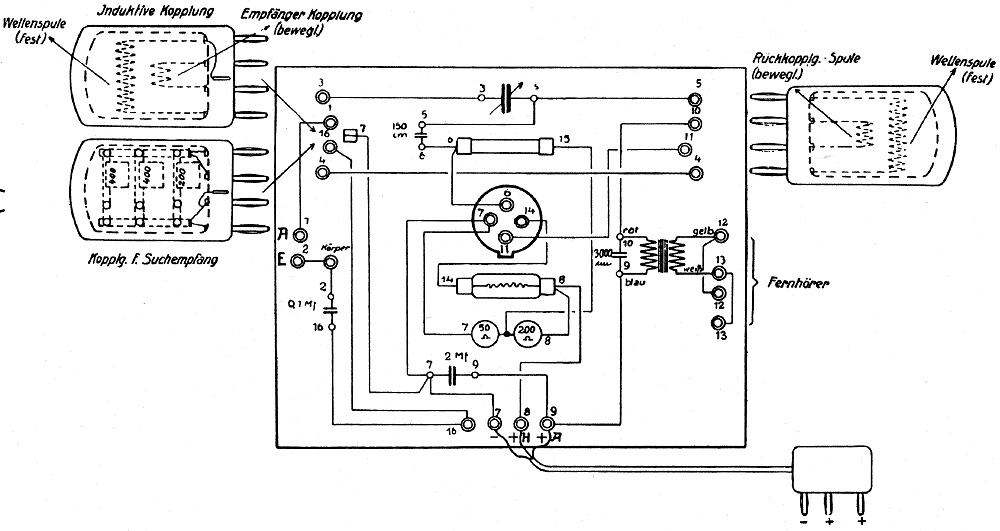
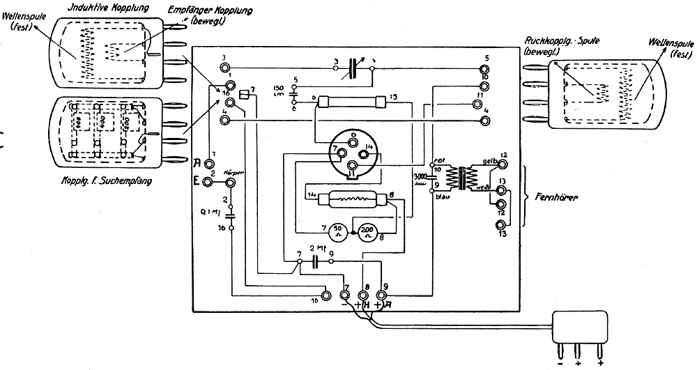
Das Gerät ist in einen kleinen pultförmigen Eisenkasten
eingebaut. Oben auf dem Gerät befinden sich links
die Steckbuchsen für die Empfangskopplung, in der
Mitte die Röhrenfassung, davor die Fassung für den
Eisenwiderstand, auf der rechten Seite die Steckbuchsen
für die Rückkopplung. Auf der schrägen Vorderwand
sind der Bedienungsgriff und die Skala für die Abstim-
mung angeordnet. An der linken Seite befindet sich
der Feinregulierungsgriff für die Abstimmung und die
Anschlußbuchsen zur Antenne und Erde oder zum
Empfänger. Auf der rechten Seite unten befinden sich
die Anschlußbuchsen für Telefone. Auf der Rückseite ist
unten das Anschlußkabel für Heiz- und Anodenspon-
nung herausgeführt. Dieses ist mit einem Anschluß-
stecker für die normale Batterie-Armatur versehen. lm
Innern des Eisengehäuses sind eingebaut: der Ab-
stimmkondensatar, der Gilterkondensator, der Gitter-
Entladewiderstand, der Telefontransformator, der Pa-
rallelkondensator zur Anodenstromquelle und der Tele-
fonkondensator. Unter dem Eisengehäuse liegen die
Blockkondensatoren.
Der E 266 eignet sich ohne jeden Zusatz als selbstän-
diger Primär-Audion-Rückkopplungsempfänger zum
schnellen Aufsuchen nicht bekannter Wellen aller Sen-
der-Systeme. In Verbindung mit einem vorhandenen
Primär-Detektorempfänger dient er als Sekundär-
Audion-Rückkopplungsempfänger zum störungsfreien
Empfang von Sendern mit bekannter Wellenlänge; in
Verbindung mit einem vorhandenen Sekundär-Detek-
torempfänger bildet er einen Tertiär-Audion-Rückkopp-
lungsempfänger. Durch Hintereinanderschaltung meh-
rerer Geräte E 266 lassen sich Empfindlichkeit und
Trennschärfe deutlich steigern. Außerdem eignet sich
das Gerät als Überlagerer und Wellenmesser.
Obwohl der E 266 für kommerzielle Schiffs- und land-
funkstationen entwickelt wurde, konnte man mit dem
passenden Spulensatz für den Wellenbereich 200-
600 m auch Rundfunksendungen aufnehmen. In den
Radiofachgeschäften wurde er aber nicht angeboten.
Doch schon 1923 gab es Angebote für gebrauchte
und ausgemusterte technische Geräte aus Heeresbe-
ständen. So warb die Charlottenburger Motoren-Gesell-
schaft in Berlin in Anzeigen in der Zeitschrift RADlO
für "Radiozubehör", z. B. Senderöhren, Sendegeröte,
Telefunkenwellenmesser, Telefunken-Kondensatoren, Um
former, Telefunken-Empfänger und -Verstärker. Sicher
waren auch einige E 266 dabei...








Der E 266 war damals auch bei Funkamateuren recht beliebt!

Reinhard

Zuletzt bearbeitet am 30.03.18 11:15

Datei-Anhänge
10778_gross.jpg 10778_gross.jpg (497x)

Mime-Type: image/jpeg, 78 kB

e266innen.jpg e266innen.jpg (415x)

Mime-Type: image/jpeg, 82 kB

e266schalt.jpg e266schalt.jpg (515x)

Mime-Type: image/jpeg, 137 kB

Noch gefällt der Beitrag keinem Nutzer.
!
!!! Fotos, Grafiken nur über die Upload-Option des Forums, KEINE FREMD-LINKS auf externe Fotos.    

!!! Keine Komplett-Schaltbilder, keine Fotos, keine Grafiken, auf denen Urheberrechte Anderer (auch WEB-Seiten oder Foren) liegen!
Solche Uploads werden wegen der Rechtslage kommentarlos gelöscht!

Keine Fotos, auf denen Personen erkennbar sind, ohne deren schriftliche Zustimmung.

Den Beitrag-Betreff bei Antworten auf Threads nicht verändern!
 1
 1
Hauptfabrikationsserien   Telefunken-Empfänger   Telefontransformator   Betriebssicherheit   Telefunkenwellenmesser   Tertiär-Audion-Rückkopp-   rallelkondensator   Anodenstromquelle   Hintereinanderschaltung   Rundfunksendungen   Primär-Audion-Rückkopplungsempfänger   Blockkondensatoren   Audion-Rückkopplungsempfänger   Feinregulierungsgriff   Radiofachgeschäften   Telefunken-Kondensatoren   Entladewiderstand   Gilterkondensator   UNIVERSALEMPFÄNGER   Primär-Detektorempfänger