| Passwort vergessen?
Sie sind nicht angemeldet. |  Anmelden

Sprache auswählen:

Wumpus Gollum Forum von
Wumpus Welt der (alten) Radios
Sie sind nicht angemeldet.
 Anmelden

Röhren NF- Verstärker für UKW- Detektor
  •  
 1 .. 9 10 11 12 13 .. 15
 1 .. 9 10 11 12 13 .. 15
09.03.13 23:54
qw123 

500 und mehr Punkte

09.03.13 23:54
qw123 

500 und mehr Punkte

Re: Röhren NF- Verstärker für UKW- Detektor

Hallo Joe,



ist das Dein Eingangsübertrager 1k:250k?
Der kommt mir etwas klein vor.
Hast Du den mal durchgemessen. Frequenzgang und so?

Wenn ich in meiner Bastelkiste stöbere nach Eingangsübertragern mit etwa dem gleichen Übersetzungsverhältnis, finde ich nur viel größere:



Das muß aber nicht unbedingt bedeuten, daß ein kleinerer Trafo schlechter ist.
Small is beautiful.

Gruß

Heinz

Datei-Anhänge
Erste Einblicke.JPG Erste Einblicke.JPG (361x)

Mime-Type: image/jpeg, 68 kB

IMG_0491c.jpg IMG_0491c.jpg (394x)

Mime-Type: image/jpeg, 79 kB

!
!!! Fotos, Grafiken nur über die Upload-Option des Forums, KEINE FREMD-LINKS auf externe Fotos.    

!!! Keine Komplett-Schaltbilder, keine Fotos, keine Grafiken, auf denen Urheberrechte Anderer (auch WEB-Seiten oder Foren) liegen!
Solche Uploads werden wegen der Rechtslage kommentarlos gelöscht!

Keine Fotos, auf denen Personen erkennbar sind, ohne deren schriftliche Zustimmung.

Den Beitrag-Betreff bei Antworten auf Threads nicht verändern!
10.03.13 00:50
nobbyrad58 

500 und mehr Punkte

10.03.13 00:50
nobbyrad58 

500 und mehr Punkte

Re: Röhren NF- Verstärker für UKW- Detektor

Hallo Heinz!

Genau ist es. Hatte mal einen fast Edel NF Übertrager, der war auch nur Daumennagel groß. Der kostete vor einigen Jahren auch schon 70 DM.

MFG Nobby

10.03.13 15:23
joeberesf 

500 und mehr Punkte

10.03.13 15:23
joeberesf 

500 und mehr Punkte

Re: Röhren NF- Verstärker für UKW- Detektor

Hallo Heinz, hallo zusammen

diesen Calradübertrager 45-703 hatte ich mir u.a. aus den USA, für meine Detektoranpassungen,
mitbringen lassen. Den kl. Bruder 45-700 1k/100k hatte ich beim Niedervoltverstärker erfolgreich
zur niederohmigen Anpassung des Resonators eingesetzt. Der Preis, damals schlappe $6,30.
Auf die Info zu diesen Übertragern bin ich durch den Artikel zum DX- Detektor von B. Bosch im RM gekommen.

Sorry,..nicht 1k/250k sondern 200k.

Die Angabe 1k/200k im Datenblatt bezieht sich aber nicht auf den ohmschen Widerstand, sondern
auf die Impedanz bei 1kHz. Diesen Wert konnte ich mit der HAMEG- Messbrücke nachmessen.
Es ist eigentlich ein Mikrofonübertrager. Der rein ohmsche Widerstand beträgt nur 43Ohm / 2,26k.
Deswegen hatte ich weiter oben erwähnt, dass ein Direktanschluss am Gitter der EF95 nicht erfolgreich war.
Daher am Ausgang des Übertragers die alte Reihenfolge, Gitterkondensator und Gitterwiderstand.

Habe ich da einen Fehler gemacht?

Desweiteren bin ich ein wenig frustriert, da mir nun doch noch ein paar Schirmgitter- und
Katodenwiderstände mit höheren Leistungen fehlen. Auch die Freiluftverdrahtungen, direkt am Sockel,
machen mir ein bisschen Probleme. Wenn man sich die alten Röhrengeräte ansieht, wisst ihr sofort was ich meine.
Ich brauche unbedingt noch dünnen Isolierschlauch, um nicht irgendwelche ungewollten Verbindingen zu provozieren.
Auch sind die Augen nicht besser geworden.

Gruß

joe

Zuletzt bearbeitet am 10.03.13 18:49

12.03.13 00:20
qw123 

500 und mehr Punkte

12.03.13 00:20
qw123 

500 und mehr Punkte

Re: Röhren NF- Verstärker für UKW- Detektor

Hallo Joe,

joeberesf:
Hallo Heinz, hallo zusammen...

Die Angabe 1k/200k im Datenblatt bezieht sich aber nicht auf den ohmschen Widerstand, sondern auf die Impedanz bei 1kHz.
das hatten wohl alle richtig verstanden.
Für einen glatten Frequenzgang bis 50 oder 100Hz müßte diese Angabe allerdings auch für diese Frequenzen gelten.
Andernfalls fällt der Frequenzgang zu tieferen Frequenzen stark ab.
Darauf bezogen sich meine Bedenken bezüglich des kleinen Kerns bei Deinem Übertrager.
joeberesf:
Deswegen hatte ich weiter oben erwähnt, dass ein Direktanschluss am Gitter der EF95 nicht erfolgreich war.
Ich habe diese Thread nicht in allen Einzelheiten verfolgt. Könntest Du nochmal erläutern, was da "nicht erfolgreich" war?
War es der Frequenzgang?
joeberesf:
Daher am Ausgang des Übertragers die alte Reihenfolge, Gitterkondensator und Gitterwiderstand.

Habe ich da einen Fehler gemacht?
Bei diesen Übertragern, die sekundärseitig sehr hochohmig sind, ist in den meisten Fällen ein ohmscher Abschluß notwendig.
Häufig auch in Form einer Serienschaltung aus Widerstand und Kondensator parallel zur Sek.-Wicklung.
Damit dämpft man die Resonanz aus Streuinduktivität und Wicklungskapazität (+ Schaltkapazität) und glättet den Frequenzgang. Es geht damit allerdings Verstärkung verloren. Die dafür notwendigen Bauteil-Werte kann man ohne genaue Kenntnis des Übertragers nicht gut berechnen. Hier muß man experimentieren.

Diesen Frequenzgang zu messen, ist nicht ganz einfach. Wegen der Hochohmigkeit sekundärseitig stört ein direkt an die Sekundärwicklung angeschlossenes Meßgerät die Messung u.U. erheblich.

Besser wäre es, die Vorstufen-Röhre zunächst einmal mit Kathodenwiderstand aber ohne den parallelliegenden Elko in Betrieb zu nehmen. Damit hat man einen Kathodenfolger mit hochohmigem Eingang und niederohmigem Ausgang. Am Kathodenwiderstand kann man dann die Wechselspannung messen in Abhängigkeit von der Eingangsspannung primärseitig. Z.B. mit einem (schnell selbstgebauten) Meß-Tastkopf für NF (s.a. Kompendium oder hier: http://www.wumpus-gollum-forum.de/forum/...die-54_101.html) und einem DVM.

Mein Vorschlag:



Gruß

Heinz

Datei-Anhänge
JoeImg.gif JoeImg.gif (372x)

Mime-Type: image/gif, 23 kB

13.03.13 18:44
joeberesf 

500 und mehr Punkte

13.03.13 18:44
joeberesf 

500 und mehr Punkte

Re: Röhren NF- Verstärker für UKW- Detektor

Hallo Heinz,

danke erstmal für die Arbeit die Du Dir hier gemacht hast. Meine Antworten in Deinem Beitrag
in rot.


qw123:
Für einen glatten Frequenzgang bis 50 oder 100Hz müßte diese Angabe allerdings auch für diese Frequenzen gelten.
Andernfalls fällt der Frequenzgang zu tieferen Frequenzen stark ab.
Darauf bezogen sich meine Bedenken bezüglich des kleinen Kerns bei Deinem Übertrager.

Ich habe die Messbrücke angeschlossen und nun den 45-703 durchgemessen.

Meßspannung 50/100mV (primär) :
50Hz Z= 200 Ohm / 100Hz Z= 350 Ohm / 500Hz Z= 1k / 1kHz Z = 2k
Meßspannung 1V (primär) :
50Hz Z= 635 Ohm / 100Hz Z= 840 Ohm / 500Hz Z= 1,2k / 1kHz Z = 2,3k
Meßspannung 50/100mV (sekundär) :
50Hz Z= 30k / 100Hz Z= 51k / 500Hz Z= 230k / 1kHz Z = 450k
Meßspannung 1V (sekundär) :
50Hz Z= 46k / 100Hz Z= 82k / 500Hz Z= 300k / 1kHz Z = 500k

Das bestätigt Deine Vermutung. Der Klang mit dem Niedervoltverstärker war aber nicht schlecht.
Tiefe Frequenzen waren allerdings etwas unterpräsentiert.

joeberesf:
Deswegen hatte ich weiter oben erwähnt, dass ein Direktanschluss am Gitter der EF95 nicht erfolgreich war.
Ich habe diese Thread nicht in allen Einzelheiten verfolgt. Könntest Du nochmal erläutern, was da "nicht erfolgreich" war?
War es der Frequenzgang?

Heinz, das Signal war leiser und zusätzlich mit starkem Brummen überlagert.

joeberesf:
Daher am Ausgang des Übertragers die alte Reihenfolge, Gitterkondensator und Gitterwiderstand.

Der Gitterkondensator mit 68nF und 100k Gitterwiderstand zeigten das beste Ergebnis im Niedervoltaufbau.

Bei diesen Übertragern, die sekundärseitig sehr hochohmig sind, ist in den meisten Fällen ein ohmscher Abschluß notwendig.
Häufig auch in Form einer Serienschaltung aus Widerstand und Kondensator parallel zur Sek.-Wicklung.
Damit dämpft man die Resonanz aus Streuinduktivität und Wicklungskapazität (+ Schaltkapazität) und glättet den Frequenzgang. Es geht damit allerdings Verstärkung verloren. Die dafür notwendigen Bauteil-Werte kann man ohne genaue Kenntnis des Übertragers nicht gut berechnen. Hier muß man experimentieren.
Das will ich versuchen. Hier zeigt sich allerdings auch der Nachteil des geschossenen Aufbaus. Ich hätte vielleicht ein
Brettaufbau vorsehen sollen. Da der Grundaufbau ja eigentlich hinhauen müsste, habe ich darauf verzichtet. Aber man
kommt schon noch an das Gitter der EF 86 ran. Die Mikrofonie kann ja hier einen weiteren Umbau nötig machen.
Diesen Frequenzgang zu messen, ist nicht ganz einfach. Wegen der Hochohmigkeit sekundärseitig stört ein direkt an die Sekundärwicklung angeschlossenes Meßgerät die Messung u.U. erheblich.
Ja verstehe ich. Das Problem hatte ich schon mal am Pendelempfänger.
Ein Anschluss des Tastteilers am Gttter führte sofort zum Aussetzen der Schwingungen, da die Belastung
zu groß war. Theoretisch müssten sich hier so um 7mV abbilden.


Besser wäre es, die Vorstufen-Röhre zunächst einmal mit Kathodenwiderstand aber ohne den parallelliegenden Elko in Betrieb zu nehmen. Damit hat man einen Kathodenfolger mit hochohmigem Eingang und niederohmigem Ausgang. Am Kathodenwiderstand kann man dann die Wechselspannung messen in Abhängigkeit von der Eingangsspannung primärseitig. Z.B. mit einem (schnell selbstgebauten) Meß-Tastkopf für NF (s.a. Kompendium oder hier: http://www.wumpus-gollum-forum.de/forum/...die-54_101.html) und einem DVM.
Danke für den Vorschlag. Das Abkoppeln der zweiten Stufe wird kein Problem sein und die 47uF kann ich von Masse
ablöten. Eine Messung am 1k Katodenwiderstand, mit Tasteiler und Oszilloskop, müsste aber in jedem Fall auch funktionieren.
Ich will aber erstmal komplett aufbauen und mit kleinerer Spannung einschalten. Wenn die Werte i. O. sind,
gehe ich mit der Spannung hoch. Dann wird das Brummen ohne Eingangssignal geprüft. Wenn bis dahin o.k, kommt der
Resonator ran.

Die zweite Stufe wird beim ersten Aufbau nun doch eine EF86 und keine ECC83. Leider ist mein Paket verschütt gegangen.
Ein paar andere Teile fehlen auch noch. Es dauert noch etwas bis zum Einschalten.


Danke und Gruß
joe

Zuletzt bearbeitet am 15.03.13 12:23

25.03.13 17:08
joeberesf 

500 und mehr Punkte

25.03.13 17:08
joeberesf 

500 und mehr Punkte

Re: Röhren NF- Verstärker für UKW- Detektor

Hallo zusammen,

heute ist der Tag des Angstschweißes und des Herzklopfens.....
Das erste Einschalten ist erfolgt. Es hat auf Anhieb funktioniert ohne das mit das Teil um
die Ohren geflogen ist.
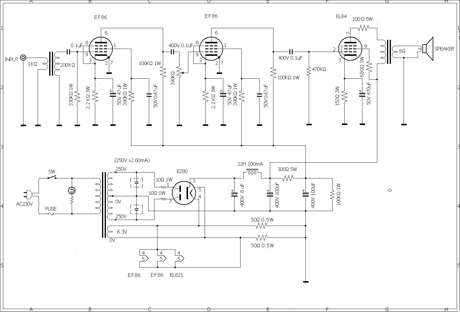
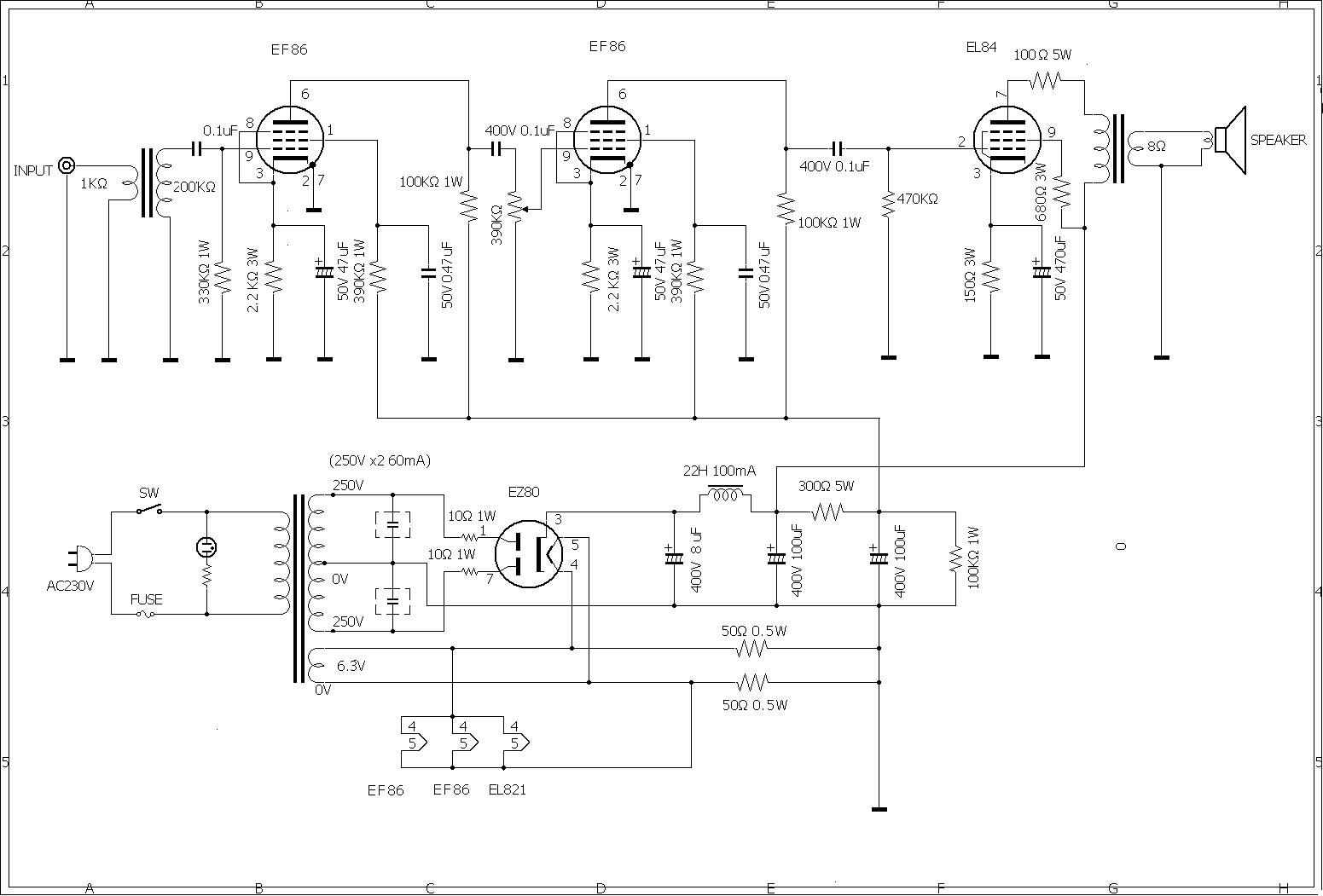
Hier erstmal zwei Bilder zur jetzigen Bestückung und ein aktualisierter Stromlaufplan, um weiter auf dem
neusten Stand diskutieren zu können, dann die Ergbnisse des ersten Tests.



Hier das typische Röhrenverdrahtungschaos,...wie wir es lieben.
Um ungewollte Verbindungen zu verhindern, habe ich Schläuche über blanke, gefährdete
Anschlussdrähte gezogen.


Netzteil hier noch mit Gleichrichteröhre und AC- Heizung.


Die Heizpannung ist auf 6,1V zusammengebrochen. Die EL84 zwang die Quelle etwas in die Knie. Aber
ok..kein Problem, alles glimmt fein vor sich hin. Dauerlauf 1h !

Zuschalten 6V Anodenspannung. Am Übertrager ein Kopfhörer eingestöpselt. Verstärkung vorhanden.
Als Eingangssignal diente ein zweiter Kopfhörer als Mikrofon.

Anodenspannung auf 30V erhöht und erstmal 10min den Verstärker damit konfrontiert. Dann auf 120V erhöht und
statt dem Kopfhörer provisorisch einen Lautsprecher angeschlossen. Beim Aufdrehen des Potis bringt man mit 120V den
Verstärker trotz weit entfernt liegendem Mikrofon zur Rückkopplung. Hier machte sich aber der total eingegrenzte
Bereich des Potis bemerkbar. Nur 15% kann ich nutzen dann fängt der Verstärker an zu pfeifen.....ohne Eingangssignal.
So 15kHz pfeifen einem entgegen. Es ist nicht die Mikrofonie der Vorstufe. Die hält sich im Rahmen..pling...pling!
Das schönste Erfolgserlebnis ist der total leise Brumm.

Also weiter rauf mit der Anodenspannung auf 250V. Mikrofonie nicht kritisch, aber leicht zunehmender Brumm und
Berührungsempfindlichkeit des Gehäuses. (Knacken)

Dann habe ich den PE- Netzteil mit Funktionsmasse verbunden und konnte die Erscheinung beseitigen. Der Verstärker
funktioniert im groben. Maximaler Anodenstrom 51mA. Nun kommen die Feinheiten.

Fragen:

1. Könnt ihr mir einen Vorschlag zum Poti machen? Hier stimmt der einfache Aufbau (siehe Schaltung 2te EF86) nicht.

2. Ich habe eine Schaltung mit EF84 gesehen, dort gibt es einen 1Meg. Widerstand zwischen Anode der EL84
und der Anode der Vorstufenröhre. Das Schaltbild ist mit ECC83 realisiert. Wozu dient dieser Widerstand?

Heute Abend hänge ich den Resonator ran. Muss noch Steckerchen basteln um alles gut und ohne fliegende Aufbauten
zusammenzustöpseln. Bin sehr zufrieden mit diesem ersten Versuch. Bevor ich aber das Gehäuse komplett schließen
kann, muss das Poti- und Pfeifproblem beseitigt sein.

Danke und Gruß

joe

Datei-Anhänge
Bestückung.JPG Bestückung.JPG (374x)

Mime-Type: image/jpeg, 116 kB

Detektorverstärker_vers_2.JPG Detektorverstärker_vers_2.JPG (425x)

Mime-Type: image/jpeg, 147 kB

Bestückung2.JPG Bestückung2.JPG (374x)

Mime-Type: image/jpeg, 95 kB

25.03.13 21:46
nobbyrad58 

500 und mehr Punkte

25.03.13 21:46
nobbyrad58 

500 und mehr Punkte

Re: Röhren NF- Verstärker für UKW- Detektor

Hallo Joe!

Erst mal toll das Dir das so gut gelungen ist. Das ist viel Arbeit, immer mit etwas ungewissen Ausgang. Zwei Sachen sind mir aufgefallen, die Symmetrierung des Heizkreises, meistens werden dort 47 - 100 Ohm verendet oder ein Draht-Trimmer, dessen Mittenabgriff auf Masse ist. Dann könnte man die Anoden der beiden EF 86 nochmals entkoppeln mit RC Gliedern. Der 100 Ohm R zwischen Anode EL 84 und AÜ ist nicht nötig, sogar schädlich. Eher noch einen C Elko an das Schirmgitter der EL 84. Das Poti von 390 K ist eigentlich zu klein, gebräuchlich sind da meist 1 M. Am besten so kurz wie möglich die heißen Leitungen zum Poti und mit dünnen abgeschirmten Kabel verbinden (Diodenkabel).
Die Schaltung die Du erwähnst gehört zu der Familie der Gegenkopplungen. Mit diesen hat man Verstärkung gegen Bandbreite, Frequenzbeeinflussung Höhen-Tiefen Regelung, Veränderung des Ein und Ausgangswiderstandes und Stabilität getauscht. Die Berechnung einer Gegenkopplung ist sehr komplex.

MFG Nobby

26.03.13 00:58
joeberesf 

500 und mehr Punkte

26.03.13 00:58
joeberesf 

500 und mehr Punkte

Re: Röhren NF- Verstärker für UKW- Detektor

Hallo Nobby,

die Symmetrierung des Heizkreises über einen Entbrummer habe ich nicht eingebaut, da ich die Heizspannung
gleichgerichtet habe. Der 100 Ohm- Widerstand an der Anode der EL84 ist aus einem Schaltungsaufbau kopiert.
Die Funktion dieses Widerstands ist mir auch nicht klar. Warum meinst Du kann er schädlich sein?

Das eigentliche Problem ist aber das Poti. Es mag sein, dass es noch zu klein ist. Fakt ist aber, dass die Funktion im
unterem Bereich ( also von Masse aus gesehen / Linksanschlag) gut funktioniert. Die Lautstärke steigt etwa bis
10% Rechtsdrehung an und fängt dann an zu pfeifen und zu zerren. Keine Lautstärkesteigerung mehr vorhanden.
Dann fängt die EL84 hart zu flattern an und der feine blaue Elektronenstrahl wird dabei unterbrochen. Der Gesamtstrom
steigt dann auch noch weiter an. Also das Poti ist weit davon entfernt die 390k am Mittelabgriff zu erreichen. Desweiteren
hatte ich mir extra solch ein Poti besorgt, damit ich üngefähr auf die Größe des im Datenblatt gezeigten 390k Gitterwiderstands
komme. Die EL 84 wird anscheinend völlig von der zweiten EF86 übersteuert. Hier muss ich erstmal versuchen das
Problem zu lokalisieren. Ein 1MOhm Poti oder einen Vorwiderstand mit 470k will ich als erstes versuchen.

Nun habe ich den Resonator angeschlossen und konnte 7 Signale hörbar machen. Vier davon in leiser Zimmerlautstärke.
Den Resonator musste ich auf PE- legen, da ansonsten der Brumm und Störungen zu arg zunahmen. Desweiteren gab
einen 10nF Kondensator parallel am Ausgang des Resonators einen positiven Entstöreffekt. Die Lautstärke ist aber aufgrund
der oben beschriebenen Probleme noch zu gering, aber das Prinzip funktioniert.
Störungen, Brummen usw. kommen nun eher aus dem Empfänger. Mit dem Kopfhörer als Mikrofon, habe ich allerdings
schon richtig Power und einen guten Sound!

Gruß

joe

Zuletzt bearbeitet am 26.03.13 01:26

26.03.13 06:45
wumpus 

Administrator

26.03.13 06:45
wumpus 

Administrator

Re: Röhren NF- Verstärker für UKW- Detektor

Hallo Joe,

Vielleicht solltest Du direkt an der EL84 in die Gitter-1-Leitung einen 1 kOhm-Widerstand setzten und im Zeitalter der Handy-Telefonie auch an den beiden Gitter-1 der EF86-Röhren jeweils einen keramischen 250-500 pF-Kondensator kurz nach Masse legen.

Bei der hohen Gesamtverstärkung halte ich die Koppelkondensatoren von 100 nF zu hoch. Ich würde hier höchstens 5 - 10 nF nehmen.

Auch würde ich in die Endstufe eine Gegenkopplung von der Sekundärseite des Ausgangstrafos gegenphasig (Anschlüsse der Sekundärwicklung vertauschen) über einen Hochohm-Widerstand zum Steuergitter der zweiten EF86 legen.

Als Poti wäre ein log-Poti besser (falls nicht schon verwendet). Auch ein 1 MOhm. Vielleicht käme mit meinen Vorschlägen das Gerät jetzt auch mit dem verwendeten Poti gut aus.

Die Kathoden-Elkos haben aus meiner Sicht zu hohe Werte. Vielleicht wäre in der Endstufe 50 uF und in den Vorstufen 10 uF besser.

Die Schaltung könnte so stabiler werden.

Deine Schaltung hat sicher viel "Bumms", vielleicht aus Stabilitätssicht zu viel.


Gruß von Haus zu Haus
Rainer (Forumbetreiber)

26.03.13 15:10
nobbyrad58 

500 und mehr Punkte

26.03.13 15:10
nobbyrad58 

500 und mehr Punkte

Re: Röhren NF- Verstärker für UKW- Detektor

Hallo Joe!

Auf dem Schaltbild hab ich keine Gleichrichtung für den Heizkreis gesehen, bei Gleichstromheizung kann eine Symmetrierung entfallen meine ich.
Mit schädlich meine ich, das ein Teil der Leistung in diesem Widerstand verheizt wird. Der idealer Übertrager hat keinen Ohmschen Widerstand der Wicklungen, sondern die gesamte Leistung wird über das Magnetfeld übertragen. Deshalb werden die Impedanzen der Wicklungen angegeben, nicht die reellen Widerstände. Ein in Serie liegender Widerstand erhöht die ohmschen Verluste ohne was zur Übertragung oder der Anpassung der Impedanzen beizutragen.
Rainers Vorschläge würde ich ausprobieren, bei zu großen Koppel C kann der geringe Stromfluss einer Vorstufen-Röhre dazu führen das eine Art Integrationseffekt entsteht und die Spannung nicht mehr folgen kann, der C muss immer wieder Geladen werden.
Auch sind die sicher gut gemeinten Bauteile sehr groß, sie ragen Hoch hinaus und sind somit Störanfälliger. Kurze Leitungen, vor allem beim Poti sind anzustreben. Koppel C ziemlich kurz an das Poti löten. Es wird nicht einfach sein ein stabiles Gerät hinzubekommen, wird aber möglich sein.

MFG Nobby

 1 .. 9 10 11 12 13 .. 15
 1 .. 9 10 11 12 13 .. 15
Verstärkung   Anodenspannung   Übertrager   Zusammen   Natürlich   Widerstand   Resonator---Röhrenchassis----Netzteil-----PE   Problem   NF-Wechselpannungsverstärkerstufen   eigentlich   Kondensator   weitere   Zuletzt   Antenne---Resonator---Verstärker---LS-Box---Netzteil   bearbeitet   Verstärker   Netzteil   Detektor   Schaltung   joeberesf