| Passwort vergessen?
Sie sind nicht angemeldet. |  Anmelden

Sprache auswählen:

Wumpus Gollum Forum von
Wumpus Welt der (alten) Radios
Sie sind nicht angemeldet.
 Anmelden

Röhren NF- Verstärker für UKW- Detektor
  •  
 1 .. 10 11 12 13 14 15
 1 .. 10 11 12 13 14 15
26.03.13 15:21
joeberesf 

500 und mehr Punkte

26.03.13 15:21
joeberesf 

500 und mehr Punkte

Re: Röhren NF- Verstärker für UKW- Detektor

Hallo Rainer,

danke für die Tipps. Ja das Poti ist ein log- Poti. In der originalen Beschaltung der EL84 liegt direkt am Gitter 1
ein 4,7k Widerstand, den hatte ich weggelassen und werde ihn einsetzen und die Koppelkapazitäten verkleinern.
Ich habe eben im Philipsdatenblatt nachgeschaut und meinen Fehler entdeckt. C sollte hier nur 10nF betragen.
Die 47uF für den Kathodenelko sollten aber laut Datenblatt ok sein.

Das Einbuchen des Mobilfunks ist sehr krass und lautstark aufgrund der hohen Verstärkung zu hören. Das kommt aber
hauptsächlich durch das Vorschalten des Resonators zum Tragen. Ich glaube kaum, dass ich das Problem weg bekomme.
Aber schaden kann es ja nicht, die kleinen C`s von Gitter zu Masse zu platzieren.

Deine Gegenkopplung probiere ich am Schluss aus. Der Brumm hält sich noch tapfer und liegt etwa bei meinem voll
aufgedrehten Grundig 3097. Das Umsetzen Deiner Ratschläge wird nicht ganz einfach, da ich für kurze Verbindungen
Teile der Schaltung wieder auslöten muss. Naja, gut Ding will Weile haben. Am Tisch kann ich gut Kulturradio, Info
und das Funkhaus Europa hören. Die 88.8 funktioniert aufgrund der zusätzlichen Erdung des Topfes eher schlecht.
Dies ist eigentlich mein stärkstes Signal. Also die brummfreie Ankopplung des UKW- Detektors hat Auswirkungen
auf die HF- Eigenschaften des Empfängers.
Hier muss ich auch noch ein bisschen Fummeln und eine praktikable Verbindung über den Schirm der Anschlussleitung
zum Verstärker realisieren.
Übrigens halte ich die Empfangssituation in der Wohnung für eine Reflexion.
Die Ausrichtung der Antenne ist so um 50 Grad nach Westen verschoben.
Auch Stationen vom Alex sind aus dieser Richtung zu empfangen.

Morgen gehe ich mal mit MW und Langdraht an den Verstärker. Hier müsste es aufgrund der viel höheren Signalstärke
nur so brüllen. Mit dem improvisierten Kopfhörermikro konnte ich immerhin das Ticken einer Taschenuhr im Raum hören.
Ein darüber gelegtes Kissen verhinderte die Rückkopplung.

Fein Rainer,...ein Ansatz ist gefunden und der nächste Bastelabend gerettet.

Gruß

joe

!
!!! Fotos, Grafiken nur über die Upload-Option des Forums, KEINE FREMD-LINKS auf externe Fotos.    

!!! Keine Komplett-Schaltbilder, keine Fotos, keine Grafiken, auf denen Urheberrechte Anderer (auch WEB-Seiten oder Foren) liegen!
Solche Uploads werden wegen der Rechtslage kommentarlos gelöscht!

Keine Fotos, auf denen Personen erkennbar sind, ohne deren schriftliche Zustimmung.

Den Beitrag-Betreff bei Antworten auf Threads nicht verändern!
26.03.13 15:51
joeberesf 

500 und mehr Punkte

26.03.13 15:51
joeberesf 

500 und mehr Punkte

Re: Röhren NF- Verstärker für UKW- Detektor

Hallo Nobby,

danke für die Antwort. Über dem Schaltbild ist ein Hinweis zur AC- Heizung. Vielleicht nicht ganz glücklich
beschrieben. Also es ist DC geworden, da das Netzteil ja extern ist, habe ich erstmal auf eine Neuzeichnung
verzichtet. Alles hinter der Gleichrichterröhre entspricht aber anodenspannungsmäßig dem jetzigen Aufbau.

Zum Widerstand, da der Übertrager ja einen niedrigen ohmschen Widerstand und eine hohe Impedanz hat,
gibt es im Einschaltmoment, aufgrund der Magnetisierungsvorgänge, ein deutliches Überschwingen des Stroms.
Diesen kann man sogar mit dem Multimeter beobachten. Ich denke, der Widerstand dient der Strombegrenzung
und zum Schutz der Endstufe. Der Trafo hat eine Induktivität von 10H und 2,4k Imp.

Ja Nobby,... zum Aufbau einer solchen Schaltung muss man sich sicher im Vorfeld noch mehr Gedanken machen.
Die Anordnung der Teile, ließ sich aber mit meinen Vorgaben zum Chassis kaum noch anders lösen. Hier fehlt mir
noch die Erfahrung. Manch guter Freiluftaufbau, auf Versuchsbrettchen, ist aber nicht so kompakt und wird
auch mit Erfolg realisiert.

Das Versuchsbrett ist nun das Chassis...mal sehen ob ich die Probleme, in dieser Konstruktion, lösen kann.

Gruß

joe

26.03.13 17:12
nobbyrad58 

500 und mehr Punkte

26.03.13 17:12
nobbyrad58 

500 und mehr Punkte

Re: Röhren NF- Verstärker für UKW- Detektor

Hallo Joe!

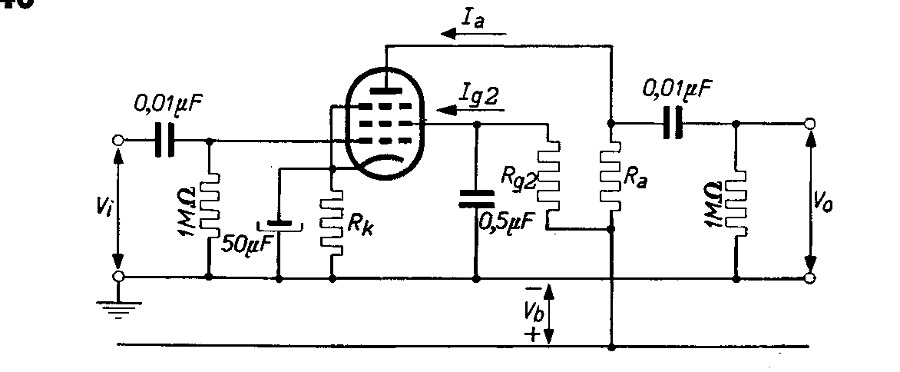
Eine Einschaltstrombegrenzung wird meist im Netzteil vorgenommen. Meine Ansicht über diesen Widerstand hab ich geschrieben. Die Impedanz R a sollte bei der EL 84 5,2 K sein, bei opt. Leistung im A Betrieb.
Wenn die Verstärkung ausreicht oder gar zu hoch ist, kann man auch den Anodenwiderstand der EF 86 verringern. Das erniedrigt den Gesamt R Ausgang der Stufe und macht ein sie bisschen weniger Brummanfällig. Eine Gegenkopplung die von der AÜ Sek. Wicklung zum Katodenkreis der Eingangsröhre gemacht wird erfordert ganz oder teilweise keinen Katoden C (Stromgegenkopplung), das braucht eine gute abgeschirmte Leitung bei einer so hohen Verstärkung. Die Schaltung die ich meine weicht etwas von Rainers ab, die ist eine Spannungsgegenkopplung.
Mann könnte auch eine Spannungsgegenkopplung jeder einzelnen EF 86 verwirklichen, bei Pentoden eigentlich Mittel der Wahl, denn diese senkt den R i und damit auch R a.
Die von Dir gesehene Schaltung einer Gegenkopplung GK von Anode zu Anode ist auch eine solche. Oft wurde das auch zur Höhen und Tiefen Regelung gemacht.

MFG Nobby

Zuletzt bearbeitet am 26.03.13 17:17

27.03.13 19:57
joeberesf 

500 und mehr Punkte

27.03.13 19:57
joeberesf 

500 und mehr Punkte

Re: Röhren NF- Verstärker für UKW- Detektor

Hallo Nobby,

nochmal zurück zur Einschaltstrombegrenzung. Ich meine nicht das kurzschlusshafte Verhalten der dicken
Elkos beim Betätigen des Netzschalters. Wenn der Anheizvorgang fast abgeschlossen ist, also
die Emission der Elektronen in Gang kommt, dann zeigt mir das Multimeter ein leichtes Überschwingen des
Gesamtstromes. Also Ladevorgänge sind dann schon abgeschlossen. Der Widerstand ist aus nachstehendem
Schaltungsaufbau.



Diesen habe ich ohne Gegenkopplung 1M und 4,7k an G1 übernommen. Im Endeffekt ist meine
Schaltung zusammengebastelt aus dem Datenblatt der EF86 und besagten Vollverstärker mit ECC83 und EL84.

Interessant ist auch die Frage, ob mein Aufbau seine maximale Verstärkung schon erreicht hat und nur noch das
Poti angepasst und die Koppel- C`s auf 10nF gebracht werden müssen, um die wilden Schwingungen, Knattern und
Pfeifen mit 15kHz abzustellen. ( über 10-15% der Potiaussteuerung)
Die Lautstärke aus dem Resonator gefällt mir so noch nicht, aber der Verstärker bringt immerhin schon die gschätzten 35uV auf leise Zimmerlautstärke. Ein Mikrofon ist mit seinem höheren Pegel, schon ein richtig fettes Eingangssignal und die Gesamtlautstärke
völlig ok.

Heute will ich noch nicht umbauen und andere Geräte ranhängen. MW- Detektor, Kurbelradio (MW) und meinen
Solarempfänger mit UKW. Erst mal ein bisschen Spielen und den Teilerfolg genießen, bevor ich mit den Umbauten
nach euren Vorschlägen beginne.

Gruß

joe

Datei-Anhänge
NF ECC83 EL84_ Ausschnitt.JPG NF ECC83 EL84_ Ausschnitt.JPG (378x)

Mime-Type: image/jpeg, 25 kB

28.03.13 15:47
nobbyrad58 

500 und mehr Punkte

28.03.13 15:47
nobbyrad58 

500 und mehr Punkte

Re: Röhren NF- Verstärker für UKW- Detektor

Hallo Joe!

Eine kleine erhöhte Stromaufnahme bis sich alle Spannungen und Ströme eingestellt haben ist eigentlich normal und nicht schädlich. Die EL 84 soll im A Betrieb eine Anodenspannung von 250 V haben. Die Anodenspannung wird zwischen Katode und Anode gemessen, also nicht an der Masse. Das bedeutet für die Spannung am Lade oder Siebelko 250 V + 7,3 V - g1 + den Spannungsabfall in Prim. Wicklung AÜ, hier muss man es einfach messen und ausrechnen, meist so 10 - 20 V = ~ 270 V gesamt.
Die Frequenzunabhänige GK im Schaltbild hat zwei Pfade: Einmal Spannungsteiler R 6 - R 11 und zur Anode der Vorröhre. Das ist eine Spannungs- GK. Der max. Gitterwiderstand der EL 84 ist 0,7 M, da ist noch ein bisschen Luft nach oben. Eine wirklich optimale Verstärkung wird man nur bei der vollen Ausnutzung aller Möglichkeiten der Endröhre bekommen. Also die Versorgungsspannung so bemessen das bei A Betrieb 250 V Anodenspannung sind, der dann opt. R a des AÜ mit 5,2 K bemessen.

MFG Nobby

28.03.13 16:53
qw123 

500 und mehr Punkte

28.03.13 16:53
qw123 

500 und mehr Punkte

Re: Röhren NF- Verstärker für UKW- Detektor

Hallo Joe,

was Dir 'Nobby' zuletzt geschrieben hat bzgl. 'erhöhte Stromaufnahme' und GK ist richtig, sollte Deine Aufmerksamkeit aber nicht von den größeren Problemen Deines Verstärkers ablenken. Bevor Du solche und andere Feinheiten verbesserst, müßte nach meiner Einschätzung erstmal die gravierende Schwingneigung des Verstärkers abgestellt werden.

joeberesf:
...und nur noch das Poti angepasst und die Koppel- C`s auf 10nF gebracht werden müssen, um die wilden Schwingungen, Knattern und
Pfeifen mit 15kHz abzustellen....
Es ist schwierig, aus der Ferne eine Diagnose zu erstellen. Ich befürchte aber, daß Du mit den genannten Maßnahmen nicht auskommst.
Um die Ursache für das Schwingen zu finden, solltest Du systematisch vorgehen.

In der Regel ist es in solchen Fällen so, daß der Schaltungsteil mit den höchsten vorkommenden NF-Spannungen auf einen vorangehenden Teil rückkoppelt. Die höchsten Spannungen kommen bei Dir an der Anode der EL84 (und allen damit verbundenen Bauteilen) vor. Von hier aus kann es eine Kopplung zum Eingang der zweiten oder der ersten EF86 geben.

Ein erster Test wäre z.B., daß Du die erste EF86 entfernst und nachschaust, ob das Schwingen immer noch auftritt, wenn das Poti aufgedreht wird.
Sollte das der Fall sein, könnte man als erstes einen kleinen Kondensator von 2...5nF parallel zur Primärwicklung des AÜ schalten. Außerdem sollte die Abschirmung des EL84-Anoden-Kreises gegen den Gitterkreis der zweiten EF86 überprüft werden. Da mußt Du evtl. massiv nachbessern.

Analog wäre zu verfahren, wenn sich bei diesem Test herausstellt, daß die unerwünschte Kopplung zum Gitterkreis der ersten EF86 besteht.

Gruß

Heinz

28.03.13 17:00
joeberesf 

500 und mehr Punkte

28.03.13 17:00
joeberesf 

500 und mehr Punkte

Re: Röhren NF- Verstärker für UKW- Detektor

Hallo Nobby,

morgen will ich ertsmal Rainers Vorschlag umsetzen und die C´s austauschen und die 4,7k an G1 einlöten.
Ich will auch die Spannungsabfälle kontrollieren. Das habe ich noch nicht gemacht, da die Einbausituation
nicht mehr so einfach zugänglich ist. Die Werte fallen auf jeden Fall geringer aus, da das Netzteil unter der
jetzigen Belastung, nur 250VDC schafft.

Gestern war ich mit dem MW- Detektor dran und hatte richtig Power am Lautsprecher, nachdem ich den
Detektor abgebaut hatte, musste ich den Resonator nochmal ausprobieren. Der Standort war in der Küche
und ich hatte die 88.8Mhz richtig laut. Kulturradio, Info und Funkhaus Europa aber merkwürdigerweise leiser
als am Basteltisch im Wohnzimmer. Die Antenne hatte dort eine weitere um 90 Grad verschobene Ausrichtung.
Wenn ich jetzt die Yagi anschließe, würde es schon richtig fetzen. Also die reale Empfangsrichtung läuft in
meiner Wohnung völlig aus dem Ruder. ( Reflexionen)

Heinz hatte übrigens recht...mein Übertrager ist in den Tiefen etwas schwach auf der Brust. Beim direkten Einkoppeln
des Signals über ein C mit 47nF (zweiter Eingang) ist der Sound besser. Ich muss das Poti dann weiter aufdrehen
um die gleiche Vertärkung zu bekommen. Das geht auch, also der beschriebene Effekt der wilden Schwingungen setzt
dann später ein. Das Verhalten kommt aus den Vorstufen. Wichtig ist der vollständig durchgezogene Massestrang.

Resonator---Röhrenchassis----Netzteil-----PE

Alles liegt nun auf dem PE über den Schukostecker des Netzteils. Hier habe ich extra eine PE-Buchse eingesetzt, um
die Funktionsmasse mit PE zu verbinden. Dann ist der Brumm und Störungen von Netzteilen, Energiesparlampen usw.
im Griff. Das Netzteil kann ich so ca. 1m weit weg positionieren. Ich bin froh, dass ich Rainers Hinweis dazu
ernst genommen habe. Ein dichtes heranrücken, bei voller Lautstärke, macht es deutlich.

Gruß

joe

PS. Ich habe einen weiteren Fehler entdeckt. Ich verwende einen 4Ohm B.P. Autolautsprecher. Die
Abgriffe auf dem Übertrager habe ich aber auf 8Ohm gesetzt.

28.03.13 17:34
joeberesf 

500 und mehr Punkte

28.03.13 17:34
joeberesf 

500 und mehr Punkte

Re: Röhren NF- Verstärker für UKW- Detektor

Hallo Heinz,

bin auf`m Sprung, aber Dein Tipp habe ich doch gleich ausbrobiert. Danke..
aber das Ziehen der 1. Stufe veränderte nur den Effekt. Nun war es kein hohes Pfeifen,
sondern ein Flattern und Pumpen. Beim Entfernen beider Vorstufen ist natürlich Ruhe im
Karton.

Danke für die weiteren Tipps.

Gruß

joe

29.03.13 10:52
nobbyrad58 

500 und mehr Punkte

29.03.13 10:52
nobbyrad58 

500 und mehr Punkte

Re: Röhren NF- Verstärker für UKW- Detektor

Hallo Joe, Hallo Zusammen!

Das Problem der empfindlichen Vorstufen gab es eigentlich immer. Ein mechanisch konstruktiver Lösungsansatz war die Verwendung besonderer Fassungen. Es gab und gibt Röhrenfassungen mit Abschirmhülse, das ist ein kleines Metallröhrchen im Innern der Fassung und mit Abschirnkragen. An dieses Matallröhrchen werden kleine Metallplättchen (evtl. Isoliert) angebracht. Ein Bild von so einer Fassung der Vorgängerröhre EF 40 hab ich mal gescannt. Die EF 40 und die EF 86 sind von den elektr. Daten gleich, nur die Fassung ist verschieden; EF 40 Rimlock EF 86 Noval.
Bei der Konstruktion eines Selbstbaugerätes würde ich Schaltungen oder Schaltungsteile von Industriegeräten nur bedingt nehmen. Vor allem die Übernahme der einzelnen Komponentengröße R C usw. können nicht immer zum erwünschten Erfolg führen. Deshalb hab auch mal die "offizielle" Beschaltung, also die Standardapplikation gescannt.

MFG Nobby

Datei-Anhänge
EF 40 86.1a.jpg EF 40 86.1a.jpg (387x)

Mime-Type: image/jpeg, 20 kB

EF 40 86.1b.jpg EF 40 86.1b.jpg (361x)

Mime-Type: image/jpeg, 176 kB

EF 40 86.2.jpg EF 40 86.2.jpg (412x)

Mime-Type: image/jpeg, 44 kB

29.03.13 22:26
joeberesf 

500 und mehr Punkte

29.03.13 22:26
joeberesf 

500 und mehr Punkte

Re: Röhren NF- Verstärker für UKW- Detektor

Hallo Nobby, hallo zusammen,

die Standartapplikation ist fast identisch. Im Philips- Datenblatt der EF86 ist meine Applikation
genau beschrieben. So habe ich es im Nachgang während fünfstündiger Versuche umgesetzt.
Auch eure Tipps sind umgesetzt. Hier meine Ergebnisse:

1. Austausch der Koppel C`s von 100nF auf 10nF.

Ja, Zunahme der Verstärkung, bei direkt belastetem Eingang, über 47nF an Gitter1 der ersten Stufe.
Mikrofonie hat eingesetzt. Beim Abziehen des Eingangs....wildes Schwingen ab 15% Aussteuerung des Potis.
Mit Eingangsbelastung ca. 75% Austeuerung möglich!
Über Trafoeingang ... kaum noch austeuerbar. 5% Potiausteuerung reichen jetzt zum Pfeifen. Nicht zurückgebaut!

2. Einsetzen von 4,7K direkt am Gitter der EL84

Kaum ein Unterschied! Nicht zurückgebaut!

3. Zusätzliche 4,7nF parallel zur Primärseite des Übertragers.

Kein Unterschied! Nicht zurückgebaut!

4. Poti mit Vorwiderstand 490k gegen Masse versehen.

Sofort wildes Pfeifen! Sofort zurückgebaut!

5. 1M zwischen Anode EL84 und EF86 zweite Stufe. ( Gegenkopplung)

Verstärkung geringer! Sofort zurückgebaut!

6.

Dann hatte ich die Faxen dicke und habe 4,7nF parallel zum Anodendenwiderstand der zweiten
Stufe geschaltet. Sofortiger Höhenverlust des Signals war natürlich die Folge. Aber kein Pfeifen, Pumpen oder
wildes Schwingen mehr. Bei 3/4 Vollausschlag des Potis alles ok!....Dann setzte eine tiefe Rückkopplung ein.
Es ist die über das C frequenzmäßig gedämpfte Mikrofonie. Die Gesamtempfindlichkeit hatte zusätzlich abgenommen. (Höhenverlust)
Keine Beschaltung der Eingänge!!

Hier will ich nach Ostern wieder ansetzen und beide Stufen anodenspannungsseitig, über R/C Kombinationen,
separat entkoppeln. Hier liegt aus meiner Sicht, das Geheimnis zum Erfolg. 2x10k und je 3,5uF/350V will ich einsetzen.

Ach fast vergessen; Ich habe für die EF86 übrigens eine schöne Abschirmung incl. Sockel. Es sieht aber bis jetzt so
aus, dass hier kein Bedarf besteht. Die interne Schirmung , wie Rainer vermutet hat, reicht aus. Der Brumm ist nicht
das Problem...auch die wilden Kopplungen brachten mit einer improv. Schirmung keine Veränderung.

Ich wünsche Euch ein frohes Osterfest.....bis bald..und
danke für die Unterstützung!

joe

Zuletzt bearbeitet am 29.03.13 23:01

 1 .. 10 11 12 13 14 15
 1 .. 10 11 12 13 14 15
Verstärkung   Schaltung   joeberesf   Zusammen   Zuletzt   bearbeitet   Natürlich   Netzteil   Verstärker   weitere   Problem   Antenne---Resonator---Verstärker---LS-Box---Netzteil   NF-Wechselpannungsverstärkerstufen   Anodenspannung   Übertrager   eigentlich   Kondensator   Widerstand   Detektor   Resonator---Röhrenchassis----Netzteil-----PE