| Passwort vergessen?
Sie sind nicht angemeldet. |  Anmelden

Sprache auswählen:

Wumpus Gollum Forum von
Wumpus Welt der (alten) Radios
Sie sind nicht angemeldet.
 Anmelden

Röhren NF- Verstärker für UKW- Detektor
  •  
 1 .. 7 .. 11 12 13 14 15
 1 .. 7 .. 11 12 13 14 15
06.04.13 20:59
nobbyrad58 

500 und mehr Punkte

06.04.13 20:59
nobbyrad58 

500 und mehr Punkte

Re: Röhren NF- Verstärker für UKW- Detektor

Hallo Joe!

Ein paar Überlegungen hab ich noch mal gemacht.. Man könnte bei der ersten Stufe eine Spanungsgegenkopplung die nur auf Diese Stufe wirkt anwenden. Im Prinzip wird dabei ein kleiner Teil der Anodenwechselspannung auf das Gitter gegengekoppelt. Diese GK Art verringert den Ein.- und Ausgangswiderstand. Den VU Verlust könnte man durch eine VU Erhöhung, erzielt durch einen größeren Anoden R in der zweiten Stufe kompensieren. Also erste Stufe weniger dafür in der zweiten mehr.

MFG Nobby

!
!!! Fotos, Grafiken nur über die Upload-Option des Forums, KEINE FREMD-LINKS auf externe Fotos.    

!!! Keine Komplett-Schaltbilder, keine Fotos, keine Grafiken, auf denen Urheberrechte Anderer (auch WEB-Seiten oder Foren) liegen!
Solche Uploads werden wegen der Rechtslage kommentarlos gelöscht!

Keine Fotos, auf denen Personen erkennbar sind, ohne deren schriftliche Zustimmung.

Den Beitrag-Betreff bei Antworten auf Threads nicht verändern!
06.04.13 23:49
joeberesf 

500 und mehr Punkte

06.04.13 23:49
joeberesf 

500 und mehr Punkte

Re: Röhren NF- Verstärker für UKW- Detektor

Hallo Nobby,

nobbyrad58:
Man könnte bei der ersten Stufe eine Spanungsgegenkopplung die nur auf Diese Stufe wirkt anwenden. Im Prinzip wird dabei ein kleiner Teil der Anodenwechselspannung auf das Gitter gegengekoppelt. Diese GK Art verringert den Ein.- und Ausgangswiderstand.

Mein Radiofreund hatte mich schon vor diesem Problem gewarnt und eher auf die ECC83 verwiesen. Hier sein Zitat dazu:

"Für mich war von Anfang an die Anreihung zweier EF86 mit der großen Stufenverstärkung heikel. Eventuell helfen auch Abschirmungen am Röhrensockel und zwischen beiden Vorstufen. Wenn es quitscht, dann ist es ungewollte Rückkopplung. Die NF schwingt! Am Sockel kann man ein Blech zwischen Eingang und Ausgang plazieren, das am mittleren Dom und an Masse gelegt wird. Wenn hochohmige Eingänge offen sind, dann wird jeder "Mist" eingefangen. Manchmal reicht es, wenn in Reihe zum Gitter ein Widerstand gelegt wird, der mit der Eingangskapazität der Röhre einen Tiefpass bildet." Zitat Ende.

Ja ,...der Mann hat in der DDR als Entwickler in der Fernseh-Industrie gearbeitet. Aber er will mich natürlich eigene Erfahrungen
machen lassen. Auf unserem letzten Treffen habe ich mir die EF86 besorgt. Die hohe Stufenverstärkung mit Eingangsübertrager
ist das Problem. Nun stellt sich die Frage:.... will ich den noch, da die Aufwärts- Transformation eine Menge Probleme bringt?
Beim Niedervoltversuch im Video, war es genau umgekehrt. Ohne Trafo war das Ergebnis schlechter.
Die Verstärkung allerdings, ohne PC- Box, gerade auf sehr leisem Kopfhörerneveau.

Folgende Maßnahmen werde ich ohne Trafo versuchen:

1. Einsetzen eines Widerstandes in Reihe zu g1. Wie bei der EL84 ohne positiven Effekt umgesetzt. (4,7k)
2. Nobby`s Vorschlag einer Gitter- GK. zur Anode. R= <>100k
3. Verkleinern des Gitterwiderstandes.<330k

Wenn das Poti mit offenem Eingang dann Vollausteuerung bringt, will ich den Trafo direkt ohne Gitter C anschließen. Wenn
dies negativ ist, verzichte ich auf den Übertrager.

So der Plan....

Danke für die vielen Hinweise und besten Gruß von

joe

Zuletzt bearbeitet am 07.04.13 00:06

07.04.13 01:58
nobbyrad58 

500 und mehr Punkte

07.04.13 01:58
nobbyrad58 

500 und mehr Punkte

Re: Röhren NF- Verstärker für UKW- Detektor

Hallo Joe!

Mit der Stufen GK meinte ich eine GK von der Anode DER GLEICHEN Röhre zum Gitter DIESER Röhre. Natürlich muss die Anodengleichspannung vom Gitter geblockt werden. Das geschieht mit einem spannungsfesten Kondensator, genau so wie ein Koppel C.
Der Gitterableitwiderstand bildet dann mit diesem GK Widerstand einen Wechselspannungsteiler. Beispiel R g 1 1 M ; GK R 10 M bilden einen Spannungsteiler 10 : 1.
Da diese Gegenkopplung (fast) nur auf diese eine Stufe wirkt, sind diese leichter zu berechnen. Gerade bei Deiner Spezialanwendung mit einem Übertrager im Eingang müsste man dies experimentell ermitteln.
Um den Abfall der VU in der ersten Stufe zu kompensieren hab ich den Vorschlag gemacht die zweite Stufe höher verstärken zu machen. Dazu den Anodenwiderstand zu vergrößern, z.b. auf 220 K wie in den Applikationen. Den Katoden R dann auch anpassen.
Am anderen Ende könnte der R zwischen Anode der EL 84 und AÜ weg gelassen werden und ein AÜ mit ca. 5 K Impedanz genommen werden. Allerdings ist die Beschaffung eines guten Eintakt AÜ mit zusätzlichen Ausgaben verbunden. Hab noch eine kleines Prinizipbild dazugestellt.

MFG Nobby

Datei-Anhänge
GK-pages.jpg GK-pages.jpg (358x)

Mime-Type: image/jpeg, 16 kB

08.04.13 18:34
joeberesf 

500 und mehr Punkte

08.04.13 18:34
joeberesf 

500 und mehr Punkte

Re: Röhren NF- Verstärker für UKW- Detektor

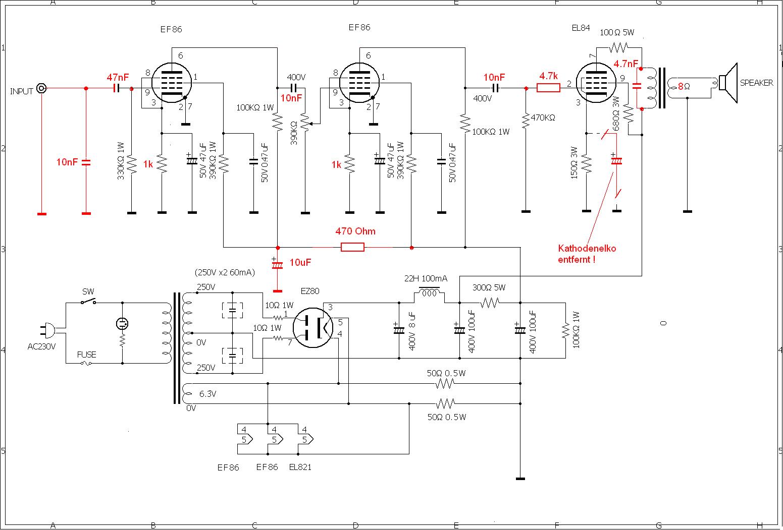
Hallo Nobby, hallo zusammen,

gestern habe ich sehr lange rumprobiert und konnte erst keine wirklichen Erfolge
erzielen. Bei den Umbauten hatte ich vergessen den Kathodenelko der EL84
anzulöten. Nach dem Einschalten waren ein Teil der Schwingungen beseitigt. Ich
habe verschiedene Werte probiert, aber er musste raus! Warum auch immer.
Den Trafo hatte ich als Störenfried schon vorher eliminiert. Das offene g1 der ersten Stufe
bekam dann noch 10nF gegen Masse verpasst. Dann war Ruhe im Karton. Nun kann ich den
Verstärker ohne angeschlossenes Gerät auf Maximum drehen. Mikrofonie spricht so bei 85%
Potiansteuerung an. Die Tests am Resonator waren erfolgreich. Hier in rot
meine Modifikationen im Plan. (Anhang)
Durch die weitere R/C Entkopplung ist auch der letzte Brumm bei Vollaussteuerung beseitigt.
Das Rauschen hält sich noch in Grenzen ab 70%.
Fein, jetzt will ich das Chassis unten schließen und mir eine kleine D- Zugbox bauen.
Dann geht es an eine Tischantenne mit 300 Ohm.

Danke für die tolle Unterstützung. Ihr hättet die Probleme bestimmt anders gelöst. Ich bin aber
trotzdem sehr zufrieden mit dem empirisch ermittelten Resultat... Video kommt noch!

Gruß

joe

Kathodenelko korrigiert/ nicht Widerstand

Zuletzt bearbeitet am 09.04.13 12:09

Datei-Anhänge
Detektorverstärker_vers_3.JPG Detektorverstärker_vers_3.JPG (404x)

Mime-Type: image/jpeg, 151 kB

08.04.13 23:06
nobbyrad58 

500 und mehr Punkte

08.04.13 23:06
nobbyrad58 

500 und mehr Punkte

Re: Röhren NF- Verstärker für UKW- Detektor

Hallo Joe!

Ich nehme an Du meinst den Katodenelko der EL 84 der raus musste, so wie auf dem Schaltbild. Das entspricht einer Stromgegenkopplung, erhöht den Ein und Ausgangwiderstand. Wie gesagt, den 100 R zwischen Anode und AÜ würde ich weglassen und dann den Katoden R der EL 84 nur teilweise einen Elko parallel schalten. Z. B. den 150 R in einen 100 R + 47 R aufteilen und nur einen Teil nicht gegenkoppeln.
Hier noch den NF Teil mit drei GK Pfaden eines AM Radios.

MFG Nobby

Datei-Anhänge
Radiofon1 NF Teil.jpg Radiofon1 NF Teil.jpg (379x)

Mime-Type: image/jpeg, 138 kB

09.04.13 00:26
MB-RADIO 

500 und mehr Punkte

09.04.13 00:26
MB-RADIO 

500 und mehr Punkte

Re: Röhren NF- Verstärker für UKW- Detektor

Hallo Joe,

na, prima, da freue ich mich mit Dir, daß Du nun einen echten Erfolg hast.

Auf Deinem Satz " Ihr hättet die Probleme bestimmt anders gelöst." - Ja teilweise schon.
Den 10n am Eingang hätte ich viel kleiner gewählt , aber dafür jeder EF86 noch einen 5...10 direkt vorm G1 spendiert. Und nicht in der Endsufe die Verstärkung reduziert, sondern durch noch bessere Entkopplung der einzelnen Stufen (Siebung,Masseverdrahtung und Schirmung) versucht, den niederfrequenten Schwingeinsatz noch weiter hinauszuzögern. Es ist auch möglich, daß das niederfrequente Schwingen erst durch ein HF-Schwingen angefacht wird , dann könnten auch HF-Drosseln direkt an den Anoden helfen, oder ein paar Pikofarad direkt an der Anode gegen Masse oder plus Ub. Ja , ich weiß, das ist schnell geschrieben, aber bei Weiten nicht so schnell realisiert.

Ich drücke Dir weiterhin die Daumen.

Viele Grüße
Bernd

09.04.13 11:09
capstan 

100-249 Punkte

09.04.13 11:09
capstan 

100-249 Punkte

Re: Röhren NF- Verstärker für UKW- Detektor

Hallo,

in hartnäckigen Fällen, z.B. schwingenden Eigenbauten, hat man heute auch die Möglichkeit mit "modernen" Bauelementen einzugreifen.
Mir hat hierbei der Einsatz von Ferritperlen sehr geholfen.
Auf die Beinchen der relevanten Bauelemente (Gitter- Anodenwiderstand) direkt an der Röhrenfassung gesteckt und schon war Ruhe im Raum.
War nur so'n Vorschlag zum ausprobieren.

Gruß, Bernd

09.04.13 13:08
joeberesf 

500 und mehr Punkte

09.04.13 13:08
joeberesf 

500 und mehr Punkte

Re: Röhren NF- Verstärker für UKW- Detektor

Hallo zusammen,

da hatte ich mich verdaddelt. Kathodenelko,..so wie im Plan gezeichnet. Ja danke für weitere
Lösungsansätze. An Drosseln und kleinen Ferritkernen hatte ich auch schon gedacht. Das Hauptproblem
war aberder kleine Calradübertrager. Auch eine primäre Beschaltung brachte kaum Verbesserungen. Ich glaube
auch, dass der Schwingvorgang durch die hohe Sekundärimpedanz ausgelöst wurde. Hier hätte ich umfangreiche
Schirmungen einbauen müssen. Dies hätte einen völligen Neuaufbau bedeutet. Da dies mein erster eigen konzipierter
Röhrenverstärker war und ich auf dem Gebiet nur Teilwissen habe, bin ich trotzdem mit der gefundenen Lösung zufrieden,
da die Verstärkung schon sehr groß ist.

Bernd, die 10nF am Eingang zur Masse ist auch empirisch ermittelt. Bei 4,7nF war das Problem noch nicht ganz
behoben. An der zweiten EF86 hatte ich auch mit einem weiteren 10nF Gitterkondensator, direkt am Potiabgriff
experimentiert. Der Effekt war noch schnelleres Anschwingen der Schaltung. Eine weitere Siebung zur ersten
Stufe ist auch eingesetzt. Der Restbrumm ist damit völlig beseitigt...aber das Schwingverhalten hatte sich damit
nicht geändert.

Nobby, den 100 Ohm Widerstand nehme ich noch raus, Deine Teilgegenkopplung kann ich ja noch ausprobieren.
Das könnte funktionieren, obwohl schon ein Kathodenelko von nur 3,3uF das gleiche Verhalten wie mit 50uF zeigte.

Fazit:

Ich hätte vielleicht eine offene Schaltung auf dem Brett aufbauen sollen. Experimentieren im kleinen Gehäuse
war nicht vorteilhaft. Teilweise musste ich Bauteile komplett auslöten um an die Anschlüsse der Fassungen zu kommen.
Das würde ich so nicht mehr wiederholen. Die Braterei mit dem Lötkolben zwischen den etwas überdimensionierten Bauteilen
war auch nicht einfach. Mit Standlupe, Lesebrille und zittrigen Fingern werden nachträgliche Modifikationen ein Genuss.


Gruß

joe

09.04.13 13:48
MB-RADIO 

500 und mehr Punkte

09.04.13 13:48
MB-RADIO 

500 und mehr Punkte

Re: Röhren NF- Verstärker für UKW- Detektor

Hallo Bernd,

ja, auch das ist möglich.

Hallo Joe,

die derzeitige Betriebsspannungsentkopplung der Stufen ist noch nicht richtig HF-tauglich . Eventuell hilft auch da eine HF-Drossel in Reihe zu den Siebwiderständen und eine keramische 10nF-Scheibe parallel zu den Siebelkos . Auch für den Schirmgitter-C wäre ein e keramische Scheibe günstig.
Dagegen sehe ich den 100 Ohm an der Anode als unkritisch, im Gegenteil , dessen Wendelung wirkt dann bei höheren Frequenzen auch schon als Drossel.
Wenn der C an der 2. EF86 das Schwingen verstärkt hat, deutet das auf eine Masseschleife hin - da stimmt wohl was im Massebereich nicht.

Du mußt immer bedenken, bei so hohen Verstärkungen reichen geringste Verdrahtungskapazitäten und Schleifen in Betriebsspannung und Masse für eine Rückkopplung.

Ich habe mir gerade Dein Chassis angesehen - die Eingangsröhre ist schon veflixt nahe an der Endröhre .
Viele Grüße
Bernd

Zuletzt bearbeitet am 09.04.13 13:57

10.04.13 22:44
joeberesf 

500 und mehr Punkte

10.04.13 22:44
joeberesf 

500 und mehr Punkte

Re: Röhren NF- Verstärker für UKW- Detektor

Hallo zusammen,

ich berichtete ja von der merkwürdigen Ausrichtung (90Grad verschoben) der improvisierten Dipolteleskopantenne
und konnte das Geheimnis heute lüften.

Beim Aufbau dieses UKW- Kompaktradios wollte ich einige Metallteile von den Harken der Halterung
im Hintergrund abnehmen, dabei konnte ich den Effekt des Abstrahlens erkennen und durch Verschieben
der Siebe, Kellen, Löffel usw. ...den Empfang der 88.8 Mhz verbessern oder verschlechtern. Es muss
sich um eine abgestimmte Behelfsantenne handeln....

Der folgende Aufbau klingt schon wie ein richtiges Radio. Die Box macht natürlich Spaß am Verstärkerlein.
Mein neues Küchenradio? Klingt schon richtig fett,...trotz der geringen Signalstärke aus der Antenne.
Das wird mein Terassenaufbau mit Yagi fürs Video.

Gruß

joe

Nachtrag: Interessant für Roehrenfreaks, dass der Verstärker bei 36V noch leise Zimmerlautstärke bringt.
Trotz aller Datenblätter ....bestimmt lohnenswert mal ein Kopfhöreraudion mit EF86 zu versuchen.



Zuletzt bearbeitet am 10.04.13 22:56

Datei-Anhänge
KompaktUKWdetektor.jpg KompaktUKWdetektor.jpg (329x)

Mime-Type: image/jpeg, 83 kB

 1 .. 7 .. 11 12 13 14 15
 1 .. 7 .. 11 12 13 14 15
Problem   joeberesf   Kondensator   Resonator---Röhrenchassis----Netzteil-----PE   Übertrager   Antenne---Resonator---Verstärker---LS-Box---Netzteil   Natürlich   Verstärker   bearbeitet   Detektor   eigentlich   NF-Wechselpannungsverstärkerstufen   Widerstand   weitere   Zuletzt   Verstärkung   Anodenspannung   Schaltung   Zusammen   Netzteil