| Passwort vergessen?
Sie sind nicht angemeldet. |  Anmelden

Sprache auswählen:

Wumpus Gollum Forum von
Wumpus Welt der (alten) Radios
Sie sind nicht angemeldet.
 Anmelden

Das "beste" Audion?
  •  
 1 .. 8 .. 14 15 16 17 18
 1 .. 8 .. 14 15 16 17 18
12.01.12 22:20
Uwe.Soboszcyk 

250-499 Punkte

12.01.12 22:20
Uwe.Soboszcyk 

250-499 Punkte

Re: Das "beste" Audion?

Hallo zusammen, hallo Nobby, hallo Heinz,

nachdem ich mich auf Euren Rat hin in den letzten Wochen mit allen möglichen theoretischen Hintergründen von Filtern, Einkreisern, Röhrenschaltungen u.s.w. befasst habe, mußte ich feststellen, daß man sicherlich vieles berechnen kann -und muss. Allerdings geht auch nichts über einen ordentlichen Versuchsaufbau, bei dem man sinnvoll mit den Bauteilen "spielen" kann.
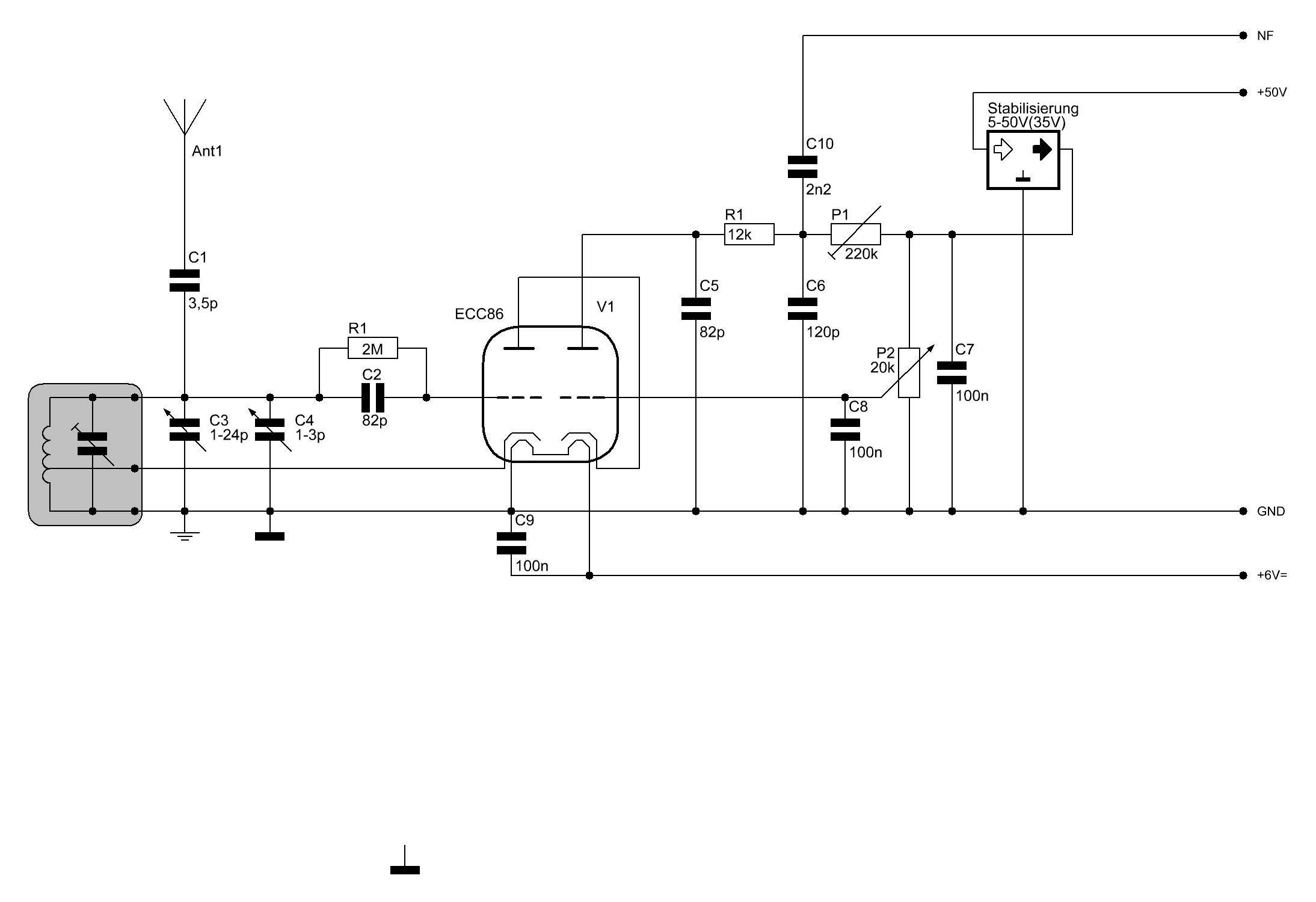
So habe ich es denn nochmals gewagt und eine entsprechende Schaltung auf Steckbrettern ausprobiert. Ich habe versucht, daß theoretisch gelernte so gut wie möglich an der Schaltung auszuprobieren und zu vertiefen.
Die Gitterkombination des Audions mit 82p und 2M hat sich bewährt. Eine Kombination aus 100p/1M macht das Audion zwar etwas lauter und klarer, aber auch "breiter".

C5 wurde experimentell ermittelt. Beim "Spielen" mit diesem Kondensator stellte sich heraus, daß er großen Einfluß auf das Audion hat und weit mehr darstellt, als ein Teil eines Filters. Beim Verringern der Kapazität wurde das Audion deutlich "agiler".

Vielleicht kann Heinz mir ja da noch einmal mit der Theorie auf die Sprünge helfen.

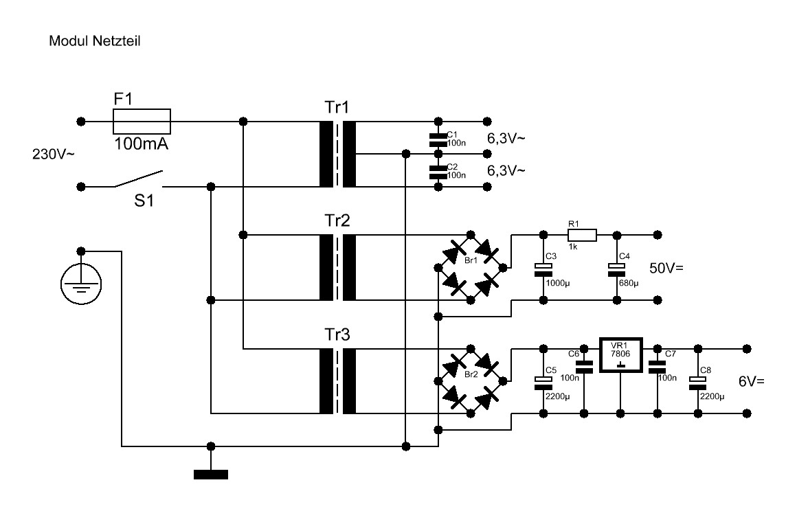
Das "Ergebnis" habe ich dann in eines meiner bereits bekannten Platinen-Chassis eingebaut. Mit dem Audion und einem kleinen NF-Verstärker auf LM386-Basis erziele ich folgendes Ergebnis:

Steckspule für 49m:
AM-Rundfunk mit sehr hoher Empfindlichkeit. Dreht man die Rückkopplung soweit auf, daß höchste Selektivität erreicht wird, ist die Lautstärke zu hoch und alles wird übersteuert.

Steckspule für 80m:
Auf 3413 kHz ist Shannon Volmet leise zu empfangen. Die SSB-Flugwetteraussendung aus Irland bleibt -einmal eingestellt- bis auf eine gewisse Verzerrung der Stimme recht gut zu verstehen. Man muß nicht nachregeln. Auch wenn das Chassis mit den Händen abgefasst wird und z.B. auf die Seite gelegt wird, verändert sich die Tonhöhe der Sprache kaum. Das Gerät scheint also ausreichend (Frequenz)-stabil.
Amateurfunk-CW-Aussendungen sind ebenfalls recht stabil zu empfangen.
Amateurfunk-SSB-Aussendungen sind i.d.R. zu leise, um sie zu verstehen.

Bei beiden Steckspulen ist die Rückkopplung, bei der ich wieder auf ein 10-Gang-Wendelpoti zurückgegriffen habe, sehr gut einstellbar und setzt überaus sanft ein.

Da ist vermutlich HF-Vorverstärkung bzw. bessere NF-Nachverstärkung notwendig. Natürlich soll der LM386 "abgelöst" werden.

Der Schaltplan hängt dem Beitrag an. Für mögliche Verbesserungen bin ich wie immer empfänglich. Hoffe, ich hab nicht wieder irgernd eine Eselei eingebaut.

Ich habe mich entschlossen, den Empfänger in Modultechnik aufzubauen. (Ähnlich der alten D-Züge)
Deshalb hat das Netzteil noch etliche Spannungen, die derzeit noch nicht genutzt werden und ist darüber hinaus auch noch ausbaufähig.
Das Audionmodul steht wie das Netzteil für sich allein und soll durch NF- bzw. HF- Module ergänzt werden.

@Nobby:
Du hattest mir ja eine gute NF-Filterschaltung für CW/Sprache empfohlen. Obwohl recht kompliziert, würde ich die gern bauen. Da sie mit Doppeltrioden aufgebaut wird, möchte ich versuchen, diese ebenfalls mit den ECC86-Röhren zu realisieren.
Ich bin mir allerdings nicht sicher, welche Eingangspegel die Schaltung benötigt.
Ist es sinnvoll, zunächst eine Vorverstärkung (evtl. noch im Audionmodul) vorzunehmen?

MFG Uwe

Datei-Anhänge
Audion.JPG Audion.JPG (2048x)

Mime-Type: image/jpeg, 149 kB

Netzteil.JPG Netzteil.JPG (982x)

Mime-Type: image/jpeg, 75 kB

!
!!! Fotos, Grafiken nur über die Upload-Option des Forums, KEINE FREMD-LINKS auf externe Fotos.    

!!! Keine Komplett-Schaltbilder, keine Fotos, keine Grafiken, auf denen Urheberrechte Anderer (auch WEB-Seiten oder Foren) liegen!
Solche Uploads werden wegen der Rechtslage kommentarlos gelöscht!

Keine Fotos, auf denen Personen erkennbar sind, ohne deren schriftliche Zustimmung.

Den Beitrag-Betreff bei Antworten auf Threads nicht verändern!
13.01.12 03:08
qw123 

500 und mehr Punkte

13.01.12 03:08
qw123 

500 und mehr Punkte

Re: Das "beste" Audion?

Hallo Uwe,

Uwe.Soboszcyk:
C5 wurde experimentell ermittelt. Beim "Spielen" mit diesem Kondensator stellte sich heraus, daß er großen Einfluß auf das Audion hat und weit mehr darstellt, als ein Teil eines Filters. Beim Verringern der Kapazität wurde das Audion deutlich "agiler".

Vielleicht kann Heinz mir ja da noch einmal mit der Theorie auf die Sprünge helfen.
ich will's mal versuchen:
C5 ist kein Teil des nachfolgenden Filters R1C6 (R1 kommt bei Dir zweimal vor!), auch wenn dessen Funktion etwas von der Größe von C5 abhängt. Man soll sich hier nicht von der äußerlichen Ähnlichkeit mit einem CLC-Pi-Filter täuschen lassen.

Der Arbeitspunkt und damit die Verstärkung der Kaskode wird für Gleichstrom und niedrige Frequenzen (NF) durch den Arbeitswiderstand P1(+R1) und durch die Stellung von P2 eingestellt. Der Kondensator C5 liegt wechselspannungsmäßig parallel zum Arbeitswiderstand und verringert diesen und damit die Verstärkung für hohe Frequenzen (HF) an der Anode der 2. Triode. Bei einer Frequenz von 3.5MHz liegt der kapazitive Widerstand von C5 bei ca. 500 Ohm. Die Gesamtverstärkung V berechnet sich in der Kaskodenschaltung zu V ~ S x Ra, (Ra = Arbeitswiderstand, S Steilheit der ersten Triode im gewählten Arbeitspunkt) und könnte damit bei 3.5MHz unter 1V/V liegen.
Damit hätte C5 seinen Zweck erfüllt. An der Anode ist HF ja eher unerwünscht.

Du schreibst nicht, um wieviel Du C5 'spielweise' geändert hast. Kleine Änderungen, z.B um einen Faktor <3, sollten theoretisch keinen merklichen Einfluß auf die Funktion des Audions haben. Wenn sich doch eine deutliche Änderung ergibt, könnten Effekte auftreten, die aus dem Schaltbild nicht ersichtlich sind. z.B. Selbsterregung im VHF- oder UHF-Bereich.

Bei einer Vergrößerung auf etwa 500pF kann C5 anfangen, die hohen Töne abzuschneiden. Das hängt dann auch etwas von der Einstellung von P1 ab.

Bei Netzröhren würde ich zu diesem Kondensator immer einen Dämpfungswiderstand in Serie schalten. C5 kann mit Schaltungsinduktivitäten einen schwach gedämpften Schwingkreis im VHF/UHF-Bereich bilden. Bei steilen Netz-Trioden wie der ECC88 führt das so gut wie regelmäßig zu Eigenschwingungen.

Wichtig wäre bei weiteren Schaltbildern die Angabe der Spannungen an den Röhrenelektroden.

Gruß

Heinz

P.S.
Uwe.Soboszcyk:
@Nobby:
Du hattest mir ja eine gute NF-Filterschaltung für CW/Sprache empfohlen. Obwohl recht kompliziert, würde ich die gern bauen. Da sie mit Doppeltrioden aufgebaut wird, möchte ich versuchen, diese ebenfalls mit den ECC86-Röhren zu realisieren

Obwohl ich nicht 'Nobby' bin, möchte ich dazu etwas sagen. Nobby würde Dir wahrscheinlich nichts anderes empfehlen:
Die von Nobby verlinkte Schaltung kann nicht einfach mit den ECC86 anstelle der dort angegebenen Röhrentypen bestückt werden. Damit sie mit den ECC86 funktioniert, müßten erst alle Arbeitspunkte und die entsprechenden Widerstände neu berechnet werden.

Erst bei einer Neuberechnung der Schaltung stellt sich auch heraus, ob sie mit den ECC86 überhaupt in der vorgesehenen Weise funktionieren kann.

13.01.12 15:18
nobbyrad58 

500 und mehr Punkte

13.01.12 15:18
nobbyrad58 

500 und mehr Punkte

Re: Das "beste" Audion?

Hallo Uwe!

Gut das Dein Audion jetzt zufriedenstellend läuft. Ich will direkt zum Kern kommen: Heinz hat Recht, die Daten der beiden Röhren ECC81 und ECC86 sind zu verschieden. Es handelt sich beim "Selectoject" um ein aktives Filter, das heißt das das verstärkende Element eine entscheidende Rolle für die vorgesehene Funktion hat. Ganz einfach gesagt die Rohren selbst bilden in gewissen Maße L + C. Der Durchgriff, ein entscheidender Parameter für die Verstärkung ist bei der ECC86 4mal höher als bei der ECC81 7,6% zu 1,7%. Die ECC83 eine Vorstufentriode für große NF Verstärkung hat nur einen D von 1%. Auch die Steilheit ist 2,6 zu 5,5 mA/V wesentlich geringer.
Eine vernünftige Funktion wird nur bei Röhren mit ähnlichen Betriebsdaten wie der ECC81 möglich sein. Eine NF Endstufe mit Röhren wird auch eine Spannung von 170 - 250 V benötigen um richtig Power zu haben und eine Tonregelung (Gegenkopplung) für KW Rundfunkempfang zu ermöglichen. Natürlich kann man auch geringeren Spannungen arbeiten aber besser ist es die NF Endröhren in den vorgesehenen Arbeitspunkten zu belassen.

MFG Nobby

Zuletzt bearbeitet am 13.01.12 15:59

13.01.12 23:46
Uwe.Soboszcyk 

250-499 Punkte

13.01.12 23:46
Uwe.Soboszcyk 

250-499 Punkte

Re: Das "beste" Audion?

Hallo Heinz, Nobby und alle zusammen,

die Schaltung des Selectojet habe ich mir noch einmal angeschaut, jedoch nur eine offenbar abgewandelte Schaltung im Internet gefunden. Dort wird mit 12AX7-Röhren gearbeitet. Es gibt offenbar 2 verschiedene Schaltungen, die bis auf das Stereopoti gleich sind. Bei einer hat das Poti 2x 0,5M und bei der anderen 2x 5M. Beide Schaltungen wurden offenbar in verschiedenen Jahrgängen des Amateurfunk-Handbuches veröffentlicht. Welche der Schaltungen ist die richtige?

Die Schaltung wird also nach Original-Plänen aufgebaut werden müssen.

Ich habe den heutigen Nachmittag genutzt und hinter das Audion eine NF-Treiberstufe gebastelt.
Nun ist alles deutlicher zu hören und das Audion wird nicht mehr so stark durch meinen LM386 belastet.
Es funktioniert nun bei AM-Rundfunk wirklich hervorragend, bei SSB allerdings ist die Sprache noch verzerrt. Shannon Volmet ist zwar recht gut zu verstehen, die Sprache hört sich jedoch an, als sei sie durch einen Wah-Wah Effekt entstellt, der irgendwie durch den "Takt" der Sprache moduliert wird. Das passiert mehr oder weniger stark bei allen SSB Sendungen, die ich empfange. Ich meine damit aber nicht die Tonhöhe der SSB-Wiedergabe, die durch das Einstellen der Empfangsfrequenz beeinflusst wird. Je näher ich der "natürlichen" Tonhöhe komme, desto schlimmer wird der beschriebene Effekt und die Sprache klingt dann schon ein wenig "verheult".
Bei AM ist alles propper.
Ich habe den Verdacht, daß es vielleicht an meiner Spule liegt, und zwar an der Lage der Anzapfung. Bin aber nicht sicher.

Ich habe den Schaltplan neu gezeichnet und einige Spannungen bei verschiedenen Betriebszuständen des Audions gemessen. Die Messungen wurden bei aufgesteckter 80m-Steckspule gemacht. Der Fehler mit dem doppelten R1 wurde berichtigt.
Vielleicht gibt das ja Auskunft darüber, was noch zu verbessern ist.

@Heinz:
Danke für Deine Erläuterungen, die ich so nachvollziehen kann. Gespielt hatte ich bei dem Kondensator mit Werten zwischen 22pF und 120pF. Allerdings ist beim Steckbrett ja immer die Gefahr unbeabsichtigter Kapazitäten gegeben, so daß der Effekt wohl auf eine unbeabsichtigte Oszillation zurückzuführen war. Beim jetzigen Aufbau ergibt sich beim Spielen tatsächlich keine hörbare Veränderung mehr.

Wenn ich dich recht verstanden habe, bildet der Kondensator zusammen mit dem Röhreninnenwiderstand einen Tiefpass und belastet die Röhre HF-mäßig entsprechend seiner Kapazität.

Nun noch eine Frage:
Wenn beim Audion die Rückkopplung stark angezogen wird, beginnt es zu oszillieren und HF abzustrahlen. Dem Schwingkreis wird mehr Energie zugeführt, als seine Komponenten "vernichten". So weit verstanden. Wenn ich die entstandene HF aber als Pfeif- oder Quietschton höre, müßte doch eine Modulation stattfinden, oder oszilliert das Audion auch im NF-Bereich?
Beim Aufdrehen der Rückkopplung z.B. zum Empfang von SSB bekomme ich bei meinem Audion irgendwann einen Ton dicht unterhalb der Hörgrenze. Die SSB-Station ist dann immer noch hörbar, tritt aber gegenüber dem Ton völlig in den Hintergrund und ein Einstellen auf die richtige Frequenz wird selbst mit der Lupe zum Geschicklichkeitsspiel.
Wie ist das zu erklären?

Ich habe mich wirklich bemüht, dazu Antworten zu finden. Wie man Röhrenverstärker grundsätzlich berechnet, dazu gibt es auch jede Menge Formeln und Beschreibungen. Aber zum Audion, und besonders zum Kaskodenaudion finde ich -wenn überhaupt- nur sich teilweise sogar widersprechende theoretische Beschreibungen, aber nichts, womit man wirklich rechnen kann. Die Sache mit der Gleichrichtung im Kennlinienknick und der Oszillator-Schaltung habe ich verstanden, aber auch die bei mir vorhandene Diefenbach-/Sutaner-/Rose-Literatur aus der "radio-praktiker-bücherei" gibt mir da nichts handfestes vor. Lediglich über die Gitter- und Anodengleichrichtung habe ich einiges gefunden, das einen rechnerischen Ansatz zur Gitterkombination ermöglicht.



MFG Uwe

Datei-Anhänge
Audion2.JPG Audion2.JPG (687x)

Mime-Type: image/jpeg, 253 kB

15.01.12 09:51
qw123 

500 und mehr Punkte

15.01.12 09:51
qw123 

500 und mehr Punkte

Re: Das "beste" Audion?

Hallo Uwe,

viele Fragen.
Der Reihe nach und wegen der Längenbegrenzung in zwei Teilen:
Teil 1

uwe:
die Schaltung des Selectojet habe ich mir noch einmal angeschaut, jedoch nur eine offenbar abgewandelte Schaltung im Internet gefunden. Dort wird mit 12AX7-Röhren gearbeitet. Es gibt offenbar 2 verschiedene Schaltungen, die bis auf das Stereopoti gleich sind. Bei einer hat das Poti 2x 0,5M und bei der anderen 2x 5M. Beide Schaltungen wurden offenbar in verschiedenen Jahrgängen des Amateurfunk-Handbuches veröffentlicht. Welche der Schaltungen ist die richtige?

MÖglicherweise keine.
Ich habe nur mal eine, die von Nobby angesprochene Schaltung gesehen.
Ich hätte starke Vorbehalte, diese einfach 1:1 nachzubauen.
Die Idee hinter dieser Schaltung ist gut und stammt mit Sicherheit von jemandem, der etwas von der Sache versteht. Die Dimensionierung mancher Bauteile bei der Schaltung, die ich gesehen habe, war aber zweifelhaft, sozusagen 'verbastelt'. Ich hatte den Eindruck, daß die Internetversion der Schaltung wohl aus einer alten Fachzeitschrift entnommen wurde und dann ohne große Kenntnis der Funktion für die eigenen Zwecke abgeändert wurde. Besonders die beiden Phasenschieber dürften so wie ich sie gesehen habe nicht besonders gut funktionieren.

uwe:
Es funktioniert nun bei AM-Rundfunk wirklich hervorragend, bei SSB allerdings ist die Sprache noch verzerrt. Shannon Volmet ist zwar recht gut zu verstehen, die Sprache hört sich jedoch an, als sei sie durch einen Wah-Wah Effekt entstellt, der irgendwie durch den "Takt" der Sprache moduliert wird. Das passiert mehr oder weniger stark bei allen SSB Sendungen, die ich empfange. Ich meine damit aber nicht die Tonhöhe der SSB-Wiedergabe, die durch das Einstellen der Empfangsfrequenz beeinflusst wird. Je näher ich der "natürlichen" Tonhöhe komme, desto schlimmer wird der beschriebene Effekt und die Sprache klingt dann schon ein wenig "verheult".
Bei AM ist alles propper.
Ich habe den Verdacht, daß es vielleicht an meiner Spule liegt, und zwar an der Lage der Anzapfung. Bin aber nicht sicher.

Es liegt mit ziemlicher Sicherheit nicht an der Spule.
Ob die Spule schon optimal ist, kann ich nicht sagen. Wenn die Rückkopplung weich einsetzt und stabil bleibt würde ich aber vorerst nichts ändern. Dann ist auch die Lage der Anzapfung o.k.

Es ist zwar technisch möglich, mit einem Audion SSB und CW zu empfangen, aber das Audion ist nicht wirklich die optimale Schaltung dafür. Eher ein Notbehelf, wenn Du mich fragst.
Entscheidend ist in diesen Fällen, daß man die Rückkopplung so einstellen kann, daß die Eigenschwingung sehr schwach und sehr stabil bleibt. Das ist normalerweise mit erheblichem Aufwand verbunden. Vergleichbar etwa mit dem Aufwand, den Funkamateure früher treiben mußten, wenn sie einen stabilen (analogen) VFO bauen wollten. (Bis zum Einbau des Ganzen in einen Thermostat.)

Der von Dir beschriebene 'Wah-Wah Effekt' könnte davon herrühren, daß die Eigenschwingung des Audions vom empfangenen SSB-Sender etwas mitgezogen wird. Dessen Frequenz (ohne Träger!) ändert sich ja mit der Modulation.
Es sind aber auch noch andere Ursachen denkbar, z.B. solche, die mit den Niederspannungsröhren und ihren speziellen Eigenschaften zusammenhängen. Die alle zu identifizieren, stelle ich mir sehr aufwändig vor.

Gruß

Heinz

15.01.12 10:16
qw123 

500 und mehr Punkte

15.01.12 10:16
qw123 

500 und mehr Punkte

Re: Das "beste" Audion?

Hallo Uwe,

Teil 2:

uwe:
Ich habe den Schaltplan neu gezeichnet und einige Spannungen bei verschiedenen Betriebszuständen des Audions gemessen. Die Messungen wurden bei aufgesteckter 80m-Steckspule gemacht. Der Fehler mit dem doppelten R1 wurde berichtigt.
Vielleicht gibt das ja Auskunft darüber, was noch zu verbessern ist.
Soweit ich das aus der Ferne beurteilen kann, ist alles in Ordnung.
Wenn ich das richtig sehe, liegt der Anodenstrom der ECC86 bei etwa 0.25mA. Es könnte sein, daß ein höherer Strom noch etwas verbessert.
Bei niedrigen Anodenströmen funktioniert die Demodulation besser, weil die Kennlinien krummer sind. Aber die NF-Verstärkung ist gering.
Bei höheren Anodenströmen ist die NF-Verstärkung höher, aber der Gleichrichter-Wirkungsgrad schlechter.
Irgendwo dazwischen gibt es ein meist nicht sehr stark ausgeprägtes Optimum.
Bei einer testweisen Änderung des Anodenstromes muß natürlich auch der Arbeitswiderstand so angepaßt werden, daß die Anodenspannung Ua2 ungefähr konstant bleibt.
uwe:
Wenn ich dich recht verstanden habe, bildet der Kondensator zusammen mit dem Röhreninnenwiderstand einen Tiefpass und belastet die Röhre HF-mäßig entsprechend seiner Kapazität.
Richtig. Genauer, statt Röhreninnenwiderstand: die Parallelschaltung von Innenwiderstand (bei der Kaskode relativ hoch) und Außenwiderstand.
uwe:
Wenn ich die entstandene HF aber als Pfeif- oder Quietschton höre, müßte doch eine Modulation stattfinden, oder oszilliert das Audion auch im NF-Bereich?...
Wie ist das zu erklären?

Was Du als 'Pfeif- oder Quietschton' hörst, können Pendelschwingungen sein.
Bei stark angezogener Rückkopplung steigt die HF-Amplitude am ersten Gitter. Je größer dort die HF wird, desto besser funktioniert die Gleichrichtung durch die Gitter-Kathoden-Diode. Dadurch wird die Gitterspannung negativer. Mit negativerer Gitterspannung sinkt aber die Verstärkung unter den Wert, der für Eigenschwingungen nötig ist. Die HF-Schwingung reißt ab. Die Gitterspannung wird wieder positiver entsprechend der Zeitkonstante der Gitter-Kombination, die Verstärkung nimmt wieder zu. Das Ganze wiederholt sich.
Die Frequenz dieses Vorgangs wird u.a. durch die Zeitkonstante der Gitterkombination bestimmt (und durch die Eigenschaften der Röhre). Übliche Zeitkonstanten entsprechen einer Grenzfrequenz im NF-Bereich.
Die periodische Arbeitspunktverschiebung entspricht einer NF am Gitter.

uwe:
Aber zum Audion, und besonders zum Kaskodenaudion finde ich -wenn überhaupt- nur sich teilweise sogar widersprechende theoretische Beschreibungen, aber nichts, womit man wirklich rechnen kann.
Ich finde auch nix.
uwe:
Die Sache mit der Gleichrichtung im Kennlinienknick und der Oszillator-Schaltung habe ich verstanden, aber auch die bei mir vorhandene Diefenbach-/Sutaner-/Rose-Literatur aus der "radio-praktiker-bücherei" gibt mir da nichts handfestes vor. Lediglich über die Gitter- und Anodengleichrichtung habe ich einiges gefunden, das einen rechnerischen Ansatz zur Gitterkombination ermöglicht.
Vor Autoren, die mit einem Kennlinienknick arbeiten, sollte man sich in Acht nehmen.
Röhren mit einem echten Kennlinienknick wandern bei mir gleich in die Tonne... :-)

Aber im Ernst:
Die Vorgänge im Audion, mit oder ohne Rückkopplung, sind recht schwer und bestenfalls sehr umständlich mit analytischen Mitteln zu beschreiben. Also mit Formeln. Analytische Lösungen wären aber bis etwa in die 1960er Jahre hinein praktisch die einzige Möglichkeit gewesen.

Numerische Lösungen sind natürlich immer möglich. Also statt Formeln mit Tabellen als Ergebnis, wo Spannungen und Ströme gegen die Zeit aufgelistet sind und grafisch dargestellt werden können. Praktisch möglich wurden numerische Lösungen in solchen Fällen aber erst mit der Verfügbarkeit von Computern. Schaltungs-Simulations-Programme, wie das von einigen Forumsteilnehmern benutzte LTSpice, liefern typischerweise solche numerischen Lösungen.

Kein Wunder also, daß in der älteren Literatur wenig konkretes zu finden ist.

Gruß

Heinz

15.01.12 10:52
nobbyrad58 

500 und mehr Punkte

15.01.12 10:52
nobbyrad58 

500 und mehr Punkte

Re: Das "beste" Audion?

Hallo Zusammen!

Die Schaltung des Select O Jet oder Selectoject hab ich aus einem Fachbuch: Amateurfunk; Autorenkollektiv; Verlag Sport und Technik Berlin (DDR) 2. Auflage 1958. Das Buch enthält ein Kapitel über die NF Selektion mit weiteren Tonselektion Schaltungen. Bei dieser Schaltung wird ein 2M Stereopoti verwendet oder ein Drehko. Im Prinzip arbeiten die Schaltungen mit Phasenschieber gleich, es kommt wie gesagt auf die Dimensionierung der Bauteile an, vielleicht sind die Online - Schaltungen speziell angepasst worden. Leider kann ich den Schaltplan hier nicht einstellen, weil er komplett gezeigt werden muss.
Das ein Audion bei SSB nicht optimal arbeitet liegt unter anderen auch an der fast 100% Modulation, je höher der Modulationsgrad desto größer die Verzerrungen. Bei hohen konstanten Trägeranteil wie bei Rundfunk wird eine gleichmäßig konstante - g1 erzeugt, der Arbeitspunkt der Röhre bleibt stabil.
Bei SSB schwankt diese - g1 zusätzlich und somit die Verzerrungen. Man stelle sich einen normalen Diodengleichrichter vor der zusätzlich zur demodulierenden HF und der entstehenden Richtspannung noch zusätzlich die NF zugeführt bekommt, das da keine stabile Richtspannung, beim Audion die - g1 entstehen kann ist klar. Beim Audion ist aber prinzipiell der Empfang von SSB möglich, beim normalen AM Rundfunksuper nur völlig unverständlich. Man könnte einen kleinen Oszillator bauen und den Träger zumischen, aber dann hat man nicht mehr die "geniale" Einfachheit des Audion. Wie Heinz schon erwähnt ist das Audion ein Behelf, aber ein guter im Verhältnis zu den Superschaltungen und deren Aufwand meine ich.

MFG Nobby

17.01.12 21:22
Uwe.Soboszcyk 

250-499 Punkte

17.01.12 21:22
Uwe.Soboszcyk 

250-499 Punkte

Re: Das "beste" Audion?

Hallo Heinz, hallo Nobby,

vielen Dank für Eure Antworten, tollen Erklärungen und Mails.

Ich habe gerade aus beruflichen Gründen kaum Zeit für mein Hobby, weshalb ich mich hier noch nicht wieder gemeldet habe. Ich brauche auch noch etwas Zeit, um Eure für mich wirklich wertvollen Erklärungen richtig zu verstehen und nachzuvollziehen. Erst in einigen Tagen werde ich dazu kommen, mit dem Projekt weiter zu machen. Ich bleibe aber dran!

Bis dann...
MFG Uwe

18.01.12 07:00
nobbyrad58 

500 und mehr Punkte

18.01.12 07:00
nobbyrad58 

500 und mehr Punkte

Re: Das "beste" Audion?

Hallo Zusammen!

Man soll niemals nie sagen! Bei meiner letzten Buchlieferung war das Buch "Der Kurzwellen Amateur" 1977er Ausgabe dabei. Uns was hab ich darin gefunden: Ein 1 - v - 2 Kaskoden - Audion mit Vorstufe und NF Endstufe und neben dem Schaltplan sogar einen Verdrahtungsplan, kurz einem kompletten Bauplan. Leider kann ich das hier nicht einstellen, aber es gibt doch Baupläne für solche Empfänger.
Die von Uwe eingeschlagene Richtung ist schon richtig, die Vorstufe dient hauptsächlich zur Regelung auch Dämpfung der HF, weniger zur Verstärkung. Diese HF Regelung ist wichtig für einen guten SSB Empfang.

MFG Nobby

18.01.12 09:57
Klaus 

500 und mehr Punkte

18.01.12 09:57
Klaus 

500 und mehr Punkte

Re: Das "beste" Audion?

Zitieren:
Numerische Lösungen sind natürlich immer möglich. Also statt Formeln mit Tabellen als Ergebnis, wo Spannungen und Ströme gegen die Zeit aufgelistet sind und grafisch dargestellt werden können. Praktisch möglich wurden numerische Lösungen in solchen Fällen aber erst mit der Verfügbarkeit von Computern.
Hallo Heinz, alle,

es sei mir der Einwand gestattet, dass es Rechnersimulationen auch schon auf Analogrechnern gab, wenn auch nicht so schön und aussagekräftig wie bei modernen Digitalrechnern.
Übertragungsfunktionen, Einschwingvorgänge u.a.m. ließen sich aber bereits früher auf Bildschirmen/Plottern darstellen.

Viele Grüße
Klaus

 1 .. 8 .. 14 15 16 17 18
 1 .. 8 .. 14 15 16 17 18
Antenne   könnte   Verstärkung   letzten   Röhren   natürlich   Zuletzt   allerdings   zusammen   richtig   wumpus-gollum-forum   Rückkopplung   gemacht   vielleicht   Anodenspannung   rettet-unsere-radios   deutschen   Schaltung   Vorstufe   bearbeitet