| Passwort vergessen?
Sie sind nicht angemeldet. |  Anmelden

Sprache auswählen:

Wumpus Gollum Forum von
Wumpus Welt der (alten) Radios
Sie sind nicht angemeldet.
 Anmelden

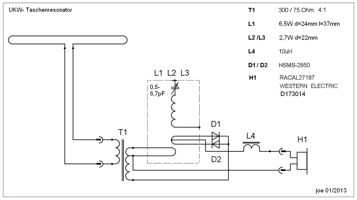
UKW- Taschenresonator
  •  
 1 2
 1 2
02.01.13 22:47
joeberesf 

500 und mehr Punkte

02.01.13 22:47
joeberesf 

500 und mehr Punkte

UKW- Taschenresonator

Hallo Detektorfreunde,

in meinem UKW- Resonatorprojekt hatte ich auf Seite 41 auf einen
versilberten Minniwendelkreis aus russischer Militärtechnik hingewiesen. Dieser schien für einen
Taschendetektor mit hoher Güte (>1000) wie geschaffen. Das ließ mir keine Ruhe und ich wollte unbedingt
ein Vergleich zum großen Kupferkasten wagen. Der Kreis ist ja schon abgestimmt als Geschenk in meinen
Fundus gekommen und es musste ja nur noch eine Ein- und Auskopplung gebastelt werden.

Der bewährte Phasendiskriminator aus der Schaltung von R.W. wurde identisch aufgebaut und die Windungszahlen
der Ein- und Auskopplung, bedingt durch den kleineren Durchmesser, experimentell neu ermittelt.
Drei mal musste ich die Windungszahl anpassen. Nun habe ich das optimale Ergebnis mit je 2,7W gefunden und konnte
mit einem offenen Dipol zwei Stationen im Garten (2m über Grund) an der Hörschwelle empfangen. Entfernung 16km
zum Sendemast. Das kleine nur 100mm lange und 40mm dicke Rohr schafft zwar nicht die Ergebnisse meines
Großprojekts, kommt aber so ca. 2/3 an dessen Empfangsleistung ran. Das versilberte Rohr ist komplett geschlossen.
Die Leitungsdurchführungen am Boden sind Glasdurchführungen.

Frequenzbereich ist z.Zt. 88-100 MHz. Die oberen Frequenzen lassen sich nicht mehr abstimmen. Dazu
muss der Parallelkondensator zum Trimmer verkleinert werden. Nach unten ist ordentlich Platz. Ich schätze etwa
80MHz. Nun will ich das handliche Teil mal unterwegs ausprobieren. Vom Hausberg bis zur Innenstadt und die
Yagi soll natürlich auch mal ran.

Hier einige Bilder zum zweiten UKW Detektorprojekt...

Viel Spaß

joe










Abstimmknopf des Trimmers



Hier die Innereien / v.l.n.r Einkopplung, Auskopplung, Helix, Abstimmtrimmer



T1 primär 6W / sek. 1W / Diskrimiminatorwicklung 5W (FT-51)



Zuletzt bearbeitet am 02.01.13 22:59

Datei-Anhänge
Minniresonator_1.JPG Minniresonator_1.JPG (368x)

Mime-Type: image/jpeg, 153 kB

Minniresonator_2.JPG Minniresonator_2.JPG (351x)

Mime-Type: image/jpeg, 141 kB

Minniresonator_3.JPG Minniresonator_3.JPG (342x)

Mime-Type: image/jpeg, 61 kB

Minniresonator_4.JPG Minniresonator_4.JPG (372x)

Mime-Type: image/jpeg, 91 kB

Minniresonator_5.JPG Minniresonator_5.JPG (355x)

Mime-Type: image/jpeg, 55 kB

Minniresonator_6.JPG Minniresonator_6.JPG (358x)

Mime-Type: image/jpeg, 69 kB

Plan Taschenresonator.JPG Plan Taschenresonator.JPG (351x)

Mime-Type: image/jpeg, 55 kB

regency und olli031971 gefällt der Beitrag.
!
!!! Fotos, Grafiken nur über die Upload-Option des Forums, KEINE FREMD-LINKS auf externe Fotos.    

!!! Keine Komplett-Schaltbilder, keine Fotos, keine Grafiken, auf denen Urheberrechte Anderer (auch WEB-Seiten oder Foren) liegen!
Solche Uploads werden wegen der Rechtslage kommentarlos gelöscht!

Keine Fotos, auf denen Personen erkennbar sind, ohne deren schriftliche Zustimmung.

Den Beitrag-Betreff bei Antworten auf Threads nicht verändern!
02.01.13 23:42
Floh2012 

500 und mehr Punkte

02.01.13 23:42
Floh2012 

500 und mehr Punkte

Re: UKW- Taschenresonator

Hallo Joe

So hässlich ist dein, äh sorry das Teil doch gar nicht. Gerade solche Basteleien sind es doch die die Finger beweglich und das Gehirn am laufen halten. Es freut mich das es immer noch Leute gibt die sich mit dem Empfang der alten analogen Radiosignalen beschäftigen.

Ich arbeite gerade an einer neuen Version des Black Receptors. Ich hatte das Teil ja im Mai 2012 mit drei Röhren vom Typ EF98 aufgebaut. Nun in den letzten Tagen habe ich die Schaltung durch einige Widerstandsänderungen) weiter optimiert (Danke Rainer) um so die Lautstärke nochmals anzuheben.

Gerade habe ich ein neues Projekt angefangen bei dem noch ein NF Verstärker bestehen aus 2 x EF98 aufgebaut wird.
Dieses Projekt werde ich aber an entsprechender Stelle noch gesondert vorstellen.

viele Grüße

Rolf

Zuletzt bearbeitet am 02.01.13 23:43

03.01.13 12:57
joeberesf 

500 und mehr Punkte

03.01.13 12:57
joeberesf 

500 und mehr Punkte

Re: UKW- Taschenresonator

Hallo Rolf,

ich habe mich mit meinen Detektorversuchen mehr in die UKW- Ecke verzogen. Dies
ist aufgrund der recht schwachen Signalstärke eine echte Herausforderung. Der kleine
versilberte Wendelkreis bleibt vielleicht kein Detektor, da ich diesen tollen Schwingkreis
ja auch für ein UKW- Röhrenprojekt nutzen kann. Die recht hohe Schwingkreisgüte erlaubt
hier auch einen Ausbau zu einer Audion, Reflex- oder Pendelschaltung. Deswegen interessieren
mich auch andere experimentelle Röhren- Aufbauten, die sich mit UKW Empfang beschäftigen.
Vorteil,... der geschlossene Wendelkreis bringt gleich seine Abschirmung mit!

Aus diesem Grund und da sich der Taschenresonator noch in einer Testphase befindet, ist der Aufbau ein bisschen
improvisiert. Ein paar Stehbolzen, Lochrasterplatine, Makrolonabdeckung für die Buchsen, konnten
schnell montiert werden. Das Ergebnis zeigt die hohe Güte des Kreises.
Wenn ich dieses Minniprojekt abgeschlossen habe, will ich einen NF- Röhrenverstärker
für meine Radioexperimente bauen. Anschließend geht es an den UKW- Empfang mit Spannungen < 50V.

Gruß

joe

Zuletzt bearbeitet am 03.01.13 13:02

03.01.13 13:12
Floh2012 

500 und mehr Punkte

03.01.13 13:12
Floh2012 

500 und mehr Punkte

Re: UKW- Taschenresonator

Hallo Joe

Wenn ich mit meinem neuen Projekt für fir Bereiche KW, MW und LW durch bin komme ich dich in der UKW Ecke bestimmt mal besuchen. Bis dahin ist aber noch ein Stück Arbeit zu erledigen. Da ich über einen Haufen Experimentierkästen aus den 70ger und 80ger Jahren verfüge die auch den UKW Pendler behandeln kann ich mich später mal in diese Materie einarbeiten.

viele Grüße

Rolf

03.01.13 23:58
regency 

500 und mehr Punkte

03.01.13 23:58
regency 

500 und mehr Punkte

Re: UKW- Taschenresonator

Hallo Joe, das Thema kleiner Topfkreis als Detektor steht auch bei mir noch auf der Agenda. Leider versagen meine 4k Kopfhörer beide bereits bei der Knackprobe, aber das wird auch noch...Hier sind schon mal die wichtigsten Bauteile
Schöne Grüße, Jan

Datei-Anhänge
resonator.jpg resonator.jpg (441x)

Mime-Type: image/jpeg, 19 kB

04.01.13 17:10
joeberesf 

500 und mehr Punkte

04.01.13 17:10
joeberesf 

500 und mehr Punkte

Re: UKW- Taschenresonator

Hallo Jan,

das ist ja ein lustiger Behälter aus dem Haushaltswarenfundus. Salz oder Zucker?

Ob die Oberfläche, bezüglich der Leitfähigkeit ausreicht wird sich ja zeigen. Lustig ist, dass Du da schon
was vorbereitet hast. Sieht doch sehr gut aus!

Ich würde auf die 2x2000 Ohm Hörer verzichten und mir zwei RACAL- Kapseln 27187 mit je 300Ohm Imp.
besorgen und diese in Reihe schalten. Eine niederohmige Anpassung ist aufgrund des kleinen
Resonanzwiderstandes die beste Lösung. Niederohmige Dioden wie BAT15 und die teuere HSMS-2850
passen dann optimal dazu. Die 18k Imp der alten Hörer funktioniert auch, aber die Fehlanpassung ist
spürbar.

Ich habe gestern in meinem Schraubtrimmer einen dramatischen Wackelkontakt im Gewinde entdeckt.
Auch nach einer super Reinigung (blitzeblank) sind Aussetzer und laut/leise Schwankungen vorhanden.
Letzte Idee ist nun Leitpaste um das Problem zu beheben. Die darf natürlich nur auf dem Feingewinde
sein...ansonsten ist das Teil kaputt. Ich hätte eine Alternative mit 6mm Achse, aber leider 1-20pF.
Da müsste ich so ca. 10pF in Reihe schalten, aber ob ich das Ganze im Kopf unterbringen kann und
wie sich dies auf feine Einstellungen auswirkt, bleibt abzuwarten.

Rotor ohne Masseverbindung...schade..


Ein Schraubtrimmer, wie auf dem
vorletzten Bild oben ersichtlich, scheint nicht die beste Lösung zu sein.(Gewindekontaktierung)
Überhaupt wenn man ständig daran rumkurbeln will.
Da lobe ich mir meinen selbstgebastelten Steller im großen Kupferresonator. Der ist dagegen Gold!

Eine Frage:

Wie weit ist die Entfernung zum Sendemast und wieviel KW Sendeleistung wird Dir um die Ohren gehauen?

Gruß

joe

Zuletzt bearbeitet am 04.01.13 17:18

Datei-Anhänge
Trimmerersatz.JPG Trimmerersatz.JPG (377x)

Mime-Type: image/jpeg, 46 kB

05.01.13 23:04
joeberesf 

500 und mehr Punkte

05.01.13 23:04
joeberesf 

500 und mehr Punkte

Re: UKW- Taschenresonator

Hallo Detektorfreunde,

heute habe ich den Schraubtrimmer mit Leitpaste behandelt und konnte das Feingewinde damit bestens
kontaktieren. Das hat mir schon Sorgen gemacht, da der versilberte Schraubtrimmer eigentlich perfekt
passt.

Auf dem Hausberg gab es gleich ein Problem. In ungefähr 100m Entfernung gibt es einen Mobilesendemast.
Ich konnte zwar fünf Sender empfangen, aber die Störung war zu extrem um schwache Signale noch zu
verstehen. Ich konnte die digitale Kommunikation förmlich hören. Die Ausrichtung des Dipols zum Mast war genau
um 90 Grad gedreht und zog sich über das ganze UKW- Band. Das ist bei meinem großen Kupferkasten nicht so.
Echt grässlich.......schnell weg...

Ich bin dann ca. 1km weiter (mit dem Fahrrad) in den Tegeler Forst gefahren. Auch hier gibt es recht
hohe Sanddünen mitten im Wald. Das Ergebnis auf 13,8km / bzw.15.5km war lautstärkemäßig sehr überzeugend.

88.8Mhz Radio Berlin 80KW Scholzplatz 13.8km

91.4Mhz Berliner Rundfunk 100KW Alex 15,5km

92.4Mhz Kulturradio 80KW Scholzplatz 13.8km

96.3Mhz Funkhaus Europa /Multikulti 80KW Scholzplatz 13.8km /Multikulti wurde zu 01 abgeschaltet!
Der WDR aus Köln nutzt aber zum Glück diese Frequenz weiter!!

99.7Mhz Antenne Brandenburg 100KW Alex 15,5km

Ich werde das Gerät so beibehalten und den Dipol noch direkt am Gerät montieren. Der perfekte UKW Wanderdetektor!
Hier zwei Links die euch die Empfangsituation im www. über einenEntfernungsmesser zeigen. Funktioniert weltweit!

http://www.luftlinie.org/Berlin-Am-Rupen...n-Rote-Chaussee
http://www.luftlinie.org/Berlin-Alexande...n-Rote-Chaussee

Gruß

joe

Zuletzt bearbeitet am 06.01.13 00:39

08.01.13 18:16
joeberesf 

500 und mehr Punkte

08.01.13 18:16
joeberesf 

500 und mehr Punkte

Re: UKW- Taschenresonator

Hallo Detektorfreunde,

da die Empfangsergebnisse mit dem offenen Dipol sehr gut sind (siehe Empfangsbericht oben),
habe ich den Dipol direkt am Resonator befestigt. Nun ist das Gerät komplett und ich werde es
so lassen. Ohne viel Aufwand, nur der Hörer ist einzustecken, kann man damit wandern gehen
und dass Gerät passt mit seinen 27x5x5cm Gesamtgröße gut in jede Tasche.
Übrigens hatte ich das letzte Signal an der Hörschwelle auf ca. 16km Entfernung. (88.8 RBB)
Das Interessante ist, dass man durch die einfache Handhabung und damit schnelle Ortswechsel,
die Eigenheiten des UKW- Detektorempfangs gut ausloten kann. Das hat wohl was von Fuchsjagd...
na..nicht ganz.
Schon auf wenige Meter verändert sich die Empfangsituation. Dabei spielt die Höhe über Grund nicht
die immer entscheidene Größe. Hier maximal begrenzt auf Körpergröße mit ausgestrecktem Arm.

Ein neuer Dipol für andere UKW- Experimente ist schon in Aussicht. Ich konnte es einfach nicht lassen.

Hier noch mal abschließende Bilder zum ersten erfolgreichen Bastelprojekt 2013.

Gruß

joe

Antenne eingeklappt: 2x80cm



Aufgeklappt...oh ein Satelit



Handhabung, Handgriff ist ja schon dran...prima



Zuletzt bearbeitet am 09.01.13 12:25

Datei-Anhänge
Resonator mit Dipol_1.JPG Resonator mit Dipol_1.JPG (370x)

Mime-Type: image/jpeg, 68 kB

Resonator mit Dipol_2.JPG Resonator mit Dipol_2.JPG (378x)

Mime-Type: image/jpeg, 60 kB

Resonator mit Dipol_3.JPG Resonator mit Dipol_3.JPG (369x)

Mime-Type: image/jpeg, 55 kB

09.01.13 14:39
Pluspol 

500 und mehr Punkte

09.01.13 14:39
Pluspol 

500 und mehr Punkte

Re: UKW- Taschenresonator

Hallo Joe

Dein "Taschen-UKW-Resonator" ist schon rein mechanisch ein gelunges "Kunstwerk" .
Die optimale feste und enge Verbindung des Dipols mit dem Empfänger ermöglicht Dir die gewünschte Mobilität.
Mit dem Taschenempfänger der besonderen Art kannst Du das Berliner Umfeld "unsicher" machen..
Vermutlich wirst Du damit manchmal in der Öffentlichkeit verwundert wahrgenommen.
Wenn man Spaß und Freude am gelungenen Eigenbau hat, dann stört es nicht, für etwas komisch gehalten zu werden.

Freundliche Grüße von Dietmar

09.01.13 21:30
joeberesf 

500 und mehr Punkte

09.01.13 21:30
joeberesf 

500 und mehr Punkte

Re: UKW- Taschenresonator

Hallo Dietmar,

Pluspol:
Die optimale feste und enge Verbindung des Dipols mit dem Empfänger ermöglicht Dir die gewünschte Mobilität.
Vermutlich wirst Du damit manchmal in der Öffentlichkeit verwundert wahrgenommen.
Wenn man Spaß und Freude am gelungenen Eigenbau hat, dann stört es nicht, für etwas komisch gehalten zu werden.

Genau,..so ist es...
Durch dieses Wünschelrutengehen, also aufgrund dieser Mobilität, konnte ich in meinem Minnigärtchen
einen optimalen Platz für die Yagi finden. Spannend ist, am Rande der beschriebenen Reichweite, die unterschiedliche
Feldstärke zu beobachten. Manchmal entscheiden 1-2m, trotz gleicher Höhe....Wie geht das?
Zwischen den Häusern, Metallzäunen und anderen Gegebenheiten, kann ich mir das schon vorstellen. Auch mögliche
Reflexionen können hier reinspielen. Aber mitten im Busch hatte ich ähnliche Effekte...ulkig oder?
Mit dem Teil kann ich eine Art subjektive Feldstärkelandkarte erstellen und natürlich die besten Empfangsorte bequem erkunden.
Diese Orte kann ich dann, wenn sehr vielversprechend, mit dem großen Helixresonator und Yagi für einen Reichweiten- und
Lautstärkerekord aufsuchen. Interessant wird sicherlich die Empfangsituation, in der dicht bebauten Innenstadt oder
direkt am Sendemast, zu beobachten. Dort besteht allerdings die Möglichkeit, dass man mich vom Fleck weg...........
verhaftet.

Schade, das Wetter ist in Berlin z.Zt zum ****

Beste Grüße

joe

Zuletzt bearbeitet am 09.01.13 21:34

 1 2
 1 2
Flankendetektorrauschen   Diskrimiminatorwicklung   Wünschelrutengehen   Phasendiskriminator   Resonanzwiderstandes   Einkopplungswindungen   Schwunderscheinungen   bearbeitet   Empfangsverhältnissen   Taschen-UKW-Resonator   Pseudo-GSM-Schnüffler   Widerstandsänderungen   Haushaltswarenfundus   Leitungsdurchführungen   Experimentierkästen   Taschenresonator   Signal-Rausch-Verhältnis   Wellenüberlagerungen   Gewindekontaktierung   Feldstärkelandkarte