| Passwort vergessen?
Sie sind nicht angemeldet. |  Anmelden

Sprache auswählen:

Wumpus Gollum Forum von
Wumpus Welt der (alten) Radios
Sie sind nicht angemeldet.
 Anmelden

Super-Pendelempfänger entmystifiziert
  •  
 1
 1
15.02.26 17:15
HB9 

500 und mehr Punkte

15.02.26 17:15
HB9 

500 und mehr Punkte

Super-Pendelempfänger entmystifiziert

Hallo zusammen,

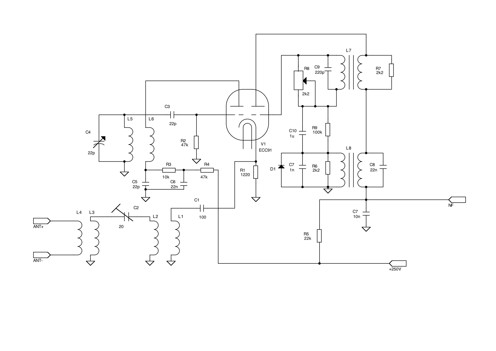
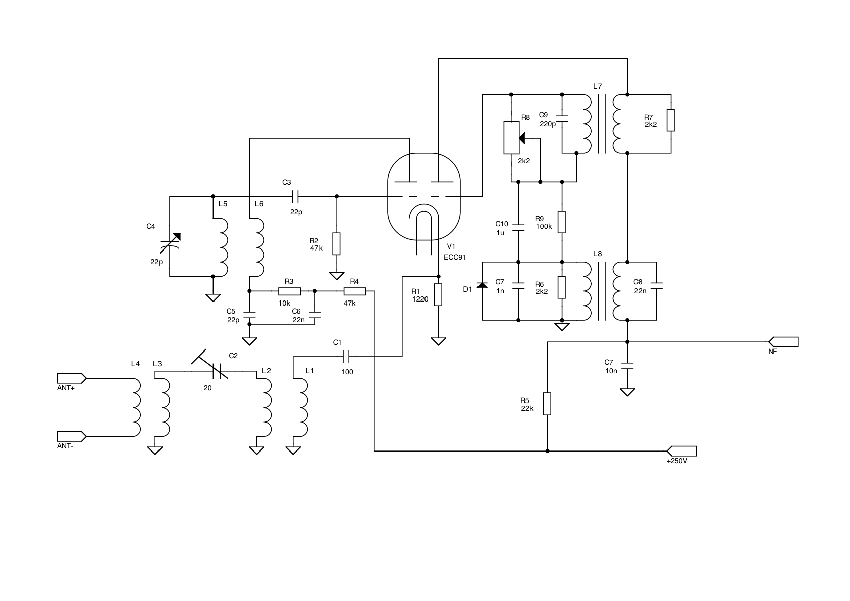
in der Zeitschrift "Funk-Technik" Nr.2/1958 hatte ich vor längerer Zeit einen Artikel über einen neuartigen Pendelempfänger entdeckt. Der tönte so gut, dass es nicht wahr sein kann... daher habe ich ihn nachgebaut und entmystifiziert. Hier die nachgezeichnete Schaltung des relevanten Teils:

Die linke Triode der ECC91 ist dabei ein normaler Oszillator, während die rechte Triode den eigentlichen Pendelempfänger bildet, der auf eine fixe Frequenz von 3MHz abgestimmt ist. Mit dem Oszillator wird die Empfangsfrequenz auf die 3MHz runtergemischt, es ist also ein Superhet. Die Hochfrequenz wird über das Anpass-Netzwerk aus L1..L4 in die Kathode eingespeist, dieses sorgt dafür, dass kein 3MHz-Signal von der Antenne reinkommt. Hier ist schon die erste massive Schwachstelle: An der Kathode liegt unter anderem das Oszillatorsignal mit einem Pegel von etwa 0dBm, also etwa 1mW Leistung, die über die Antenne abgestrahlt wird, was ernsthafte Konsequenzen zur Folge hat, wenn man das so betreibt. Dass das so ist, ist eigentlich klar, an der Kathode liegt ja die HF vom Oszillator, die Triode liefert als Kathodenfolger die Spannung niederohmig.

Die Mischung erfolgt mit der rechten Triode, die neben der Funktion als Pendelempfänger auch als additiver Mischer dient. Die Abweichung gegenüber einem 'normalen' Pendelempfänger ist neben der fixen (Zwischen-) Frequenz die Erzeugung der Pendelfrequenz mit einem eigenen Schwingkreis, hier L8, die mit C8 auf 25kHz abgestimmt ist. Die Diode D1 begrenzt die Amplitude der Pendelschwingung und verhindert so eine massive Übersteuerung der Triode, was gemäss Artikel die Verzerrungen reduzieren soll. C7 sorgt dafür, dass für die 3MHz-ZF die Wicklung kurzgeschlossen ist.

L7 bildet zusammen mit C9 den 3MHz-Schwingkreis für den eigentlichen Pendel-Oszillator. Mit R8 wird die Dämpfung und damit das Abklingen der Pendelschwingung eingestellt, so dass sie in der Sperrphase der Röhre komplett abklingt. R7 dämpft die Rückkopplungswicklung und unterdrückt so parasitäre Resonanzen durch die Streuinduktivität.

Das RC-Glied R9/C10 bildet die Gitterkombination, allerdings nicht für die Demodulation, sondern nur für die Arbeitspunkteinstellung, daher ist C10 sehr gross gewählt, so dass auch die NF kurzgeschlossen wird. Gemäss Artikel soll das eine automatische Verstärkungsregelung bewirkenk, so dass der NF-Pegel unabhängig vom HF-Pegel wird. Das ist tatsächlich so, allerdings ist das eine Eigenschaft, die nach meinen Erfahrungen jeder Pendelempfänger hat, also nichts Neues.

Gemäss Artikel soll der eine Empfindlichkeit von 50uV für 26dB Rauschabstand haben, was in etwa der Realität entspricht. Die NF-Amplitude ist allerdings viel kleiner als im Artikel geschrieben, ein paar 100mV statt etwa 10V.

Fazit: Durch das Superhet-Prinzip gibt es Spiegelfrequenzempfang, und gegenüber einem normalen Pendelempfänger hat der nicht wirklich einen Vorteil, und die Störstrahlung ist entgegen der Behauptung im Artikel extrem hoch.

Nach der ernüchternden Bilanz habe ich ein paar Verbesserungen ausprobiert:
- Linke Triode als additiven Mischer in Brückenschaltung geschaltet
- Rückkopplung des 25kHz-Oszillators angepasst und Begrenzung symmetrisch mit 2 LEDs

Die linke Triode ist ein normaler selbstschwingender Mischer, mit C12 wird die Brücke korrekt eingestellt, so dass an der Mittelanzapfung von L6 kein Oszillatorsignal vorhanden ist und so keine Abstrahlung erfolgt. L10/C14 ist der Eingangskreis, der neben der Antennenanpassung auch die Spiegelfrequenz abschwächt.

Mit dem auf 3MHz abgestimmten Trafo L9 wird die ZF ausgekoppelt und in den Gitterkreis der rechten Triode eingekoppelt. Da auf der Primärseite auch das UKW-Oszillatorsignal anliegt, muss die Kapazität zwischen den beiden Wicklungen von L9 möglichst klein sein, die Wicklungen dürfen nicht übereinander gewickelt werden.

Mit R6 wird die rückgekoppelte Spannung vom 25kHz-Resonanzkreis eingestellt. Die besten Resultate hatte ich, wenn das 25kHz-Signal nur leicht begrenzt wird, also die beiden LEDs schwach leuchten.

Mit dem Dämpfungs-Poti R6 wird die Amplitude der 3MHz-Schwingung eingestellt, dabei gibt mehr Dämpfung eine bessere NF-Qualität, aber weniger Signal. Ist die Dämpfung zu gering, gibt es keine saubere Pendelschwingung mehr, was sich dadurch äussert, dass statt gleichmässigem Rauschen Störsignale hörbar sind.

Die Abstrahlung des Oszillatorsignals ist noch zu hoch, könnte aber durch einen HF-dichten Aufbau in den legalen Bereich gebracht werden (damals <1mV, entspricht <60dBuV). Neben dem Oszillatorsignal gibt es auch die durch 'Rückwärtsmischung' hochgemischte 3MHz samt Oberwellen. Der additive Mischer funktioniert nämlich in beide Richtungen, was damals schon bekannt war und normalerweise auch nicht stört, aber hier wird die 3MHz-Störung hochgemischt, wie man im Spektrum sieht.

Datei-Anhänge
Pendelempfänger.png Pendelempfänger.png (14x)

Mime-Type: image/png, 94 kB

Pendelempfänger V2.png Pendelempfänger V2.png (14x)

Mime-Type: image/png, 84 kB

Spekktrum.JPG Spekktrum.JPG (16x)

Mime-Type: image/jpeg, 242 kB

WoHo, hal, regency, wumpus, Alex, WalterBar, joeberesf und Roehren-Lutz gefällt der Beitrag.
!
!!! Fotos, Grafiken nur über die Upload-Option des Forums, KEINE FREMD-LINKS auf externe Fotos.    

!!! Keine Komplett-Schaltbilder, keine Fotos, keine Grafiken, auf denen Urheberrechte Anderer (auch WEB-Seiten oder Foren) liegen!
Solche Uploads werden wegen der Rechtslage kommentarlos gelöscht!

Keine Fotos, auf denen Personen erkennbar sind, ohne deren schriftliche Zustimmung.

Den Beitrag-Betreff bei Antworten auf Threads nicht verändern!
15.02.26 17:25
HB9 

500 und mehr Punkte

15.02.26 17:25
HB9 

500 und mehr Punkte

Re: Super-Pendelempfänger entmystifiziert

Hallo zusammen,

hier noch der Rest, der nicht mehr Platz hatte,

Fazit:
Durch die Verwendung der linken Triode als Mischer konnte die Empfindlichkeit erhöht und die Abstrahlung massiv reduziert werden, so dass der Empfänger grundsätzlich betriebsfähig wird. Durch den 3MHz-Koppelkreis L9 wird bei entsprechendem Abgleich die Flankendemodulation sauberer, wenn man die Resonanz gegenüber dem Pendelkreis etwas versetzt.

Allerdings ist er nicht praxistauglich:

- Empfindlichkeit zu gering: 50uV sind für einigermassen rauscharmen Empfang nötig
- Trennschärfe ist mit etwa 800kHz viel zu schlecht, dazu kommt die schlechte Spiegelfrequenzunterdrückung
- Es gibt weitere Nebenempfangsstellen bei Oszillatorfrequenz +/- 1.5MHz
- Der Stereo-Pilotton erzeugt ein Pfeifen und das 38kHz-Differenzsignal Verzerrungen, ein allgemeines Problem bei Stereo-Sendungen

Aus meiner Sicht gibt es ausser Mehraufwand keinen Vorteil gegenüber den einfachen Pendlerschaltungen. Wäre die Schaltung wirklich so gut wie im Artikel beschrieben, hätte es wohl auch Low-Cost-Geräte mit dieser Schaltung gegeben.

PS: Habe gerade noch einen Fehler im Schaltplan der verbesserten Version gesehen: C3 muss natürlich an die Anode der linken Triode angeschlossen werden und nicht an die Verbindung R3/R4/C6.

Gruss HB9

16.02.26 16:47
basteljero 

500 und mehr Punkte

16.02.26 16:47
basteljero 

500 und mehr Punkte

Re: Super-Pendelempfänger entmystifiziert

Moin,
Möglicherweise der erste qualifizierte Nachbau seit 67 Jahren...


Bei der Bewertung der Schaltung sollte man aber unbedingt den Kontext mit einbeziehen, finde
ich:
Die Ursprünge gehen ja in die unmittelbare Nachkriegszeit und die Anfänge des UKW-Rundfunks
zurück, ein Patent von Walther Kawan (das mit der Dioden-Begrenzung) ist aus dieser Zeit.
https://worldwide.espacenet.com/patent/s...2DE%20873569%22
Der Hintergrund vom Autor (wäre ich Amateurfunker würde ich jetzt schreiben : "von DL1UU") erscheint schon mal interessant.
https://worldwide.espacenet.com/patent/s...=pn%3DDE976373C

Vorsichtig formuliert:
Schaltungsvorschläge in einschlägigen heutigen Zeitschriften von solchen "Kalibern" würden deren Niveau
keinesfalls absenken.
----
Kawan schrieb seinerzeit

Zitieren:
Die nachstehend beschriebene Schaltung weist bei einer Röhrenbestückung von nur einer Doppaltriod« (6 J 6) und einer Endröbre (6j6);
beide Systeme parallelgeschaltet) eine Empfindlichkeit von etwa 15µV für 50 mW Ausgangsleistung bei einem Rauschabstand von 26 dB auf (Frequenzhub 30 kHz. Antenneneingang 300 Ohm). Diese Leistung ist bemerkenswert, wenn man berücksichtigt,
daß ein moderner 4-Röhren-Superhei (UCH 81 UF 85. UABC 80. UL 41) für 50 mW eine Eingangsspannung von 4µV oder ein
6-Röhren-Superhet mit Kaskade-Eingangsstufe (EC 92. EC 92. ECH 81, EF 85, EABC 80. EL 41) etwa 1.5 µV benötigt.
Durch eine Gitterbasis-Vorstufe läßt sich die neue Schaltung so verbessern, daß sie einem Superhet ebenbürtig wird.
Mit zwei Doppeltrioden kann man ein Gerät mil 3...4 µV Empfindlichkeit bei FM und 1...2 µV bei AM aufbauen.

Man fragt sich, worauf Kawan im Jahr 1958 hinaus wollte, als die Entscheidung "Geradeaus oder Super" längst
zugunsten des Kleinsupers gefallen war.

Vielleicht eine Art Zwischending für billige Kleingeräte, wo die ZF Kleinsupers entfällt und die nicht mehr zeitgemäße
Bedienung der Rückkopplung beim üblichen Rückkopplungsempfänger.

Gruß
Jens

Zuletzt bearbeitet am 18.02.26 10:47

 1
 1
Empfindlichkeit   Flankendemodulation   38kHz-Differenzsignal   Gitterbasis-Vorstufe   Streuinduktivität   Verstärkungsregelung   parallelgeschaltet   Rückkopplungswicklung   25kHz-Resonanzkreis   Arbeitspunkteinstellung   Spiegelfrequenzunterdrückung   Pendelschwingung   UKW-Oszillatorsignal   Pendelempfänger   Nebenempfangsstellen   Kaskade-Eingangsstufe   Rückkopplungsempfänger   Schaltungsvorschläge   Spiegelfrequenzempfang   Super-Pendelempfänger