| Passwort vergessen?
Sie sind nicht angemeldet. |  Anmelden

Sprache auswählen:

Wumpus Gollum Forum von
Wumpus Welt der (alten) Radios
Sie sind nicht angemeldet.
 Anmelden

Anfrage
  •  
 1 2
 1 2
19.12.11 20:16
Wellenreiter

nicht registriert

19.12.11 20:16
Wellenreiter

nicht registriert

Anfrage

Hallo und guten Abend,

habe hier ein kleines Problem,ich möchte mir auf einem Steckbbrett zu meinem MW und KW Detektor einen kleinen Verstärker bauen.

Die Verstärkung sollte auf mit einem Poti regelbar sein.

Irgentwie hab ich aber Probleme die Schaltung umzusetzen.

Kann mir bitte jemand mit einem Foto oder Zeichnung weiterhelfen auf dem/der zu sehen ist wie die Teile gesteckt werden .

Würde mich über einen aussagekräftige Antwort sehr freuen.


Vielen Dank und noch einen schönen Abend

Kurt

Noch gefällt der Beitrag keinem Nutzer.
!
!!! Fotos, Grafiken nur über die Upload-Option des Forums, KEINE FREMD-LINKS auf externe Fotos.    

!!! Keine Komplett-Schaltbilder, keine Fotos, keine Grafiken, auf denen Urheberrechte Anderer (auch WEB-Seiten oder Foren) liegen!
Solche Uploads werden wegen der Rechtslage kommentarlos gelöscht!

Keine Fotos, auf denen Personen erkennbar sind, ohne deren schriftliche Zustimmung.

Den Beitrag-Betreff bei Antworten auf Threads nicht verändern!
19.12.11 20:58
hal 

500 und mehr Punkte

19.12.11 20:58
hal 

500 und mehr Punkte

Re: Anfrage

Hallo


http : // www . elo-web.de/elo/bauprojekte/feierabendprojekte/transistor-kurzwellenaudion
(Admin:Ist ein Link auf eine gewerbliche Seite)

Vielleicht hat jemand noch bessere Ideen...?
Gruß Hal
PS.Anmelden lohnt sich ...zum weiterlesen

19.12.11 22:25
Wellenreiter

nicht registriert

19.12.11 22:25
Wellenreiter

nicht registriert

Re: Anfrage

Vielen dank für Deine Antwort.
habe gerade gesehen das ich mich falsch ausgedrückt habe .

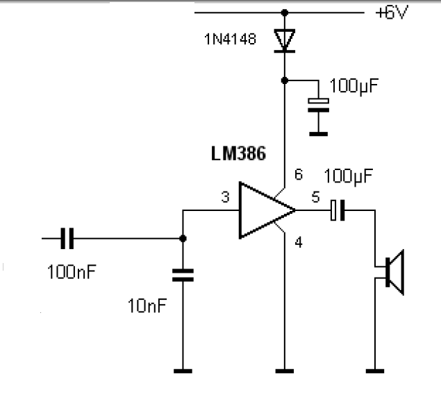
Die Verstärkerschaltung möchte ich mit einem IC Lm 386 machen.

meine Schuld,
Dir vielen Dank.

Vlt hat ja jemand so etwas .

viele grüße kurt
kurt

20.12.11 09:24
GeorgK 

500 und mehr Punkte

20.12.11 09:24
GeorgK 

500 und mehr Punkte

Re: Anfrage

Hallo an die wissenden,

ich suche das Datenblatt vom LM386.
Da wollte ich vom Pin 1 zu Pin 8 einen 10µF C anschliessen, um mehr Power zu bekommen. Ich finde im Googel keinen Pinnbelegung


Alees geklärt.....ich habe LM368 gesucht...Sorry.






Schöne Grüße aus Hessen

http://oldradio.de.tl/Home.htm

Georg

Zuletzt bearbeitet am 20.12.11 09:27

20.12.11 09:30
joeberesf 

500 und mehr Punkte

20.12.11 09:30
joeberesf 

500 und mehr Punkte

Re: Anfrage

Hallo Kurt,

hilft das weiter?


@Georg:

Habe ich auf meinem Rechner, kann ich Dir heute abend schicken.

Gruß

Joe



Datei-Anhänge
LM386.png LM386.png (557x)

Mime-Type: image/png, 22 kB

LM386 Board.png LM386 Board.png (418x)

Mime-Type: image/png, 250 kB

20.12.11 09:33
puntomane 

500 und mehr Punkte

20.12.11 09:33
puntomane 

500 und mehr Punkte

Re: Anfrage

hallo kurt,
deiner neuen anfrage betreffend, möchte ich dich mit dem franzis röhrenradio nicht schon wieder nerven, (ob wohl du uns zu meinem vorschlsg mit der prüfung der spule auf evtl. windungsschluß, noch eine antwort schuldig bist!, oder habe ich evtl. deinen dazu geschriebenen beitrag überlesen?).
unter verwendung dieser platine und dem 6volt batterieanschluß hast du schon den gesuchten regelbaren nf-verstärker, dazu ist nur der kondensator C6 einseitig an der verbindung R5,R6 abzulöten, an diesen freien kondensator anschluß hast du jetzt den nf-eingang.
zur verbesserung der schaltung (wie bereits von mir beschrieben) lötest du bitte einen elko 10µF/16V mit dem pluspol an pin 1 und dem minuspol an pin 8 des IC,s LM386. was hälst du von diesem vorschlag?

mfg
harry

20.12.11 10:58
GeorgK 

500 und mehr Punkte

20.12.11 10:58
GeorgK 

500 und mehr Punkte

Re: Anfrage

Hallo Harry,

ich greif mal "dazwischen" Ich habe das mit dem Anschliessen des 10 µF an 1 und 8 gemacht. Deutliche! Verbesserung der Lautstärke.

Objekt: Retro Radio mit Röhre von Franzis.

Der ganz rechte, hochstehende 10µF C ist es.





Schöne Grüße aus Hessen

http://oldradio.de.tl/Home.htm

Georg

Zuletzt bearbeitet am 20.12.11 11:10

Datei-Anhänge
P1090374.JPG P1090374.JPG (407x)

Mime-Type: image/jpeg, 130 kB

P1090375.JPG P1090375.JPG (379x)

Mime-Type: image/jpeg, 175 kB

20.12.11 11:10
puntomane 

500 und mehr Punkte

20.12.11 11:10
puntomane 

500 und mehr Punkte

Re: Anfrage

hallo georg,
danke für deine rückmeldung, habe den zusätzlichen anschluß dieses elkos aus dem web und von dir nun die bestätigung der verbesserung freut mich für dich! ( habe dir und auch kurt diesen zusatz elko schon vor längerer zeit empfohlen )
mfg
harry

Zuletzt bearbeitet am 20.12.11 11:12

20.12.11 11:13
GeorgK 

500 und mehr Punkte

20.12.11 11:13
GeorgK 

500 und mehr Punkte

Re: Anfrage

puntomane:
hallo georg,
danke für deine rückmeldung, habe den zusätzlichen anschluß dieses elkos aus dem web und von dir nun die bestätigung der verbesserung freut mich für dich! ( habe dir und auch kurt diesen zusatz elko schon vor längerer zeit empfholen )
mfg
harry

Hallo Harry,

deshalb hatte ich es ausprobiert, allerdings erst Heute. Danke!



Schöne Grüße aus Hessen

http://oldradio.de.tl/Home.htm

Georg

20.12.11 15:53
Wellenreiter

nicht registriert

20.12.11 15:53
Wellenreiter

nicht registriert

Re: Anfrage

Vielen Dank an alle die mir auf meine Anfrage geantwortet haben.
das hat mir weitergeholfen.

Ich muss ich mich erst mal entschuldigen das ich euch keine Antwort
auf meine letzten Anfragen gegeben habe.
Mich hat es beim Fischen durch einen Ufereinbruch unfreiwilliger weise ins
Wasser gespült.
Bin knapp an einer Lungenentzündung vorbei und das basteln und der PC waren daher eine
zeitlang nur Nebensache.
Nun geht es aber wieder aufwärts.

Vielen Dank an alle die mir diesmal auf meine Anfrage geantwortet haben.
Das hat mir weitergeholfen.

Ich bitte alle nochmals die auf eine Antwort warteten um Entschuldigung und hoffe keinen zu beleidigt haben.

Allen eine schöne Zeit
wünscht euch Kurt

 1 2
 1 2
Verstärkerschaltung   entschuldigen   transistor-kurzwellenaudion   Anfrage   anschliessen   feierabendprojekte   batterieanschlu߿Lungenentzündung   vollständige   Entschuldigung   aussagekräftige   weitergeholfen   zusätzlichen   windungsschlu߿unfreiwilliger   Pinnbelegung   nf-verstärker   verbesserung   rückmeldung   geschriebenen