| Passwort vergessen?
Sie sind nicht angemeldet. |  Anmelden

Sprache auswählen:

Wumpus Gollum Forum von
Wumpus Welt der (alten) Radios
Sie sind nicht angemeldet.
 Anmelden

Kenwood TS-440S und R-5000
  •  
 1 2
 1 2
09.08.19 10:49
WalterBar 

500 und mehr Punkte

09.08.19 10:49
WalterBar 

500 und mehr Punkte

Kenwood TS-440S und R-5000

Hallo zusammen,

so langsam versagen auch die Geräte aus den 1980'ern. Ursache war eindeutig das Computer-Board mit der CPU 7800G, RAM 8418, EPROM 27128 und PIA 8255. Alle Bauteile sind noch erhältlich, aber man muss suchen ...

Der weitaus häufigste Fehler einer ausgefallenen PLL, an dem jeder TS-440S "erkrankt", wurde schon vor 15 Jahren beseitigt. Ursache ist ein aggressiver Klebstoff-Fixierer, der entfernt werden muss. Die betroffenen Bauteile müssen ausgetauscht werden. Bei einer ausgefallenen PLL der Frequenzaufbereitung leuchten in der Digitalanzeige anstelle der Ziffern nur Punkte in jeder Stelle.

Die Kenwood-Reihe schwächelte ein wenig mit der Gross-Signalfestigkeit des Empfängers. Heutzutage spielt das aber keine Rolle mehr. Es fehlen nicht nur die leistungsstarken europäischen Sender, auch die Ionosphäre weist deutlich höhere Dämpfungen auf.

Beim direkten Hörvergleich zu modernen SDR-Konzepten klingt Kenwood übrigens (vor allem bei schwachen SSB-Signalen) einfach besser.

https://www.radiomuseum.org/r/trio_kenwo...0_sts440.html#c







Das Netzteil des Empfängers R-5000 läuft durch, sobald ein Netzkabel angeschlossen ist. Der Becherelko mit 15000µF/25V muss aus Sicherheitsgründen unbedingt ausgetauscht werden.

https://www.radiomuseum.org/r/trio_kenwo_r_5000_r5000.html

Beide Geräte haben die gleiche Steuerung, die aber unterschiedlich bestückt ist und logischerweise andere Programme verwenden. Im TS-440S muss der Sender unterstützt werden, im R-5000 steckt ein Uhren-IC (RTC). Das RAM wird von einer 3V-Lithium-Zelle gepuffert. Im RM steht etwas über einen Akku, was ich aber für Unsinn halte. Beide EPROM-Inhalte können bei mir bei Bedarf angefragt werden.








Gruss

Walter

Datei-Anhänge
TS440S defekt.jpg TS440S defekt.jpg (647x)

Mime-Type: image/jpeg, 425 kB

TS440S-neue CPU eingesetzt.jpg TS440S-neue CPU eingesetzt.jpg (620x)

Mime-Type: image/jpeg, 634 kB

TS440S geöffnet.jpg TS440S geöffnet.jpg (510x)

Mime-Type: image/jpeg, 517 kB

apollo und foxgolf gefällt der Beitrag.
!
!!! Fotos, Grafiken nur über die Upload-Option des Forums, KEINE FREMD-LINKS auf externe Fotos.    

!!! Keine Komplett-Schaltbilder, keine Fotos, keine Grafiken, auf denen Urheberrechte Anderer (auch WEB-Seiten oder Foren) liegen!
Solche Uploads werden wegen der Rechtslage kommentarlos gelöscht!

Keine Fotos, auf denen Personen erkennbar sind, ohne deren schriftliche Zustimmung.

Den Beitrag-Betreff bei Antworten auf Threads nicht verändern!
09.08.19 13:21
HB9 

500 und mehr Punkte

09.08.19 13:21
HB9 

500 und mehr Punkte

Re: Kenwood TS-440S und R-5000

Hallo Walter,

nicht schlecht, wenn das EPROM die Daten so lange gehalten hat, 'offiziell' sind es ja nur etwa 10 Jahre, bei schlechten Fabrikaten noch weniger. Man kann es aber auch ganz löschen und neu programmieren, man muss kein neues suchen und zur Not geht auch ein FLASH, wenn man einen passenden Programmer hat und der WR-Pin zufällig auf dem richtigen Potential liegt. Aber das Programm muss man natürlich haben, was schwierig werden kann. Gesockelte ICs sind schön, hat man auch nicht immer...

Mein Yaesu FT757 stammt auch aus der Zeit und läuft noch, hat allerdings eine Macke im SSB-Sendepfad, die muss ich mal suchen.

Gruss HB9

09.08.19 13:45
WalterBar 

500 und mehr Punkte

09.08.19 13:45
WalterBar 

500 und mehr Punkte

Re: Kenwood TS-440S und R-5000

Hallo HB9,

ja, es gibt bei den alten EPROMs die merkwürdigsten Effekte. So auch, dass sie beim Verifizieren im Programmiergerät den Vergleich bestehen, aber in der Schaltung den Dienst versagen. Es ist in der Tat besser, man rückt dem Bauteil mit der UV-Lampe zu Leibe und programmiert neu. Ich habe die gesammelten Inhalte aller Geräte schon damals in der Apple II-Zeit auf Floppy genommen und dann in die PC-Welt portiert.

Für den TS-440S gab es zwei EPROM-Versionen mit dem Label JA2 (gesockelt) und JAH3 (eingelötet) und für den R-5000 JA1 (gesockelt).

Im Hexdump des EPROM JA2 erkennt man nur im Klartext den Befehlssatz der seriellen Schnittstelle und am Ende vor $3FFF Datum und Versionnummer "85/DEC/19_V1.0___"

Im Hexdump des EPROM JAH3 erkennt man nur im Klartext den Befehlssatz der seriellen Schnittstelle und am Ende vor $3FFF Datum und Versionnummer "86/OCT/02_V1.2___"

Die 3 Inhalte können bei mir bei Bedarf angefragt werden.

Momentan habe ich noch einen Galep-III-Programmer (Fa. Conitec mit ehemaligen Studienkollegen aus Dieburg) im Einsatz, der allerdings nach Windows 9x/XP verlangt.





Die Steuerungsplatinen beider Geräte haben bereits eine Kondensator- und EPROM-Kur bekommen. Das gilt auch für das eingebaute Netzteil des R-5000, der ansonsten auch an 12 Volt betrieben werden kann. In den nächsten Wochen und Monaten folgen der Reihe nach die Analog-Baugruppen. Es sind zusammen an die knapp 300 Elkos auszutauschen, die schon bereit liegen! Abschliessend wird der PLL-Abgleich kontrolliert und ggf. korrigiert.

Gruss
Walter

@wumpus: Zumindestens der R-5000 gehört in das Online-Museum !!

...

Zuletzt bearbeitet am 27.01.20 19:34

Datei-Anhänge
Kenwood TS440S repariert.jpg Kenwood TS440S repariert.jpg (597x)

Mime-Type: image/jpeg, 384 kB

Kenwood R-5000 überholt.jpg Kenwood R-5000 überholt.jpg (620x)

Mime-Type: image/jpeg, 361 kB

08.09.19 14:28
WalterBar 

500 und mehr Punkte

08.09.19 14:28
WalterBar 

500 und mehr Punkte

Re: Kenwood TS-440S und R-5000

Hallo zusammen,

wegen der Anfrage eines WGF-Kollegen aus diesem Board möchte ich auf den "PLL-Fehler"
des TS-440S kurz eingehen. Er äussert sich in einem Stummschalten des gesamten Geräts
und der Anzeige von Punkten in allen Dezimalstellen der Frequenzanzeige. Im Internet
gibt es einige Hinweise zu diesem Serienfehler, die ich nicht wiederholen will.
Besonders sei auf die hilfreichen Hinweise von "OZ1BXM Lars Petersen October 2009,
latest revision 14-October-2018" hingewiesen. Auf eham wird empfohlen, die 3V-Lithium-
Batterie zu erneuern, wenn die PLL nur in der Aufwärmphase des Geräts ausfällt.

Eine Reparatur erfordert fundierte Kenntnisse und Lötfertigkeiten, sowie das im Internet
verfügbare Service-Manual. Ein Frequenzzähler oder Spektrumanalyser bis 80 MHz ist
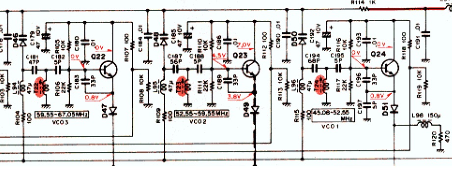
ebenfalls erforderlich. Notfalls tut es auch ein Allwellenempfänger. Die PLL ist mit
insgesamt 8 VCOs in 5 Regelschleifen sehr komplex. Fällt die PLL nur in einem Teilfrequenz-
bereich aus, dann sollte man mit der Suche nach beschädigten Schalt- bzw. Kapazitäts-
dioden im Bereich der Eingangsbandpass-Filter auf dem RF-Board beginnen. Die Suche muss
dabei auch schlechte Lötstellen und Leiterbahnunterbrechungen einschliessen. Hauptfehler-
quelle ist dann aber VCO1 mit den 4 VCO's. Wenn alle Bereiche betroffen ist, dann muss
VCO5 in die Suche eingeschlossen werden.

Mit einem hochohmigen Voltmeter (>10 MOhm) sollte gemessen werden, ob auf der Heiss-
kleberoberfläche eine Gleichspannung gegen Masse gemessen werden kann. Ist das der Fall,
muss der Kleber rückstandslos entfernt werden. In meinem Fall war das mit dem Entfernen
aller Bauteile ausgenommen den abgeschirmten Spulen verbunden. In der letzten Kenwood
Geräteserie wurde ein Kleber mit einer anderen Zusammensetzung verwendet. Oft müssen
alle oder ein Teil der Bauteile ersetzt werden. Die Kapazitätsdiode ITT310TE ist nicht
mehr erhältlich und sollte gegen eine BB139 getauscht werden. Wegen der Unterschiede
und vor allem wegen des nun fehlenden Dieelektrikums des fehlenden Klebers ist mit
einiger Sicherheit eine Änderung der Dimensionierung folgender Kondensatoren erforderlich.
Meine Werte änderten sich - teilweise anders als bei OZ1BXM - wie folgt:

C194 von 68 auf 75 pF, C195 von 5 auf 15 pF, C187 von 56 auf 51 pF, C188 von 5 auf 10 pF
C181 unverändert, C182 von 5 auf 7,2 pF, C174 von 39 auf 33 pF und C175 von 5 auf 6,8 pF







Zur Voreinstellung sollte man sich die VCO's einzeln vornehmen und die Regelspannung
von 2 bis 6 Volt durchfahren. Die Schwingung darf nicht abreissen, und es muss sich
mit den Spulen die im Schaltplan angegebenen Frequenzbereiche für eine VCO-Spannung
von 2,5 bis 6 Volt einstellen lassen.

Diese Prozedur ist aufwendig, lohnt sich aber. Besonders junge OMs mit kleinem Budget
können so zu einem sehr gutem Funkgerät kommen. Ich habe in der Bucht einen Marktwert
von etwa 200 Euro ermittelt. Der "Nur-Empfänger", weil seltener und meistens ohne
PLL-Problem kommt auf den doppelten Preis.


Gruss
Walter

Nachtrag: Nach jedem Wechsel der Lithium-Batterie ODER irgendwelchen Ausfallerscheinungen
muss erst einmal ein Soft-Reset gemacht werden, indem während des Einschaltens die "A=B"-
Taste gedrückt wird.
Bei ausgebautem Controllboard ist sind dies Stecker 53, Pin 1 (R-5000 Pin 4) und Stecker 55, Pin 3

Zuletzt bearbeitet am 24.09.19 09:45

Datei-Anhänge
TS-440S VCO1-Ausschnitt.jpg TS-440S VCO1-Ausschnitt.jpg (469x)

Mime-Type: image/jpeg, 132 kB

TS440-VCO1 leergeräumt.jpg TS440-VCO1 leergeräumt.jpg (554x)

Mime-Type: image/jpeg, 449 kB

TS-440S_PLL_VCO1_RF-Platine_fertig.jpg TS-440S_PLL_VCO1_RF-Platine_fertig.jpg (564x)

Mime-Type: image/jpeg, 131 kB

20.09.19 12:00
WalterBar 

500 und mehr Punkte

20.09.19 12:00
WalterBar 

500 und mehr Punkte

Re: Kenwood TS-440S und R-5000

Hallo zusammen,

für den ganz, ganz unwahrscheinlichen Fall, dass jemand in diesen Geräten die 35 Jahre alten Elkos tauschen will:

Ich habe 339 Stück gezählt.

Die beiden Geräte erfreuen sich nun wieder bester Gesundheit. Der Ausbau der ZF-Platine des TS-440S ist wegen der vielen Stecker etwas schwierig, zumal viele nur zweipolig sind und verwechselt werden können. Daher habe ich mir zur Sicherheit eine Tabelle erstellt.






Gruss
Walter

Datei-Anhänge
Kenwood Elkos R-5000 TS-440S PS30 PS50.jpg Kenwood Elkos R-5000 TS-440S PS30 PS50.jpg (523x)

Mime-Type: image/jpeg, 315 kB

TS-440S ZF-Steckverbinder.jpg TS-440S ZF-Steckverbinder.jpg (482x)

Mime-Type: image/jpeg, 135 kB

20.09.19 12:19
wumpus 

Administrator

20.09.19 12:19
wumpus 

Administrator

Re: Kenwood TS-440S und R-5000

Hallo Walter,



die Notwendigkeit solcher Hilfstabellen ist schon hardcore. Kommt mir sehr vertraut vor, wenn ich an meinen FT736R denke.


Grüße von Haus zu Haus
Rainer, DC7BJ (Forumbetreiber)

Welt der alten Radios:
http://www.welt-der-alten-radios.de

Wumpus-Gollum-Forum:
http://www.wumpus-gollum-forum.de/forum

Virtuelle Voxhaus-Gedenktafel:
http://www.voxhaus-gedenktafel.de

Wumpus bei youtube:
https://www.youtube.com/user/MyWumpus

20.09.19 12:52
WalterBar 

500 und mehr Punkte

20.09.19 12:52
WalterBar 

500 und mehr Punkte

Re: Kenwood TS-440S und R-5000

Hallo Rainer,

"hardcore" ist der richtige Ausdruck. Diese Aktion war meine "Zerstreuung" in der "zahnlosen" Zeit nach 2 OPs.

Man darf nicht vergessen, dass CAD in den 1980'ern noch in den Kinderschuhen steckte. Das führte unweigerlich zu Monsterkabelbäumen und eine gewisse Serviceunfreundlichkeit. Für diese beiden Geräte war es auch höchste Zeit. Nach dem Tausch ging die Stromaufnahme um 10% zurück. Übrigens ist die Beschaffung bedrahteter Bauteile, die ja auch nicht zu alt sein dürfen, schwierig geworden. Kleine Keramik-C's - in der Auswahl nach TK-Wert sortiert - kann man abhaken.

Gruss
Walter

20.09.19 17:55
wumpus 

Administrator

20.09.19 17:55
wumpus 

Administrator

Re: Kenwood TS-440S und R-5000

Hallo Walter,

ich habe Deinen Hinweis auf die Aufnahme des R-5000 ins Museum übersehen, sorry,

ich hole das alsbald nach. Den TS-440S nehme ich auch mit auf.

Alles feine Geräte!

Möge kein Mögel-Dellinger-Effekt aufteten ....

Grüße von Haus zu Haus
Rainer, DC7BJ (Forumbetreiber)

21.09.19 11:30
wumpus 

Administrator

21.09.19 11:30
wumpus 

Administrator

Re: Kenwood TS-440S und R-5000

Hallo Walter,

so, der Kenwood R-5000 ist im Online-Museum online. Ein feiner Empfänger!


https://www.welt-der-alten-radios.de/aus...etail-1512.html


Grüße von Haus zu Haus
Rainer, DC7BJ (Forumbetreiber)

Welt der alten Radios:
http://www.welt-der-alten-radios.de

Wumpus-Gollum-Forum:
http://www.wumpus-gollum-forum.de/forum

Virtuelle Voxhaus-Gedenktafel:
http://www.voxhaus-gedenktafel.de

Wumpus bei youtube:
https://www.youtube.com/user/MyWumpus

21.09.19 12:46
WalterBar 

500 und mehr Punkte

21.09.19 12:46
WalterBar 

500 und mehr Punkte

Re: Kenwood TS-440S und R-5000

Hallo Rainer,

danke für die Aufnahme in das Museum. Die Probleme mit der Tastatur habe ich hier (noch) nicht. Dafür schwächelt die Anzeigeröhre (Fluoreszenzröhre) ein wenig, weil sie - bedingt durch die eingebaute Uhr - über mindestens 10 Jahre Tag und Nacht gelaufen ist. Im RM.org hat gerade jemand die Frage gestellt, wie lange man den Heizfaden in "orangerot" mit einer Überspannung betreiben muss, damit sich eine Verbesserung einstellt. Ich bin einen anderen Weg gegangen und habe mir eine Reserveplatine angeschafft.

Wie man die Tastatur reparieren kann, hat PA3ABK beschrieben, Zeitdauer 6 Stunden. Die Tasten sind in China erhältlich:

"4mmx4mmx1.5mm 4Pins SMD PCB Momentary Tact Push Button Switch".


Gruss
Walter

 1 2
 1 2
Programmierspannung   Eingangsbandpass-Filter   Voxhaus-Gedenktafel   Ausfallerscheinungen   Serviceunfreundlichkeit   Bedienungsanleitung   Sicherheitsgründen   Steuerungsplatinen   Mögel-Dellinger-Effekt   welt-der-alten-radios   unwahrscheinlichen   Galep-III-Programmer   TS-440S   Allwellenempfänger   Kenwood   Frequenzaufbereitung   Monsterkabelbäumen   Gross-Signalfestigkeit   Leiterbahnunterbrechungen   Wumpus-Gollum-Forum