| Passwort vergessen?
Sie sind nicht angemeldet. |  Anmelden

Sprache auswählen:

Wumpus Gollum Forum von
Wumpus Welt der (alten) Radios
Sie sind nicht angemeldet.
 Anmelden

Lorenz 338W Ausland-Empfang
  •  
 1
 1
02.04.20 11:29
wumpus 

Administrator

02.04.20 11:29
wumpus 

Administrator

Lorenz 338W Ausland-Empfang

Hallo zusammen,

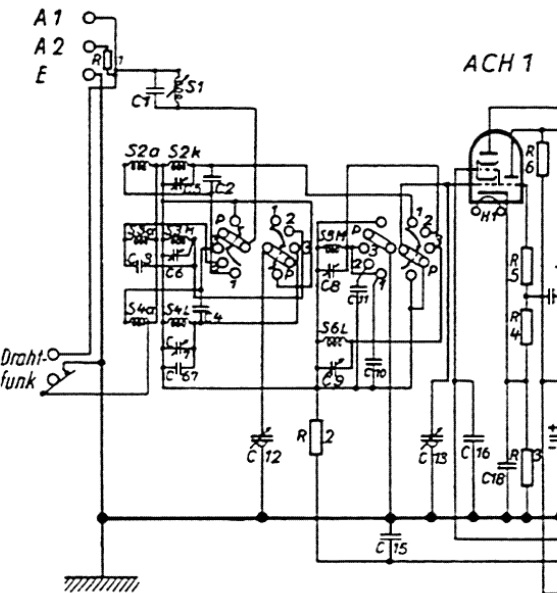
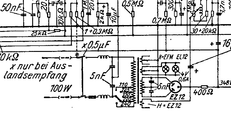
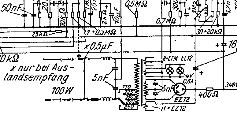
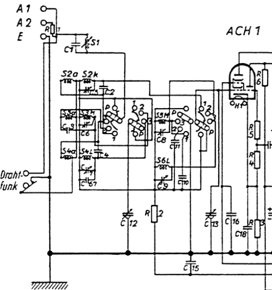
eine kleine Besonderheit durch verwendetem Begriff "Auslandsempfang" im Schaltbild zum Lorenz 338W von 1938:

X = Nur bei Auslandsempfang


Ich deute die Stelle im Schaltbild so: Bei Auslandsempfang wird ein Kondensator zwischen Geräte-Masse und dem Wechselstromnetz gelegt. Zum Einen ein gewisses Durchlagsrisiko, zum Anderen warum nur bei Auslandsempfang? Ist eher Fernempfang gemeint?

Da kein entsprechender Schalter vorhanden ist, müsste die Aktivierung eine Werkstätte gemacht haben oder konnte man sich bei Kauf des Radios für diese Option entscheiden?

Was bringt der Kondensator bei Fernempfang? Stör-Reduzierung? Empfindlichkeits-Steigerung?

Übrigens hat das Gerät auch einen Extra-Eingang für Drahtfunk.





Grüße von Haus zu Haus
Rainer, DC7BJ (Forumbetreiber)

Dieser Beitrag ist kein Aprilscherz.



Welt der alten Radios:
http://www.welt-der-alten-radios.de

Wumpus-Gollum-Forum:
http://www.wumpus-gollum-forum.de/forum

Virtuelle Voxhaus-Gedenktafel:
http://www.voxhaus-gedenktafel.de

Wumpus bei youtube:
https://www.youtube.com/user/MyWumpus

Datei-Anhänge
loreznz-338w-schalt1.jpg loreznz-338w-schalt1.jpg (319x)

Mime-Type: image/jpeg, 209 kB

loreznz-338w-schalt2.jpg loreznz-338w-schalt2.jpg (323x)

Mime-Type: image/jpeg, 115 kB

Noch gefällt der Beitrag keinem Nutzer.
!
!!! Fotos, Grafiken nur über die Upload-Option des Forums, KEINE FREMD-LINKS auf externe Fotos.    

!!! Keine Komplett-Schaltbilder, keine Fotos, keine Grafiken, auf denen Urheberrechte Anderer (auch WEB-Seiten oder Foren) liegen!
Solche Uploads werden wegen der Rechtslage kommentarlos gelöscht!

Keine Fotos, auf denen Personen erkennbar sind, ohne deren schriftliche Zustimmung.

Den Beitrag-Betreff bei Antworten auf Threads nicht verändern!
02.04.20 11:47
HB9 

500 und mehr Punkte

02.04.20 11:47
HB9 

500 und mehr Punkte

Re: Lorenz 338W Ausland-Empfang

Hallo Rainer,

interessante Sache...
Ein solcher Kondensator wurde noch häufig verbaut (aber mit Kapazitäten <10nF), so auch in meinem Biennophone 2066 aus der Zeit, aber auch in neueren Geräten. Die Idee war wohl, dass man so oft auf einen Erdanschluss verzichten kann, weil das Netz diese Funktion übernimmt. Ohne diesen Kondensator würde ohne Erdanschluss nur die Kapazität zwischen Primär- und Sekundärwicklung wirksam, und die ist recht niedrig. Manchmal reduziert der Kondensator auch Brummstörungen, welche durch den Gleichrichter entstehen können, wenn die HF ebenfalls durch den Gleichrichter fliesst und so mit 50Hz moduliert wird. Manchmal sind daher parallel zu den Gleichrichterdioden Kondensatoren geschaltet.

Was mich hier aber stutzig macht, ist die Grösse von 0.5F, das gibt bei 50Hz schon recht grosse, definitiv nicht mehr ungefährliche Ströme. Weiter 'torpediert' dieser Kondensator das Netzfilter vor dem Trafo, das wird so ziemlich wirkungslos. Andererseits ist es bemerkenswert, dass hier ein Netzfilter verbaut wurde, das war bis zum Aufkommen der Schaltnetzteile eigentlich nur bei Fernsehern zu finden.

Gruss HB9

03.04.20 08:55
WalterBar 

500 und mehr Punkte

03.04.20 08:55
WalterBar 

500 und mehr Punkte

Re: Lorenz 338W Ausland-Empfang

Hallo Rainer,

ich schliesse mich der Einschätzung von HB9 an, obwohl der Superhet Lorenz 338W aus der Zeit 1938 bis 1940 einen Erdanschluss besitzt. Der 500nF Kondensator war aber nicht immer eingebaut, und in meinem Schaltplan fehlt er auch. Zu dieser Thematik habe ich bei einem Zeitgenossen (Otto Kappelmayer 1934) in seinen Büchern nachgelesen und nichts hilfreiches gefunden.

Man möchte meinen, dass das Lichtnetz damals nicht verseucht war. Das stimmt aber nur eingeschränkt. Zu den oft angebotenen "Lichtantennen" schreibt Kappelmayer:

"Die gewöhnliche käufliche "L i c h t a n t e n n e" (Abb.27) als Einzel- oder als Doppelstecker ist nichts anderes als ein in Steckerform gebrachter Blockkondensator mit 300 bis 1000 cm Kapazität. Wenn eine solche Lichtantenne 2 Stecker hat, dann hat die eine Seite gewöhnlich 200 und die andere 500 cm Kapazität. Dann kann man eben umstecken: bei 200 cm ist der Empfang leiser und bei 500 cm lauter! Hinter einer Lichtantenne versteckt sich also weiter nichts als ein ganz gewöhnlicher Block, der für 1500 Volt Spannung geprüft ist."



Gruss
Walter

Datei-Anhänge
Auszug_Lorenz339W.jpg Auszug_Lorenz339W.jpg (321x)

Mime-Type: image/jpeg, 88 kB

03.04.20 10:16
wumpus 

Administrator

03.04.20 10:16
wumpus 

Administrator

Re: Lorenz 338W Ausland-Empfang

Hallo zusammen,

mich verwundert ja nur der Begriff Auslandsempfang, der wohl eigentlich Fernempfang bedeuten soll.

Auch beim Fernempfang hat der Kunde ja eigentlich die Möglichkeit eine echte Antenne mit oder ohne Erde anzuschließen und somit auch Fernsender zu hören.

Als "Netz / Licht" - Antennenersatz sehe ich den 0,5 uF nicht so richtig. Anders, wenn die Netzantenne eben an den Antenneneingang gekoppelt werden könnte.

Andererseits könnte bei fehlender Antenne über den 0,5 uF nach Masse doch irgendwie Nutz-HF ins Gerät gelangen ...

Ja, ich habe auch Schaltbilder ohne den optionalen Kondensator gesehen. Ich sehe diesen Kondensator auch irgendwie in Verbindung zum Drahtfunk-Eingang. Vielleicht hat es hier doch Störprobleme bei einigen Drahtfunk-Ortsnetzen gegeben.

Irgendwie doch alles befremdlich.



Grüße von Haus zu Haus
Rainer, DC7BJ (Forumbetreiber)

Welt der alten Radios:
http://www.welt-der-alten-radios.de

Wumpus-Gollum-Forum:
http://www.wumpus-gollum-forum.de/forum

Virtuelle Voxhaus-Gedenktafel:
http://www.voxhaus-gedenktafel.de

Wumpus bei youtube:
https://www.youtube.com/user/MyWumpus

03.04.20 10:32
HB9 

500 und mehr Punkte

03.04.20 10:32
HB9 

500 und mehr Punkte

Re: Lorenz 338W Ausland-Empfang

Hallo zusammen,

der Drahtfunk-Anschluss im Schema von Walter sieht irgendwie speziell aus. Da scheint es ein paar Spezialitäten zu geben. Warum die Erdverbindung von S2A/S3A/S4A beim Anschliessen des Drahtfunks unterbrochen wird (so interpretiere ich den Schaltplan von Walter), ist mir nicht klar. Nach meiner Sicht ist da auch noch ein Fehler im Schaltplan von Walter: Einerseits sieht es so aus, dass die Verbindungen von S2A/S2K, S3A/S3M, S4A/S4L mit Masse verbunden sind (über den ominösen Schalter beim Drahtfunkanschluss), andererseits wird über R2 die Gittervorspannung (Regelspannung) zugeführt, die so kurzgeschlossen würde. Fragen über Fragen...

Gruss HB9

03.04.20 16:44
WalterBar 

500 und mehr Punkte

03.04.20 16:44
WalterBar 

500 und mehr Punkte

Re: Lorenz 338W Ausland-Empfang

Hallo Rainer,

der Begriff Fernempfang war damals genauso wie Auslandsempfang üblich. Beim
Lesen alter Bücher trifft man auch auf Begriffe wie Rundspruch (=Rundfunk,
in der Schweiz bis heute gebräuchlich), Wellentelegraphie, Wellenschatten,
Wellenwerfer (KW-Richtantennen), Phototelegraphie (Faksimile), tönender Sender
(Telefoniesender) usw.

Aprilscherze nach dem 1.April wären echt unsportlich!
Sicherheitsfragen standen in jener Zeit ohnehin nicht im Vordergrund.


Gruss
Walter

Zuletzt bearbeitet am 03.04.20 16:57

 1
 1
Voxhaus-Gedenktafel   Ausland-Empfang   Wechselstromnetz   Kondensator   welt-der-alten-radios   Drahtfunk-Eingang   Stör-Reduzierung   Empfindlichkeits-Steigerung   KW-Richtantennen   Phototelegraphie   Wumpus-Gollum-Forum   Gittervorspannung   Forumbetreiber   Sicherheitsfragen   Wellentelegraphie   Auslandsempfang   Drahtfunk-Anschluss   Drahtfunkanschluss   Drahtfunk-Ortsnetzen   Blockkondensator