| Passwort vergessen?
Sie sind nicht angemeldet. |  Anmelden

Sprache auswählen:

Wumpus Gollum Forum von
Wumpus Welt der (alten) Radios
Sie sind nicht angemeldet.
 Anmelden

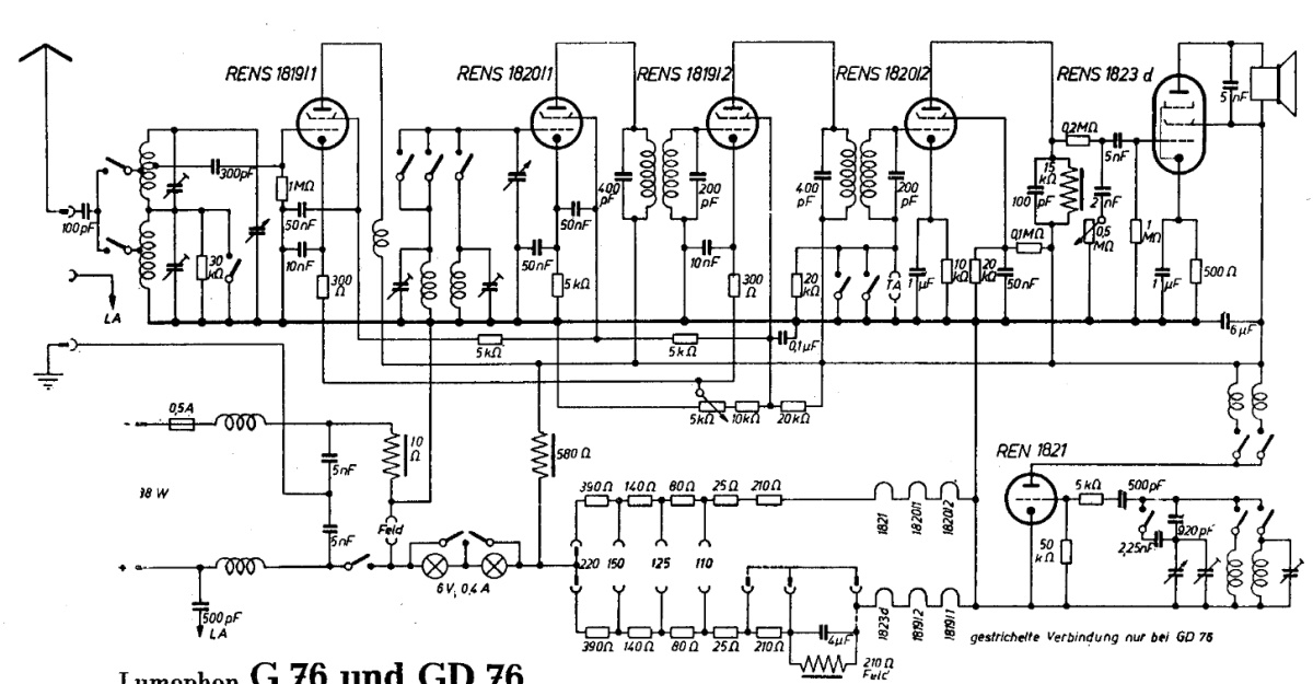
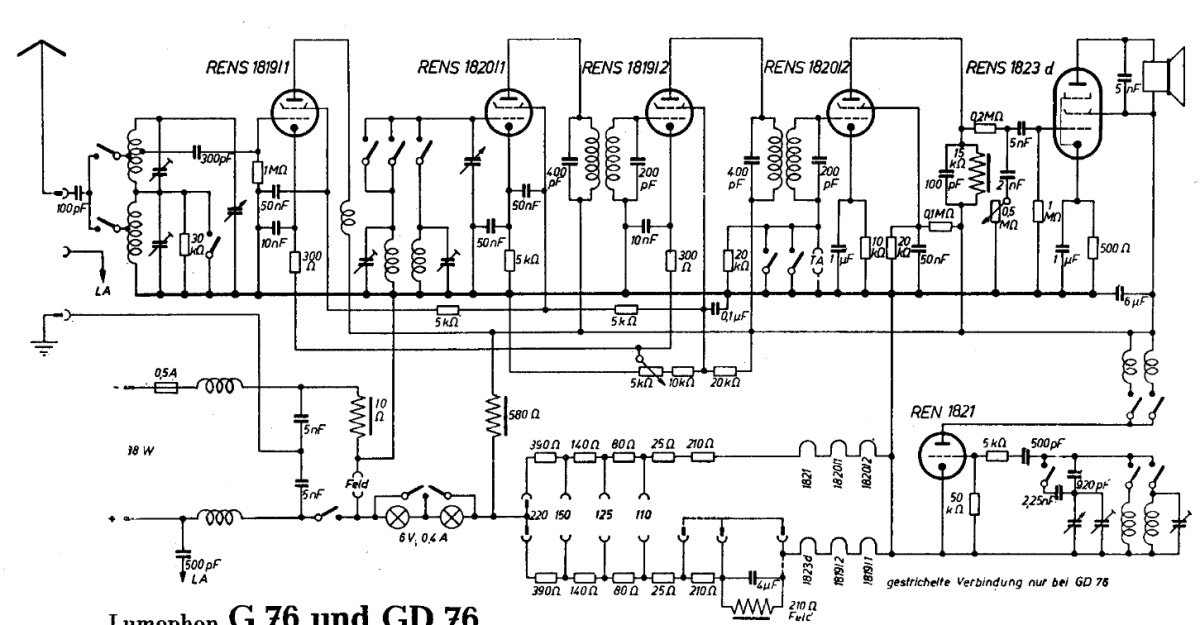
Lumophon G76. Misch- u. Oszillatorstufe
  •  
 1
 1
09.04.20 11:02
wumpus 

Administrator

09.04.20 11:02
wumpus 

Administrator

Lumophon G76. Misch- u. Oszillatorstufe

Hallo zusammen,

manchmal muß man zweimal hinsehen, um dann zu erkennen, wie ein Radio funktioniert. So auch wieder mal beim Lumophon G76.

Wie schafft es der Oszillator sein Signal in die Mischstufe zu bekommen?

Ich habe zwei Schaltbilder zum Vergleich genommen.

Beim ersten ist schon die Platzierung der Ozillatorstufe etwas ungewöhnlich.





Grüße von Haus zu Haus
Rainer, DC7BJ (Forumbetreiber)

Welt der alten Radios:
http://www.welt-der-alten-radios.de

Wumpus-Gollum-Forum:
http://www.wumpus-gollum-forum.de/forum

Virtuelle Voxhaus-Gedenktafel:
http://www.voxhaus-gedenktafel.de

Wumpus bei youtube:
https://www.youtube.com/user/MyWumpus

Datei-Anhänge
lumophon-g76-schalt1.jpg lumophon-g76-schalt1.jpg (302x)

Mime-Type: image/jpeg, 176 kB

lumophon-g76-schalt2.jpg lumophon-g76-schalt2.jpg (297x)

Mime-Type: image/jpeg, 241 kB

Noch gefällt der Beitrag keinem Nutzer.
!
!!! Fotos, Grafiken nur über die Upload-Option des Forums, KEINE FREMD-LINKS auf externe Fotos.    

!!! Keine Komplett-Schaltbilder, keine Fotos, keine Grafiken, auf denen Urheberrechte Anderer (auch WEB-Seiten oder Foren) liegen!
Solche Uploads werden wegen der Rechtslage kommentarlos gelöscht!

Keine Fotos, auf denen Personen erkennbar sind, ohne deren schriftliche Zustimmung.

Den Beitrag-Betreff bei Antworten auf Threads nicht verändern!
09.04.20 15:09
HB9 

500 und mehr Punkte

09.04.20 15:09
HB9 

500 und mehr Punkte

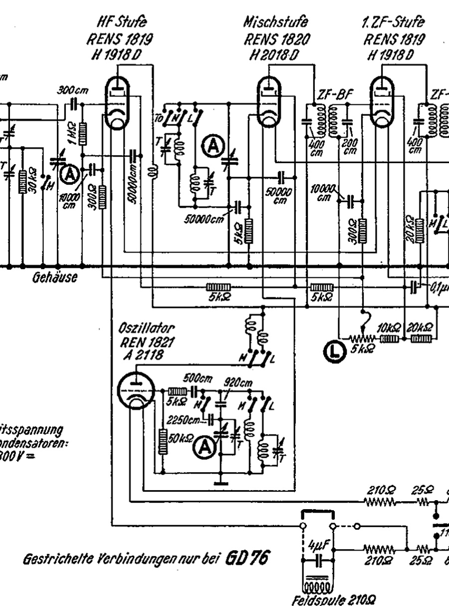
Re: Lumophon G76. Misch- u. Oszillatorstufe

Hallo Rainer,

einen 'offiziellen' Weg für das Oszillatorsignal habe ich nicht gefunden, und induktiv über den Schwingkreis am Gitter der Mischröhre macht irgendwie keinen Sinn, da die Resonanzfrequenz nicht stimmt... Die Lautstärkeregelung ist auch ziemlich unkonventionell.

Gruss HB9

10.04.20 14:56
wumpus 

Administrator

10.04.20 14:56
wumpus 

Administrator

Re: Lumophon G76. Misch- u. Oszillatorstufe

Hallo zusammen,

es wird in verschieden Quellen auf eine ZF von 65 kHz verwiesen. Das ist extrem nah zur Nutzfrequenz und somit könnte ein induktives Einkoppeln auf den Gitterkreis der Mischröhren noch ausreichende Pegel generieren. Voraussetzung wäre aber eben genau die nahe 65 kHz ZF.

Warum aber Lumophon nun die 65 kHz ZF gewählt haben sollte, erschließt sich mir noch nicht. Hohe ZF-Verstärkung? Aber die Spiegelfrequenzen noch mim Rundfunkbank, war das schlau?

Grüße von Haus zu Haus
Rainer, DC7BJ (Forumbetreiber)

Welt der alten Radios:
http://www.welt-der-alten-radios.de

Wumpus-Gollum-Forum:
http://www.wumpus-gollum-forum.de/forum

Virtuelle Voxhaus-Gedenktafel:
http://www.voxhaus-gedenktafel.de

Wumpus bei youtube:
https://www.youtube.com/user/MyWumpus

Zuletzt bearbeitet am 10.04.20 14:58

10.04.20 15:28
HB9 

500 und mehr Punkte

10.04.20 15:28
HB9 

500 und mehr Punkte

Re: Lumophon G76. Misch- u. Oszillatorstufe

Hallo zusammen,

naja, bei einer derart tiefen ZF geht induktives Einkoppeln, der Oszillator liefert ja genug Signal, und wenn der Zwischenkreis genug Dämpfung hat, wird er auch ausreichend breitbandig, trägt dann aber auch nicht mehr viel zur Spiegelfrequenz-Unterdrückung bei.

Vermutlich hatten sie die Stabilität des ZF-Verstärkers nicht im Griff mit höheren Frequenzen, oder die Güte der ZF-Kreise war nicht ausreichend, so dass die Bandbreite zu hoch wurde. Der Verstärkungsverlust dürfte weniger ein Problem sein, auch bei 130kHz wäre die Verstärkung noch etwa gleich. Auf jeden Fall man etwas Anderes als die ausgetretenen Pfade mit der Hexode

Gruss HB9

10.04.20 16:39
Reflex-Kalle 

500 und mehr Punkte

10.04.20 16:39
Reflex-Kalle 

500 und mehr Punkte

Re: Lumophon G76. Misch- u. Oszillatorstufe

Wie das funktioniert (hat), wird sich wohl aus dem mechanischen Aufbau der Empfänger ergeben, denke ich. Wird also induktiv sein. Nicht alles ist den (nachgezeichneten) Schaltbildern ersichtlich.
Gruß

(Reflex-)Kalle

Zuletzt bearbeitet am 10.04.20 16:40

 1
 1
Spiegelfrequenz-Unterdrückung   Voxhaus-Gedenktafel   Lumophon   ZF-Verstärkung   Zwischenkreis   Forumbetreiber   Schaltbildern   nachgezeichneten   Oszillatorstufe   Wumpus-Gollum-Forum   Lautstärkeregelung   unkonventionell   welt-der-alten-radios   Ozillatorstufe   ZF-Verstärkers   Verstärkungsverlust   Voraussetzung   Spiegelfrequenzen   Oszillatorsignal   Resonanzfrequenz