| Passwort vergessen?
Sie sind nicht angemeldet. |  Anmelden

Sprache auswählen:

Wumpus Gollum Forum von
Wumpus Welt der (alten) Radios
Sie sind nicht angemeldet.
 Anmelden

Horny Olympic 35W
  •  
 1
 1
28.03.21 12:48
wumpus 

Administrator

28.03.21 12:48
wumpus 

Administrator

Horny Olympic 35W

Hallo zusammen,

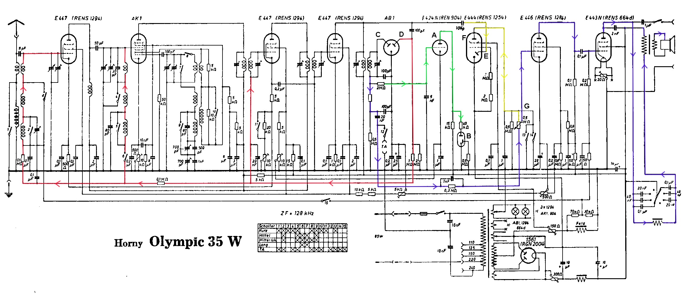
bin über eine gewisse Besonderheit im Schaltbild des Horny Olympic 35W auf dieses Gerät aus Österreich von 1934 aufmerksam geworden. Die deutschen Großhandelskataloge weisen das Horny-Gerät nicht aus. Auch Quellen im WWW sind spärlich, insbesondere wenn es um Schaltungsdetails geht.

Vielleicht gibt es im Forum Nutzer, die Nachdenk-Interesse über Schaltungsvariationen haben ?

Mir steht "nur" das Schaltbild aus den Lange-Bänden zur Verfügung und das bedeutet (leider): Achtung, es könnten Zeichnungsfehler vorhanden sein. Wie dem auch sei, kommen wir zur Besonderheit des Geräts:

Zuerst, ein aufwändiges Konzept mit vielen Röhren und Funktionen, als da u.a. sind:

Abgestimmte HF-Vorstufe, Superhet mit niedriger ZF-Frequenz (128 Khz) über zwei Stufen, getrennte Demodulator- und Regelspannungs-Diode, Steuerspannungsverstärker für Feldstärkeanzeige-Glimmröhre, (vermutete Rauschsperre oder Reduzierung?), Klangwähler. 2-Stufen-NF-Teil.

Das Schaltbild hier ist für den Bildschirm zu groß. Ich empfehle deshalb, nicht das Schaltbild (hier folgend) anzuklicken, sondern unter dem Beitrag, das kleine Vorschaubild. Dieses ist nämlich groß genug für detaillierte Betrachtung mit der Browser-Begleit-Software.





Hinweise zum Eindenken in das Schaltbild:

A= Steuertriode für Pegelanzeige (grün)
B= Glimmstrecke für Pegelanzeige (grün)
C= ZF-Demodulator-Diode
D= Regelspannungsdiode (rot)
E= Diode für Rauschsperre (gelb)?
F= Verstärker fü Rauschsperre (gelb)?
G= Lautstärkeregler (Eingreifpunkt der Rauschsperre? (gelb)

Blau= NF-Weg

Nochmals, gibt es Zeichnungsfehler? Warum, weil mir (noch) nicht klar ist, wie die Diode (E) der vermuteten Rauschstufe auf den Verstärker (F) einwirken kann, da die gemeinsame Kathode der Stufe (E, F) auf Minus liegt.

Oder hat die Stufe E,F eine andere Aufgabe?

Grüße von Haus zu Haus
Rainer, DC7BJ (Forumbetreiber)

Welt der alten Radios:
http://www.welt-der-alten-radios.de

Wumpus-Gollum-Forum:
http://www.wumpus-gollum-forum.de/forum

Virtuelle Voxhaus-Gedenktafel:
http://www.voxhaus-gedenktafel.de

Wumpus bei youtube:
https://www.youtube.com/user/MyWumpus

Datei-Anhänge
horny-olympia-35w-schalt.jpg horny-olympia-35w-schalt.jpg (320x)

Mime-Type: image/jpeg, 411 kB

Debo und Roehren-Lutz gefällt der Beitrag.
!
!!! Fotos, Grafiken nur über die Upload-Option des Forums, KEINE FREMD-LINKS auf externe Fotos.    

!!! Keine Komplett-Schaltbilder, keine Fotos, keine Grafiken, auf denen Urheberrechte Anderer (auch WEB-Seiten oder Foren) liegen!
Solche Uploads werden wegen der Rechtslage kommentarlos gelöscht!

Keine Fotos, auf denen Personen erkennbar sind, ohne deren schriftliche Zustimmung.

Den Beitrag-Betreff bei Antworten auf Threads nicht verändern!
28.03.21 16:19
HB9 

500 und mehr Punkte

28.03.21 16:19
HB9 

500 und mehr Punkte

Re: Horny Olympic 35W

Hallo Rainer,

ein hübsches Gerät. Die Entwickler waren hier mutiger als ihre Kollegen der Sport AG in Biel. Dort hat man zu dieser Zeit die HF-Vorstufe für KW konsequent umgangen, weil man es offenbar zu riskant fand, mit den damaligen Röhren eine abgestimmte Stufe auf KW zu machen.

Zu deiner Frage: Ich würde sagen, die Anode der Diode (E) muss mit dem Steuergitter dieser Röhre verbunden sein. So wird bei ausreichend ZF-Signal das Gitter gegenüber der Kathode negativ und damit die Röhre hochohmiger, was die negative Gittervorspannung der NF-Vorstufe reduziert und damit die Verstärkung erhöht. So wird das Grundrauschen reduziert, das bei den 4 HF-Stufen beträchtlich sein dürfte.

Gruss HB9

29.03.21 11:47
wumpus 

Administrator

29.03.21 11:47
wumpus 

Administrator

Re: Horny Olympic 35W

Hallo HB9,

jedenfalls kann die Stufe so wie von Lange gezeichnet aus meiner Sicht nicht arbeiten. Die gleichgerichtete Richtspannung der Diodenstrecke kann nirgendwo hinwirken, auch wahrscheinlich nicht über die gemeinsame Kathode der Tethrode und Diode RENS1254, obwohl die gegenüber Minus im Netzteil wohl ein Hauch hochgelegt ist, also beide Ströme hierüber fließen?

Die Schirmgitterspannung dieser Röhre ist im Netzteil auch einstellbar.

Habe immer noch keine damalige Beschreibung des Geräts gefunden...


Grüße von Haus zu Haus
Rainer, DC7BJ (Forumbetreiber)

Welt der alten Radios:
http://www.welt-der-alten-radios.de

Wumpus-Gollum-Forum:
http://www.wumpus-gollum-forum.de/forum

Virtuelle Voxhaus-Gedenktafel:
http://www.voxhaus-gedenktafel.de

Wumpus bei youtube:
https://www.youtube.com/user/MyWumpus

Zuletzt bearbeitet am 29.03.21 11:54

29.03.21 22:15
WoHo 

500 und mehr Punkte

29.03.21 22:15
WoHo 

500 und mehr Punkte

Re: Horny Olympic 35W

Liebe Radiofreunde

Meines Erachtens hat HB9 gestern schon die richtige Erklärung für die Rauschunterdrückungsschaltung mit der E444 gegeben.



Wenn man die fehlende Verbindung von der Diode zum Steuergitter einzeichnet, dann wird deutlich, dass bei Empfang eines Senders eine negative Richtspannung die E444 hochohmig macht. In Rot sind die angenommenen Spannungen markiert.

Ohne Empfang leitet die E444 mehr oder weniger stark, was eine zusätzliche negative Spannung am Fußpunkt des Lautstärkereglers erzeugt, also die NF-Röhre E446 sperrt. Diese hat ja keine Regeleigenschaft!

Bei KW und TA ist diese Automatik mit den Schaltern 13 & 14 wirkungslos gemacht.

Gruß aus NL, Wolfgang

Datei-Anhänge
SCAN0312.JPG SCAN0312.JPG (291x)

Mime-Type: image/jpeg, 104 kB

30.03.21 10:13
wumpus 

Administrator

30.03.21 10:13
wumpus 

Administrator

Re: Horny Olympic 35W

Hallo zusammen,hallo Wolfgang,

so gibt auch die eigentlich unnötige Reihenschaltung der 2 und 1 M Widerstände einen Sinn. Ich habe das Schaltbild mal entsprechend korrigiert.




Grüße von Haus zu Haus
Rainer, DC7BJ (Forumbetreiber)

Welt der alten Radios:
http://www.welt-der-alten-radios.de

Wumpus-Gollum-Forum:
http://www.wumpus-gollum-forum.de/forum

Virtuelle Voxhaus-Gedenktafel:
http://www.voxhaus-gedenktafel.de

Wumpus bei youtube:
https://www.youtube.com/user/MyWumpus

Datei-Anhänge
horny-olympia-35w-schalt-korr.jpg horny-olympia-35w-schalt-korr.jpg (333x)

Mime-Type: image/jpeg, 413 kB

horny-olympia-35w-schalt-korr.jpg horny-olympia-35w-schalt-korr.jpg (305x)

Mime-Type: image/jpeg, 413 kB

 1
 1
Feldstärkeanzeige-Glimmröhre   Lautstärkereglers   Steuerspannungsverstärker   Lautstärkeregler   Regelspannungsdiode   welt-der-alten-radios   Regelspannungs-Diode   Nachdenk-Interesse   Wumpus-Gollum-Forum   Großhandelskataloge   Rauschunterdrückungsschaltung   Browser-Begleit-Software   Gittervorspannung   Voxhaus-Gedenktafel   Forumbetreiber   Schaltungsdetails   Schirmgitterspannung   Schaltungsvariationen   Zeichnungsfehler   ZF-Demodulator-Diode