| Passwort vergessen?
Sie sind nicht angemeldet. |  Anmelden

Sprache auswählen:

Wumpus Gollum Forum von
Wumpus Welt der (alten) Radios
Sie sind nicht angemeldet.
 Anmelden

Hea ASMB51 Autoradio von 1950, Schaltbild-Betrachtung
  •  
 1 2
 1 2
13.07.24 16:58
wumpus 

Administrator

13.07.24 16:58
wumpus 

Administrator

Hea ASMB51 Autoradio von 1950, Schaltbild-Betrachtung

Hallo zusammen,


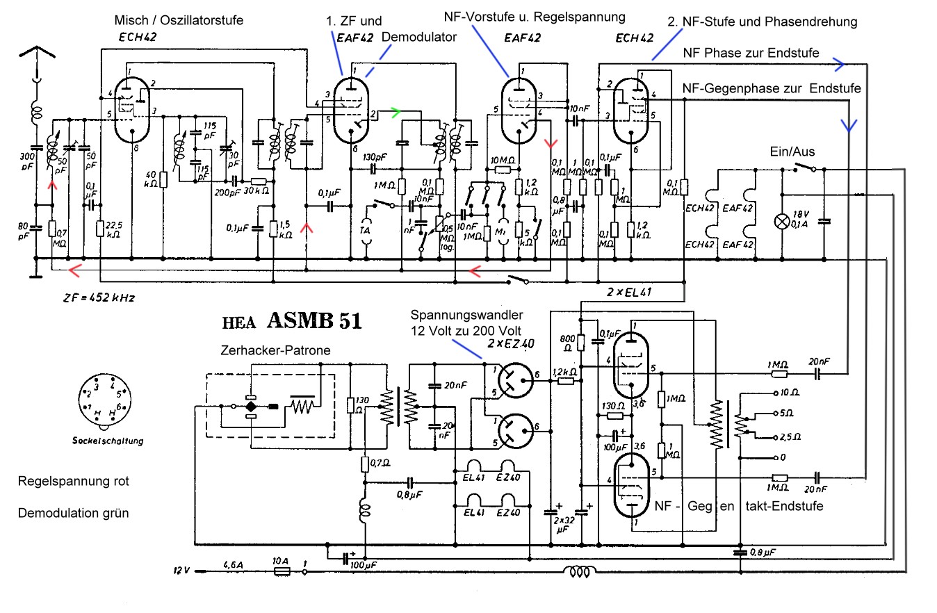
heute mal ein Blick in ein Schaltbild eines einfachen Monoband-Autoradios von ca. 1950 aus Österreich. Na da ist doch nichts interessantes zu finden? Mag sein oder auch nicht.

Immerhin ein Gegentaktwandler mit Zerhacker und eine NF-Gegentaktendstufe mit etwas eigentümlicher NF-Phasendrehstufe.

MW-Abstimmung induktiv, wie bei vielen Autoradios üblich. Eine fein angepasste (Verlängerungsspule) für die KFZ-Antenne und einen Plattenspieleranschluss und Mikrofonanschluss, der auch einen Einsatz im Autobus hindeutet. Schließlich gibt es auch eine Klangblende.

Die Funktion des Schalters X müsste noch genauer betrachtet werden....

Also immer noch total uninteressant?




Grüße von Haus zu Haus
Rainer, DC7BJ (Forumbetreiber)

Welt der alten Radios:
http://www.welt-der-alten-radios.de

Wumpus-Gollum-Forum:
http://www.wumpus-gollum-forum.de/forum

Virtuelle Voxhaus-Gedenktafel:
http://www.voxhaus-gedenktafel.de

Wumpus bei youtube:
https://www.youtube.com/user/MyWumpus

Datei-Anhänge
hea-asmb51-schalt.jpg hea-asmb51-schalt.jpg (143x)

Mime-Type: image/jpeg, 231 kB

WoHo gefällt der Beitrag.
!
!!! Fotos, Grafiken nur über die Upload-Option des Forums, KEINE FREMD-LINKS auf externe Fotos.    

!!! Keine Komplett-Schaltbilder, keine Fotos, keine Grafiken, auf denen Urheberrechte Anderer (auch WEB-Seiten oder Foren) liegen!
Solche Uploads werden wegen der Rechtslage kommentarlos gelöscht!

Keine Fotos, auf denen Personen erkennbar sind, ohne deren schriftliche Zustimmung.

Den Beitrag-Betreff bei Antworten auf Threads nicht verändern!
14.07.24 09:51
WalterBar 

500 und mehr Punkte

14.07.24 09:51
WalterBar 

500 und mehr Punkte

Re: Hea ASMB51 Autoradio von 1950, Schaltbild-Betrachtung

Hallo zusammen,

MW-Autoradio Empfang mit Zerhackerpatrone finde ich bemerkenswert
und war sicherlich eine Herausforderung an die Konstrukteure
(..., die heute bei Elektroautos in den USA offenbar kapitulieren).
Warum nur findet man kein Bild des Geräts?

Gruss
Walter

14.07.24 19:02
Bob 

50-99 Punkte

14.07.24 19:02
Bob 

50-99 Punkte

Re: Hea ASMB51 Autoradio von 1950, Schaltbild-Betrachtung

Hallo miteinander,

vermutlich gab es da zwei Gehäuse;
Zerhacker und Endstufe vom Empfangsteil
getrennt. Deshalb auch die Heizung
getrennt geschaltet.

Grüße Robert

15.07.24 10:24
wumpus 

Administrator

15.07.24 10:24
wumpus 

Administrator

Re: Hea ASMB51 Autoradio von 1950, Schaltbild-Betrachtung

Hallo zusammen,


es war wohl tatsächlich so, dass der Spannungswandler und die Gegentakt-Endstufe abgesetzt waren, so dem Lange-Schaltbild zu entnehmen. Ich hatte nur die Verbindungsleitungen nachträglich eingefügt. Ja, stimmt, die Entstörung vom MW, LW und KW, machte damals richtig Probleme.

Widerstände in Zündverteilern, Kondensatoren an Zündkontakten, geschirmte Zündkerzenstecker, richtig gelegte Masseleitungen, Anbringungsort der Stabantenne, usw, usw. waren notwendige Maßnahmen, die aber manchmal nur Teilerfolge brachten ...

Grüße von Haus zu Haus
Rainer, DC7BJ (Forumbetreiber)

Welt der alten Radios:
http://www.welt-der-alten-radios.de

Wumpus-Gollum-Forum:
http://www.wumpus-gollum-forum.de/forum

Virtuelle Voxhaus-Gedenktafel:
http://www.voxhaus-gedenktafel.de

Wumpus bei youtube:
https://www.youtube.com/user/MyWumpus

15.07.24 10:46
HB9 

500 und mehr Punkte

15.07.24 10:46
HB9 

500 und mehr Punkte

Re: Hea ASMB51 Autoradio von 1950, Schaltbild-Betrachtung

Hallo zusammen,

die Zerhackerstörungen hatte man gut im Griff, wie auch mein amerikanisches Gerät zeigt (ist hier beschrieben: https://www.wumpus-gollum-forum.de/forum...4&thread=69), da gibt es nicht einmal ansatzweise Störungen, und es ist alles im gleichen Gehäuse, wobei der Verdrahtungsteil des Zerhackers abgeschirmt ist (der Zerhacker selber ist ja auch immer in einem Metallgehäuse). Daneben hatte ich auch mal einen Blaupunkt-Autoradio zur Reparatur, auch da keinerlei Störungen trotz sehr gedrängtem Aufbau in einem Gehäuse. Dort war der HF-Teil im flacheren Teil des Normgehäuses untergebracht und der Zerhacker samt Selengleichrichter und EL84-Endstufe im dickeren, hinteren Teil.

Im Schaltplan sieht man auch die nötigen Massnahmen:

Drossel in der Zuleitung der 12V zum Trafo

100uF-Elko zur Säuberung der 12V

0.8uF-Kondensator zur Ableitung der HF-Ströme auf der 12V-Seite des Trafos

130Ohm-Widerstand auf der 12V-Seite des Trafos zur Dämpfung von Resonanzen und damit Reduktion der Funkenbildung

Die beiden 20nF-Kondensatoren auf der Sekundärseite verlangsamen den Spannungsanstieg beim Ausschalten der Schalter und verhindern damit Funkenbildung, so hat der Schalter genug Zeit, um zu öffnen, bevor die Spannung ansteigt. Werden sie richtig dimensioniert, schliesst der andere Schalter erst dann, wenn die Spannung über dem Schalter etwa Null Volt beträgt und so keine Funken bildet ('Zero-Voltage-Switching', wird auch bei Halbleitern zur Reduktion der Verlustleistung und Störungsbegrenzung eingesetzt). Diese Massnahme verlängert auch die Kontaktlebensdauer beträchtlich.

Weiter ist zu bedenken, dass die mechanischen Zerhacker mit Frequenzen von 50..100Hz arbeiteten und damit im LW- und MW-Bereich viel weniger Störanteile entstanden als bei Halbleiterschaltern mit Schaltfrequenzen im Bereich 20..50kHz. Die einzige Schwachstelle der Zerhacker war der Kontaktverschleiss und allenfalls die akustischen Geräusche, wenn sie in ruhiger Umgebung eingesetzt wurden.

Gruss HB9

16.07.24 09:56
wumpus 

Administrator

16.07.24 09:56
wumpus 

Administrator

Re: Hea ASMB51 Autoradio von 1950, Schaltbild-Betrachtung

Hallo HB9,

in der täglichen Praxis gab es aber immer wieder Probleme mit der Entstörung des AM-Empfangs in PKWs, trotz intakter interner Autoradio-Entstörung.

Oft machten oxydierte Masseverbindungen Störungen, gern die Masse an der eingebauten Teleskopantenne. Auch der Montageort der Antenne war nicht unwichtig. Sogar die elektrische Verbindung der Motorhaube (und beim VW-Käfer der Heckhaube) konnten zusätzliche Einstreuungen ergeben.

Kondensatoren am Zündkontakt und an / in der Lichtmaschine benahmen sich auch schon mal unhöflich. Auch heruntergebrannte Zündverteilerkappen brachten Zusatzstörungen.

Als Lehrling musste ich eine Zeitlang auch Autoradios mit einbauen oder Geräte zur Reparatur ein- und ausbauen. War eigentlich eine eher unangenehme Sache, weil oft danach erkennbare Störungen Ärger machten. Nicht selten bemerkten Kunden erst nach einer Reparatur "neue" Störungen, die aber schon vorher auch da waren ...


Grüße von Haus zu Haus
Rainer, DC7BJ (Forumbetreiber)

Welt der alten Radios:
http://www.welt-der-alten-radios.de

Wumpus-Gollum-Forum:
http://www.wumpus-gollum-forum.de/forum

Virtuelle Voxhaus-Gedenktafel:
http://www.voxhaus-gedenktafel.de

Wumpus bei youtube:
https://www.youtube.com/user/MyWumpus

16.07.24 10:24
WalterBar 

500 und mehr Punkte

16.07.24 10:24
WalterBar 

500 und mehr Punkte

Re: Hea ASMB51 Autoradio von 1950, Schaltbild-Betrachtung

wumpus:
... in der täglichen Praxis gab es aber immer wieder Probleme mit der Entstörung des AM-Empfangs in PKWs, trotz intakter interner Autoradio-Entstörung.

Oft machten oxydierte Masseverbindungen Störungen, gern die Masse an der eingebauten Teleskopantenne ...

Hallo Rainer,

ich kann dir da nur zustimmen. 1969 liess mein Vater sein Auto mit dem Autoradio ITT TS404 für den
geplanten Italienurlaub ausstatten. Wir erlebten während der Fahrt den Moment der Mondlandung
auf der ungestörten Frequenz des BR auf 1602 kHz.

Wir mussten mehrere Male die Werkstatt anfahren, um die Zündfunkenstörungen zu minimieren.
Jedesmal wurde die Entstörung etwas besser, war aber noch nicht zufriedenstellend.
Damals strich man in den Kotflügeln und unter dem Auto dick eine Unterbodenschutzfarbe auf.
Genau diese Farbe verhinderte eine gute Chassiserdung der Fahrzeug-Teleskopantenne.
Mit guter Erdung am Fusspunkt klappte es schliesslich.

Nach einer Elkokur vor gefühlten 15 Jahren spielt das Gerät in meiner Kellerwerkstatt heute noch.



Gibt es eigentlich Kenntnis darüber, wieviel (Tausend?) Stunden die Zerhackerpatronen gehalten haben?
Mein Jahre Anodensummer (800Hz) spielt auch noch, braucht aber ab und zu eine neue Justierung.


Gruss
Walter

Nachtrag: An ein zusätzliches Masseband zwischen Motorhaube und KFz-Chassis kann ich mich auch erinnern.

Zuletzt bearbeitet am 16.07.24 10:57

Datei-Anhänge
ITT_TS404_1970.jpg ITT_TS404_1970.jpg (135x)

Mime-Type: image/jpeg, 276 kB

16.07.24 11:16
HB9 

500 und mehr Punkte

16.07.24 11:16
HB9 

500 und mehr Punkte

Re: Hea ASMB51 Autoradio von 1950, Schaltbild-Betrachtung

Hallo zusammen,

die Störungen, die das Auto selber produziert, sind natürlich ein Problem. Einerseits die Zündung (Unterbrecher, Zündkerzen), welche früher recht dürftig bis gar nicht entstört war, und andererseits die Gleichstrom-Lichtmaschinen, die mit den Kontaktfunken am Kollektor ähnliche Störungen produzierten wie die Gleichstrom-Motoren. Mit dem Aufkommen der Dreiphasen-Alternatoren war diese Störquelle dann beseitigt.

Schlechte bis fehlende Masseverbindungen sind natürlich immer ein Problem. Die Karrosserie schirmt nur dann ab, wenn es elektrisch betrachtet ein zusammenhängendes Blech ist, was bei zusammengeschraubten Teilen häufig nicht der Fall ist. Geschweisste Verbindungen sind da sicherer. Der 'richtige' Anschluss für das Radiogehäuse und der saubere Masseanschluss der Abschirmung des Antennenkabels sind natürlich wichtig. Auch der Antennenstandort ist relevant, auf dem Dach ist deutlich besser als am Kotflügel, wo durch das aufragende Blech der Karosserie eine nicht unerhebliche Abschirmung der Antenne besteht. Umgekehrt soll das Antennenkabel bei den damals verwendeten passiven Antennen möglichst kurz sein, da es eine zusätzliche, unerwünschte Kapazität bringt und zusätzlich Störungen einfangen kann.

Die Lebenserwartung der Zerhacker soll eher kurz gewesen sein, hing vermutlich auch stark vom Hersteller und der Schaltung ab. Jedenfalls war das ein Verschleissteil und wurde durch Transistoren ersetzt, sobald es möglich war.

Gruss HB9

16.07.24 13:44
wumpus 

Administrator

16.07.24 13:44
wumpus 

Administrator

Re: Hea ASMB51 Autoradio von 1950, Schaltbild-Betrachtung

Hallo zusammen,

Zur Zerhacker-Lebensdauer habe ich alles mögliche erlebt. Von 1 Stunde bis zu ca. 10 Jahren. Entscheidend war wohl die Laufzeit des Zerhackers an sich. Im Mercedes 180D meines Vaters mit Blaupunktradio hielt er von 1957 bis 1959 bis zum Verkauf des PKW. Während dieser Zeit war das Radio jeden zweiten, dritten Tag jeweils ca. 1 bis 2 Stunden in Betrieb, dann noch zwei Urlaubsreisen nach Frankreich und Italien.

Bei Kunden gab es auch ein gemischtes Bild. Ein Kunde, der Überlandvertreter war, hatte sich bei uns immer Reservepatronen geholt und dann gegebenenfalls selbst unterwegs gewechselt, der Kunde fuhr aber auch am Tage sicher so 4-5 Stunden, auch über Autobahn.

Es gab Zerhacker, die trotz richtiger Funktion des Gerätes sehr stark störten, waren also schon neu defekt, funktionierten aber ansonsten.

Und nicht ganz zum Thema. Wie oft haben Kunden, im Stand Radio hörend den Akku leer bekommen, bzw. Der Wagen ließ sich nicht mehr starten.

Ein weiteres Problem tauchte mit den Aktivantennen an alten Zerhackerradios auf: Die brachten teilweise in den AM-Bereichen heftige Zusatzstörungen mit rein, war dann schwer wegzubekommen. Kann mich an ein Fall erinnern, wo der Radiotausch zum Transistorempfänger sofortige Abhilfe brachte.

p.s. Habe auch kein Foto von dem Gerät gefunden, kam vielleicht gar nicht in den Handel?


Grüße von Haus zu Haus
Rainer, DC7BJ (Forumbetreiber)

Welt der alten Radios:
http://www.welt-der-alten-radios.de

Wumpus-Gollum-Forum:
http://www.wumpus-gollum-forum.de/forum

Virtuelle Voxhaus-Gedenktafel:
http://www.voxhaus-gedenktafel.de

Wumpus bei youtube:
https://www.youtube.com/user/MyWumpus

Zuletzt bearbeitet am 16.07.24 13:48

16.07.24 14:54
HB9 

500 und mehr Punkte

16.07.24 14:54
HB9 

500 und mehr Punkte

Re: Hea ASMB51 Autoradio von 1950, Schaltbild-Betrachtung

Hallo zusammen,

die Umgebungsbedingungen dürften auch eine relevante Rolle bei der Lebensdauer der Zerhacker gespielt haben. Diese sind ja nicht luftdicht verschlossen und somit weder vor Feuchtigkeit noch aggressiven Gasen geschützt. Damals war die Luft in den Industriestädten ja richtig schmutzig vom Schwefeldioxid von der Kohle und (Schwer-)Ölverbrennung, Abgasreinigung war ja noch ein Fremdwort. Schwefeldioxid und Wasser zusammen gibt bekanntlich Schwefelsäure, und die ist extrem korrosiv, abgesehen davon, dass Feuchtigkeit an sich schon schlecht ist für elektrische Kontakte. Vermutlich wurde auch mit verschiedenen Materialien experimentiert, und wenn man gerade ein schlechtes Produkt erwischte, hatte man halt Pech

Der Stromverbrauch war nicht zu unterschätzen, die rein röhrenbestückten Radios brauchten so um die 40..60W, das entspricht etwa dem Stromverbrauch der damaligen Beleuchtung und hatte entsprechende Folgen, vor allem bei kleineren Autos, die entsprechend kleine Batterien hatten. Da die Gleichstrom-Lichtmaschinen auch ziemlich leistungsschwach waren, dauerte das Aufladen während der Fahrt entsprechend lang, vor allem, wenn das Radio eingeschaltet war. Es gab ja noch einige Autos, wo die Leistung nicht einmal für die Beleuchtung reichte, so dass man in der Nacht nicht zu lange unterwegs sein sollte.

Gruss HB9

 1 2
 1 2
welt-der-alten-radios   Zündfunkenstörungen   Schaltbild-Betrachtung   NF-Gegentaktendstufe   Zerhacker-Lebensdauer   Fahrzeug-Teleskopantenne   Verbindungsleitungen   Voxhaus-Gedenktafel   Plattenspieleranschluss   Transistorempfänger   zusammengeschraubten   Autoradio-Entstörung   Zündverteilerkappen   Umgebungsbedingungen   Gleichstrom-Lichtmaschinen   Autoradio   Zero-Voltage-Switching   Wumpus-Gollum-Forum   Dreiphasen-Alternatoren   Unterbodenschutzfarbe