| Passwort vergessen?
Sie sind nicht angemeldet. |  Anmelden

Sprache auswählen:

Wumpus Gollum Forum von
Wumpus Welt der (alten) Radios
Sie sind nicht angemeldet.
 Anmelden

Czeija Ferrando W317/1 mit etwas ungewöhnlichem NF-Teil
  •  
 1
 1
19.09.24 12:48
wumpus 

Administrator

19.09.24 12:48
wumpus 

Administrator

Czeija Ferrando W317/1 mit etwas ungewöhnlichem NF-Teil

Hallo zusammen,

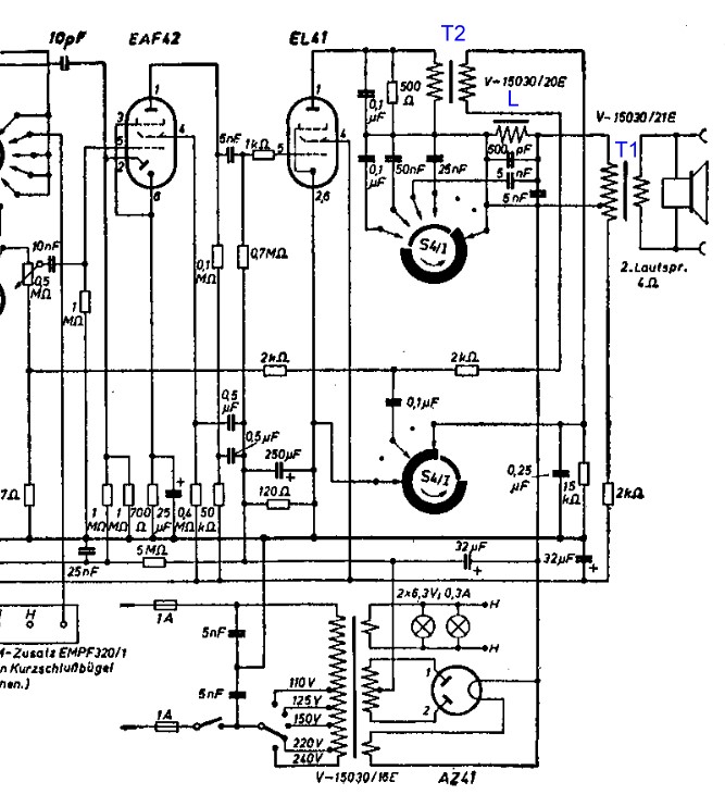
das Radio aus Österreich Czeija Ferrando W317/1 ist ein Empfänger mit drei KW-Bereichen und MW und LW. Leider für KW ohne Vorstufe und nur einer ZF-Stufe.

Interessanter ist das NF-Teil mit zwei Transformatoren (T1 und T2) und einer Drossel. Der Schaltungsaufwand wird so deutlich komplexer. Vielleicht ein Trafo für die Gegenkopplung, was macht aber die Drossel L ?

Klangregelung in Stufen?

Zuviel Aufwand? Was mag den Konstrukteur zu dieser Schaltung bewogen haben?






Grüße von Haus zu Haus
Rainer, DC7BJ (Forumbetreiber)

Welt der alten Radios:
http://www.welt-der-alten-radios.de

Wumpus-Gollum-Forum:
http://www.wumpus-gollum-forum.de/forum

Virtuelle Voxhaus-Gedenktafel:
http://www.voxhaus-gedenktafel.de

Wumpus bei youtube:
https://www.youtube.com/user/MyWumpus

Zuletzt bearbeitet am 19.09.24 12:50

Datei-Anhänge
ferrandow317-1-schalt-1.jpg ferrandow317-1-schalt-1.jpg (158x)

Mime-Type: image/jpeg, 273 kB

ferrandow317-1-schalt-2.jpg ferrandow317-1-schalt-2.jpg (142x)

Mime-Type: image/jpeg, 110 kB

HB9 und Axel gefällt der Beitrag.
!
!!! Fotos, Grafiken nur über die Upload-Option des Forums, KEINE FREMD-LINKS auf externe Fotos.    

!!! Keine Komplett-Schaltbilder, keine Fotos, keine Grafiken, auf denen Urheberrechte Anderer (auch WEB-Seiten oder Foren) liegen!
Solche Uploads werden wegen der Rechtslage kommentarlos gelöscht!

Keine Fotos, auf denen Personen erkennbar sind, ohne deren schriftliche Zustimmung.

Den Beitrag-Betreff bei Antworten auf Threads nicht verändern!
19.09.24 13:21
HB9 

500 und mehr Punkte

19.09.24 13:21
HB9 

500 und mehr Punkte

Re: Czeija Ferrando W317/1 mit etwas ungewöhnlichem NF-Teil

Hallo zusammen,

L bildet zusammen mit den 500pF eine Bandsperre, vermutlich für 9kHz (Pfeifen von den beiden Nachbarträgern bei LW und MW), das haben viele bessere Radios.

Der Trafo T2 ist für die Gegenkopplung, offenbar wollte man nicht eine Hilfswicklung auf dem Ausgangstrafo, so wie es normalerweise gemacht wurde. Die Klangeinstellung erfolgt einerseits durch das Parallelschalten von Kondensatoren zur Primärwicklung des Ausgangstrafos und andererseits durch Verändern der Gegenkopplung.

Alles in allem ziemlich speziell und recht aufwendig für einen ansonsten sehr durchschnittlichen Empfänger (keine HF-Vorstufe, nur eine ZF-Stufe, fixe ZF-Bandbreite, keine Gegentakt-Endstufe).

Gruss HB9

20.09.24 10:09
wumpus 

Administrator

20.09.24 10:09
wumpus 

Administrator

Re: Czeija Ferrando W317/1 mit etwas ungewöhnlichem NF-Teil

Hallo HB9 ,

Preiskalkulation ist ja bei Produktion immer ein Thema, so gesehen ist ein zusätzlicher Trafo ein Mehrkosten-Faktor. Jedenfalls ein ungewöhnliches Konzept...


Grüße von Haus zu Haus
Rainer, DC7BJ (Forumbetreiber)

Welt der alten Radios:
http://www.welt-der-alten-radios.de

Wumpus-Gollum-Forum:
http://www.wumpus-gollum-forum.de/forum

Virtuelle Voxhaus-Gedenktafel:
http://www.voxhaus-gedenktafel.de

Wumpus bei youtube:
https://www.youtube.com/user/MyWumpus

 1
 1
Ausgangstrafos   ungewöhnlichem   Primärwicklung   Kondensatoren   Klangeinstellung   Voxhaus-Gedenktafel   Gegentakt-Endstufe   Schaltungsaufwand   Preiskalkulation   Parallelschalten   Mehrkosten-Faktor   ungewöhnliches   durchschnittlichen   ZF-Bandbreite   Gegenkopplung   Wumpus-Gollum-Forum   Nachbarträgern   Transformatoren   welt-der-alten-radios   Forumbetreiber