| Passwort vergessen?
Sie sind nicht angemeldet. |  Anmelden

Sprache auswählen:

Wumpus Gollum Forum von
Wumpus Welt der (alten) Radios
Sie sind nicht angemeldet.
 Anmelden

Meine Analogis
  •  
 1 .. 5 6 7 8 9 .. 15 .. 21
 1 .. 5 6 7 8 9 .. 15 .. 21
02.09.12 02:01
joeberesf 

500 und mehr Punkte

02.09.12 02:01
joeberesf 

500 und mehr Punkte

Re: Meine Analogis

Hi Nobby;

bis 50uA bin ich gut versorgt. Schau Dir mal den zweiten Anwendungsfall an. Den habe ich gerade in den
Beitrag eingfügt. Es ist die abgebildete uV- Spannungsmessung.

Danke und Gruß

Joe

!
!!! Fotos, Grafiken nur über die Upload-Option des Forums, KEINE FREMD-LINKS auf externe Fotos.    

!!! Keine Komplett-Schaltbilder, keine Fotos, keine Grafiken, auf denen Urheberrechte Anderer (auch WEB-Seiten oder Foren) liegen!
Solche Uploads werden wegen der Rechtslage kommentarlos gelöscht!

Keine Fotos, auf denen Personen erkennbar sind, ohne deren schriftliche Zustimmung.

Den Beitrag-Betreff bei Antworten auf Threads nicht verändern!
02.09.12 02:14
nobbyrad58 

500 und mehr Punkte

02.09.12 02:14
nobbyrad58 

500 und mehr Punkte

Re: Meine Analogis

Hallo Joe!

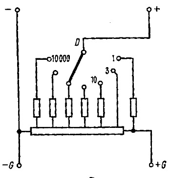
Ja dann hilft wohl wirklich nur ein Galvanometer, der untere Teil der Tabelle zeigt die Anwendungen von Gleichspannungsmessgeräten. Im Prinzip wird da ein Widerstand in Serie mit einem Drehspulmesswerk oder Galvanometer geschaltet. Aber das ist nur das Grundprinzip.

MFG Nobby

02.09.12 02:32
joeberesf 

500 und mehr Punkte

02.09.12 02:32
joeberesf 

500 und mehr Punkte

Re: Meine Analogis

Hallo Nobby,

ok. ! habe ich verstanden. Es ist bei der Schaltung so, dass der gezeigte Messpunkt über Buchsen herausgeführt wird.
Ein empfindliches Multimeter wird dann zur Messung extern eingesteckt. Ein internes Drehspulinstrument
habe ich bis jetzt nur bei "Franz Gysi`s Skywaves" gesehen. Er misst aber den Strom im Kopfhörerpfad und nicht
die Spannung am Kondensator.

Musste mal gurgeln den Gysi.

Gruß

Joe

02.09.12 13:12
nobbyrad58 

500 und mehr Punkte

02.09.12 13:12
nobbyrad58 

500 und mehr Punkte

Re: Meine Analogis

Hallo Joe, Hallo an Alle!

Nochmals zurück zum Galvanometer. Es gibt auch Zeigergalvanometer, die sind nicht ganz so empfindlich wie Lichtmarken oder Spiegelgalvanometer. Letztere sind wirklich reine Laborgeräte. Das ist das empfindlichste was passiv zu erreichen ist. Also wer daran Interessiert ist soll sich eines rausfischen. Die Industriegeräte sind feinste Präzisionsarbeit, ein Selbstbau oder besser Um oder Ausbau dürfte zuhause nicht möglich sein. Es gibt auch Vielfachmessgeräte, das dürfte das richtige sein.
Hier mal ein Auszug was so Anfang der 60er auf dem Markt war bei den Geräten mit mehren Messbereichen.

MFG Nobby

Datei-Anhänge
Galvonometer Ausführung.1.jpg Galvonometer Ausführung.1.jpg (390x)

Mime-Type: image/jpeg, 41 kB

Galvanometer Schaltprinzip.2.jpg Galvanometer Schaltprinzip.2.jpg (344x)

Mime-Type: image/jpeg, 21 kB

02.09.12 17:34
joeberesf 

500 und mehr Punkte

02.09.12 17:34
joeberesf 

500 und mehr Punkte

Re: Meine Analogis

Hallo Nobby,

im RM gibt es ein

Kombiniertes Zeiger- und Spiegelgalvanometer Mirravi.
Messbereich: ± 30 µV = 1 × 10-6 A. 1 mm/m = 22 × 10-9 A.

zu besichtigen. Baujahr 1938. In diese Richtung müsste es gehen.

Gruß

Joe

http://www. radiomuseum.org/r/hartmann_zeiger_und_spiegel_galva.html

Zuletzt bearbeitet am 02.09.12 17:35

02.09.12 18:31
nobbyrad58 

500 und mehr Punkte

02.09.12 18:31
nobbyrad58 

500 und mehr Punkte

Re: Meine Analogis

Hallo Joe!

Für Deine Anwendung geeignet meine ich. In der Bucht läuft noch was. Viele wissen, gerade bei Zeigergalvanometern gar nicht was sie da haben. Nur das obige Teil Mirravi macht nur Spaß wenn es komplett ist. Eine Belastung der zu messenden Energie lässt sich bei passiv Messgeräten nicht vermeiden. Das wird immer ein Kompromiss sein. Moderne Geräte haben oft mehr Messbereiche, wie die Tabelle von Siemens Galvanometern die für Deine Zwecke geeignet sind zeigt.
Halo kleiner Nachtrag: Die 10-9 µA lasen sich nur mit der Spiegelvorrichtung ablesen.
MFG Nobby

Zuletzt bearbeitet am 02.09.12 19:10

03.09.12 09:21
joeberesf 

500 und mehr Punkte

03.09.12 09:21
joeberesf 

500 und mehr Punkte

Re: Meine Analogis

Hallo Nobby,

nobbyrad58:
Eine Belastung der zu messenden Energie lässt sich bei passiv Messgeräten nicht vermeiden.

dies ist auch der Grund warum beim internen Einbau im Detektor, Analogis schaltbar sein sollten.
Die Belastung der Quelle macht sich ja am Hörer bemerkbar. Es ist eigentlich nur eine schöne
Spielerei, da sich die aufgefangene Energie auch visuell darstellen läßt. Notwendig ist das nicht und
zusätzliche Belastungen und Widerstände sollten ja eigentlich vermieden werden.

Ich steh` drauf!

Danke und Gruß

Joe

03.09.12 11:32
nobbyrad58 

500 und mehr Punkte

03.09.12 11:32
nobbyrad58 

500 und mehr Punkte

Re: Meine Analogis

Hallo Joe!

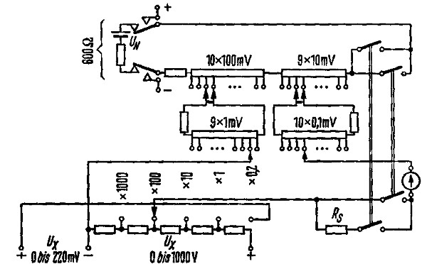
Sehr kleine Ströme im nanoA Bereich lassen sich nur mit Spiegelgalvanometern ablesen. Eine weiteres superempfindliches Messgerät ist das Elektrometer. Das benötigt jedoch eine Hilfsspannung zur leistungslosen Spannungsmessung. Noch präziser geht es mit Kompensatoren auch Diese brauchen Hilfsspannungen.
Das dürfte die technische Spitze der passiven Messtechnik sein. Einen kleinen Eindruck von der Technik mit einem Prinzipschaltbild.

MFG Nobby

Datei-Anhänge
Kompensatormesswerk.jpg Kompensatormesswerk.jpg (341x)

Mime-Type: image/jpeg, 50 kB

03.09.12 12:18
Pluspol 

500 und mehr Punkte

03.09.12 12:18
Pluspol 

500 und mehr Punkte

Re: Meine Analogis

Hallo an alle

Ich glaube, dass man mit analogen Messwerken um 50µA gut und sinnvoll umgehen kann.
Noch empfindlichere, z. B. mein UNi11E, zeigen im hochempfindlichen Wechselspannungsbereich bei offenen Messleitungen schon "Ausschläge" an, die aus dem Elektrosmog aller Umfelder resultieren.
Das sind nicht zuletzt die Sendeantennen der Mobiltelefone und anderer Quellen.
Wer in Kleinststrombereichen messen will, braucht dann geschirmte Messleitungen.
Zu bedenken ist auch, ob man nicht hier und da noch andere unerwartete Einflussgrößen miteinfängt.
Es ergeben sich folgerichtige Grenzen des zweck- und sinnvollen Gebrauchs unser so vertrauten "Analogis", die deren Wert trotzdem nicht schmälern.

Freundliche Grüße von Dietmar

Zuletzt bearbeitet am 03.09.12 12:20

03.09.12 12:28
nobbyrad58 

500 und mehr Punkte

03.09.12 12:28
nobbyrad58 

500 und mehr Punkte

Re: Meine Analogis

Hallo Dietmar!

Es ist richtig das man da nur noch mit abgeschirmten und genau "auskompensierten" Messleitungen was vernünftiges messen wird. Wer heutzutage in dem Gebiet der kleinsten Ströme und Spannungen und größten/kleinsten Widerstände sich betätigen will, der sollte auf heutige aktive Technik setzen.

MFG Nobby

 1 .. 5 6 7 8 9 .. 15 .. 21
 1 .. 5 6 7 8 9 .. 15 .. 21
Ohmmeter   Größer-Gleich-Kleiner-Vergleich   Grüße   Zuletzt   Isolationswiderstandsmessgerät   Wechselspannungs-Millivoltmeter   Trägerfrequenz-Meßbrücke   Messgerät   bearbeitet   Messwerk   Messmittel-Innenwiderstand   Gleichspannungsmessgeräten   Gleichspannungs-Millivoltmeter   natürlich   Zusammen   Transistor-Koffer-Heizbatterie   richtig   Batterie   Analogis   Funktionszuverlässigkeit