| Passwort vergessen?
Sie sind nicht angemeldet. |  Anmelden

Sprache auswählen:

Wumpus Gollum Forum von
Wumpus Welt der (alten) Radios
Sie sind nicht angemeldet.
 Anmelden

Historische Breitbandaufzeichnungen von AM-Bändern (Projekt Cohiradia)
  •  
 1 2 3 4
 1 2 3 4
01.05.22 17:25
WalterBar 

500 und mehr Punkte

01.05.22 17:25
WalterBar 

500 und mehr Punkte

Historische Breitbandaufzeichnungen von AM-Bändern (Projekt Cohiradia)

Hallo zusammen,

ich möchte an dieser Stelle auf einen interessanten Beitrag des RM-Mitglieds
Hermann Scharfetter hinweisen, der vor wenigen Wochen sein Programm zur
Breitbandaufzeichnung von AM-Bändern vorstellte:

https://www.radiomuseum.org/forum/histor...m_baendern.html

Während zum Abspielen der aufgezeichneten Spektren einige kostenlose Software-
lösungen wie z.B. SDR# geeignet sind, erfordert die Aufzeichnung einige
Anforderungen:

- Störungsarme Aussenantenne
- Intermodulationsfreier und rauscharmer 10-30dB-Vorverstärker
- StemLab 125-14 von Red Pitaya

Letzterer wird normalerweise als Messlabor verwendet und ist auch als
Kernelement in so manchem Amateurfunk-SDR-Transceiver vorhanden.
Die Software kann zwischen 100 kHz und 30 MHz Spektren in den Bandbreiten-
abstufungen 2500, 1250, 500, 250, 100, 50 und 20 kHz aufzeichnen. Die
erzielbare Dynamik und Rauschfreiheit hängt im Wesentlichen von den
Eigenschaften des Aufnahmeverstärkers ab. Während der Verfasser der
Software mehrere Stufen mit dem Video-OpAmp AD811 vorschlug, waren
meine Wahl zwei einzelne Verstärkerstufen mit dem abgekündigten
Transistor 2N5109. Die von mir getesteten chinesischen Breitband-LNAs
erwiesen sich alle als unbrauchbar. Der AD811 bestach zwar in seiner
Intermodulationsfestigkeit von IMD3=-70dB für ein Ausgangssignal von
2x -3dBm (Summensignal 1mW), zeigte aber Kreuzmodultion und undefinier-
bares Rauschen, wenn er mit gut belegten Mittelwellenspektren beauf-
schlagt wurde. Sollte ein WGF-ler einen dem 2N5109 vergleichbaren
Transistor kennen, dann bitte ich um eine Nachricht.

Das Problem ist immer gleich: Geringe Rauschzahl und Grossignal-
festigkeit, die nur mit hohen Strömen erreichbar sind, sind gegen-
sätzliche Forderungen. Folglich muss die Eingangsstufe mit einem
deutlich geringeren Strom als die Folgestufe arbeiten. Um das mit
der geforderten Impedanzanpassung in Einklang zu bringen, muss die
erste Stufe einen 4:1 Breitbandtransformator im Ausgang erhalten.
Diesen führt man zweckmässigerweise als Leitungsbalun aus.



Meine Lösung orientiert sich am RCA-Originaldatenblatt aus dem Juni
1967, dem Artikel von Michael Martin "Empfängereingangsteil mit
grossem Dynamikbereich und sehr geringen Intermodulationsverzerrungen",
erschienen in der cq-DL 6/1975, sowie dem Elecraft K2 Schaltungsentwurf.
Sollte jemand eine Kopie oder einen Scan des Artikels haben, wäre ich
dankbar, wenn mir eine Kopie zur Verfügung gestellt werden könnte.



Zur sorgfältigen Einpegelung auf die Zielgrösse 1Vss des Summensignals
sollte ein Dämpfungsglied am Verstärkerausgang vorgesehen werden.
Einerseits sind die Ausbreitungsverhältnisse immer variabel, andererseits
wird die Leistungsfähigkeit jeder Antenne anders ausfallen. Mein
Dipol liefert auf Mittelwelle beispielsweise schon ohne Verstärker
um Mitternacht 50 ... 100mV Spannung, sodass 17dB Verstärkung
ausreichen. Auf Langwelle dagegen habe ich die doppelte Verstärkung
gebraucht.



Gruss
Walter

Zuletzt bearbeitet am 23.05.22 13:22

Datei-Anhänge
NF_vs_Collectorcurrent_2N5109.jpg NF_vs_Collectorcurrent_2N5109.jpg (258x)

Mime-Type: image/jpeg, 275 kB

2N5109.jpg 2N5109.jpg (305x)

Mime-Type: image/jpeg, 89 kB

Verstärkersammlung_Cohiradia.jpg Verstärkersammlung_Cohiradia.jpg (265x)

Mime-Type: image/jpeg, 408 kB

Martin.M und wumpus gefällt der Beitrag.
!
!!! Fotos, Grafiken nur über die Upload-Option des Forums, KEINE FREMD-LINKS auf externe Fotos.    

!!! Keine Komplett-Schaltbilder, keine Fotos, keine Grafiken, auf denen Urheberrechte Anderer (auch WEB-Seiten oder Foren) liegen!
Solche Uploads werden wegen der Rechtslage kommentarlos gelöscht!

Keine Fotos, auf denen Personen erkennbar sind, ohne deren schriftliche Zustimmung.

Den Beitrag-Betreff bei Antworten auf Threads nicht verändern!
01.05.22 21:40
Debo 

500 und mehr Punkte

01.05.22 21:40
Debo 

500 und mehr Punkte

Re: Historische Breitbandaufzeichnungen von AM-Bändern

basteljero:
Leider ist die Seite nur für berechtigete Bilder-sammler verfügbar.
Was soll's


Jens


Hallo Jens,

nein Du kannst in irgendeiner Form tätig werden und Mitglied werden https://www.radiomuseum.org/forum/aufnah...omuseumorg.html

Aber es gab mal Mitglieder, die haben hunderte MB an Bildern und Pläne runtergeladen und vertrieben und waren nicht bereit ihre Unterlagen zur Verfügung zu stellen, und,und,und.
Und es gab Zank und Streit im Forum.
Dann hat der Gründer des rm.org in der aktuellen Form strukturiert.

Was denkst du was der WGF Besitzer im Jahr hier für Kosten hat um uns das tolle Forum hier zur Verfügung zu stellen?

Gruss
Debo

02.05.22 08:38
WalterBar 

500 und mehr Punkte

02.05.22 08:38
WalterBar 

500 und mehr Punkte

Re: Historische Breitbandaufzeichnungen von AM-Bändern (Projekt Cohiradia)

Hallo zusammen,

das RM hat sich bereit erklärt, seinen Server für die enormen Datenmengen (fast 20GB je Stunde in der grössten Bandbreite) zur Verfügung zu stellen. Würde jeder "Heitze-Feitz" das saugen wollen, käme das System schnell an seine Grenzen. Was nichts kostet, ist auch nichts. In diesem Fall kann man aber mit der eigenen Mitarbeit für das Gesamtsystem ohne Geldzahlungen einen Beitrag leisten. Wären alle Plattformen im Internet ähnlich organisiert, könnte sich keiner verstecken, Fake-News plazieren oder Meinungen manipulieren.

Ich wollte eigentlich nur darauf aufmerksam machen, dass es ein solches System gibt und man nicht auf Systeme mit diversen Heimsender-Kaskadierungen angewiesen ist.

Rainer sollte sich nicht scheuen, Spendenaufrufe zu starten, wenn es nötig ist.


Gruss
Walter

Nachtrag:

Jens (basteljero) hat seine polemischen Einwände nach seiner allgemeinen Verärgerung
leider - oder sollte ich sagen glücklicherweise -gelöscht. Das kommt in einigen Threats
aber einer Sabotage gleich. Der admin hat die Forumsregeln danach angepasst. Wer weiss
was da noch alles kommt ...

Zuletzt bearbeitet am 13.08.24 12:27

02.05.22 10:31
Hajo 

500 und mehr Punkte

02.05.22 10:31
Hajo 

500 und mehr Punkte

Re: Historische Breitbandaufzeichnungen von AM-Bändern

Hallo Walter

Als Alternativen zum 5109 fallen mir ein: ZTX327, 2N3866, MPSH10, BFG591, sind aber alle schon lange abgekündigt.
Chinafakes des 5109 und 3866 sind wohl noch gut erhältlich und sollen (zumindest teilweise) sooo schlecht nicht sein, wie man hört.
Gut gekühlt tut's vielleicht auch ein BF199 oder BF959, mit denen habe ich gute Erfahrungen gemacht, sind hart im Nehmen.

Gruß in die Runde
Hajo

Zuletzt bearbeitet am 02.05.22 10:41

02.05.22 10:56
WalterBar 

500 und mehr Punkte

02.05.22 10:56
WalterBar 

500 und mehr Punkte

Re: Historische Breitbandaufzeichnungen von AM-Bändern (Projekt Cohiradia)

Hallo Hajo,

danke für deine Vorschläge. Den BF199 würde man noch gut bekommen. Allerdings sind die Anforderungen sehr hoch. Ich habe für meinen Aufbau das Polytron MKK-System aus Abrissen von Gemeinschaftsanlagen gewählt. Polytron verwendete für seine UHF-Verstärker den Transistortyp BFR69. Die Breitbandausführung für 47 bis 860 MHz verwendete den 2SC3358 mit einer Transitfrequenz von 7GHz, einem Rauschmass von 2dB und einem zulässigen maximalen Collectorstrom von 100mA. Selbst diesen Typ musste ich verwerfen. Die chinesischen 2N5109 haben mit dem Original wirklich nichts zu tun. Alleine das Beta schwankte bei 10 Exemplaren zwischen 46 und 124 - da lohnen sich kaum aufwendige Messungen, wie Rausch- und IM-Messungen

Gruss
Walter

@Jens: Meinen Rat: lass es, mir geht es um das technische Konzept und nichts anderes!
@wumpus: Kein Problem, den Link zu löschen.

Zuletzt bearbeitet am 23.05.22 13:24

02.05.22 14:06
wumpus 

Administrator

02.05.22 14:06
wumpus 

Administrator

Re: Historische Breitbandaufzeichnungen von AM-Bändern

Hallo zusammen,

da ich als Admin in diesem Thread mehrfach indirekt angesprochen wurde, will ich kutz Stellung nehmen (obwohl das den Themenbereich des Threads verläßt).

Kurz ausgeholt: Wumpus Welt der Radios gibt es mit der Vorgängerversion Oldradioworld.de seit 1996 und war damals die erste deutsche Seite zum Thema. Ab 1999 gibt es das Wumpus-Gollum-Forum (aber damals noch als SUB-Forum bei Forumromanum. Schließlich ab 2006 dieses Forum hier in bekannter Form.

Mit der Zeit traten mehre Foren sozusagen "in gewisse Konkurrenz" zueinande auf. Jedes dieser Foren sammelte Interessenten und Nutzer ein. Die jeweiligen Forenbetreiber hatten durchaus unterschiedliche Ansichten, wie ein Forum geführt werden sollte. Das will ich hier nicht vertiefen.

Jedenfalls war und ist es meine Art von Forum: Es soll einen höflichen, respektvollen und sachlichen Umgang der Nutzer untereinander sicherstellen, auch sollen gewerbliche Themen zumindest nicht im Vordergrund stehen. Das scheint über die Jahrzehnte auch ganz gut zu funktionieren.

Ja es gab in der ferneren Vergangenheit schon gewisse "Animositäten" (insbesondere mit einem Forum-Betreiber aus Deutschland, weniger mit den dortigen Nutzern). Allgemein aber hat sich das Forum-Nebeneinander über die Jahre ganz gut eingespielt. Mir sind WGF-Nutzer, die in mehren Foren aktiv sind stets willkommen und hoffe, dass das umgekehrt auch so ist.

Ich erkenne auch durchaus die Notwendigkeit für große Foren nicht jeden Content für Jedermann zu zeigen (macht alles Aufwand und generiert Kosten), begehe aber selbst diesen Weg nicht.

Das WGF ist bis auf wenige Ausnahmen offen für jeden Nutzer mit vollem Zugriff. Das ist auch bei Wumpus Welt der Radios so, auch hier nur wenige Ausnahmen wegen Urheberrechts-Vorbehalten. Auch im WGF können Beiträge aus anderen Foren erwähnt werden. Weniger froh wäre ich über "Abwerbe- Kampagnen ", aber das hat ja nicht stattgefunden.

Klar für Mitnutzer bei radiomuseum.org ist es manchmal nicht im Fokus, dass es WGF-Nutzer gibt, die dort nicht Mitglied sind, sowie ich zum Beispiel auch nicht.


Wichtig ist aber: Ein Forum lebt von den Beiträgen der Nutzer, gilt für alle Foren, also bitte weiter fleißig Beiträge in Foren schreiben.

Grüße von Haus zu Haus
Rainer, DC7BJ (Forumbetreiber)

Welt der alten Radios:
http://www.welt-der-alten-radios.de

Wumpus-Gollum-Forum:
http://www.wumpus-gollum-forum.de/forum

Virtuelle Voxhaus-Gedenktafel:
http://www.voxhaus-gedenktafel.de

Wumpus bei youtube:
https://www.youtube.com/user/MyWumpus

Zuletzt bearbeitet am 02.05.22 15:57

02.05.22 16:18
WalterBar 

500 und mehr Punkte

02.05.22 16:18
WalterBar 

500 und mehr Punkte

Re: Historische Breitbandaufzeichnungen von AM-Bändern (Projekt Cohiradia)

Hallo zusammen,

damit sich der gute Jens endlich beruhigt und auch etwas zum Lesen bekommt, hier ein Link, der funktionieren dürfte:

https://www.radiomuseum.org/dsp_cohiradia.cfm

Beim Schreiben des Beitrags war mir nicht einmal bewusst, dass Nichtmitglieder keine Leseberechtigung haben.
Weiterhin traue ich den WGF-Nutzern durchaus zu, alleine aus der Überschrift des Beitrags zu verstehen, um was es geht.


Gruss
Walter

Zuletzt bearbeitet am 23.05.22 13:22

02.05.22 16:26
HB9 

500 und mehr Punkte

02.05.22 16:26
HB9 

500 und mehr Punkte

Re: Historische Breitbandaufzeichnungen von AM-Bändern

Hallo Walter,

um wieder zum Thema zu kommen:
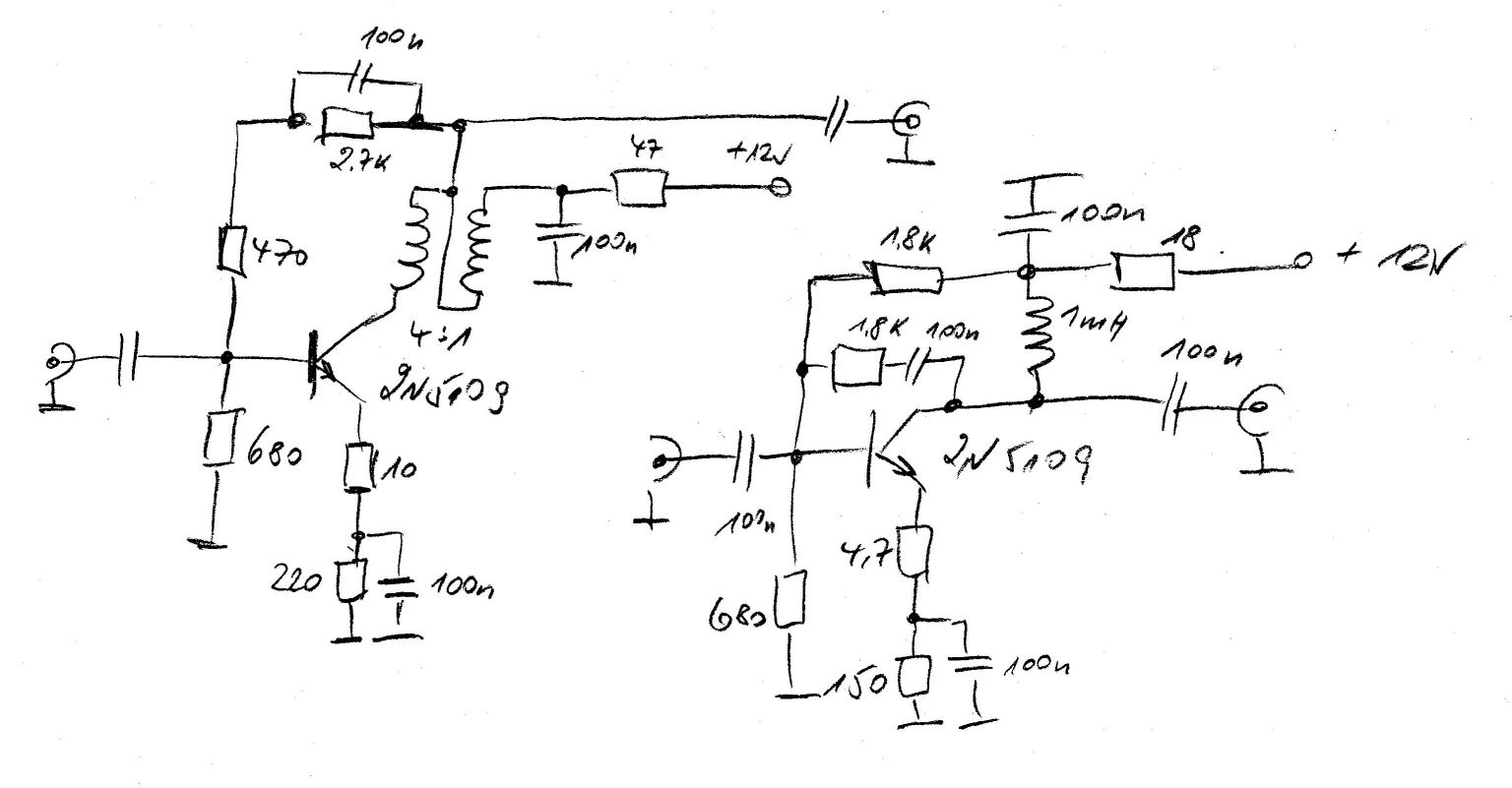
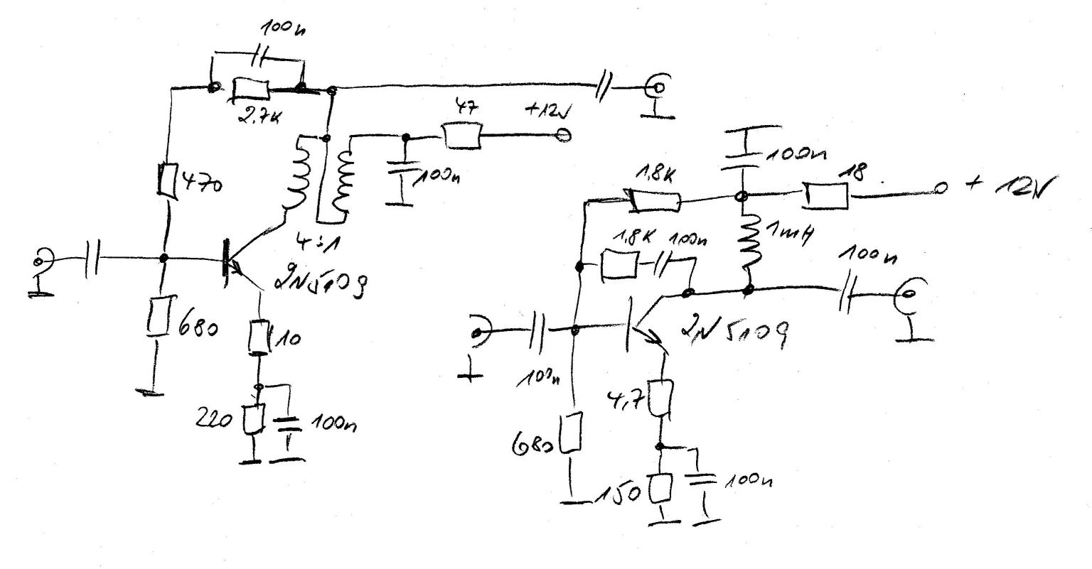
Der BF959 eignet sich meiner Meinung nach gut als Breitbandverstärker bis 100MHz mit der geeigneten Schaltung. Ich nutze ihn als HF-Vorstufe in meinem KW-Transceiver, da gibt es nicht einmal andeutungsweise Intermodulation, ausser der Pegel ist so hoch, dass der Mischer übersteuert wird (Schottky-Diodenmischer). Allerdings ist die Ausgangsspannung natürlich kleiner, 100mV dürften für den Mischer bereits zu viel sein. Ich habe den Vorverstärker mit 2 Transistoren realisiert, der erste in Basisschaltung macht etwa 26dB Verstärkung und der zweite als Emitterfolger sorgt für niedrige Ausgangsimpedanz, die mit einem Seriewiderstand auf etwa 50 angehoben wird. Das Rauschmass ist für Frequenzen <30MHz mehr als ausreichend, gemessen habe ich es nicht, und die Verstärkung fällt erst weit über 100MHz ab. Für höhere Ausgangsspannungen kann man ja eine Stufe anhängen, die nicht mehr so rauscharm sein muss, aber dafür mehr Strom liefern kann.

Im Anhang habe ich die Schaltung noch angehängt (unten links mit den beiden Transistoren). Der Eingangstrafo transformiert 4:1, da die Eingangsimpedanz am Emitter nur etwa 12 beträgt. Als Kern dient ein K1-Doppellochkern von Epcos.

Gruss HB9

Datei-Anhänge
HF Frontend Schema.pdf HF Frontend Schema.pdf (290x)

Mime-Type: application/pdf, 34 kB

02.05.22 16:30
WalterBar 

500 und mehr Punkte

02.05.22 16:30
WalterBar 

500 und mehr Punkte

Re: Historische Breitbandaufzeichnungen von AM-Bändern (Projekt Cohiradia)

Hallo HB9,

danke für die Infos zum BF959. Es ist leider so, dass für einen optimalen Betrieb eine ganze Grössenordnung mehr an Pegel nötig ist.

Hier die Wiedergabe eines Spektrums aus dem StemLab DSP/SDR auf Langwelle. Zwischen Dipol und dem Eingangsport waren die beiden 2N5109-Verstärker geschaltet. Das ist eine einfache Übung, die sich aber auf Mittelwelle in der Nacht ändert. Vor allem jetzt, wenn die Reflexionen an der E-Schicht stattfinden und die Pegel aus England innerhalb von nur 2 Wochen um mehr als 10dB gestiegen sind.




Gruss
Walter

Zuletzt bearbeitet am 23.05.22 13:24

Datei-Anhänge
LW-Spektrum aus StemLab.jpg LW-Spektrum aus StemLab.jpg (273x)

Mime-Type: image/jpeg, 150 kB

03.05.22 07:53
HB9 

500 und mehr Punkte

03.05.22 07:53
HB9 

500 und mehr Punkte

Re: Historische Breitbandaufzeichnungen von AM-Bändern

Hallo Walter,

es gibt auch die Möglichkeit, mehrere Transistoren parallelzuschalten, um mehr Strom und damit mehr Ausgangsleistung zu bekommen. Durch die Parallelschaltung wird gleichzeitig auch das Rauschen reduziert, wenn auch nicht übermässig stark, aber immerhin. So kann man sich einen richtig guten Transistor mit mehr Leistung machen. Man muss einfach aufpassen, dass sich der Strom auch schön auf die Transistoren verteilt, somit sind individuelle Emitterwiderstände nötig, die sinnvollerweise mit Kondensatoren für HF überbrückt sind, damit das Rauschen der Widerstände abgeblockt wird. Je nach Toleranz macht es auch Sinn, die Transistoren auf Gleichheit der Kennlinien im Arbeitspunkt auszusuchen. Im NF-Bereich wird das ja schon lange so gemacht.

Wenn man sich auf LW und MW und untere KW beschränkt, kann man nach der rauscharmen Eingangsstufe auch einen AD8021-Opamp verwenden. Der hat eine Leistungsbandbreite >5MHz bei 10facher Verstärkung und ist sehr linear, so dass es keine Intermodulation gibt. Wegen dem höheren Rauschen eines OpAmps braucht es aber die diskrete Transistor-Vorstufe, die 10..20dB verstärken soll.
Ich nutze diesen für meine LMK-Signalverteilung schon seit Jahren. Am Ausgang hängen 8 Radios mit zum Teil langen Koaxkabeln dran, und es funktioniert sehr gut. Da die Antenne auf KW wesentlich mehr Signal als auf MW und LW liefert, habe ich einfach am Verstärkereingang noch einen LC-Tiefpass geschaltet, der die Pegel etwas angleicht, damit auf KW keine Übersteuerung auftritt.

Gruss HB9

 1 2 3 4
 1 2 3 4
Videorecorderaufnahmen   Intermodulationsverzerrungen   1dB-Kompressionspunktes   Breitbandaufzeichnungen   Historische   Cohiradia   Anstiegsgeschwindigkeit   Heimsender-Kaskadierungen   Intermodulationsfestigkeit   Ausbreitungsverhältnisse   AM-Bändern   Amateurfunk-SDR-Transceiver   Intermodulationsfreier   bearbeitet   Urheberrechts-Vorbehalten   Intermodulationsmessungen   Indermodulationsprodukte   Zuletzt   Projekt   Übertragungskennlinie